Back to Home Page of CD3WD Project or Back to list of CD3WD Publications

Index.htm

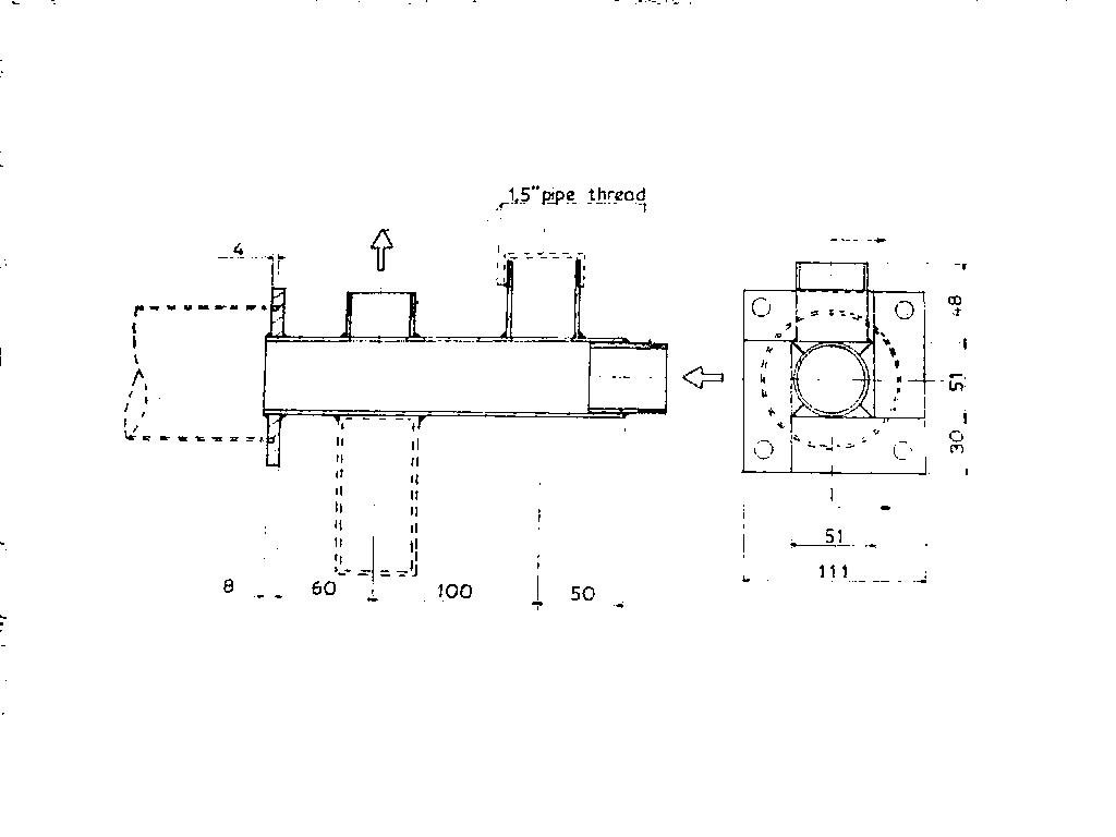
2 MAN LOW LIFT TROLLEY WATER PUMP, BARREL / FRAME / PIPES CONNECTION ASSEMBLY (LOW COST VERSION), 1 PIECE, MILD STEEL WELDED ASSEMBLY, SHOWING GROOVE FOR 80 mm RUBBER SEALING RING FROM FLANGE TO PVC PIPE BARREL.

Dwg008.htm Dwg010.htm

CD3WD Project Donate