Back to Home Page of CD3WD Project or Back to list of CD3WD Publications

VIII. les mesures de suivi et d'evaluation

Table des matières - Précédente - Suivante

8.1. Le suivi

Les activités de suivi concernent:

- le suivi de la comptabilité et de la gestion;
- le suivi technique des meuniers;
- le suivi du travail du(des) mécanicien(s)

8.1.1. Le suivi de la comptabilité et de la gestion

Il serai préférable d'instaurer un système de suivi ainsi qu'un contrôle du suivi.

i) Le suivi serait assuré par l'encadrement de base formé de façon adéquate. Afin de s'assurer que les principes de gestion et comptabilité aient été bien assimilés, le suivi serait effectué à une cadence serrée pendant les premières six semaines de fonctionnement de l'unité (une fois par semaine) et plus souple par la suite (une fois par mois). Le suivi aurait deux objectifs:

- s'assurer que toutes les recettes et les dépenses sont vérifiées et enregistrées correctement, rectifier les erreurs éventuelles et apprendre aux membres du comité de gestion, par le même biais, un remplissage fidèle et journalier des fiches;

- faire le bilan du fonctionnement du mois écoulé avec le comité et l'assemblée générale et mener une réflexion en commun sur le montant des recettes réalisées, les coûts de fonctionnement encourus et les moyens de les comprimer, sur la répartition des recettes nettes selon les autres postes et sur le bilan de chacun de ces postes Par la même occasion, l'encadrement pourrait susciter un débat collectif sur les problèmes rencontrés et les solutions à y apporter. Ceci faciliterait la prise en charge progressive par le milieu de "son" unité de mouture. A cet égard, il est essentiel que l'encadrement assure un rôle d'animateur et de conseiller et qu'il ne se substitue ni aux comités de gestion ni à l'assemblée générale dans la prise de décision

ii) Le contrôle du suivi serait effectué par l 'agent chargé du suivi au niveau central (projet et/ou secteur, arrondissement); il aurait lieu une fois par mois pendant les premiers six mois et une fois par trimestre par la suite. Les objectifs de ce contrôle seraient les suivants:

- s'assurer que l'encadrement mène effectivement le suivi et qu'il effectue le bilan mensuel avec les comités et l'assemblée générale;

- vérifier les fiches comptables et les comptes d'exploitation mensuels afin de détecter des erreurs de comptabilité et/ou des anomalies dans la gestion;

- apporter des connaissances supplémentaires aussi bien aux membres du comité de gestion qu'à l'encadrement si nécessaire:

- dans les cas où des prêts ont été octroyés aux groupements pour l'achat des installations, recouvrir les remboursements des échéances

Ce contrôle serait effectué selon un calendrier préalablement établi et communiqué à l'avance aux groupements et à l'encadrement afin que ces tournées puissent coïncider avec les réunions qui ont lieu dans le village lors du bilan des activités mensuelles.

8 1.2. Le suivi des meuniers(ères) serait assuré par le(s) mécanicien(s) avec lequel le comité de gestion aurait signé un contrat de service. Ce suivi serait serré pendant les premiers trois mois de fonctionnement du moulin (une fois par mois), moins serré par la suite (une fois chaque trois mois).

L'objectif du suivi est de s'assurer que les opérations d'entretien sont effectuées correctement: il s'agirait donc de miniséances de recyclage au bénéfice des meuniers et des membres du comité de gestion chargés du contrôle de l'entretien.

8.1.3. La mise en place d'un système remontant de fiches de suivi technique et de comptabilité et gestion serait le dernier élément du système de suivi à instaurer.

i) Pour le suivi technique, il s'agit d'une fiche qui indique les dates et le type d'entretien et réparation effectués par le mécanicien. (cf Annexe VII). Cette fiche remplie par le mécanicien et contresignée par l'encadreur et un membre du comité de gestion serait transmise au responsable du suivi du projet tous les trois mois.

ii) Quant au suivi de la comptabilité et de la gestion, il s'agit d'une série de fiches comptables (recettes réalisées, dépenses effectuées détaillées par poste) ainsi que d'une fiche de la situation des remboursements (ou amortissements) (cf Annexe VIII).

Ces fiches (trimestrielles et annuelles) seraient remplies par l'encadrement à partir des comptes d'exploitation des moulins et transmises au responsable du suivi du programme/projet.

8.2. L'évaluation

Environ 16 mois après la date de démarrage du programme/projet, l'on mènerait une évaluation du programme et de ses effets directs et indirects.

Les objectifs de cette évaluation peuvent plus précisément se résumer comme suit:

i) obtenir un nombre de renseignements sur les performances techniques des installations choisies:

- nombre, type et coût des pièces qui doivent être changées le plus souvent et leur durée moyenne;

- problèmes liés à la conception ou à l'installation des machines;

- nombre, type, durée et causes des pannes intervenues dans les unités de mouture ainsi que leur relation avec le niveau de compétence technique des mécaniciens et des meuniers.

ii) mener une analyse sur les coûts de fonctionnement des moulins et de leur évolution, compte tenu d'un nombre de paramètres tels que:

- types de céréales moulues et leur prix d'usinage;
- nombre de pannes intervenues;
- degré de contrôle, de la part des comités de gestion, des recettes, des dépenses et des stocks;
- organisation du travail des meuniers et des conditionneurs;
- éloignement du village d'installation du moulin des centres d'approvisionnement.

iii) déterminer le rayon de desserte des installations selon les saisons et estimer le pourcentage des ménages, dans le village d'implantation ainsi que dans ses environs, qui se servent du moulin; essayer de cerner les facteurs qui encouragent ou découragent le recours aux moulins;

iv) analyser l'évolution, dans le temps et dans l'espace, du chiffre d'affaire réalisé par les moulins, et discuter les causes d'éventuels changements;

v) calculer la rentabilité économique des installations;

vi) évaluer l'impact des différents types de formation dispensés, ainsi que l'efficacité des systèmes de comptabilité, de gestion et de suivi mis en place; cerner, si nécessaire, les causes de leurs défaillances;

vii) évaluer les effets économiques, directs et indirects des unités de mouture sur les bénéficiaires et sur les ménages du village d'implantation du moulin, ainsi que des environs. Plus spécifiquement, déterminer, par activité, l'accroissement (ou le décroissement) des activités lucratives des femmes et/ou des hommes, ainsi que le nombre de bénéficiaires, suite à l'installation du moulin. Il serait souhaitable d'évaluer l'impact différencié des facteurs suivants:

- fonctionnement du moulin;
- renforcement ou création d'activités lucratives suite à l'intervention du programme/projet;
- investissement des bénéfices réalisés par le moulin;
- autres investissements.

viii) évaluer les effets sociaux de l'introduction d'un moulin villageois sur les bénéficiaires; une attention particulière serait portée aux aspects suivants:

- changement du niveau nutritionnel et sanitaire des bénéficiaires ainsi que des membres de leurs ménages;

- nombre et nature des investissements à caractère social effectués avec les bénéfices réalisés et leur impact sur le village;

- degré de cohésion à l'intérieur des groupes directement concernés et leur relation avec les autres groupes ainsi qu'avec le village entier;

- changements survenus dans la capacité de prise de décision individuelle et collective des membres du groupe et dans le degré de prise en charge du groupe par lui-même.

Les interventions ultérieures du programme/projet seraient modulées en fonction des résultats et des conclusions de cette évaluation.


Liste des annexes

Annexe I: le principe de fonctionnement des broyeurs

1.1. Les broyeurs à marteaux

Un rotor entraîné par l'arbre du broyeur active une serie de marteaux qui en frappant les céréales, les fait éclater et les pulvérise à l'intérieur de la chambre de broyage jusqu'à ce que les particules pulvérisées ne passent pas au travers de la grille perforée.

Les éléments principaux du broyeur à marteaux sont:

- la carcasse;
- la chambre de broyage;
- les marteaux;
- le rotor;
- la grille de tamisage
(cf Schéma 4)

1.1.1. Les carcasses peuvent être réalisées soit en fonte, soit en plaques d'acier nervuré soudées.

Les avantages des carcasses en fonte sont:

- leur poids qui confère à la carcasse une inertie qui limite les vibrations qui sont à l'origine de fissures des pièces plus fragiles;

- son état indéformable qui limite les fuites des particules au cours du broyage liées à la déformation de la chambre de broyage.

L'inconvénient majeur de la fonte est qu'en cas de fissures de certaines pièces de la carcasse - embase des trémies d'alimentation par ex - cellesci sont presque irréparables. Pour souder de la fonte, il est nécessaire d'avoir des matériaux et des techniques que l'on ne trouve en général pas dans les pays africains.

Schéma No. 4 - Le principe d'un broyeur à marteaux

Les carcasses en acier sont pénalisées par rapport à celles en fonte sur les deux points énumérés ci-dessus (inertie et état indéformable), mais elles présentent d'autres avantages, à savoir:

- légèreté, ce qui facilite le transport dans les villages;

- facilité de réparation et longévité car les pièces en tôle, qui peuvent se dissoudre, peuvent aussi être facilement réparées.

De plus ce type de carcasse peut être fabriqué par des artisans locaux, ce qui diminue leur coût de 20 à 40 pour cent par rapport aux broyeurs importés.

1.1.2. La forme de la chambre de broyage est importante pour le débit: il faut éviter qu'elle ne soit complètement circulaire, cylindrique ou conique, afin que le grain entraîné dans le sillage des marteaux rencontre suffisamment d'obstacles pour faciliter son éclatement et sa pulvérisation. De plus, la chambre de broyage est munie d'obstacles pour accroître la rapidité de l'écrasement. Ceux-ci peuvent être:

- des contre-marteaux fixés sur les parois latérales de la chambre;
- des plaques d'usure - ou plaques de choc - qui, placées à l'entrée de la chambre, servent d'enclumes.

1.1.3. Le rôle des marteaux est de frapper le grain et de lui fournir des vitesses de rotation suffisamment élevées pour permettre sa pulvérisation contre les parois du broyeur. Pour augmenter le débit, l'on peut multiplier les angles d'attaque des marteaux en leur donnant un profil irrégulier (cf Schéma 5). Les marteaux peuvent être mobiles, articulés sur leurs axes ou fixes. Ces derniers sont parfois appelés marteaux à lames. Les marteaux, tout comme les plaques de choc, doivent être en matériaux résistants. Les marteaux les plus couramment fabriqués en Europe sont des lames épaisses d'acier traité, de forme rectangulaire. Selon les constructeurs, les marteaux réversibles sur quatre faces garantiraient le broyage d'environ 200 tonnes de céréales.

Les marteaux sont fixés sur un rotor entraîné par l'arbre

Schéma No. 5 - Marteaux réversibles

1.1.4. Le rotor peut être réalisé en une seule pièce ou en plusieurs plaques circulaires reliées par des entretoises. La première solution semblerait préférable car elle renforcerait l'équilibre entre le rotor et les marteaux. L'arbre est maintenu par des bagues ou paliers. Afin de prolonger la longévité de l'arbre et d'éviter des pertes de puissance par frottement, il est préférable que les paliers soient montés sur des roulements à bille.

1.1.5. Située à la sortie du broyeur, la grille de tamisage assure la continuité d'écrasage du grain jusqu'à ce que le produit fini atteigne une granulométrie inférieure au diamètre des perforations de la grille. C'est donc le choix du diamètre des perforations de cette grille qui détermine la finesse de la mouture obtenue. Plus le diamètre des perforations est petit, plus le débit horaire diminue, le temps de passage du grain dans le broyeur étant plus long. Tous les broyeurs sont équipés de grilles interchangeables, avec des diamètres de perforation compris entre 0,7 et 1,5 mm.

Tout changement de grille implique toutefois un arrêt du moteur puisqu'il faut ouvrir le corps du broyeur. Dans la plupart des cas, l'action de broyage projette les grains contre la grille qui constitue une pièce d'usure (tout comme les marteaux) qu'il faut remplacer fréquemment (environ toutes les 50 tonnes de céréales moulues).

1.1.6. La puissance minimum à développer pour les broyeurs à marteaux est de 23 CV; les vitesses de rotation varient entre 2000 et 6000 t/mn, la moyenne se situant autour de 3000 t/mn. En dessous de 1500 t/mn, le broyage n'est pas opérationnel car les marteaux n'ont pas assez d'énergie cinétique.

1.1.7, Le débit d'un broyeur à marteaux est fonction de plusieurs paramètres:

i) la puissance développée par le moteur;

ii) le nombre de trous par unité de surface de la grille de tamisage;

iii) l'épaisseur de la grille: des grilles moins épaisses augmentent le débit mais s'usent plus rapidement;

iv) le diamètre des perforations de la grille: les grands diamètres produisent néanmoins une granulométrie plus grossière;

v) le taux d'humidité du produit à broyer: il semble qu'une variation d'un pour cent du taux d'humidité du grain comporte environ une diminution de 10 pour cent du débit. De plus, un taux d'humidité trop élevé entraîne le colmatage de la grille;

vi) la nature du produit à broyer: un taux de matières grasses et de sucre dépassant un certain seuil (5 à 8 pour cent) risque de provoquer le colmatage de la grille. Les débits réels des broyeurs à marteaux sont toujours en dessous des débits théoriques indiqués par les constructeurs; les études de préfactibilité négligent souvent cette variable

1.1.8 La plupart des broyeurs à marteaux sont importés; (cf Annexe II pour une liste du matériel existant). Des broyeurs à marteaux fixes sont à l'heure actuelle entièrement fabriqués au Sénégal dans des ateliers artisanaux équipés de postes de soudure, Souvent les artisans sont plus disponibles que le personnel des firmes d'importation et peuvent consacrer plus de temps à la formation des villageois; ils assurent aussi un suivi plus serré des appareils.

1 2. Les moulins à meules

Dans les moulins à meules, le grain est déversé dans une trémie; une vanne d'alimentation située à la base de la trémie règle le débit du grain. Celui-ci passe dans le carter de broyage par le centre d'une des deux meules dont la partie axiale est creuse. Le broyage du grain est assuré par son passage entre les deux meules du centre vers la périphérie Les deux meules sont en matière et de dimensions identiques: l'une est fixe, solidaire du carter du moulin, l'autre est mobile, montée sur un arbre entraîné par manivelle ou poulie, reliée à un moteur thermique ou électrique.

A la sortie du carter, la récupération de la mouture se fait par un ou deux déversoirs.

1.2.1. Il y a deux types de moulins à meules: horizontales ou verticales. Tandis que dans le premier type, le grain est broyé et amené progressivement à la périphérie par une force centrifuge, dans le deuxième cas, c'est la force de gravité qui fait descendre le grain écrasé. Dans le moulin à meules horizontales donc, le temps de passage entre les meules est relativement plus long, d'où une farine plus homogène que celle obtenue avec un moulin à meules verticales. Cependant, la fabrication des moulins à meules horizontales est plus complexe, ce qui augmente leur coût. De plus, l'accès et l'entretien d'un moulin à meules verticales sont plus aisés; par conséquent l'on ne trouve actuellement sur le marché que des moulins à meules verticales.

1.2.2 Les éléments principaux d'un moulin à meules sont (cf Schémas 6 et 7):

- la carcasse;
- les meules;
- l'arbre et les paliers

Schéma No. 6 - Les composantes d'un moulin à meules verticales (type Hunt)

1.2.3. La carcasse des moulins à meules devrait avoir les mêmes caractéristiques que celle des broyeurs à marteaux (cf 1.1.2. cidessus). Cependant la résistance des matériaux utilisés est relativement moins importante du fait que les particules des céréales ne sont pas projetées, comme dans le cas des broyeurs à marteaux, contre les parois du broyeur.

1.2.4. Les meules sont des disques comportant des rainures d'alimentation qui répartissent le grain sur toute leur surface pour qu'il soit broyé. Ces rainures, plus profondes vers le centre, s'amenuisent graduellement vers les bords afin que le grain ne puisse s'échapper que lorsqu'il est finement moulu. Les rainures permettent également une aération qui modère une élévation excessive de température. Après usure, il est nécessaire de retailler les rainures à la sortie (cf Schéma 7).

Les matériaux utilisés pour la fabrication des meules varient selon le type de moulin.

Actuellement, les matériaux le plus couramment utilisés sont l'acier, le corindon vitrifié et la résine. Le tableau ci-après montre les avantages et les inconvénients de ces matériaux.

Schéma No. 7 - Surface travaillante d'une meule

Tableau 5: AVANTAGES ET INCONVENIENTS DES PRINCIPAUX MATERIAUX DES MEULES

Matériaux Avantages Inconvénients
Acier - grande solidité - risque d'élévation de température à la mouture
  - débit important - finesse de mouture moins bonne qu'avec les meules en corindon
  - coût réduit à l'achat et à la rechange  
  - retaillable  
Corindon vitrifié - léger + solide - coût élevé
  - relativement insensible aux condi- tions atmosphériques - uniquement céréales bien séchées
  - mouture fine  
  - retaillable  
Résine - solide et léger - taux de brisure élevé, surtout à de grandes vitesses
  - large surface abrasive - uniquement céréales bien séchées
  - mouture fine  

Source: Adapté de ALTERSIAL-GRET, Op. Cit.

Les opérations de montage, taillage, habillage et rhabillage de meules sont des opérations complexes et délicates. La finesse et la qualité du produit moulu sont fonction du montage, du réglage et de l'état des meules. En effet les meules ne peuvent travailler correctement si elles ne sont montées et équilibrées soigneusement. La meule fixe n'exige aucun équilibrage mais elle doit être correctement nivelée; la meule mobile, par contre, doit être exactement équilibrée si l'on veut éviter les vibrations et une mouture hétérogène.

Un manque de parallélisme de deux meules entraîne une usure prématurée de celles-ci sur les zones de contact, un réglage imparfait, ainsi qu'un produit semi-fini dans les zones de creux.

L'écartement des meules détermine la finesse de la mouture. Plus les meules sont rapprochées, plus la granulométrie obtenue sera fine mais ceci, aux dépens du débit. En général l'écartement des meules est assuré par un volant de réglage. Le réglage de l'écartement est très important et il faut éviter de moudre des céréales de différentes granulométries sans modifier le réglage. Un réglage mal effectué peut produire:

- une mouture incomplète;
- l'usure prématurée des meules lorsque celles-ci frottent l'une contre l'autre;
- une diminution brusque du débit due à l'engluement du produit sur les meules.

Il est prudent de toujours prévoir des meules de rechange qu'il faut stocker dans de bonnes conditions. Avant d'utiliser les meules, il est préférable de les "sonner" pour vérifier qu'elles sont indemnes de félures.

L'on ne peut pas évaluer avec précision la durée de vie des meules car elle est fonction de la vitesse de rotation, de la dureté des graines, des impuretés et corps durs que l'on trouve souvent dans celles-ci, ainsi que de la finesse de la granulométrie recherchée. L'usure des meules provient aussi du travail à vide lorsque les meules tournent et frottent l'une contre l'autre.

1.2.5. Les paliers du moulin à meules, comme ceux du broyeur, demandent à être bien conçus la plupart du temps, ils sont montés sur roulement à billes. Il est préférable de choisir des modèles à billes étanches (ou roulement graissé à vie) afin d'éviter certains oublis qui pourraient provoquer des pannes prolongées

1.2.6. La puissance absorbée par un moulin à meules dépend des paramètres suivants:

i) le débit d'alimentation du grain: la puissance requise peut varier du simple au triple suivant le débit que l'on veut obtenir; l'on constate que le débit est proportionnel à la puissance absorbée. Par exemple, un même moulin peut être activé par 3 CV jusqu'à 6-7 CV. Cependant les débits théoriques sont toujours en dessous des débits réels;

ii) la vitesse de rotation de la meule mobile: si celle-ci est plus importante que celle proposée par les constructeurs, l'on obtiendra un débit plus important mais une mouture moins homogène. De plus, des vitesses de rotation plus importantes que celles proposées par les constructeurs risquent d'engendrer un surchauffement de la farine obtenue qui nuit à sa bonne conservation. Les vitesses proposées parles constructeurs sont des vitesses moyennes: l'on peut, soit les réduire pour améliorer la qualité de la mouture, soit les augmenter pour accroître le débit. Il est souhaitable qu'en général ces variations ne dépassent pas 25 pour cent;

iii) le diamètre des meules: en général, les grandes meules absorbent une grande puissance;

iv) le nombre de rainures des meules: un plus grand nombre de rainures requiert une puissance très grande mais permet aussi un débit plus important;

v) l'écartement des meules: à débit égal, des meules rapprochées requièrent une puissance très grande;

vi) la nature du produit à moudre: le mais par exemple est moulu plus rapidement que les autres céréales;

vii) le taux d'humidité des céréales: un taux d'humidité au-dessus de 10 à 15 pour cent réduit considérablement le débit (de presque la moitié). L'humidité des grains cause le colmatage des meules (encrassement des rainures) et réduit le débit.

1 2.7. Il existe de petits moulins à meules manuels dont le débit moyen est d'environ 30 à 40 kg/h. La plupart est à volant ou à manivelle, et ils sont équipés en général de meules de 9 cm de diamétre; leur coût est nettement inférieur à celui des moulins à moteur. Leur utilisation n'est pas très répandue Tantôt elle est perçue comme une corvée harassante par la plupart des utilisatrices, "plus fatigant que le pilage". Dans certains endroits cependant (la région d'Agadez au Niger par exemple), leur utilisation est perçue comme une amélioration par rapport au procédé traditionnel. Ces différences peuvent avoir un fondement technique (par exemple montage des paliers sur roulement à billes ou pas), mais aussi un fondement social, l'installation d'un moulin à moteur étant perçue comme un élément de prestige pour le village d'implantation.

Actuellement, tous les moulins à meules sont importés. Une fabrication locale de moulins à meules est envisagée dans le cadre de la diffusion de moulins à manège (cf 1.3. ci-dessous). Une liste de moulins à meules actuellement disponibles et de leurs constructeurs se trouve à l'Annexe III.

1.3. Moulin à traction animale

1.3.1. Un moulin à meules est directement fixé sur un bâti horizontal de manège (asinien ou chevalin). L'animal, en tournant sur une piste circulaire, entraîne une roue de voiture placée au bout du bâti. L'axe de la roue est relié à un système d'accélération simple (plateau denté et pignon reliés par chaîne) qui entraîne la rotation de la meule tournante du moulin. La roue tourne sur une piste circulaire surélevée d'environ 3 mètres de diamètre. Sa vitesse de rotation est de 20 t/mn si le manège est entraîné par un âne; la multiplication axe de roue/axe de meules étant égale à 4, la vitesse de rotation du moulin est égale à 80 t/mn. L'effort de traction de l'animal est d'environ 30 kg, ce qui correspond au seuil maximal de l'effort qu'un âne peut produire tandis que pour un cheval ce seuil peut atteindre environ 50 kg

Un siège est aménagé sur le bâti à côté du moulin afin de permettre le contrôle du fonctionnement du moulin (réglage des meules afin d'obtenir la granulométrie souhaitée). (cf Schéma 8).

Schéma No, 8 - Moulin à traction animale

1.3.2. Les moulins actuellement utilisés sont des moulins à meules verticales en corindon. Les céréales sont versées dans une trémie et le produit moulu est recueilli dans un tiroir.

Les céréales à moudre doivent être séchées après décorticage humide avant d'être moulues. Les céréales actuellement moulues sont le mil, le maïs et le sorgho.

1.3.3. Le débit observé pour ce type de moulin est d'environ 15 kg/h en moyenne lorsque le moulin est entraîné par un âne, soit un débit allant de 100 à 120 kg/jour en supposant que le manège puisse travailler entre 6 et 8 heures par jour - ce qui nécessite l'utilisation de plusieurs ânes. La capacité maximale de ce moulin serait de 30 à 35 tonnes par an.

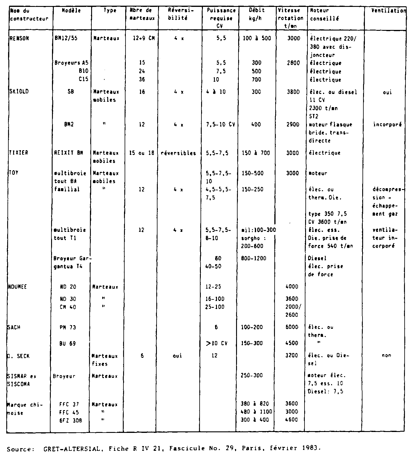
Annexe II: moulins à marteaux

ANNEXE II - Moulins à marteaux (pour les adresses des constructeurs, se reporter à l'ANNEXE III)

ANNEXE II - Moulins à marteaux (pour les adresses des constructeurs, se reporter à l'ANNEXE III) (suite)

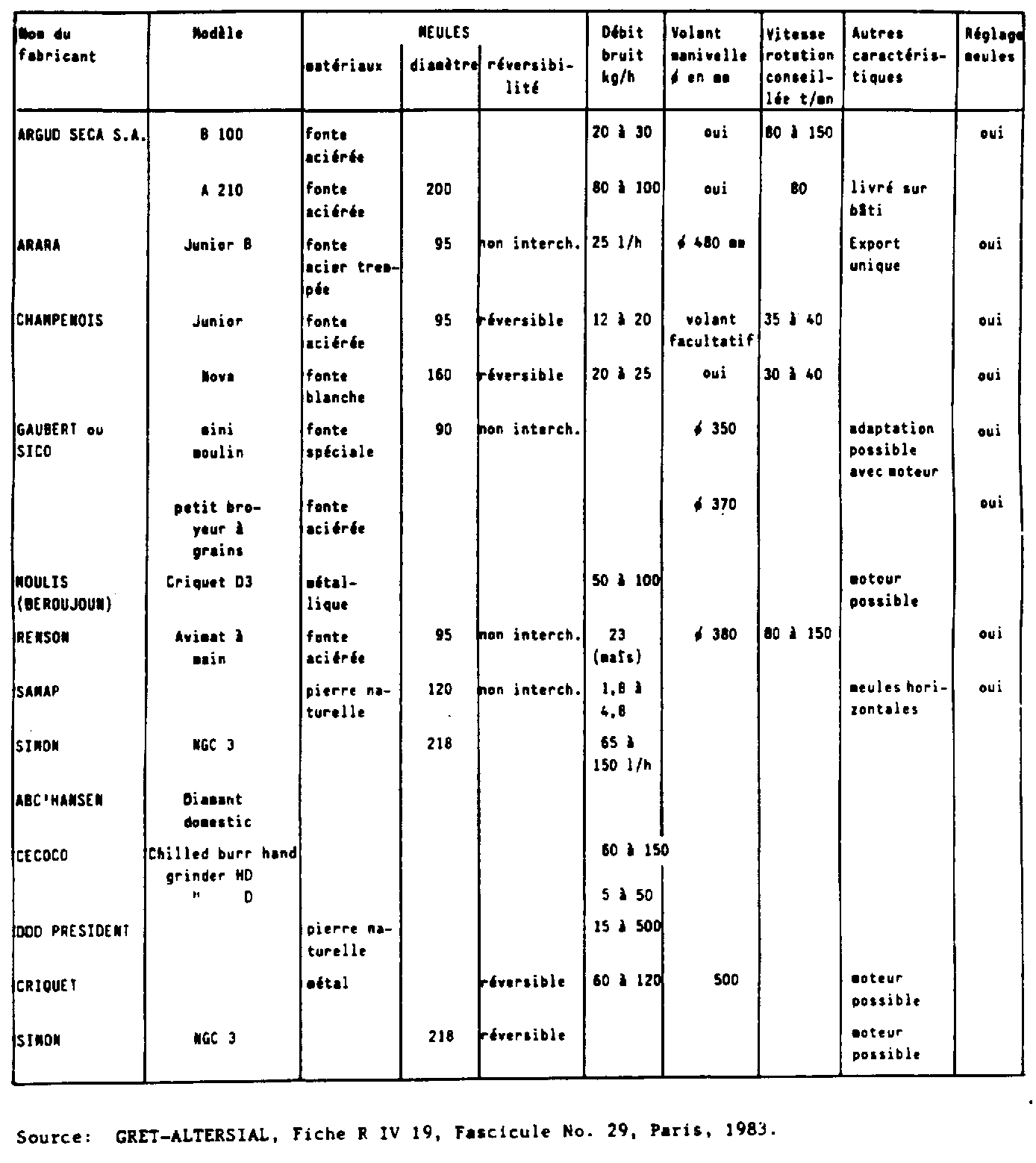
Annexe III: moulins à meules

ANNEXE III - Moulins à meules (pour les adresses des constructeurs se reporter à l'ANNEXE III-3)

ANNEXE III - Moulins à meules manuels (pour les adresses des constructeurs se reporter à l'ANNEXE III-3)

ANNEXE III - Liste des constructeurs de moulins à céréales

ANNEXE III - Liste des constructeurs de moulins à céréales (suite)

Annexe IV: fiches de comptabilité des moulins

On trouvera ci-après quatre types de fiches:

1. une fiche des dépenses de la semaine (IV - 1),
2. une fiche des dépenses de la semaine (IV - 2),
3. une fiche des tickets vendus dans la journée (IV - 3),
4. une fiche de compte d'exploitation récapitulative mensuelle, en français et en langue locale (IV - 4).

Les premières trois fiches ont été conçues pour être remplies par des analphabètes à qui l'on dispenserait une formation de courte durée, tandis que la quatrième doit être remplie par un villageois, de préférence une femme, lettré(e) ou alphabétisé(e), ou à défaut, par l'encadrement.

Au cas où les membres du comité de gestion seraient lettrés, les fiches 1, 2 et 3 pourraient être simplifiées

Source: V Altarelli Herzog (1984-b)

Fiche de depenses

Depenses par semaine (suite)

Fiche sur laquelle on inscrit les recettes du jour

Fiche sur laquelle on inscrit les ticketes vendus

Compte d'exploitation moulin


Table des matières - Précédente - Suivante

CD3WD Project Donate