Back to Home Page of CD3WD Project or Back to list of CD3WD Publications

Capitulo VI - Sistemas de secado

Indice - Precedente - Siguiente

1. Secado en tandas

Este sistema, que tiene lugar en secadoras del mismo "nombre, reside en colocar el grano húmedo en la secadora, mantenerlo en ella hasta que es secado, y luego enfriado en la misma. Posteriormente, el grano es extraído, y la secadora se vuelve a llenar con otra tanda.

Los sistemas descritos en el tema "Secado a baja temperatura" pueden ser asimilados también a un secado en tandas.

Tanda convencional. Este secado se hace en una secadora tal como aparece en la Figura 54 que es uno de los tipos más difundidos. Pueden ser transportables o no. Se carga la máquina, se prende el quemador, y se seca el grano; luego se apaga el quemador, y el ventilador funciona sólo con aire frío, hasta enfriar toda la carga.

Han aparecido secadoras de este tipo totalmente automáticas, para el llenado, descarga, apagado del quemador y otras operaciones.

Adolece la mayoría del inconveniente del espesor de la columna de grano que ocasiona un secado disparejo, pues el grano en contacto con las chapas calientes sufre un sobrecalentamiento y un sobresecado excesivo, mientras que en el lado opuesto el grano resta húmedo y poco caliente. Para reducir estos problemas se aconseja hacer dos pasadas a baja temperatura (unos 70°C), derivando el grano a un silo intermedio, donde pueda reposar, y volver luego a la secadora.

Las secadoras en tandas son, en general, de baja capacidad y pueden ser empleadas en la propia finca o chacra del productor. Siempre tienen que tener una capacidad similar a la de las máquinas cosechadoras, para no interrumpir la cosecha.

Estas secadoras se adaptan bien para seca-aireación (Capitulo VII).

Figura 54. Secadora en tandas, transportable (Doc. Margarla)

 

2. Secadoras en tandas con recirculación

Estas secadoras, ya sea de columnas o de caballetes, poseen una cámara de secado convencional, pero el grano es reciclado varias voces en la secadora, con el auxilio de un elevador de cangilones o de una rosca vertical, de manera que existen períodos de descanso, que favorecen un templado parcial del grano. Una vez que el grano está seco, se lo enfría apagando el quemador, y se lo descarga, quedando luego la máquina libre para un nuevo ciclo.

Estas máquinas pueden presentarse en modelo fijo o en modelo transportable, y en versiones más chicas pueden ser accionadas por la toma de fuerza de un tractor (Figuras 55 y 56).

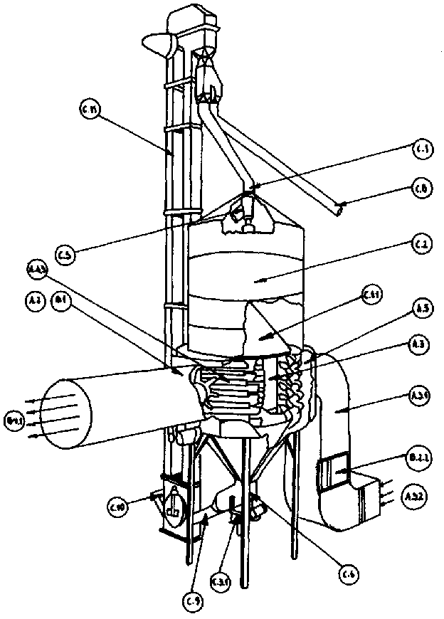
A.2 y B. 1: ventilador; A.3: cámara de aire caliente; A.3.1: conducto de aire caliente; A.3.2: entrada de aire; A.4.3: cámara de secado; B.2.2: compuerta reguladora de aire; B.4.1: salida de aire usado; C.1: entrada de granos; C.1.1: encausador de grano; C.2: depósito de granos en reposo; C.3. 1: accionamiento del regulador; C.5: distribuidor; C.6: salida del grano; C.8: descarga del grano seco; C.9: conducto alimentador del elevador; C. 10: carga de granos húmedos; C. 11: elevador de carga, recirculación y descarga de granos.

Figura 55. Secadora en tandas con recirculación, noria elevadora y periodo de reposo (Doc. IRAM)

Figura 56. Secadora en tandas con recirculación por rosca elevadora (Doc. Gilmore & Tatge)

Si bien el manipuleo extra a que es sometido el grano puede ocasionar un gasto mayor de energía y quizás algo más de rotura, es posible conseguir un grano de buena calidad; se obtiene, además, una mejor uniformidad de secado que con las secadoras en tandas del tipo convencional.

Se adaptan bien para secar arroz, que necesita varias etapas y ciclos de reposo con el fin de mantener una muy buena calidad para su procesamiento posterior.

Hay que destacar que, debido a las diversas pasadas del grano por la secadora, la capacidad de secado se reduce apreciablemente en comparación con una secadora convencional continua, pero se produce, como se ha mencionado, una ganancia significativa de la calidad del grano.

Todas las secadoras en tandas, las estáticas como las que circulan el grano, tienen la ventaja de poder variar el tiempo de enfriamiento independientemente del tiempo de secado.

Por otra parte no es probable que la recirculación del grano mejore la eficiencia energética.

 

3. Secado en dos pasadas

Esta es una variante recomendada del secado convencional cuando se trata de partidas de alto porcentaje de humedad.

Si se debe secar un grano, por ejemplo, maíz o trigo, que tenga alrededor de 28-30%, hacerlo en una sola pasada por la secadora significa que estará obligado a permanecer dentro de la máquina un tiempo demasiado prolongado y por ende a estar más tiempo en contacto con el aire caliente; el dono al grano puede ser considerable. En una sola pasada no debiera superarse una extracción de 6-7 puntos de humedad.

La solución más recomendable consiste en hacer dos pasadas por la máquina; en la primera la humedad será reducida a 18-20% enviando luego el grano a un depósito de donde se lo extrae para volverlo a pasar por la secadora, después de unas horas de estacionamiento. Con esto se consigue que la humedad se uniformice en toda la masa, para terminar el secado y salir a la humedad de recibo.

La primera pasada puede hacerse también "toda en calienten, con una mayor velocidad de pasada aumentando la descarga de la máquina. Para ello hay que anular el ventilador de aire frío. No es conveniente aplicar el enfriamiento en la primera pasada, pues es un gasto inútil de energía.

Este método tiene el inconveniente de la duplicación de movimientos, la necesidad de contar con silos extras, y la correcta sincronización de los tiempos de permanencia en la secadora y en los silos.

Pero con el mismo se logra aumentar considerablemente la capacidad de la secadora, y se reducen mucho los danos que pueda sufrir el grano gracias al período de reposo.

En Francia suele emplearse un sistema similar. En la primera pasada por la secadora la humedad se reduce, por ejemplo, de 35 a 21-22%, se transfiere luego el grano a un silo intermediario provisto de buena aireación, donde puede mantenérselo durante un periodo de 1 a 3 semanas. Cuanto mayor sea la humedad con que el grano ingresó a este silo, menor será el tiempo de permanencia en el silo; del mismo modo cuanto menor sea la temperatura que se pueda bajar con la aireación, más prolongado puede ser el periodo en el silo intermediario.

Pasado este período, el grano vuelve a la secadora para la segunda pasada y el secado final.

Con este método se puede superar en parte el problema de grandes ingresos de grano húmedo, pues puede regularse mejor el proceso de secado reduciendo los riesgos de prealmacenamiento húmedo. Los inconvenientes que presenta son una cierta pérdida de materia seca ocasionada por este período en el silo intermediario, y la necesidad de tener estos depósitos suplementarios con la correspondiente inversión.

 

4. Secado por retorno

El secado por retorno, que puede ser asimilado al sistema de seca-aireación (dryeration) - aunque existan ciertas diferencias que se puntualizan más adelante consiste en emplear la secadora "todo caliente" en la primera pasada, como si fuera seca-aireación, y luego transferir igualmente a un silo de reposo. Transcurrido el periodo de "tempering" (8 a 10 horas), se retorna el grano a la secadora, funcionando ésta con sus ventiladores sin prender los quemadores, para un palado de enfriamiento y secado final.

Este método implica también un movimiento adicional de norias y un pasaje doble por la secadora, pero mantiene una calidad aceptable del grano y el costo por tonelada resulta más bajo que en el secado convencional. Con respecto a secaaireación, tiene la ventaja de que no requiere silos especiales de enfriamiento con aireación reforzada, por lo cual las inversiones son menores.

En este caso, también se aumenta en cierta proporción la capacidad horaria de la secadora. El procedimiento es adecuado para secar trigo, maíz, soja, sorgo y girasol y se adapta preferentemente para plantas pequeñas y medianas (Figura 57).

Marsans et al (1985) aconseja una buena sincronización para este sistema. En la primera pasada se trabaja unas seis horas con la secadora, y con el grano caliente (unos 40°C) y ano algo húmedo, se lo deriva a un silo. Luego se sigue trabajando otras 6 horas y se lo deriva a otro silo. Posteriormente se reingresa el grano del primer silo (que tuvo un reposo entre 6 y 9 horas) y se lo airea durante aproximadamente 3 a 4 horas, y así se continúa.

El enfriamiento es más violento que en seca-aireación, por lo que es posible que aparezca un porcentaje mayor de fisurado. Sin embargo, es apropiado para secar soja (Marsans, 1985) pues, comparado con un secado convencional, produce menor porcentaje de cáscara suelta y granos rotos.

Figura 57. Secado por retorno (Doc. Marsans)

 

5. Secado con dos secadoras

Cuando en una misma planta de acopio se poseen dos secadoras pueden trabajar en serie o en paralelo.

En paralelo significa que las dos trabajan a la par, recibiendo arabas el grano, al que secan y enfrían en forma simultánea. Tiene este sistema la ventaja de que si una secadora se detiene por algún inconveniente, la otra sigue funcionando.

Trabajar en serie significa que el grano que sale de una secadora ingresa a la otra, donde se finaliza el proceso. En la primera la máquina trabaja toda en caliente, y el grano es secado, por ejemplo, de 30 a 18%, y en la segunda, de 18 a 14%. Esta última también puede trabajar toda en caliente, dejar salir el grano a 15,5%, y terminar el proceso por el sistema de seca-aireación.

Sin embargo, se requiere contar con un elevador extra para las dos secadoras, ademas de las modificaciones para adaptarse a seca-aireación. Otra desventaja que presenta reside en la elección correcta de las respectivas capacidades de las dos secadoras y en el ajuste de los caudales de grano.

Es evidente que este último procedimiento se adapta más a secadas con alto porcentaje de humedad inicial. La ilustración de la Figura 58 muestra dos secadoras trabajando en serie en una cooperativa francesa, equipadas con quemadores a gas, con dos temperaturas diferenciales y seca-aeración (M. Blin, 1979).

Figura 58. Secadoras trabajando en serie (Doc. ITCF)

 

6. Secado combinado

Este método consiste en emplear en primer lagar un secado "todo calará del grano húmedo, y luego que ha llegado a 18-20%, transferirlo a un silo con aireación común, donde se termina de secarlo y enfriarlo. Este período en el silo puede demorar de 4 a 8 semanas, o más tiempo. Si se utiliza una aireación más potente, de unos 50 m³/m³/hora, el período se puede reducir a 40 - 80 horas.

En Estados Unidos, por ejemplo, y por su clima más frío, el secado y enfriado puede ser detenido a fines de otoño y completado durante la primavera siguiente. Es practicado por muchos agricultores de aquel país con maíz, pues les reporta una serie de ventajas, como aumento de la capacidad horaria, reducción del consumo de energía y una mejor calidad del grano. Además, es más flexible para las condiciones del país del Norte, porque cuando el cultivo madura tempranamente debido a un clima favorable, el secado a alta temperatura puede ser parcialmente eliminado, y reemplazado por secado con aire natural o levemente calentado.

En realidad es una variación de seca-aireación, con la diferencia que no hay un período de "tempering" completo y la aireación se conduce en silos con aireación común, por lo cual el proceso demora mucho más tiempo.

Es posible que, debido al prolongado tiempo de aireación, pueda quedar una diferencia de humedad de varios puntos entre el fondo del silo y la parte superior del mismo.

El secado combinado puede tener un costo algo mayor que seca-aireación (Bakker-Arkema, et al, 1980) pero origina menos cuarteado y una menor susceptibilidad a la rotura que este último.

En Argentina, algunos acopladores practican un sistema similar, secan convencionalmente (con o sin enfriamiento) hasta 14,5 - 15%, y luego traspasan el grano a un silo con aireación normal, donde lo terminan a 14 -13,5% luego de varios días o semanas.

 

7. Secado y enfriado en silo

Este sistema, también conocido como "bin cooling", se ha difundido mucho en Estados Unidos en los últimos años entre los productores de maíz (Bakker-Arkema, 1984).

Consiste de dos silos, uno de los cuales es un silo-secador con aire caliente por contracorriente. El grano se carga en el primer silo y es secado hasta que una capa de 10 cm de grano en el fondo haya alcanzado un contenido de humedad de 16,5 - 18,5%. Este grano caliente y parcialmente seco es removido del fondo con una rosca barredora y es transferido al segundo silo donde tiene lugar el secado final y el enfriamiento. Posteriormente ingresa otra capa de 10 cm. (Figura 59).

La temperatura del aire en el primer silo es de 70 a 95°C, dependiendo del tipo de grano y su humedad. El caudal es entre 10 - 30 m³/min.t, que depende de la altura de grano en el silo. En el segundo silo se usa aire ambiente, con un caudal de 3-10 m³/min.t, también dependiendo de la altura de grano.

La remoción del grano parcialmente seco del primero al segundo silo es intermitente. El ciclo de tiempo de la rosca depende del valor del caudal de aire, la humedad del grano y la temperatura del aire.

La capacidad de secado es de unas 2 t por hora (bajando de 26 a 1596 de humedad), pero resulta de alta eficiencia energética. La calidad del grano es algo inferior a la obtenido con seca-aireación.

Figura 59. Secado y enfriado en silo (Doc. MWPS)

 

8. Secado solar

El uso de la energía solar para secar granos ha sido práctica general en muchos paises para cantidades pequeñas o medianas.

Los patios, playas o canchas donde se volcaba y distribuía el grano húmedo han existido, y existen todavía, muchas fincas o pequeñas empresas de países de zonas tropicales y subtropicales.

Expuesto en capas de pocos centímetros y con una remoción periódica, el grano se secaba al sol, en forma pareja y con un costo mínimo. Se distribuía durante el día y se recogía por la noche.

Pero en los últimos años se han creado algunos equipos para secar granos empleando secadoras simples que utilizan la energía del sol para calentar el aire.

Esta técnica es ventajosa para volúmenes reducidos, pues el ahorro de energía es considerable, la inversión escasa, y no afecta mayormente la calidad de los granos.

Sin embargo, su empleo a escala de gran acopio es impráctico porque es un método lento, y porque requiere colectores solares de gran superficie, de manera que su aplicación ha quedado reducida a pequeños productores.

Para aquellas personas interesadas en el tema existe una buena bibliografía, que se recomienda (Rossi y Roa, 1980; Exell y Kornsakoo, 1977; Midwest Plan Service, 1980).

Figura 60. Secadora solar

En la Figura 60 se ilustra esquemáticamente una secadora solar. En A se indica un colector solar, formado en este caso por piedras amontonadas en una caja cuyas paredes inferior y lateral son negras. El aire penetra por la parte inferior, atraviesa las piedras calentadas por el sol, se calienta a su vez, e ingresa al silo de grano por la parte inferior, auxiliado por un ventilador B para secar los granos, y sale por la abertura superior C.

 

9. Secado por microondas

La difusión de la energía por microondas para el calentamiento y cocción de alimentos, que se ha expandido por todo el mundo, ha predispuesto a probar el sistema para el secado de granos. Las experiencias realizadas han sido promisorias en cuanto a la mayor velocidad de secado, pero han ocasionado algunos problemas de deterioro de la calidad de los granos, similares a los del secado convencional. Por otro lado el alto costo de este procedimiento lo limita por ahora, solamente, a experiencias de laboratorio (Nelson, 1986).

Las frecuencias de microondas son parte de la porción de radiofrecuencias del espectro electromagnético. Generalmente, están consideradas las que caen en las frecuencias de alrededor de 1 GHz.

Este tipo de secado no contamina los granos y seca rápidamente, pues actúa sobre toda la masa de granos en forma casi instantánea.

 

10. Secado natural

Se llama así al secado del grano que se produce naturalmente en la planta en el campo, y que llega a la humedad apropiada para su conservación posterior.

Este secado se origina en países o regiones donde las condidones climáticas son estables y más bien secas en la época de maduración del grano. Esta situación se presenta, por ejemplo, en Australia, donde la gran mayoría de su producción triguera se cosecha bien seca, a veces entre 10 y 12%, porque las características del clima en el mes de diciembre se presentan uniformemente cálidas y secas. Sólo en algunas regiones más húmedas puede necesitarse el secado artificial.

En Canadá se manifiesta una situación similar. Se calcula que de cada 5 años, cuatro son propicios para el secado natural del trigo, y sólo un año se cosecha el grano húmedo, requiriéndose, entonces, el secado artificial convencional.

Es evidente que estas condiciones son muy favorables desde el punto de vista de la calidad de los granos y del ahorro de la energía que necesitaría el secado. Canadá tiene todavía una ventaja adicional, su clima más frío, que permite una mejor conservación de los granos.

La mayoría de los países europeos, sobre todo los ubicados hacia el norte del continente, se encuentran en una situación opuesta. Casi toda su producción granaria se cosecha húmeda y debe ser secada, como en Inglaterra y Alemania. En Francia el trigo se recoge, en general seco, pero el maíz, a veces con una humedad superior al 40%.

Pero, además, debe tenerse presente que en esos países de Europa la base de la comercialización, para maíz y trigo, está en promedio en 15% de humedad, valor algo elevado para paises, como Argentina y muy elevado para naciones importadoras de grano, como son muchos países africanos, árabes y asiáticos, en los cuales la conservación de los granos sería extremadamente difícil a esas humedades.

Paises como Francia, que exportan grandes volúmenes de trigo, se encuentran en la necesidad de secar partidas para poder satisfacer las condiciones de los compradores.

 

11. Secado en trojes

Cuando el maíz se cosecha en mazorca, con juntadoras-espigadoras, y con cierto porcentaje de humedad, se debe almacenar en depósitos especiales, llamadas trojes, para su secado natural.

Antiguamente se hacían trojes cilíndricas, de alambre tejido perimetral, para que pudieran ser atravesadas por los vientos y secar así las mazorcas.

La cosecha en mazorca en Argentina, queda restringida a los criaderos o semilleros de maíz porque el sistema permite obtener una mejor calidad de semilla, excepto en años de muy malas condiciones climáticas.

En Francia y Estados Unidos el sistema suele ser utilizado por aproximadamente 15% de los agricultores, que generalmente destina la cosecha al autoconsumo.

En la actualidad se emplean las trojes de forma rectangular, largas y angostas (Figura 61). Suelen tener una altura útil de 4 a 6 m, un espesor de 0,80 a 0,90 m y un largo variable, que depende de la producción cosechada, pero pueden llegar a 50 m. Se aconseja no colocar espigas con más de 20% de humedad.

El piso está algo elevado del suelo, para evitar el contacto con la tierra. Todas las paredes y el piso son de alambre tejido y tienen un techo protector, ya sea de material o de atados de paja.

El costo de una troje rectangular de hierro y alambre en Francia es de unos 40 dólares por m³ almacenado. Un metro lineal de troje de 4 m de altura y 0,80 m de espesor puede guardar 20 q de grano.

En un sistema mecanizado se suelen cargar con un elevador portátil, y tienen un transportador de cadena tipo "redler" para favorecer la descarga y el transporte de las mazorcas hacia la trilladora.

Estas trojes deben estar alejadas de cercos, edificios o montes de árboles que actúen de corta-vientos, y orientados de manera de enfrentar a los vientos predominantes.

Figura 61. Tipos de trojes rectangulares (Doc. ITCF)

 

12. Secado a baja temperatura

Este tipo de secado se realiza en silos-secadores o secadoras en silo, equipos que generalmente están formados por un silo metálico apropiado para estos fines (Figuras 62, 63, 64, 65). Se utiliza sólo el aire natural, o levemente calentado. El procedimiento es relativamente simple, económico y mantiene una buena calidad de grano, pero se deben cumplir una serie de requisitos, que pueden enumerarse como sigue:

12.1 La humedad del grano no debiera ser superior a 20% para nuestras condiciones (22% en Estados Unidos). A humedades superiores es posible secar grano, pero la temperatura del aire debe ser inferior a 15°C y utilizar caudales de aire más elevados. En caso contrario pueden producirse alteraciones en algunas capas de la masa de granos.

En Estados Unidos los máximos contenidos de humedad para este tipo de secado (MWPS-13, 1987) son:

maíz 22%
girasol 18%
lino 15%
trigo 17%
sorgo 22%

12.2 La cantidad de grano a secar es aconsejable que no supere las 300 t y que la altura de grano en el silo no sea mayor a 5 m. Si los silos fueran más grandes, sólo se deberían llenar parcialmente, o hasta donde la altura del grano no pase los 5 m.

12.3 El caudal de aireación debe ser bastante elevado; cuanto mayor sea el caudal, mayor es la velocidad del frente de secado, pero debe tenerse presente que ese mayor caudal requiere un motor más potente.

Para secar con aire natural condiciones inglesas (Nellist, 1986), el caudal aconsejado es de 135 m³/hora y por m³ de grano.

Los caudales necesarios para secar maíz, con datos de Estados Unidos, no debieran ser menores de 50 m³/h.m3, pero pueden ser aumentados hasta 70 m³/h.m3 y aún mayores, para zonas de mayor humedad relativa. Los mayores valores también pueden ser usados para las más altas humedades iniciales del grano.

Figura 62. Silo secador, tipo americano

Cuenta con generador de aire caliente, distribuidor superior, piso perforado, removedores de grano, rosca barredora y rosca extractora. Estos equipos pueden emplear temperaturas del aire de secado de hasta 80°C. (Doc. Chief)

12.4 La potencia requerida para caudales entre 50 y 70 m³/h.m3 de grano depende de la altura de grano en el silo; para alturas de 4 m y silos no muy anchos, la potencia de los motores para los ventiladores se encuentra alrededor de 10 CV. En el trabajo de McKenzie et al (1980) se puede hallar una valiosa información sobre elección de ventiladores para estas operaciones.

12.5 Son preferibles para esta tarea los silos de fondo plano perforado, porque la aireación es así mucho más efectiva. En Estados Unidos estas secadoras en silos "in-bin dryers" son muy comunes entre los agricultores.

12.6 La práctica general aconseja no usar aire cuya humedad relativa sea mayor que el 70%, lo que se consigue, generalmente, en horas de la tarde, aunque esto depende de la época del año.

Lo ideal es que la aireación con fines de secado funcione día y noche, bajo esas condiciones, en las que el proceso puede llegar a demorar de 2 a 6 semanas. Pero en otoño e invierno la humedad relativa puede superar fácilmente aquel valor. En la zona maicera clásica argentina la humedad relativa promedio de marzo hasta agosto es mayor, situación que obligaría a detener los ventiladores durante muchas horas del día.

Cuando se ha llegado a un 14,5 - 15% de humedad de grano en gran parte del silo, la aireación puede limitarse a los períodos en que la humedad relativa sea menor al 70%.

Pero debe recordarse también, que cuando el grano esté ya seco, es necesario enfriarlo, y para ello pueden usarse las temperaturas frías de la noche, donde será fácil encontrar mayores diferencias entre las temperaturas del aire y del grano. Lo ideal es llegar a alcanzar una temperatura del grano de 10°C o menor, ya que de esta manera su conservación en los silos estará asegurada. Esta tarea llevará varias noches y mañanas frías, pero en un tiempo más reducido que el demorado para el secado.

12.7 En este procedimiento es aconsejable soplar o insuflar el aire de abajo hacia arriba, en lugar de aspirar de arriba hacia abajo. Es más efectiva la aireación de esa forma, tiene la ventaja de no tapar los agujeros de paso del aire y permite un control de la parte superior de la masa de grano, midiendo su humedad y temperatura. Otra superioridad es que, insuflando, el aire puede calentarse un poco al atravesar el motor eléctrico, lo que no sucede en aspiración.

Figura 63. Silo secador

Tiene una cámara superior para grano húmedo, y un generador de aire caliente para secarlo. Cuando está seco, se abren los vertederos mecánicos de descarga y cae hacia el fondo del silo. Un ventilador inferior impulsa hacia arriba aire exterior para enfriar. A su vez este aire, al calentarse, actúa como precalentador del grano húmedo en la cámara superior (Doc. Top Dry)

La parte superior es, en aireación por secado, por insuflado, la más expuesta a descomposición. El frente de secado, que avanza de abajo hacia arriba (ver Figura 77) debe llegar y atravesar la capa superior del grano, es decir, debe completarse el secado antes de que se inicie cualquier deterioro en esa zona.

12.8 De igual manera que se mencionó sobre el secado combinado, puede Originarse un sobre secado en las capas inferiores (en el caso de insuflado) lo que producirá una desuniformidad en las humedades de la masa. Una forma de reducir esta diferencia consiste en utilizar unos removedores de tornillo sin fin en la masa del grano, colocados verticalmente (Figura 62). Ello sin embargo encarece algo el secado por el costo del equipo y la energía consumida para accionarlo.

12.9 Una forma de mejorar el proceso es calentando unos 5°C el aire de secado, por medio de resistencias eléctricas en la toma de aire, o también por energía solar.

El agregado de calor al aire de secado en este sistema no aumenta mayormente la velocidad con que se mueve el frente de secado, sino que sirve para reducir la humedad relativa del aire y asegurarse que la humedad del grano sea decrecida al nivel deseado.

Si se agrega demasiado calor se puede sobresecar al grano. Si la humedad relativa es menor que 70% no es necesario calentar el aire.

12.10 En la capa superior del silo, en unos 30 a 50 cm, puede quedar una humedad más elevada que el resto, luego del período de secado, si es que el silo no cuenta con removedores de grano. La mezcla posterior de esta capa con el resto, que ya está seco, permite aliviar en buena parte este problema.

12.11 Si fuera posible, es oportuno llenar el silo sólo hasta la mitad, pues ello facultará obtener un caudal doble de aire por unidad de volumen comparado con un silo totalmente lleno. Por esto un llenado bien controlado del silo puede ser una herramienta adecuada para mejorar el proceso. Cuanto menor sea la altura del grano, mayor será el caudal y más rápido el secado.

Figura 64. Silo secador alimentado con aire caliente que ingresa por el tubo central, y trabajando todo en caliente. El enfriamiento puede hacerse en otro silo (Doc. Adabor)

Figura 65. Silo secador con cilindro central de chapa perforada y paredes laterales también perforadas, de capacidades entre 15 y 60 t (Doc. Cirigliano)

En Estados Unidos, donde este método, como se dijo, es bastante empleado por los productores, utilizan tres formas de llenado del silo.

  1. Un solo llenado: se llena el silo totalmente o hasta la altura recomendada para el secado (evitando el desarrollo de hongos) y se inicia la aireación.
  2. Llenado por capas: se van agregando capas sucesivas de grano, generalmente de 0,30 m de espesor cada una. Cuando se seca la primera capa, se agrega otra, y así suscesivamente.
  3. Llenado por lotes: se coloca una capa de aproximadamente 1 m de espesor (puede ser la cosecha de un día) y se seca. Después se transfiere al lugar del almacenamiento. Se vuelve a colocar otra capa del mismo espesor y se procede de la misma forma y así suscesivamente. Para lograr UD secado eficiente de cada lote, se necesita un buen equipo para la carga y descarga del grano.

En ciertas oportunidades emplean una combinación de estos dos últimos.

Comienzan con el secado por lotes, hasta que el almacenamiento principal está lleno, y luego continúan secando por capas delgadas, hasta que se completa el silo secador, que sirve entonces, como silo de almacenamiento.

El secado por capas o lotes se suele hacer cuando el maíz supera los 22 24% de humedad, pues se reduce el tiempo de secado. El método de silo totalmente lleno es empleado para maíces con porcentajes menores de humedad, pues en caso contrario sería peligroso. Sin embargo, una desventaja del llenado por capas es que la cosecha debe ser detenida mientras la capa se seca.

12.12 En definitiva, el secado a baja temperatura es muy eficiente térmicamente. En un sistema bien manejado el consumo específico puede ser reducido hasta un valor cercano al calor de vaporización del agua (unas 600 kcal/kg de agua).

12.13 Este método de secado a baja temperatura tiene algunos inconvenientes, que conviene explicitar:

  1. El secado es lento, sobre todo cuando las condiciones atmosféricas son desfavorables.
  2. Se requiere una suficiente cantidad de silos equipados, en particular cuando los volúmenes a secar son abundantes.
  3. Se necesita un buen control periódico del estado del grano, sobre todo en la parte superior.
  4. Se produce una mayor pérdida de materia seca que con el secado a alta temperatura. La razón es que al ser bastante largo el período de secado se mantiene y acelera el proceso de respiración de los granos, por lo que se sigue consumiendo materia seca, pero la mercadería resultante es de mejor calidad.

12.14 Todo lo expuesto demuestra la conveniencia de tener equipados los silos y los silos secadores con ternometría, y de que la planta de acopio esté provista de termómetro y psicrómetro.

12.15 En los últimos años se han hecho experiencias en Estados Unidos con el uso del amoníaco o anhídrido sulfuroso que permitan un empleo más seguro del secado a baja temperatura. Por medio de aplicaciones intermitentes de esos productos se puede extender el tiempo de secado del maíz antes que se inicie un deterioro microbiano, aun con granos de hasta un 26% de humedad. El equipo de aplicación es económico y fácil de instalar, empleándose dosis de amoníaco del 0,1 a 0,5%. El maíz así tratado sólo es apto para alimentación animal.

12.16 Con el fin de encarar un correcto diseño de un sistema de secado de esta naturaleza, para todos aquellos interesados en profundizar este método, se recomienda especialmente la consulta a los trabajos de McKenzie et al (1980) y MWPS-22 (1980).

 

13. Secadores de galpón

Estos equipos de secado trabajan también por el principio de secado a baja temperatura y son muy comunes en Gran Bretaña. El grano es retenido en depósitos con paredes sobre tres costados y por un ángulo de reposo en el cuarto. El aire es conducido bajo el grano por conductos sobre el piso. El grano es acumulado en este depósito por medio de un tractor con bulldozer hasta una altura máxima de 4 m, y luego del secado puede ser descargado por el tractor provisto de pala cargadera.

 

14. Silos secadores

Se encuentran diversos tipos de estos silos secadores en el comercio de granos, ilustrados en las Figuras 62 a 65. La mayoría de ellos son silos metálicos cilíndricos, con distintos accesorios, que luego pueden utilizarse para almacenamiento.

Como se ha visto, los silos secadores pueden emplear temperaturas del aire entre moderadas y altas, o solamente aire natural.

Una innovación que es común a silos secadores de Estados Unidos son los removedores de granos, que se componen de un árbol dispuesto horizontal y radialmente, colgado del centro del silo por un extremo y apoyado sobre un riel en la circunferencia del silo por el otro extremo, el cual está animado de movimiento circular. Sobre este árbol están montadas dos o tres roscas verticales, que tienen tres movimientos:

- de rotación sobre su propio eje;
- horizontal, a lo largo del árbol horizontal;
- circular, alrededor del silo, y que puede durar varias horas por vuelta.

 

Bibliografía

BAKKER-ARKEMA, F.W. 1984. Selected aspects of crop processing and storage: A review. Journal of Agric. Eng. Research 30: 1-22. United Kingdom.

BAKKER-ARKEMA, F.W., SILVA,1.S., WUAURA, E.N., RODRIGUEZ. J.C. y BROOK, R.C. 1980. Testing of alternative on farm grain drying systems. ASAE Paper 80-3017, St. Joseph, Michigan, U.S.A.

BLIN, M. 1979. Installation de séchage "multitemperatures. associé avec la dryeration. Perspectives Agricoles, Mars. N°24: 49-51. ITCF, Paris, France

EXELL, R.H. y KORNSAKOO, S. 1977. A low cosí solar rice dryer. Bangkok, Thailand, Asían Institute of Technology, Research Report.

MARSANS, G.J., YANUCCI, D. y PASCUAL MAYOL, 1. 1985. Curso de Manejo y Conservación de Granos. Facultad de Agronomía de Buenos Aires, Argentina, octubre. 69 p.

MCKENZIE, B.A., FOSTER, G.H. y DEFOREST, P.E. 1980. Dryeration and bin cooling systems for grain. AE-107 Cooperative Extension Service, Purdue University, West Lafayette, Indiana, U.S.A.

MIDWEST PLAN SERVICE. 1980. Low temperatura and solar grain drying handbook. MWPS-22, Iowa State University, Ames, lowa, U.S.A. 87 p.

MWPS. 1987. Grain drying, handling and storage handbook. MWPS-13, second edition, lowa State University, Ames, lowa, U.S.A.

NELLIST, M.E. 1986. Secado de trigo en Gran Bretaña. I Congreso Nacional de Trigo, Pergamino, Argentina, AIANBA, octubre. Capitulo V: 3368

NELSON, S.O. 1986. Potential agricultural applications for RF and microwave energy. ASAE Paper 86-6539, ASAE, St. Joseph, Michigan, U.S.A. 11 p.

ROSSI, S.J. y ROA. G. 1980. Secagem e Armazenamento de Produtos Agropecuários con uso de energía solar e ar natural. Academia de Ciências do Estado de Sao Paulo. Publicaçao ACIESP N°22, Sao Paulo, SP, Brasil. 295 p.


Indice - Precedente - Siguiente

CD3WD Project Donate