Table des matières - Précédente - Suivante


Back to Home Page of CD3WD Project or Back to list of CD3WD Publications

3.3.1. Séchage et séchoirs

3.3.1.1. Séchage discontinu à lots successifs

a) LE SÉCHAGE STATIQUE

Le grain est disposé en couche généralement horizontale traversée de bas en haut par l'air de séchage. L'épaisseur de la couche peut varier de 30 à 70 cm et correspond à un compromis entre, d'une part le désir d'utiliser au maximum la capacité du séchoir et, d'autre part, l'augmentation de la résistance au passage de l'air avec l'épaisseur qui se traduit par une baisse de débit du ventilateur et ne permet pas d'obtenir le débit spécifique nécessaire pour assurer une bonne homogénéité de séchage.

Au contact des grains, l'air se charge en humidité jusqu'à la teneur en eau d'équilibre avec l'humidité des grains. Si la couche est suffisamment épaisse, on peut définir une ligne fictive dite «front de séchage» au-delà de laquelle l'air sera dans l'impossibilité de sécher davantage. Ce front de séchage se déplace du front d'attaque de l'air vers la surface du grain avec une vitesse qui est fonction:

- des caractéristiques de l'air chaud,
- du débit d'air chaud,
- de l'humidité du grain,
- de la nature et du tassement du grain.

En deçà du front de séchage, le grain est en cours de séchage. Au-delà il est en attente de séchage et peut même se trouver en conditions réhumidifiantes. Lorsque le front aura atteint la surface, toute la masse sera en cours de séchage. Le grain séchant de proche en proche, la couche située à l'attaque de l'air sera plus sèche que la couche supérieure. Le séchage étant toujours arrêté avant que l'équilibre air-produit soit atteint, on obtient toujours un séchage hétérogène.

Fig. 26: Séchage des grains.

Cette hétérogénéité de la teneur en eau des grains séchés est fonction de la température de l'air chaud et du débit d'air. Pour la maintenir dans des limites acceptables (plus ou moins 3 % autour de la valeur moyenne) des essais ont été faits pour trouver des couples «température - débit d'air» convenables.

Ainsi le CEMAGREF a déterminé les couples «température - débit d'air» à respecter pour sécher du mais de 35 % à 15 % avec une hétérogénéité maximum de 3 %.

Température de l'air chaud Débit spécifique m³ d'air/heure/m³ maïs

45° C

2000

60° C

3000 - 3500

80° C

4000 - 4500

100° C

5000 - 6000

Plus la température est élevée et plus le débit d'air doit être important. Pour sécher 1 m³ de mais avec de l'air à 60° C il faudra donc un débit spécifique d'environ 3 000 m³/h. Ce chiffre conduit en pratique à limiter l'épaisseur de la couche à 50 cm.

Si la couche est trop épaisse, le grain sera trop humide en haut et trop sec en bas. Le séchage étant généralement apprécié en prenant un échantillon de la couche supérieure, l'opérateur trouvant le grain encore trop humide prolongera le séchage ce qui accentuera l'hétérogénéité et augmentera le coût de l'opération. Il est souvent avancé que la vidange du séchoir et les manutentions ultérieures provoquent un brassage des grains qui annule l'hétérogénéité au séchage. En fait le brassage n'est que partiel et le risque de retrouver dans le silo des masses de grains humides pouvant se détériorer rapidement ne doit pas être négligé. Pour limiter ce risque, on aura souvent avantage à prévoir une ventilation d'homogénéisation du grain sortant d'un séchoir statique.

b) LES SÉCHOIRS STATIQUES

Également dits séchoirs discontinus dans lesquels le séchage s'effectue par lots successifs.

- Séchoirs à cases

La masse de produit à sécher est placée dans une enceinte surélevée, soit horizontale, soit inclinée. L'air réchauffé traverse le produit de bas en haut. Ces modèles de séchoir ont l'avantage de ne demander qu'un investissement restreint, qui peut se limiter au générateur d'air chaud et au faux-fond perforé, les parois pouvant être construites par l'utilisateur avec des briques ou des parpaings.

Comme on le constatera à l'examen de la figure 27, la réalisation de telles installations est très simple.

Les principales recommandations à respecter sont les suivantes:

- le générateur d'air chaud doit être en mesure de fournir un débit spécifique d'environ 2 000 m³/h/m³ de grains à une température de 45 - 50° C,

- la section des gaines de répartition d'air doit être telle que la vitesse de l'air soit inférieure à 8 m/s,

- le raccordement du générateur aux gaines, si la vitesse d'air à la sortie du générateur est supérieure à 8 m/s, doit être constitué par un divergent de 18° (environ 15 cm par mètre de longueur). En aucun cas il ne faut réduire la section de sortie du générateur,

- lorsque le fond est incliné (ce qui facilite le vidage des cases), la pente doit être inférieure à 30 %,

- l'épaisseur de produit ne doit pas dépasser 50 cm. Pour la contrôler facilement, il est pratique de faire des repères sur les parois. Elle doit s'accorder au débit d'air du générateur en fonction des pertes de charge dans le produit,

- le faux-fond perforé est composé soit d'une toile métallique fine, soutenue par un fort grillage ou par du métal déployé, soit d'une tôle perforée. On veillera à ce que les dimensions des mailles soient inférieures aux dimensions des grains à sécher.

Fig. 27: Séchoir à deux cases. (D'après CEMAGREF.)

En général, les séchoirs à cases sont étudiés pour traiter un lot en 10 à 12 h, la durée du séchage proprement dit étant de 10 heures, auxquelles il faut ajouter la durée du refroidissement (1 h) et les temps de chargement-déchargement.

Le rendement calorifique moyen de ce type de séchoir est de 1 500 à 2 000 mth/kg d'eau évaporée.

Autres exemples de séchoirs statiques à cases

Séchoir de la National Grain Authority (Philippines)

Il est constitué d'une case d'environ 3 m³ en contreplaqué de 19 mm avec renforts en bastaings de 5 x 5 cm.
Les dimensions sont: 1,80 m x 3,60 m et une hauteur de 1,20 m.
La hauteur du faux-fond est de 68 cm.

Fig. 28: Case de séchage I.R.R.I.

Fig. 29: Vitesse de séchage du paddy avec de l'air à 43° C. Débit 1920 m³/h/m³ grain.

La vidange du produit peut s'effectuer par des portes latérales à guillotine (35 x 53 cm).

On sèche environ 1,5 t de paddy en 6 à 8 h.

Séchoir case de l'I.R.R.I.

Ce séchoir est constitué d'un brûleur, d'un ventilateur, d'un conduit d'air chaud et d'une case rectangulaire à faux-fond en bois ou en métal. Cette case de 1,9 m x 2,8 m permet de sécher 1 tonne de paddy de 28 % à 14 % en 4 à 6 h (Fig. 28 et 29).

Elle est accouplée à un générateur d'air chaud à fuel ou à balle de riz.

Le débit spécifique utilisé est de 1900 à 2 100 m³/h/m³ de grains avec une température de l'air chaud de 43° C.

Pour mieux rentabiliser l'installation il peut être conseillé de jumeler deux cases pour que les vidanges et les chargements n'apportent pas de rupture dans le fonctionnement.

- Séchoirs à ventilation radiale

Dans ce type d'appareil, l'air arrive par une cheminée centrale grillagée et traverse horizontalement le grain placé dans un anneau concentrique (Fig. 30 et 31). La section est généralement circulaire, mais on rencontre également des séchoirs à section polygonale. Pour éviter que l'air ne s'échappe par le haut, il faut obturer la cheminée à une certaine distance de la surface du grain (F = E sur la figure 30).

Fig. 30: Séchoir à ventilation radiale.

Nous pouvons classer dans cette catégorie le SILO SÉCHOIR nouvellement apparu sur le marché et destiné au séchage du mais en épis.

Fig. 31: Séchoir (Doc. KONGSKILDE).

Le silo séchoir est constitué d'une cheminée centrale et d'une paroi périphérique qui délimitent un espace annulaire dans lequel sont stockés les épis de mais. La cheminée et les parois sont composées, à la manière des cribs, de montants métalliques et de grillage. L'ensemble repose sur une plate-forme bétonnée. Une bâche recouvre la partie supérieure des épis (Fig. 32).

Dimensions: - diamètre: 10 m,
- hauteur moyenne: 4 m,
- diamètre de la cheminée centrale: 1,50 m

donc une capacité d'environ 300 m³.

Fig. 32: Silo séchoir (Doc. DUPUIS).

Lorsque l'on augmente le pouvoir séchant de l'air au moyen d'un générateur d'air chaud, le ventilateur travaille en refoulement; l'air pénètre par le haut de la cheminée et sort à la périphérie du silo après avoir traversé et séché les épis.

Dans le cas d'une simple ventilation séchante il est prévu de travailler en aspiration.

c) SÉCHOIRS DISCONTINUS à BRASSAGE OU RECYCLAGE

Le principal défaut des séchoirs statiques est en fait l'hétérogénéité de séchage entre la couche inférieure généralement surséchée et la couche superficielle plus humide, d'où l'idée de brasser le produit au cours du séchage pour assurer une meilleure homogénéité.

- Séchoirs circulaires

Les séchoirs circulaires fonctionnent sur le même principe que les cases de séchage. Les opérations de remplissage, brassage et vidange sont cependant améliorées (Fig. 33).

Fig. 33: Séchoir circulaire.

1: Arrivée grain humide 6: Vis d'extraction
2: Goulotte de répartition 7: Générateur d'air chaud
3: Vis de répartition et de vidage 8: Porte de visite
4: Plancher en tôle perforée 9: Échelle
5: Vanne de vidage 10: Poutre support du plancher

- Les cellules sécheuses type «IN BIN DRYING»

Il s'agit ici d'un séchage statique en couches très épaisses (jusqu'à 4 m) dans des cellules circulaires métalliques. Pendant le séchage, le grain est brassé en permanence par un ensemble automatique de une ou plusieurs vis animées de 3 mouvements simultanés (Fig. 34).

Fig. 34: Cellule sécheuse.

Suivant la taille des cellules (Ø de 5 à 10 m) on pourra sécher 50 à 250 t de mais de 35 % à 15 % en une centaine d'heures. Générateur d'air chaud (50° C - 60° C) - 140 m³/h/m³.

Ces cellules ne sont pas que des séchoirs, elles servent également pour le stockage.

- Les séchoirs à lois successifs (Fig. 35)

Il existe divers types de séchoirs discontinus dans lesquels la disposition des gaines est identique à celle que nous trouverons dans les séchoirs continus verticaux qui sont décrits plus loin.

Ces séchoirs par lots sont à ventilation radiale. Une vis centrale prélève le grain au bas de la cellule et le rejette au sommet assurant ainsi une circulation continue du grain au cours du séchage.

Ce système permet de réduire l'hétérogénéité de séchage inhérente au séchage statique. Ce type de séchoir fait la transition entre les séchoirs discontinus statiques et les séchoirs continus.

3.3.1.2. Séchage continu

a) EN SÉCHAGE CONTINU, la couche de grains est en mouvement dans le séchoir.

L'épaisseur de grains que l'air doit traverser est beaucoup plus faible que dans le cas des séchoirs statiques (de l'ordre de 15 cm à 30 cm) et différents systèmes de chicanes provoquent un brassage de la masse durant le trajet du grain. Les problèmes d'hétérogénéité de séchage évoqués pour le séchage statique ne se posent donc pas avec le séchage continu.

Fig. 35: Séchoir discontinu déplaçable à recyclage de grain.

1: Trémie de chargement 5: Générateur d'air chaud
2: Vis d'alimentation 6: Cellule grillagée
3: Vis de recyclage 7: Goulotte de vida
4: Colonne annulaire - circuit grain 8: Chambre grillagée d'arrivée d'air chaud

(Doc. MORIGE.)

Très souvent les températures de fonctionnement sont élevées et dépassent nettement 100° C. Il convient toutefois de connaître les températures limites à ne pas dépasser selon la destination ultérieure du produit et les caractéristiques à respecter: pouvoir germinatif, qualités technologiques, valeur alimentaire...

A titre indicatif on conseille généralement de ne pas dépasser les températures suivantes:

- Semence : 45° C
- Industrie du mais : 80° C
- Alimentation du bétail : 100° C

Fïg. 36: Rendement en amidon en fonction de la température de séchage du mais.

Pour l'alimentation du bétail il semble en fait que la température ait un effet négligeable sur la valeur nutritionnelle des produits. Sur du mais, on ne constate pas d'influence notable d'un séchage à 150° C par rapport à 90° C. Les conditions de pré-stockage avant séchage semblent avoir plus d'incidences que la température de séchage sur les performances zootechniques.

En séchage continu, on considère comme lent un débit spécifique d'air de 1500 à 2 000 m³/h/m³ de grains, et comme rapide un débit spécifique de 6 000 à 8 000 m³/h/m³.

La vitesse de séchage augmente avec le débit d'air, mais moins que proportionnellement. Le séchage rapide sera contrarié par une mauvaise utilisation de l'énergie transmise à l'air pour le réchauffer. A l'inverse, le bilan thermique d'un séchage lent sera meilleur car le contact prolongé air-grain permet un échange plus complet, donc une meilleure saturation de l'air usé.

Il convient de rappeler que si les températures de séchage peuvent paraître très élevées (80°, 100°, 120°, 140° C et au-delà), ce sont celles de l'air chaud, mais pas celles du grain qui ne demeure JAMAIS assez longtemps dans le séchoir pour les atteindre: la température atteinte par le grain peut être connue très simplement avec la courbe d'équilibre air-produit et le diagramme de l'air humide. Il est probable que fa couche la plus proche de l'attaque de l'air sera surséchée et que sa température pourra atteindre 50-60° C (un séchage trop poussé, amenant les grains à 70° C ou plus, provoque un début de calcination sur le mais).

C'est pendant la dernière phase du séchage, au cours de laquelle l'eau se raréfie dans le grain et la température augmente, que le grain est soumis aux plus fortes tensions internes. Des études américaines ont mis en évidence l'effet néfaste du séchage rapide sur les grains de maïs dans lesquels il provoque de nombreuses fêlures. Si le séchage est suivi immédiatement par un refroidissement brutal, les grains se brisent sous l'effet de contraintes inverses.

Ces phénomènes de fissuration, de clivage, ne sont pas nouveaux et sont connus depuis longtemps pour le riz, car les riziers sont très sensibilisés au problème des brisures, directement lié au rendement d'usinage.

La technique employée pour limiter la casse des grains, tout en conservant un débit de séchage rentable, consiste soit à effectuer le séchage en plusieurs passages rapides entrecoupés de pauses d'homogénéisation, pendant lesquelles l'humidité s'égalise dans les grains (cas du riz), soit à sécher en un seul passage jusqu'à une humidité supérieure de 2 à 3 % à l'humidité finale recherchée, à laisser homogénéiser en cellule pendant plusieurs heures, puis à ventiler lentement avec de l'air ambiant; le grain chaud réchauffe l'air et lui permet de terminer lentement le séchage.

Cette deuxième technique, mise au point par des chercheurs américains (Thomson et Foster), porte le nom de «dryeration» (terme traduit en français par Refroidissement Lent Différé): nous y reviendrons plus loin.

b) LES SÉCHOIRS CONTINUS

Les séchoirs continus sont des appareils à grand débit qui demandent un investissement plus important que les statiques et dont s'équipent les centres ayant de grandes quantités de produits à traiter.

Alors que le séchoir discontinu ne demande pas d'infrastructure, le séchoir continu - sauf dans le cas spécial des petits séchoirs continus mobiles encore peu répandus - ne représente qu'une partie d'un ensemble qui comprend, à l'amont, des cellules d'attente de grain humide et des élévateurs pour assurer en permanence l'alimentation du séchoir et, en aval, d'autres élévateurs et d'autres cellules pour recevoir le grain séché. Pour des raisons d'économie évidentes, les séchoirs continus fonctionnent 24 h sur 24, il faut donc que les apports soient planifiés pour éviter toute accumulation des grains humides se détériorant rapidement ou toute rupture de stock obligeant à arrêter le séchoir.

La puissance évaporatoire des séchoirs continus s'étage de 100 à plus de 5 000 kg d'eau par heure, soit, pour un séchage de 25 % à 13 %, des capacités de 0,6 à 30 tonnes/heure de mais sec. Les modèles actuels les plus puissants sont équipés de brûleurs de plusieurs milliers de thermies/heure.

Fonctionnement

Le grain humide entre dans le séchoir par un orifice (trémie) équipé d'un dispositif automatique de régulation du débit. Dans un premier temps, il est réchauffe par de l'air humide ayant servi au refroidissement et recyclé pour employer la chaleur encore contenue par cet air. Le grain passe ensuite dans la zone de séchage où il est traversé par l'air chaud venant du générateur; enfin il passe dans la zone de refroidissement où il est traversé par un courant d'air ambiant.

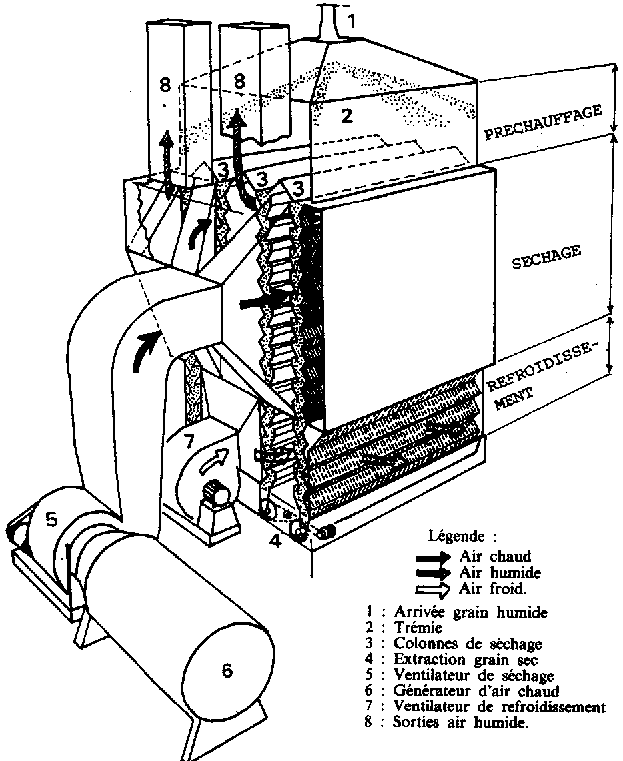
Fig. 37: Schéma séchoir continu.

Le rendement évaporatoire des séchoirs continus est généralement meilleur que celui des séchoirs statiques. Ceci peut sembler paradoxal car la couche de grains étant plus épaisse dans les séchoirs statiques et le débit spécifique plus faible, l'air sort du grain pratiquement saturé, alors que dans les séchoirs continus, l'épaisseur de grains étant plus faible (20-25 cm) et les débits spécifiques plus élevés, l'air ne sort pas saturé.

En fait, on constate que dans les séchoirs statiques, le séchage de la dernière couche conduit à très mal utiliser le pouvoir séchant de l'air et le bilan calorifique global est en faveur des séchoirs continus (1 500 kcal/kg d'eau en statique, 1200 kcal/kg d'eau en continu).

- Séchoirs continus verticaux

Ces séchoirs présentent l'avantage de ne demander aucune énergie pour faire circuler le grain qui descend sous l'effet de son propre poids,

Selon la disposition des gaines, on distingue

Les séchoirs à colonnes

Le grain s'écoule entre deux parois parallèles en grillage ou en tôle perforée. Dans le séchoir, les colonnes de section généralement rectangulaire sont disposées parallèlement et délimitent des chambres où l'air circule.

Fig. 38: Séchoir à colonne en 2 parties.

Sur certains séchoirs de faible débit, la colonne de grains est annulaire, avec ventilation radiale.

Lorsque le grain est sale, le risque de colmatage des grilles est important et le séchoir doit être nettoyé périodiquement (ce qui est une sage précaution, quel que soit le type de séchoir).

Par son principe même de faire passer une lame de grains dans un courant d'air perpendiculaire, le séchoir à colonne est à rapprocher des séchoirs statiques et bien que les débits d'air soient plus importants et l'épaisseur de grain plus faible, on relève une hétérogénéité de séchage entre les grains situés près de l'attaque de l'air et les grains près de la sortie de l'air. Pour remédier à cet inconvénient, certains constructeurs ont divisé chaque colonne en deux parties et, en jouant sur la vitesse d'extraction au bas de chacun de ces éléments de colonnes, font varier les vitesses relatives d'écoulement du grain. Le grain contenu dans la demi-colonne à l'attaque de l'air chaud circule plus vite que celui de la demi-colonne côté sortie d'air où le séchage est plus lent (Fig. 38).

Fig. 39: Séchoir continu vertical.

Les séchoirs à persiennes

Pour limiter le risque de colmatage des grilles ou des tôles perforées, des séchoirs à persiennes sont apparus sur le marché.

La colonne de grains est contenue entre les tôles pleines non jointives. L'obstacle mécanique au passage des impuretés est supprimé.

Fig. 40: Schéma d'un séchoir à persiennes. (Doc. RIVIERRE CASALIS.)

La forme de la colonne oblige le grain à suivre un trajet en zig-zag, duquel on espère un certain brassage en cours de séchage.

Pour augmenter l'effet de brassage, certains constructeurs ont ajouté une tôle intermédiaire verticale à larges perforations dans la colonne (Fig. 40 et 41).

Les séchoirs à chicanes (ou fourreaux ou diedres)

Les séchoirs à chicanes sont les plus utilisés maintenant en France pour les séchoirs de grand débit équipant les organismes de collecte.

Fig. 42: Schéma: circuit de l'air dans un séchoir à chicanes. (Doc. LAW.)

Le grain circule entre plusieurs étages de gaines en forme de V renversé, en tôle pleine et disposées en quinconce.

L'air chaud entre dans les gaines à partir d'une chambre de mise en charge latérale. Les gaines sont obturées alternativement côté chambre d'air chaud et côté chambre d'air usé, de sorte que l'air chaud sort par le dessous de la gaine et circule dans le grain jusqu'à ce qu'il atteigne la gaine de l'étage voisin par laquelle il est évacué vers la chambre d'air usé. La longueur du trajet de l'air est de 15 à 20 cm.

Fig. 43: Dispositif d'extraction à augets. (Doc. LAW.)

Ce système présente le double avantage de ne se colmater que difficilement - avantage appréciable lorsque l'arrêt du séchoir risque de perturber une campagne planifiée - et d'autre part d'assurer un brassage effectif du grain.

La forme en arête des gaines provoque la séparation de la veine de grain et l'alternance d'élargissements et de rétrécissements crée des écoulements différentiels. De plus, à mesure que le grain descend, sa distance à la surface d'arrivée de J'air chaud varie périodiquement.

Différents systèmes d'extraction du grain sec permettent de régler le débit du séchoir (extracteur à vis, écluses, augets etc.).

- Séchoirs continus horizontaux ou inclinés

Ces séchoirs ont l'avantage de visualiser l'opération de séchage et sont généralement plus polyvalents que les séchoirs verticaux. Ils sont en particulier adaptés au séchage de produits tels que les fèves de cacao fermentées et le manioc. Leur principal inconvénient est d'exiger une grande surface au sol.

Selon le mode de déplacement du produit, on distingue

Les séchoirs horizontaux à déplacement du grain par palettes

La couche de grains de 30 à 40 cm évolue sur un tablier plat horizontal.

Les grains progressent sur la table de séchage depuis la trémie d'alimentation jusqu'à l'extrémité du séchoir, sous l'action d'un agitateur muni de palettes qui se déplace tout le long de la table de séchage. En remontant vers la trémie, l'agitateur rejette les grains vers l'aval, puis repart à l'aval en roulant sur les grains sans les déplacer (palettes «libres»). La durée du séchage est réglée par la vitesse de déplacement du tambour (Fig. 44).

Le séchoir peut être équipé d'une hotte permettant de récupérer les buées.

Fig. 44: Séchoir horizontal à passage continu forcé. (Doc. STELA.)

Remarque:

Ce séchoir peut être utilisé en séchage statique avec brassage du grain (Fig. 44 bis).

Fig. 44 bis: Utilisation en séchage statique.

Les séchoirs à tablier-transporteur (Fig. 45)

Les grains sont mis en mouvement par un tablier-transporteur continu formé de deux chaînes latérales reliées par des barrettes transversales. La vitesse d'avancement du tablier est réglable pour ajuster la durée du séchage à l'humidité du produit.

Fig. 43: Séchoir continu à tablier transporteur.

Les séchoirs à cascades

Alors que dans les deux types décrits ci-dessus l'avancement des grains est mécanique, dans le séchoir à cascades, il y a combinaison entre l'inclinaison du plan de séchage et l'effet d'entraînement de l'air entrant dans la couche à sécher par les fentes ménagées entre les lamelles métalliques qui forment le fond du séchoir.

L'épaisseur de la couche de grains qui varie de 15 à 20 cm, est réglée par des tambours supérieurs qui freinent la descente des grains.

La durée de séchage est réglée par la vitesse d'extraction (Fig. 46).

Fig. 46: Séchoir continu à cascades.

Remarque: Séchoirs mobiles

Depuis plusieurs années, des constructeurs proposent des séchoirs continus mobiles pour répondre aux besoins de nombreux agriculteurs (et entrepreneurs de travaux agricoles) soucieux d'amortir leur matériel sur le plus grand nombre d'heures de fonctionnement possible.

Exemple de séchoir mobile et de chantier de séchage: (Fig. 47 et 48).

Fig. 47: Séchoir mobile continu.

1: Ventilateur air chaud 6: Chambre air froid
2: Brûleur 7: Vis des répartitions
3: Ventilateur air froid 8: Vis d'extraction
4: Grillage 9: Vis de reprise
5: Chambre air chaud 10: Colonne grain.
(Doc. CORNELOUP.)

Les différents principes de séchoir mobile sont à rapprocher de ceux des séchoirs fixes.

Certains sont équipés d'un moteur auxiliaire, mais la plupart sont commandés par la prise de force d'un tracteur. Séduisante dans son principe cette solution doit faire l'objet d'une étude préalable complète car elle exige une infrastructure relativement importante électricité, réserve de combustible, remorques, tracteurs.

Fig. 48: Chantier de séchage avec séchoir continu mobile. (Doc. CORNELOUP.)


Table des matières - Précédente - Suivante

CD3WD Project Donate