SEI POMPE SEMPLICI

CD3WD Project

Back to Home Page of CD3WD Project or Back to list of CD3WD Publications


Home - English - French - German - Italian - Portuguese - Spanish
                               SEI POMPE SEMPLICI
 
                             Una Costruzione Guide
 
 
                                   redatto da
                                Margaret Crouch
 
 
                                                    UNA PUBBLICAZIONE DI VITA
 
                        
                                     VITA
                       1600 Boulevard di Wilson, Seguito 500
                         Arlington, Virginia i 22209 Stati Uniti
                     TEL: 703/276-1800. Facsimile: 703/243-1865
Internet di                          : pr-info@vita.org
 
 
RICONOSCIMENTI DI                               
 
Produzione di Sei Pompe Semplici ha richiesto il consiglio e
expertise di molti Volontarii di VITA. VITA è indebitato a loro,
non solo per i disegni originali, ma anche per il loro esperto
guida durante la preparazione del manuale. Speciale grazie
vada a:
 
Derek W. Adams, direttore tecnico di pianificare e R&D per
Daystrom Ltd., Gloucester, Regno Unito; Stefano Bernath, consulente in
hydrology di foresta e gestione di spartiacque; Leonard G. Doak,
ingegnere professionale e consulente di alfabetismo; il Dale Fritz,
esperto in pompe, fonti, e materiale agricolo; V. Geethaguru,
indaghi tecnologo allo Shri AMMA Murugappa Chettiar
Centro di ricerca, Madras l'India; Kennedy di William, membro del
facoltà di pianificare le meccaniche all'Università Aperta, Milton
Keynes, Regno Unito; il Dott. Richard G. Koegel, Ricerca Agricolo
Pianifichi col Caseificio Foraggio Ricerca Centro Americano in Madison,
Wisconsin; Jerry Lundquist, scrittore tecnico e redattore; Loren
Sadler, ingegnere di disegno senior per lo Sperry Co di Olanda Nuovo.;
Il Dott. Clifford L. Sayre, Jr., professore dell'ingegneria meccanica
all'Università di Maryland; il Dott. Charles D. Spangler, sanitario
consulente che pianifica alla Banca di Mondo Che, USAID, e
altri; ed il Dott. Yaron M. Sternberg, professore dell'ingegneria civile
e direttore delle Risorse di Acqua Rurali ed Internazionali
Laboratorio all'Università di Maryland.
 
Christopher Schmidt, artista indipendente purché i disegni,
e Julie Badger del personale di VITA faceva typesetting e configurazione.
Assistenti di personale altri erano Gregory A. James e Robert
Imbrigliando.
 
Pubblicazione di Sei Pompe Semplici fu fatta possibile da una concessione
da Industrie di Costumista, Inc., un fabbricante principale di pompe
e pompando apparato. Con prodotti commerciali e suo propri
unaffordable da molte persone in paesi in sviluppo, Costumista
appoggi VITA in questo sforzo di aiutare quelle persone stesse raggiungono un
approvvigionamento affidabile di acqua.
 
                                      Margaret Crouch, Pubblicazioni di VITA
                                      Volunteers in Assistenza Tecnica
                                      Arlington, Virginia
                                      dicembre 1982
 
INDICE DI                              
 
INTRODUZIONE
 
Pompa di diaframma (l'Irrigazione)
 
Pompa di brocca (Irrigazione o acqua potabile)
 
SPANGLER Pumps (acqua Potabile o irrigazione)
 
Pompa di inerzia (l'Irrigazione)
 
Animale Pompa di Catena Controllato (l'Irrigazione)

ssp1x57.gif (600x600)


 
ARCHIMEDES Screw (l'Irrigazione)
 
TAVOLE DI CONVERSIONE
 
REFERENZE E RISORSE
 
APPENDICE IO - LA PRESA DI DECISIONE WORKSHEET
 
         II - CUSTODIA DI NOTA WORKSHEET
 
         III - LA FABBRICAZIONE DEL BLOCCO DEL PORTANTE DI LEGNO
 
 
INTRODUZIONE DI                              
 
Durante il corso degli anni VITA ha fatto disegni disponibili per un largo
varietà di pompe a mano operate, sviluppò o cambiò
primariamente da Volontarii di VITA per progetti nel campo. Il
disegni rispondono alle condizioni locali--una pompa con di legno
parti per il Vietnam dove era disponibile metallo piccolo; un altro
basato su cloruro di polyvinyl (PVC) il tubo; ancora altri adattarono
da disegni sperimentato e veri, ma con efficienza aggiunta o agio
di costruzione.
 
VITA ha compilato della mezza dozzina di questi disegni in questo
manuale. La raccolta nevica una serie di scelte per semplice
pompe che sono relativamente convenienti e facile costruire e mantenere
con abilità locali e materiali. Loro presentano alternative vitali
a pompe più costose che richiedono combustibili di fossile costosi
per operazione. Molto servirebbe anche bene come la base per
imprese manifatturiere e piccole.
 
Perché loro devono essere primed o altrimenti non possono essere sigillati, di più
delle pompe ed acqua-alzando apparecchiature presentate primariamente ecco
utile per scopi irrigatori. Lo Spangler pompa, e
la pompa di brocca in domande certe, comunque può essere usata
efficacemente in fonti sanitarie per sistemi di approvvigionamento di acqua potabili.
 
Per salute e la sicurezza ragiona, il bene essere usato col
pompe dovrebbero essere coperte se possibile. Piccolo-foro fonti sanitarie
dovrebbe essere sigillato con cemento o pietra - o mattone-lavoro per prevenire
la contaminazione dell'approvvigionamento di acqua. Fonti più grandi possono essere coperte
con piattaforme robuste. Il bene coperta provvede una base per
legando la pompa-bancarella, ed aiuta prevenga ingresso nel
bene di frammenti che danneggerebbe la pompa o causa eccessive
porti sulle parti commoventi.
 
La terra circa il bene dovrebbe essere inclinatsi via dal bene
aprendo permettere acqua di eccesso di scappare. Questo aiuta prevenga
il gocciolamento di acqua inquinata indietro nel bene. Aiuta anche
prevenga la formazione di fango anti piscine stagnanti che sono prime
i motivi che incrociano per hookworm, mosquitoes, e pesti altre.
 
Ma questo è un libro di pompa, non un manuale di fonti. I redattori
congetturi un livello di esperimenti--o accesso ad expertise--con
fonti. Per informazioni ulteriori su costruendo ed azionare acqua
fonti, lettori sono assegnati nella sezione di Risorse a molto
libri eccellenti sul soggetto. E per la protezione corretta
di bere fonti di acqua, controlli col più vicino sanitario
ispettore del Ministero di Salute.
 
Istruzioni complete per costruire ogni pompa sono incluse in
il manuale, con disegni particolareggiati per guidare costruzione. Operando
e direzioni di manutenzione sono date anche. Efficienza
paragoni abilitano l'utente per scegliere il disegno migliore per un
situazione particolare.
 
Lettori che possono stare usando questo manuale come parte di un'irrigazione
o progetto di approvvigionamento di acqua è esortato per contattare VITA per ebbe bisogno
assistenza tecnica. La guida di presa di decisione in Appendice io
aiuti domande di cornice e focalizzi le considerazioni di progetto.
VITA può provvedere anche tecnico. ed assistenza di gestione a
quelli che possono essere interessati a fabbricare le pompe.
 
                       Table di Usi e Spese
 
Pump           Deep            Flusso di         Poco profondo:        EST. costo:
type           well             bene il gal/min di         .      1981 STATI UNITI $
 
1.  Diaframma     -          a 25 ft.        10 a 30     $10 a $20
 
2.  Brocca       -           15 ft.            8 a 10    $20 a $40
 
3.  Spangler 50[plus] ft.   a 20 piedi          5 a 15        $20
 
4.  Inerzia       -           12 a 24  piedi     20 a 70    $10 a $20
 
5.         Animali - il maximum         di           100 a 150   $50 a $100
                      20 Controllato piedi la quantità positiva di                       , de -
    Chain                                                 pendente su
                                                         AVAILABIL -
Ity di                                                          di
                                                         divide
 
6. Archi-        -          1 a 2 piedi        50 a 150    $10 a $50
MEDES DI   
   Screw
 
                          DIAFRAMMA POMPA
 
Questo mano-azionò pompa <veda figura 1-5> fu disegnato per uso in Vietnam nel

ssp1x10.gif (600x600)


presto 1960s. È fatto primariamente di legno e ricopre di gomma, più
chiusure di metallo, lavatori, e bushings a due punti di uso. Esso
consiste di una camera che pompa che è una scatola di legno ed a tenuta d'acqua
andato bene con due valvole di falda di gomma. Un diaframma fece da interno
forme di gomma di tubo la cima dell'abbassato che pompa camera. Un
manico di pompa verticale è legato al centro del diaframma.
Trasportando gli aumenti di manico di pompa o cali il
volume della camera che pompa. È il cambio di volume in
la congiunzione con le due valvole di falda che acqua di forze attraverso
la pompa.
 
Due o tre litri di acqua possono essere pompati una distanza verticale
di tre a quattro metri ad ogni colpo. Se la pompa è fatta
più piccolo, pomperà un ammontare più piccolo di acqua una distanza più grande.
Se è fatto più grande, pomperà un ammontare più grande di
innaffi una distanza più corta.
 
La pompa può essere operata da uno o due persone, e può essere
adattato per uso con animale o il potere di vento. Bambù che suona il piffero o
tubatura di costo bassa ed altra può essere usata con la pompa per consegnare
annaffi economicamente per distanze considerevoli. Due o più
pompe possono essere usate lato-da-lato per trasportare più acqua per colpo,
o fine-a-fine per muoversi annaffia più lontano.
 
Questa pompa ha i vantaggi seguenti:
 
    1)   è estremamente semplice, senza alcuna chiudere-adattamento o
Parti di machined di    . Può essere costruito e può essere riparato con abilità
    e materiali trovati nel villaggio medio.
 
    2)   Diversamente da irrigazione di mano con secchi, i resti di lavoratore
    stazionario mentre solamente le mosse di acqua. Nell'usare polo e
    porta in secchi, il lavoratore deve allevare il suo peso di corpo intero,
Quantità positiva di     quello del polo e secchi. Questo quasi è due volte
    il peso dell'acqua. In somma, il lavoratore con
I secchi di     devono fare un viaggio di ritorno. Il polo e sistema di secchio
    spreca molta energia umana.
 
Il Dott. Richard G. Koegel, il disegnatore primario di questo piano è
col Caseificio Foraggio Ricerca Centro Americano a Madison, Wisconsin.
Un Volontario di VITA per molti anni, il Dott. Koegel ha lungo esperimentare
in Asia e l'Africa dove lui disegnò, costruì, e
esaminato molte tecnologie disseminate attraverso VITA.
 
MATERIALI ED ATTREZZI
 
MATERIALI:
 
Part     Description                   Size                    Quantity
Numero
 
1            Handle                        2 " entro 2 " entro 36 ", legno duro                    1
 
1a           Manico arm                    1 " entro 6 " entro 8-1/2 ", hardwood                2
 
1b           Frecce, armi pompare handle     3/8 " dia. entro 4 ", machine                    2
                                           lancia con noci e flat                     
Lavatori di                                           
 
1c           verga di Perno per handle          1/2 " dia. da 8 " acciaio rod                   1
                                           o G.I. tubo
 
1d           verga di Perno che monta clamps     Approx. 1/16 " entro 1 " di 4 "                    2
                                           foglio metallo striscia
 
2            Cima plate                     1 " entro 14 " entro 14 ", hardwood                  1
 
3            chamber       1 " Superiori e più bassi entro 4 " entro 10 ", hardwood                   4
             incornicia parti
 
3a           Viti, superiore e lower       Approx. 1/4 " da 2 " lag                      12
Il frame                         di              lancia o viti di legno
 
4            Diaphragm                     Approx. 1/16 " entro 12 " di 12 "                  1
                                           gomma di tubo interna
 
4a           Diaframma supports            1 " entro 7 " entro 7 ", legno duro                     2
 
4b           support             di Diaframma Approx. 1/4 " di 3-1/2 "                       12
             che assicura screws              condannano ai lavori forzati frecce o viti di legno
 
4c           appoggio di Diaframma arm         2 " entro 4 " entro 6 ", hardwood                    1
 
4d           arm         di appoggio di Diaframma 3/8 " dia. da 5 " macchina                      1
Freccia di connector                     di             , noce e lavatore piatto
 
5            cornice Superiore e più bassa divide   1 " entro 4 " entro 12 ", hardwood                   4
 
5a           Stesso come parte 3a               Stesso come parte 3a                             12
 
6            valve            di controllo di Sbocco Approx. 1/16 " da 2-1/2 " by                  1
                                           2-3/4 " gomma di tubo interna
 
6a           valve            di controllo di Sbocco Approx. 1/16 " entro 2-1/2"                     1
DIA DI REINFORCEMENT                 DI             . disco di metallo di foglio
 
6b           reinforcement    di valvola di Sbocco 1/4 " dia. da 1 " machine                     1
Freccia di bolt                          di             , noce, e lavatore piatto
 
 
Part     Description                 Size                    Quantità
Numero
 
6c           valve            di controllo di Sbocco 3/4 " testa piatta lunga inchioda                   3
Chiusura di             
 
6d           gasket           di valvola di Sbocco Approx. 1/16 " entro 4 " di 6 "                    1
                                           gomma di tubo interna
 
6e           block                  2 " più Spaziali entro 4 " entro 6 ", hardwood                    1
 
6f           gasket           di valvola di Sbocco Approx. 1/16 " entro 4 " di 6 "                    1
                                           gomma di tubo interna
 
6g           flange                 di Sbocco 2 " dia interni. suoni il piffero flange                   1
 
6h           assembly         di valvola di Sbocco 3/8 " dia. da 4-1/2 " machine                 4
Frecce di             , noci, e frecce di flat        , noci, ed appartamento
Lavatori di washers                       di             
 
7            valvola di controllo di Insenatura             Approx. 1/16 " da 2-1/2 " by                  1
                                           3-3/4 " gomma di tubo interna
 
7a           valve             di controllo di Insenatura Approx. 1/16 " entro 2-1/2"                     1
REINFORCEMENT             DI                  DIA. disco di acciaio
 
7b           reinforcement     di valvola di Insenatura 1/4 " dia. da 1 " machine                     1
Freccia di bolt                          di             , noce, e lavatore piatto
 
7c           Insenatura controllo valvola fasteners   3/4 " sempliciotto lungo nails                    3
 
7d           gasket            di valvola di Insenatura Approx. 1/16 " entro 4 " entro 6 ",                   1
                                           gomma di tubo interna
 
7e           flange                  di Insenatura 2 " dia interni. suoni il piffero flange                   1
 
7f           assembly          di valvola di Insenatura 3/8 " dia. da 1-1/2 " machine                 4
Frecce di bolts                         di             , noci, e lavatori piatti
 
8            gasket                 di Fondo Approx. 1/16 " entro 12 " di 12 "                  1
                                           gomma di tubo interna
 
9            Baseboard                     2 " entro 14 " entro 48 ", legno duro                   1
 
10           bolts           di riunione di Unità 3/8 " dia. da 12 " machine                    12
                                           bolts, noci, ed appartamento
Lavatori di                                            (24)
 
Colla a tenuta d'acqua, gengiva, o pece--approssimativamente 2 once per sigillare
giunture
 
Notes:  1) Quando alzando acqua per più di tre o quattro metri,
        può essere necessario per usare più strati di gomma
        o usare gomma più spessa nel diaframma, Divida 4.
        2) Le due flange di tubo di metallo, Divide 6g e 7e, debba
        sia comprato prima di esercitarsi gli il buchi di due 2-pollice nel
        abbassa parti di cornice di camera, Divida 3. La taglia di questi
Flange di        , ed i buchi per le frecce di salita possono
        richiede cambi nelle due parti di cornice di fondo. Se così
        suona il piffero flange non sono disponibili, Lei può fare sostituti
        saldando un 2-pollice accoppiamento di tubo ad un 1/4-pollice
        ricopre d'acciaio piatto con un 2-pollice che buco tagliato in lui.
        3) Nel fare questa pompa, Lei può sostituire narrower
Assi di         dei quali sono croce-fermati adeguatamente per assi
        12 - e 14-pollice le ampiezze.
 
ATTREZZI:
 
Si eserciti per metallo: 3/8 ", o alcuni mezzi di tagliare 3/8 " buco in
Metallo di foglio di  
Trapani di legno: 1/4 ", 3/8 ", e 1/2 " o equivalents metrico
Pinza o strappo adattabile ed appropriato
Cesello di legno o attrezzo per fare 2 "
buchi in legno duro
Sega di metallo o hacksaw
Raspa di legno o archivio
Cacciavite
Tagli di lattina
Sega di legno
Archivio
 
COSTRUZIONE
 
Maneggi, Divida 1, Figuri 6

ssp6x6.gif (600x600)


 
Manico liscio lungo
la cima 8 " a 10 " a
lo faccia più facile a
afferri con le Sue mani.
Annoi due 3/8"-diametro
buchi, un 2 "
dal fondo e
un 5 " dal fondo.
Annoi un buco del 1/2 "
1 " dal fondo
e dallo stesso
parteggi come l'altro
due buchi.
 
Braccio di manico, Divida 1a, Figura 6, 7

ssp6x60.gif (600x600)


 
Annoi un 3/8"-diametro buco 1 " dalla fine puntuta del
Lato 6"-lungo, ed un altro buco del 3/8 " 3 " in giù da colui. Ambo
buchi dovrebbero essere 1 " dall'orlo. Annoi un buco del 1/2 " 1 " dal
6 " lato e 1 " dal lato del 8 ". Si eserciti un secondo 1/2 " buco 1 "
dal primo e 1 " in dall'orlo del 8 ". Annoi un buco del 3/8 " 2 "
dalla fine altra del lato del 8 " e 1 " in dall'orlo. Il
due braccio di manico dovrebbero essere identiche.
 
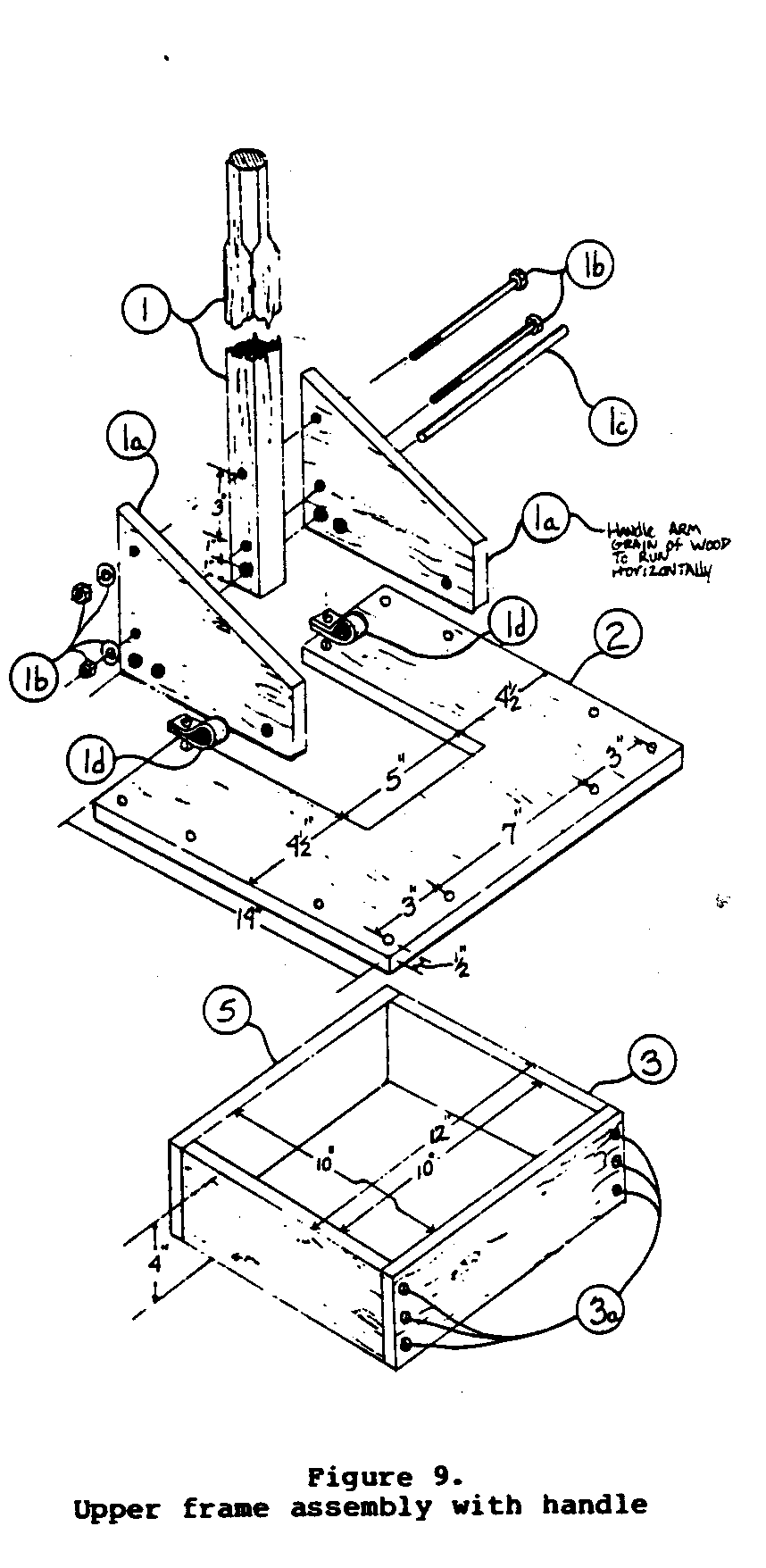
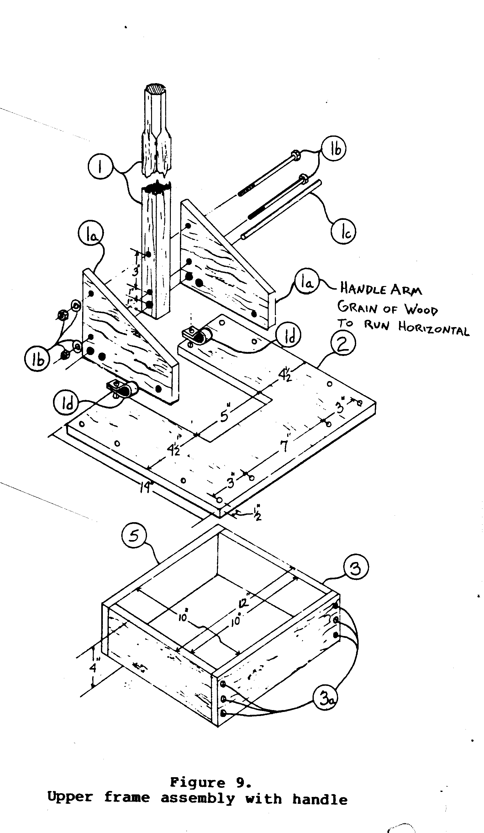
Rod di perno che Monta Morsetti, Divida 1d
 
Questi due morsetti sono fatti da verso foglio di 16-indicatore di livello
metallo. Avvolga ogni uno sulla verga di perno per manico, Divida 1c,
e si esercita un buco del 3/8 " attraverso ambo il thicknesses (Veda Figura 9).

ssp8x9.gif (600x600)


(Questi morsetti saranno montati più tardi al piatto di cima, Divida 2,
da riunione di unità lancia, Divida 10).
 
Diaframma, Divida 4
 
Tagli il diaframma, Divida 4, da materiale di tubo interno. Concentri il
due diaframma sostiene, Divida 4a, sul diaframma. Si eserciti il
12 buchi per la chiusura di appoggio di diaframma avvitano, Divida 4b.
Arrotondi gli orli degli appoggi di diaframma che toccano il diaframma.
Avviti insieme il diaframma del due sostiene col
diaframma tra loro. Visto fuori il braccio di appoggio di diaframma, Parte
4c, così il grano di legno corre verticalmente nel materiale (Veda
Figuri 8).

ssp8x8.gif (600x600)


 
Annoi due 3/8"-diametro buca nel braccio di appoggio, un 1 " da
la cima e l'altro 2 " dalla cima, ciascuni 2 " dall'orlo.
(Del buco più basso è avuto bisogno più tardi.)
 
Assicuri il braccio di appoggio, Divida 4c, ad ambo gli appoggi coi due
1/4 " entro 3-1/2 " legno avvita o frecce di ritardo, Divida 4e.
NOTE:  che La pompa è stata costruita
ed usato con congiunzione di viti
i due appoggi di diaframma. Esso
sia più facile sostituire il
diaframma se frecce sono usate
congiunga il diaframma sostiene,
e congiungere la riunione al
braccio di appoggio di diaframma.
 
La riunione di diaframma ora è
pronto essere congiunto alla pompa
braccio di manico entro un 3/8 " entro 5 "
freccia di macchina, due lavatori piatti
ed un noce. L'appoggio di diaframma
braccio dovrebbe imperniarsi facilmente su
la freccia.
 
Incornici Riunioni, Figura 9, 10

ssp8x90.gif (600x600)


 
La cima e camera più basso
cornici, Divide 3 e 5, deve essere
tagli ed assemblò essere come piatto
e piazza come possibile. In
facendo la cima incorniciare riunione--due
di Parte 3 e due di
Divida 5--il fondo deve essere molto
piatto e piazza perché questo è
tenga il diaframma in
luogo.
 
Cornice di cima, Figura 9, 10
 
Due pezzi di cornice di cima, Divida 3,
e due pezzi di cornice di cima, Parte
5, dovrebbe essere assemblato usando
tre 1/4 " da 2 " frecce di ritardo a
ciascuno unito (Parte 3a). Prima
assemblando, si assicuri che il
fini per essere congiunto sono lisce
ed appartamento. Colla di uso, gengiva o
impeci nelle giunture.
 
Cornice più basso e Riunioni di Valvola,
Figuri 11:

ssp11x10.gif (600x600)


 
Le due flange di tubo di metallo,
Parti 6g e 7e, dovrebbe essere
sawed così che i due diritto
orli sono paralleli e 3-3/4 "
separatamente. Annoi 3/8 " buchi in ognuno,
come mostrato in Figura 11.
 
Tagli divide 6, 6a, 7, e 7a da gomma materiale di tubo interno a
le taglie mostrate nell'elenco di parti. Arrotondi gli orli più basso di
parti 6 e 7.
 
Congiunga la valvola di controllo di sbocco e lo sbocco munisca di valvole rinforzamento,
Parti 6 e 6a, con la sbocco valvola rinforzamento freccia
lavatore, e raccoglie noci, divida 6b. Congiunga la valvola di controllo di insenatura ed il
insenatura controllo valvola rinforzamento, Divide 7 e 7a, con l'insenatura
noce di rinforzamento di valvola, lavatore, e freccia Dividono 7b.
 
Annoi un 2"-dia. buchi nel centro di ogni parte di cornice più basso,
Divida 3. Usando le due flange di tubo di metallo come guide, uno ad ognuno
Divida 3, concentri la flangia sul buco del 2 ", poi marchio e trapano
i quattro 3/8 " buchi circa il buco del 2 " su ogni pezzo.
 
Tagli una guarnizione di valvola di sbocco, Divida 6d, ed una valvola di insenatura
guarnizione, Divida 7d, da gomma di tubo interna alle dimensioni mostrate
nell'elenco di parti. Tagli ad angolo retto un buco del 2 " in Parte 7d ed un 3 "
buchi in Parte 6d, come mostrato. Tagli la seconda guarnizione di valvola di sbocco,
Divida 6f. Tagli un buco del 2 " nella seconda guarnizione.
 
Tagli un blocco più spaziale, Divida 6e, alla taglia mostrata nelle parti
elenco. Tagli un buco di 3"-piazza nel suo centro. Annoi quattro 3/8"-dia.
buchi nel blocco più spaziale per fiancheggiare su coi quattro buchi nel
flangia di sbocco.
 
Ora assembli la cornice più basso nel modo stesso come Lei faceva il
cornice di cima. Inchiodi la valvola di controllo di sbocco sul fuori del
buco di valvola di sbocco con le sbocco controllo valvola chiusure, Parte
6c. Sia sicuro lo sbocco controllo valvola rinforzamento è sul lato
via dalla cornice più basso. Ora faccia lo stesso per il controllo di insenatura
munisca di valvole, ma questa durata abbia il rinforzamento sull'interno di
la cornice più basso (Veda Figura 11).
 
Assembli la guarnizione di valvola di sbocco, Divida 6d, il blocco più spaziale
Divida 6e, la seconda guarnizione di valvola di sbocco Dividono 6f, ed il
flangia di sbocco, Divida 6a, sul lato di sbocco della cornice più basso
usando i 3/8 " entro 4-1/2 ' frecce di macchina, noci, e lavatori piatti.
Colla di uso, gengiva, o pece per sigillare queste parti.
 
Assembli la guarnizione di valvola di insenatura, Divida 7d, e la flangia di insenatura,
Divida 7e, sul lato di insenatura della cornice più basso usando i 3/8 "
da 1-1/2 " frecce di macchina, noci, e lavatori, Divida 7f. Colla di uso,
gengiva, o impecia sigillare queste parti.
 
Finale riunione della pompa si semplificherà se Lei fa un
designi per buchi noiosi per la riunione di unità lancia, Divida 10.
Il modello dovrebbe essere una piazza di assottigli materiale 2 " rigido più grande
che la cima e parti di cornice più basso. (Per questa pompa di taglia, faccia
il modello 14 " su ogni lato.) Marchi una linea 1/2 " in da ognuno
orlo. Usando un'unghia, faccia un buco attraverso il modello 1/2 " in
da ogni angolo. Poi faccia supplementare buca 3 " da ognuno
buco di angolo, ciascuni 1/2 " dall'orlo del modello. Uso questo
designi per marcare i luoghi per esercitarsi buchi attraverso la cima
placchi, Divida 2, ed il battiscopa, Divida 9.
 
I buchi nel battiscopa dovrebbero essere esercitatsi 18-1/2 " dal
fine e 1/2 " in dai due orli, usando il modello per marcare
la posizione dei buchi.
 
Assembli la pompa mettendo un 3/8 " da 12 " freccia di macchina e
lavatore, Divida 10, attraverso ognuno dei quattro buchi di angolo nel
battiscopa, dal fondo. Metta la guarnizione più basso, Divida 8, in
luogo. Colla che usa, gengiva, o pece tra ogni superficie, metta il
sezione di cornice più basso, il diaframma Divide 4, ed il superiore
sezione di cornice in luogo. Vada bene il piatto di cima, Divida 2, sul
quattro frecce (Veda Figura 12).

ssp12x12.gif (600x600)


 
Scioltamente vada bene un lavatore piatto ed un noce, Divida 10, su ognuno del
quattro frecce. Completi la riunione inserendo il rimanente
frecce con lavatori attraverso la pompa completa. Porsi un lavatore
cima di ogni freccia, e scioltamente noci appropriati su loro.
 
Stringa ognuno dei noci con le Sue dita, cominciando nell'uno
angolo e stringendo ognuno a turno. Poi stringa tutti il
noci con un strappo, uno ad una durata, con pressione pari e graduale.
Non stringa un noce come stretto come andrà, e poi
un altro. Stringa un poco ogni uno ad una durata.
 
PRECAUZIONI
 
Woodgrain. Il grano del legno deve essere in una direzione specificata
su parti certe di questa pompa:
 
     1. Piatto di cima, Divida 2: il grano in questo legno dovrebbe correre
        nella direzione stessa come la fessura che è 5 " largo
        e 11 " lungo.
 
     2. Diaframma sostiene, Divida 4a: quando queste due parti sono
        assemblò sul diaframma, il grano in un pezzo
        dovrebbe essere 90[degrees] dal grano nell'altro.
 
     3. Braccio di appoggio di diaframma, Divida 4c: il grano in questa parte
        dovrebbe correre da una fine 4"-larga all'altro.
 
     4. Blocco più spaziale, Divida 6e: il grano qui dovrebbe correre da
        una fine 4"-larga all'altro.
 
     5. Battiscopa, Divida 9: il grano in questa parte dovrebbe correre
        la lunghezza del legno; ovvero, da una fine 14"-larga
        all'altro.
 
Colla a tenuta d'acqua, gengiva, o pece. Dove devono essere due parti di legno
congiunto con colla, gengiva, o pece, le superfici dovrebbero essere come
lisci come possibile. Questo migliorerà il sigillo alla giuntura.
 
Pezzi di cornice più basso. Questi sono avvitati insieme in queste istruzioni.
Se verghe di threaded lunghe sono usate in luogo del
viti, le parti di cornice più basso possono essere strette più facilmente se
una crepa sviluppa. Usare verghe di threaded, Lei deve annoiare buchi
attraverso le parti di cornice più basso, Divida 3, da fine per finire.
 
Suoni il piffero flange. Le flange di tubo, Divide 6g e 7e, non debba
tocchi il battiscopa o ricopra la cornice superiore perché questo
colpisca il watertightness delle giunture. Tagli la faccia di
la flangia ad una taglia che eviterà questo problema.
 
Salita di manico. Sia sicuro che la freccia che connette, Divida 4d,
non strofini contro la fessura nel piatto di cima, Divida 2. Se esso
fa, o accorci la freccia, o tagli un'incisione nella fessura così
le parti non strofinano contro l'un l'altro.
 
OPERAZIONE E MANUTENZIONE
 
Quando Lei è pronto usare la pompa, riempa la camera di diaframma
con acqua. Faccia questo imperniandosi la pompa sul suo lato di insenatura.
Sostenga la valvola di sbocco aperto e versi acqua attraverso la valvola.
Con la pompa in questa posizione ed il calze di insenatura inserì in
la fonte di acqua, azioni la pompa mentre acqua torrenziale nel
camera. La pompa comincerà a lavorare presto. Il tempo e sforzo
avuto bisogno per questo dipende dalla lunghezza del calze di insenatura.
Di solito cinque a dieci colpi del manico saranno sufficienti. <veda figura 13 & 14>

ssp13140.gif (600x600)


Due pompe possono essere
lato montato da lato,
come mostrato in Figura 15,

ssp15x16.gif (600x600)


ed operò da un
persona che sta in piedi sul
raggio e cullando da
parteggi parteggiare. Questo è
un modo facile di operare
la pompa.
 
La gomma munisce di valvole ed il diaframma può avere bisogno di sostituire dopo 9
a 12 mesi quando la pompa è usata due a tre ore per giorno.
Lei può avere bisogno di sostituirli più presto se l'acqua è sporca, o
se la pompa è usata più ogni giorno, o se il materiale di gomma
non è in condizione buon.
 
Se la pompa non pompa acqua, il guaio probabilmente è con
aria o perde da costruzione difettosa o allineamento del
valvole, o valvole usate o diaframma.
 
Una quantità piccola di grasso dovrebbe essere applicata al perno del due
verga che monta morsetti, Divide 1d, quando loro strillano.
 
                                 BROCCA POMPA
 
Variazioni della brocca pompano, un handpump della pistone-tipo, abbia
stato in uso per secoli in molte parti del mondo. Commercialmente
pompe fabbricate sono prodotte in una serie larga di taglie
soddisfare molte necessità diverse. La pompa presentò qui <veda immagine> è

sspx17.gif (486x486)


durevole e facile usare. È un disegno buono per produzione in
un negozio centrale. O può essere fatto da chiunque con accesso al
attrezzatura necessaria.
 
La pompa alza tra otto e dieci galloni per minuto per
approssimativamente 10 - a 15-piede la suzione. L'ascensore di massimo è circa
20 piedi.
 
Della saldatura può essere richiesta, così come tubo infilando, ma
processi di costruzione alternativi sono dati per accomodare
risorse disponibili e le abilità.
 
MATERIALI ED ATTREZZI
 
MATERIALI:
 
Numero di parte la Descrizione di                              la Quantità di                  
 
1                               2 " x 5 " x 24 " legno duro handle            1
1a                              1/4 " x 3 " verga di acciaio o G.I. pipe;        1
                                 unisce in ogni fine
1b                              3/8 " x 3-1/2 " verga di acciaio o G.I. pipe;    1
                                 pin in ogni fine
1c                              Metal la connessione 1/4 " x 1 " x 8"               2
2                               3 " I.D. X 18 " - G.I. suoni il piffero cylinder       1
                                 (threaded su una fine)
3                              1/2 " dia. x 18 " acciaio rod                1
                                 (threaded uno finiscono almeno 1 ")
3A                              3/16 " DIA. x 1-1/2 " cotter uniscono o nail   1
3B                              1/2 " I.D. lavatore piatto                     1
 
Numero di parte la Descrizione di                              la Quantità di                  
 
3C                              2-1/2 " O.D., 1/2 " I.D. rubber            1
                                 disco di tubo di   interno
3D                              2-3/4 " DIA. x 1-1/2 " hardwood            1
                                 blocca (il pistone)
3e                              1/8 " x   1 " x 9-1/2 " connessione di cuoio         1
                                 Note: chiodi senza testa o viti richiesero
                                 per tenere connessione di cuoio a 3d.
Will di                                  il bisogno approssimativamente 10 a 12 1"-lungo
L'appartamento di                                  capeggiò unghie; ottone di uso
                                 inchioda se disponibile
3f                              1/2 " noce di macchina--andare bene su               1
                                 Part 3
4                               3-1/2 " a 4 " I.D. suoni il piffero coupling          1
4a                              1/4 " x 1 " x 1-1/2 " acciaio eccetto stock       4
4B                              1 " I.D. suoni il piffero flangia. Substitute          1
                                 può essere un 1 " I.D. accoppiamento di tubo
                                 saldò ad un spesso del 1/4 " x 3-1/4 "
DIA DI                                 . anello di acciaio.
5                               1/8 " X 2-1/2 " DIA. cuoio disk          1
                                 tagliò ad una forma ovale, più brevemente
DIA DI                                 . [+ o - ]2 "
5A                              1/4 " I.D. X 1-1/2 " O.D. sheet            1
                                 massiccia disco
5b                              1/4 " x 1 " vite di macchina e nut          1
5c                              3/16 " x 1-1/2 " macchina screws            2
                                 e noci
6                               1 " G.I. suoni il piffero lunghezza come necessitato a          1
                                 giunge ad aquifer
 
G.I. - Galvanizzò ferro
I.D. - Diametro interno
O.D. - Diametro esterno
 
ATTREZZI:
 
Martello
Trapani per metallo, mette in ordine di grandezza 3/16 ", 1/4 ", 3/8 ", e 1/2 "
Strappi (pinza e strappo di tubo)
Aereo di legno
Hacksaw
Cacciavite
Archivio
attrezzatura che salda
Sega di legno
Forbici capace di tagliare metallo di foglio, cuoio, e gomma
Carta di smeriglio
 
COSTRUZIONE
 
1. Riunione di manico, Figura 2, 3:

ssp2x180.gif (600x600)


 
Tagli il manico secondo il disegno seguente (Figura 4)

ssp4x21.gif (437x437)


da scorta di legno duro buona che misura 2 " x 5 " x 24 ".
 
Tagli un x del 3 " 5/8 " fessura, concentrata sull'orlo del 2 ", nel corto
fine del manico. Questa fessura conterrà la verga di pistone. Cero
e liscia la fine lunga del manico per permettere mano facile
azione.
 
Si eserciti un buco del 1/4 " attraverso la fine introdotta, approssimativamente 1/2 " in da
i top  ed orli di fronte. Questo buco accomoderà Parte di perno
1a quale assicura la verga di pistone.
 
Si eserciti a  3/8 " buco ad un punto 5 " o 6 " dal buco del 1/4 ", e
renda paralleli a lui, verso equidistante da cima e fondo
orli. Posizioni attentamente questo buco per prevenire così tanto
come possibile il movimento orizzontale della verga di pompa.
 
Curva Divide 1c, i 1/4 " x 1 " x 8 " connessioni di acciaio, in un 20[degrees]
angolo al punto centrale.
 
Si eserciti 3/8 " buchi ad una fine delle connessioni. Questo è sostenere
la via di manico il lb di Parte di perno.
 
Saldi le connessioni al cilindro come mostrato nella vista scorciata
(veda Figura 5).

ssp5x22.gif (486x486)


 
Metodo alternato di costruire il manico, Divida 1c:
 
Divida 1c potrebbero essere costruiti anche introducendo ed esercitandosi un
12 " sezione lunga di 2 " x 4 " pezzo di legno per accomodare il
manico. Il pezzo di legno potrebbe essere preso a cinghiate poi sopra il cilindro
da due morsetti di legno ognuno di che sarebbero tagliati per andare bene
a metà strada circa il cilindro, evitando così la necessità di
attrezzatura che salda.
 
2. Riunione di cilindro, Figuri 5:
 
   che Il cilindro è fatto semplicemente
   da un pezzo di 3 " in diametro
   G.I. tubo. Faccia il
   scaturisce per il cilindro da
   che taglia due fessure nell'unthreaded
   finisce del tubo. Uno
La fessura di    dovrebbe essere tagliata 3 " lungo
   diritto in giù dall'unthreaded
   finisce; la fessura altra
   dovrebbe essere tagliato 2 " attraverso il
L'unthreaded di    finiscono ed ad un punto
   perpendicolare al fondo di
   la prima fessura. Curvi i due
   tabulazioni risultanti esterno e
   salda un piatto di metallo attraverso il
   tocca il fondo.
 
   per eliminare saldatura, il
   tocca il fondo del becco potrebbe essere
   lanciò ai lati.
 
   L'interno del cilindro
   deve essere sabbiato come lisci come
   possibile con carta di smeriglio o
   equivalente prevenire non necessario
   porta sul pistone
   riveste di pelle.
 
3. Riunione di verga di pistone, Figuri 6:

ssp6x22.gif (486x486)


 
   come il quale La riunione di verga di pistone è
   mostrato (3, 3a), ma alcuni supplementare
I punti di    sono valore menzionando:
   che un buco del 1/4 " dovrebbe essere
   si esercitò attraverso la verga di pistone
   1/2 " in giù dalla cima. Un altro
   buca 3/16 " diametro
   dovrebbe essere annoiato anche 2 " su
   dal threaded o fondo
   finisce della verga.
 
4. Riunione di pistone, Figura 7, 8, 9:

ssp7x230.gif (486x486)


 
Attentamente si eserciti i buchi in
legno duro blocco 3d. I 1/2 "
diametro che buco centrista deve essere
precisamente su centro e rende paralleli a
i lati del blocco. I 3/8 "
buchi di lato di diametro dovrebbero essere
equidistante dal buco centrista,
e dovrebbe essere anche parallelo a
i lati del blocco. La distanza
dal buco centrista al
centri dei buchi di lato devono
sia 1 " (Veda Figura 7 e 8).

ssp8x230.gif (486x486)


 
Come mostrato in Figura 9, l'abbassato

ssp9x23.gif (437x437)


porzione del blocco di pistone ha
un diametro lievemente più grande che
la porzione superiore. L'abbassato
porzione dovrebbe essere 1/4 " spesso
e 2-3/4 " in diametro. Il
porzione superiore dovrebbe essere 2-7/16 "
diametro (Veda Figura 9).
 
Divida 3e è una sezione di connessione di cuoio avvolta circa il pistone
blocco e tacked sopra la sezione superiore e più piccola. Chiodino il
rivesta di pelle lungo il suo orlo più basso per permettere la metà superiore per curvare
esterno. La connessione di cuoio dovrebbe essere controllata il peso con un martello tutti
lungo il suo orlo superiore prima che è tacked al blocco. Questo
costringa il cuoio in una forma di cono così sigillerà più
efficacemente contro il muro di cilindro. È probabile che sia utile, ma
non è necessario, cucire insieme la connessione alla giuntura.
 
Finalmente, gomma appropriata disco 3c sulla cima del pistone. Buca
metallo grande lavatore 3b più di 3c.
 
5. Riunione di Connector/reducer:
 
La riunione di connector/reducer consiste di un 3-1/2 " o 4 " (in
diametro) accoppiamento di tubo (4) quell'ha una flangia di tubo (4b)
saldato sopra una fine. La salita buca nella flangia di tubo è
saldato chiuso. Se una flangia di tubo è non disponibile, un sostituto può
sia fatto con un 1 " (in diametro) accoppiamento di tubo ed un acciaio
anello (3-1/4 " fuori di diametro, 1-1/4 " in diametro e 1/4 "
spesso). L'accoppiamento del 1 " è saldato poi semplicemente all'anello e
la riunione risultante saldò come prima al connettore. Prenda
desideri fare questi salda a tenuta d'acqua.
 
Il connettore serve anche come un'edilizia dalla quale può la pompa
sia montato.
 
Saldi quattro 1/4 " x 1 " x 1-1/2 " sbarre di metallo (4a) ad angoli destri a
l'un l'altro sulla fine molto più basso del connettore di tubo. Foro
3/8 " diametro buca in queste quattro sbarre di metallo. Nota che il
sbarre di metallo si dovrebbero arrotondare leggermente dove loro contattano il
accoppiamento di tubo (Veda Figura 12).

ssp12x25.gif (600x600)


 
6. Piede riunione di valvola,
   Figures 10, 11:

ssp10x24.gif (600x600)


 
   Il piede che riunione di valvola consiste
   di un cuoio ovale-sagomato
Disco di    (5), un disco di metallo di foglio
   (5a), un x del 1/4 " 1 " vite di macchina
   e noce (5b), e due 3/16 "
La macchina di    avvita con noci (5c).
 
   Shape il piede cuoio di valvola
   in un ovale come mostrato in Figura 12
   (diametro 2-1/2 " più grande;
   diametro 2 " più piccolo). Dia un pugno un
   1/4 " buco attraverso il cuoio
   ad un punto approssimativamente 5/8 " a 3/4 "
   in da una fine. Lanci il foglio
   massiccia disco all'ovale di cuoio
   attraverso questo buco come mostrato in
   il diagramma. La freccia e foglio
   massiccia rinforzo di disco il
   riveste di pelle come chiude sul
Insenatura di suzione di   .
Tagli due 3/16 " buchi attraverso il
rivesta di pelle separatamente approssimativamente 1 " e 1/2 "
in dal punto più vicino di
contatti col lato del
cuoio.
 
Si eserciti due corrispondendo 3/16 "
buchi nella riunione di riduttore
(4b) come mostrato in Figura 12.
Marchi attentamente questi buchi come
loro determinano l'ubicazione
e l'efficacia del piede
cuoio di valvola ad un considerevole
estensione.
 
Tagli un disdegni incavo, 1/32 " profondo
attraverso il cuoio (5) così che
curverà lungo un specificò
linea. Tagli come vicino l'incavo
come possibile ai 3/16 " noci
quel monte il disco di cuoio.
 
Inserisca le 3/16 " viti di macchina
attraverso il fondo del riduttore
riunione. Poi metta il
piede cuoio di valvola, poi il
due 3/16 " noci. Applichi alcuni impeciano
o impecia ai buchi nel
riduttore di fronte ad e dopo il
inserzione della macchina del 3/16 "
viti per prevenire aria o
crepe di acqua.
 
L'efficacia del piede
valvola sarà determinata dal
sigilli fa con la suzione
insenatura. Sia molto accurato per fare
l'insenatura di suzione come appartamento e
lisci prima come possibile
montando il piede cuoio di valvola.
È molto importante a
localizzi il piede valvola così che
non entra in contatto
col pistone come questa volontà
faccia operazione molto difficile. <veda figura 13>

ssp13x25.gif (600x600)


 
7. Tubo di suzione e riunione di filtro di insenatura:
 
Tagli 1 " tubo di diametro al
lunghezza richiesta. Nota che il
ascensore totale di acqua non deve
sia più di 20 piedi.
 
Faccia che l'insenatura filtri tagliando
approssimativamente 75 introducono 1 "
brami alla fine più basso del
tubo di suzione. L'ampiezza del
fessure uguaglieranno l'ampiezza di
la lama di hacksaw. Avvii taglio
fessure 2 piedi dal
fondo del tubo. Spazio
fessure su un 2 piedi la lunghezza.
Questo darà un 2 piedi la sabbia
trappola. Faccia desideri barcollare il
fessure ed evita anche tagliare
profondamente come questo indebolisca il
tubo di suzione.
 
Controlli il peso la fine più basso del
appartamento di tubo per costringere l'acqua
essere disegnato in attraverso il
fessure. O infilò il tubo e
installi un berretto di fine. <veda figura 14>

ssp14x26.gif (486x486)


 
OPERAZIONE E MANUTENZIONE
 
La pompa deve essere primed a
cominci a lavorare. Versi acqua in
il cilindro mentre pompando il
maneggi per alcuni colpi. Questo
sviluppa un'area di pressione bassa sotto il pistone e sopra del
piede la valvola. L'area di pressione bassa disegna acqua in attraverso il
piede valvola come il pistone si muove diretta verso l'alto. Alla cima del colpo
del pistone, il piede valvola chiuderà e preverrà l'acqua
dallo scappare di nuovo in giù nel tubo di suzione.
 
Come il pistone si muove discendente, l'acqua è costretta attraverso il
buchi nel pistone, oltre il disco di gomma e nell'area
sopra del pistone. Dalla durata il pistone è al fondo di
il colpo, la maggior parte dell'acqua dovrebbe essere sul pistone. Come
il pistone è alzato di nuovo, l'acqua si versa fuori del becco.
Alla durata stessa, più acqua entra attraverso il piede valvola.
 
Piuttosto spesso quando questo tipo di pompa è installato in prima un
tubo annoiato bene, diviene necessario per disegnare molto eccellente limaccioso
e particelle di creta attraverso il filtro di fronte alla volontà di acqua
entri prontamente il tubo di suzione. Questo processo è noto come
" sviluppando il bene " e può prendere da due ore a molto
giorni di uso continuo della pompa di fronte all'acqua divengono
in modo chiaro. Se la pompa è meccanicamente suono, Lei noterà quello
la pompa diviene anche più facile operare come l'acqua diviene
più in modo chiaro.
 
Il pistone e piede che cuoi di valvola avranno bisogno di essere sostituiti
periodicamente. La vita esatta del cuoio di pistone e piede la valvola
dipenda dalla qualità di cuoio. Pompe fecero con fabbrica
attrezzi di macchina e materiali dureranno 7 o 8 mesi sotto spesso
uso continuato di fronte ai cuoi deve essere sostituito.
 
Se, dopo il bene è sviluppato, i.e., l'acqua è chiara e
fluendo liberamente, la pompa continua ad essere facile operare ma
strattoni acqua piccola, una crepa di aria ha potuto sviluppare. Aria perde
accadere in uno di quattro luoghi:   1) dove è il cilindro
avvitato nell'unità di riduttore di connettore; 2) dove la suzione
tubo è avvitato nell'unità di riduttore di connettore; 3) dove il
verga di pistone soddisfa il disco di gomma o, 4) dove il pistone
cuoio soddisfa il cilindro.
 
Se le crepe accadono nelle parti di threaded, metta tubo composto o
equivalente sui fili prima di avvitare insieme le parti.
 
Se accadono le crepe dove il disco di gomma contatta il pistone
verga, sostituisce il disco di gomma, mentre facendo leggermente il buco interno
più piccolo che 1/2 " in diametro.
 
Se accadono le crepe dove il cuoio di pistone soddisfa il cilindro,
sostituisca il cuoio di pistone o lo strofini con un cuoio buono
petrolio o equivalente.
 
Grasso parti commoventi ad intervalli frequenti.
 
                                SPANGLER POMPE
 
Pompe commerciali sono state fatte tradizionalmente di ferro di getto
a causa della sua forza e la durabilità. Ed i cilindri hanno
spesso stato fiancheggiato con ottone per assicurare la levigatezza e prevenire
porti sui cuoi di pompa. Comunque, sfortunatamente uso di questi
metalli hanno fabbricato uno le pompe troppo costoso ad acquisto spesso
o troppo complicato fabbricare. <veda immagine>

sspx29.gif (600x600)


 
Durante i primi 1970s, VITA C.D Spontaneo. Spangler, un sanitario
pianifichi, cominciò a sperimentare con pompe fece di polyvinyl
tubo di cloruro. Il tubo di PVC è leggero, durevole, facile per lavorare
con, e relativamente poco costoso. Può essere fatto in pompe
quello è lontano più facile costruire, installi, mantenga, e ripari
che pompe di ferro di getto. Ora è disponibile in paesi più in
taglie appropriato per costruzione di anche profondo bene le pompe. E
pompe fatte del tubo di PVC possono essere sigillate e possono essere usate in fonti sigillate
quindi a loro sono andati bene bene ad approvvigionamenti di acqua potabili. VITA
i disegni originali di Spangler pubblicato in 1975 in Handpumps per
Fonti di villaggio. Loro hanno trovato l'accettazione larga, specialmente in
l'Asia meridionale. L'Università di Chulalongkorn a Bangkok esaminò il
pompe estensivamente e suggerì miglioramenti al pistone
riunione in un progetto di salute ambientale sostenuto dal
Organizzazione della Salute del mondo e lo Sviluppo di Nazioni Unito
Programme. Dalla fine di 1981, quasi 10,000 delle pompe erano,
in uso in Thailandia da solo.
 
Le pompe di PVC sono specialmente appropriate per approvvigionamenti di acqua di comunità
e come la base per prodotto a scala ridotta. Le parti sono
relativamente semplice e può essere fabbricato da negozi piccoli o fabbriche
in un disegno determinato. Paesi la maggior parte di ora hanno piante a
estruda PVC suona il piffero, anche dove la materia prima è importata.
 
Questa sezione di Sei Pompe Semplici differisce piuttosto dal
capitoli altri in quello davvero copre due pompe separate,
uno per fonti poco profonde ed uno per fonti profonde. Ambo sono fatti di
Comunque, PVC suona il piffero e così ha tecniche di costruzione molto simili.
Taglie di tubo e stili di pistone variano col tipo e
profondità dell'essere usato bene. Metodi di base per lavorare con
PVC suona il piffero è incluso, come è tecniche per fare una varietà
di valvole e pistoni. Disegni di costruzione per ognuno del
pompe provvedono orientamenti alle taglie e quantità di materiali
richiesto.
 
Ambo delle pompe sono del tipo di pistone. Il poco profondo bene
pompi, per una tavola di acqua 5-20 piedi sotto della superficie del
incagli, licenzierà 5-15 galloni per minuto. Per il profondo
bene pompi, scarico di pompa dipende dal diametro del pistone,
la lunghezza del colpo, ed il numero di colpi per
minuto. Se il livello di acqua è meno che 30 piedi sotto la superficie
della terra, il cilindro potrebbe essere su a 4 pollici in
diametro. Se il livello di acqua è più lontano dalla superficie, il
colonna più lunga di acqua che deve essere alzata diviene più pesante e
un sforzo più grande è costretto ad azionare la pompa. Il più grande
la distanza al livello di acqua, il più piccolo il diametro di
il pistone dovrebbe essere, così non è troppo difficile pompare.
 
La bancarella di pompa tradizionale è fatta di ferro di getto. Sostiene
il manico e contiene il becco di scarico. Suzione diretta
pompe, o si abbassa bene pompe, abbia il pistone e valvola più bassa
nella bancarella di pompa che è anche il cilindro. Tradizionale profondo
bene pompe hanno il cilindro con pistone e valvole sotto il
livello di acqua più basso nel bene e sospeso dalla base di
la bancarella di pompa dal tubo di scarico.
 
Nei disegni presentò qui, il manico è sostenuto su un
posto separato seguente al bene e bancarella di pompa. La bancarella di pompa
senza il manico solamente un passaggio provvede per la verga, un
irrighi per l'acqua, ed un becco di scarico. In fonti poco profonde
è anche il cilindro e l'appoggio per il tubo di suzione.
Siccome la bancarella di pompa non sopporta il carico e stress causò
dal manico, non ha bisogno di essere così forte, e perciò non fa
debba essere di ferro di getto.
 
Se i PVC pompano protezione di necessità di bancarella, un tubo concreto, mattone
banchina, o posto di legno può essere messo circa lui, col becco
estendendo oltre la protezione. Tale pompa userà un minimo
di materiali costosi e può essere riparato facilmente.
 
Il posto che sostiene il manico può essere fatto di calcestruzzo, mattoni
prenda a sassate, o legno, dipendendo dalla disponibilità locale e costo. Il
distanzi dal posto alla pompa può variare così come provvedere
il sistema di leve migliore. Il più vicino il perno di manico è il bene,
il più facile sarà pompare. La lunghezza del colpo sarà
comunque, più piccolo e così vuole lo scarico.
 
Il manico può essere fatto di legno che può essere sostituito localmente
quando usato o rotto. Il manico dovrebbe avere anche una fermata sul
sostenga posto così non colpirà la cima della bancarella di pompa.
 
Il sigillo tra il pistone ed il muro di cilindro di solito è
purché da un cuoio o ricopre di gomma disco con un girare-su l'orlo,
chiamato un " secchio ". Controllo di qualità è importante se cuoio buono
o ricopre di gomma secchi sarà ottenuto. Questi non sono costosi
e se uni buoni non possono essere ottenuti localmente, loro possono essere
importato da molti paesi nel mondo in sviluppo--l'India,
Il Pakistan, Corea, Thailandia ed altri.
 
La pompa è semplice, affidabile e bassa in costo. L'oggetto di un
progetto di pompa dovrebbe essere sviluppare una pompa che può essere prodotto
in quantità da tecnologia locale per soddisfare le necessità della maggior parte di
la popolazione rurale nell'area. Una pompa simile a quello mostrato
in Figura 2 è stato sviluppato in Thailandia ad un costo di circa

ssp2x32.gif (600x600)


US$30. Consegna approssimativamente 5-15 galloni Stati Uniti per minuto dipendendo
su profondità per annaffiare. È usato per irrigazione così come
per scopi nazionali.
 
SI ABBASSI BENE POMPA
 
Questa pompa di tipo di suzione è usata con fonti poco profonde di solito ma
può essere usato anche con profondo controllato, può essere emesso a getti, o può essere esercitatsi fonti
dove è abbastanza per tenere l'acqua la pressione nell'aquifer
livelli all'interno di 20 piedi della superficie macinata sempre. Il
bancarella di pompa è una lunghezza di 3 " PVC suoni il piffero come che anche serve il
pompi cilindro. Il bene telaio stesso può essere il tubo di suzione
in controllato o piccolo-diametro emise a getti o si esercitò fonti. In scavò
fonti, il tubo di suzione del 1-1/2 " è sospeso dai 3 " PVC
bancarella di pompa che in ambo i casi deve essere insorto fermamente il
piattaforma.
 
La cima della bancarella di pompa dovrebbe essere molti pollici sopra del
becco e ha un berretto rimovibile con una fessura per permettere per il
piccolo indietro ed avanti movimento della verga. Rimuovere il pistone
e sostituisce il secchio di cuoio è solamente necessario per disconnettere
la verga dal manico, rimuova il berretto ed estragga
il pistone. Se la valvola più bassa è una valvola di tipo di poppet può
abbia un cappio piccolo alla cima e può essere pescato fuori usando un filo
con un gancio alla fine.
 
Profondo Bene Pompa In CASED Well <veda figura 3>

ssp3x33.gif (600x600)


 
Il telaio di PVC o può essere usato in emise a getti o si esercitò fonti. In
fonti emesse a getti il buco è pieno di acqua ed il telaio di PVC
sia messo nel buco con possibilità piccola che là la volontà
sia caving di fronte al telaio è a posto. Lo stesso è vero di
fonti si esercitate dal processo rotante. Con percussione si esercitata
fonti la procedura migliore è guidare un telaio di metallo e poi
inserisca un telaio di PVC e protegga dopo l'aquifer è stato
penetrato. Il telaio di metallo è rimosso poi per essere usato di nuovo.
In fonti con telai di PVC, il telaio di PVC può agire anche come il
cilindro.
 
Se il livello di acqua è meno che 50 piedi sotto la superficie, il
appoggio di manico dovrebbe essere messo per abilitare il pumper per alzare
la colonna di acqua in un telaio di PVC del 3 " senza troppo
esercizio. Se il livello di acqua è più profondo di 50 piedi, un 2-1/2 "
di 2 " il telaio di PVC dovrebbe essere usato.
 
La valvola più bassa può essere il disegno di base e stesso come il pistone
munisca di valvole, a meno che ha un diametro lievemente più grande. Esso poi
adattamenti molto ermeticamente in luogo e non ha bisogno di una valvola separata
posto. Ma può essere rimosso per ripara se necessario. Un altro
metodo è riparare un posto di valvola permanente nel telaio ad un
congiunga sotto il viaggio il più lontano del pistone. Il posto di valvola
può essere fatto di ottone, vetro, o PVC piatto cementati in luogo.
In questo caso una falda o poppet dattilografano di valvola dovrebbe avere un occhio
lanci col cappio alla cima così la valvola può essere pescata fuori
con un gancio per ripara come necessario.
 
La lunghezza della verga è scelta di mettere il pistone sotto il
livello di acqua più basso nel bene. Il pistone può essere standard,
con uno o due cuoi. La cima del bene ed il manico
appoggio è lo stesso come nel tipo di suzione si abbassi bene pompa.
È facile rimuovere la verga e pistone per ripara.
 
MATERIALI ED ATTREZZI
 
MATERIALI:
 
PVC che suona il piffero come indicato
Cemento
Tubo composto
 
A. Pump il Corpo e Bene il Tubo
Profondo Bene
 
   1. Bene il telaio il tubo di PVC tassò a 120 lb/[in.sup.2] (numero, diametro
      e lunghezza varieranno dipendendo bene da profondità di
      annoiò)
   2. Gli accoppiamenti di Threaded o unioni di cemento per congiungere il bene
      telaio tubo sezioni
   3. Schermo di insenatura di PVC, commerciale o localmente fabbricato.
La Lunghezza di       dipende da profondità e percentuale di flusso dell'aquifer
      (consulti con trapanatore)
   4. PVC finisce berretto (corpo di schermo di insenatura)
   5. 1.5 " a 2 " becco di sbocco di PVC
 
Si abbassi Bene
 
   Same come su a meno che Numera 3 e 4 non sono generalmente
   richiese, se per scavò bene.
 
B. Flap-Type Riunione di Pistone
 
   1. Corpo di valvola--il legno duro
   2. Threaded ricopre d'acciaio verga di riunione (galvanizzò sarebbe buono,
      ma non è essenziale)
   3. Noce di ottone
   4. Lavatori di ottone
   5. Ricopra di gomma disco (falda di valvola)
   6. Cuoio di pistone (si spogli approx. 1 " x 7 ", tagli andare bene)
   7. Galvanizzato andando bene per connettere pompare verga (la specificazione
      dipende da tipo di verga di pompa usato)
 
C. Recoverable Falda-dattilografano Piede Valvola
 
   Same come B sopra di eccetto una verga di ottone di threaded è sostituito
   per Numero 1.
 
   Also, una freccia di occhio galvanizzata può essere usata invece di threaded
   riveste d'ottone verga in delle situazioni.
 
D. Pump il Rod
Galvanizzato
 
   1. Verga di acciaio galvanizzata, seziona 3/8 " a 1/2 " con threaded
      finisce. (Numero e lunghezza dipendono bene da profondità di)
   2. Unioni di threaded di acciaio galvanizzate, come richiesto
   3. Serratura galvanizzata raccoglie noci, come richiesto
   4. Cima ed i collegamenti più basso a pistone e manico di pompa
      (specificazioni dipenderanno da eletto di disegno)
 
PVC
 
   1. 1 " tubo di PVC. 120 lb/[in.sup.2] tassando in lunghezza sufficiente
   2. Bambù o appoggio di legno duro e blocchi di guida (abbastanza a
      mette quattro ogni 6 a 7 piedi)
   3. Ottone matto e frecce per legare blocchi di guida
   4. Cima ed accoppiamenti di threaded più basso per connettere a pistone
      e collega pompare manico
   5. Accoppiamento di collegamento-verga di acciaio
   6. Stesso che fornisce viti per legare blocco di pilota
 
ATTREZZI:
 
Hacksaw
Archivio
Martello
Carta di smeriglio, carta smerigliata
Cacciavite
Pinza
Strappi
Forbici capace di tagliare cuoio e gomma
Morsetti
 
COSTRUZIONE
 
LAVORANDO CON TUBO DI PVC
 
Tagliando
 
Faccia ad angolo retto tagli con asse lungo del tubo, mentre usando una scatola di mitre
o giga provvisoria al luogo di lavoro. Usi una sega che legno-lavora o un
hacksaw con una lama di comune-dente. Rimuova tutti gli aloni nebulosi su taglio
orli con un raschino e carta smerigliata.
 
Threaded Joints
 
Threaded dell'uso congiunge dovunque sezioni di tubo devono essere smontate
per ripari e manutenzione. Muro spesso (orario 80) il tubo
sezioni possono essere esternamente threaded (filo maschio) con un tubo
tagliatore di filo e congiunse con un threaded unione femmina. Cura
dovrebbe essere preso quando congiungendo due sezioni di telaio con un
unione per essere sicuro che le due fini sono fatte combaciare insieme piatte
senza spazio tra loro.
 
Quando congiungendo parete sottile e tubo di diametro piccolo, usi una combinazione
cemento ed accoppiamento di threaded. Se il telaio è fatto di
campana e spigot suonano il piffero, la fine di campana non dovrebbe funzionare sempre. Passeggiata
la fine diritta il più lontano possibile nella campana. Questa volontà
lo faccia più facile rimuovere il pistone o valvola più bassa.
 
Dove devono essere giunture di threaded annaffi strettamente, usi una non-indurimento,
giuntura non-solvibile, non-tossica composto.
 
Nota: Se diametro piccolo il tubo di PVC è usato <veda figura 4> come la verga di pompa in

ssp4x36.gif (600x600)


congiunzione col Recuperabile Falda-dattilografi Piede Valvola, serratura di uso
noci a ciascuno unito impedire alle sezioni di svitare
durante installazione o ricupero del piede la valvola.
 
Giunture cementate
 
Giunture cementate generalmente sono
più conveniente di giunture di threaded
e è usato dove la giuntura
si è aspettato essere permanente.
Uso unioni femmina per congiungere
sezioni di tubo. Finisca berretti,
Apparecchiature di T ", riducendo unioni
ed apparecchiature altri possono anche
sia cementato direttamente chiaramente a
tubo.
 
Le superfici per essere congiunto
debba essere libero di petrolio, annaffi,
ed immondizia. Pulisca le superfici
con carta smerigliata di multa o solvibile
addetto alle pulizie.
 
Esamini ogni adattamento e giuntura
prima di cementando.
 
Applichi una luce, anche il rivestimento
del cemento solvibile raccomandato
dal fabbricante di tubo.
Il cemento asciuga
rapidamente, così congiunga le parti
immediatamente. Dia ogni giuntura
una svolta di uno-trimestre come è
essendo assemblato (non dopo)
per distribuire il
cementi uniformemente. Permetta il
congiunga guarire per 5 minuti
di fronte ad installazione o domanda
di stress meccanico.
 
POMPI VERGA E PISTONE
 
Rod di metallo
 
Verghe di metallo sono commercialmente generalmente disponibili. O, loro possono
sia fatto da 1/4 " a 3/8 " verga di acciaio galvanizzata e galvanizzò
apparecchiature di tubo di acciaio. La verga fa un collegamento movibile al
cima del pistone e col manico di pompa che usa una barzelletta e spilla
sistemazione ad ambo i luoghi.
 
La barzelletta ed unisce il collegamento tra la verga ed il manico vuole
si muova attraverso un arco piccolo e provochi un movimento di lato piccolo
nella fine superiore della verga di pompa. Questo crea un disdegni cullando
faccia segno a nel pistone come si muove su ed in giù, e cause disuguale
porti sul pistone riveste di pelle o ricopre di gomma secchi. Superare
questo, i ricercatori tailandesi aggiunsero un'altra barzelletta ed uniscono il collegamento
alla verga di pistone. Il secondo collegamento molto estende
la vita dei cuoi, ma le spille in ambo i collegamenti devono
sia parallelo all'un l'altro o il secondo collegamento non sia
effettivo (Veda Figura 5 e 8)

ssp5x370.gif (600x600)


 
PVC Pipe
 
La verga di pompa può essere fatta anche di 1 " tubo di PVC. Questo ha il
vantaggio di essere più conveniente, accendino e non-corrodendo. Uso
muro spesso, PVC pressione-tassato. Siccome il tubo di PVC è flessibile,
leghi guide di legno al tubo per prevenire il tubo da
affibbiando sull'in giù colpo (Veda Figura 6). Le guide vogliono

ssp6x38.gif (600x600)


aiuti prevenga il lato per parteggiare movimento alla verga causò dal
azione che pompa. Connetta la cima della verga di pompa di PVC alla pompa
maneggi con un collegamento duplice-articolato, come descritto sopra (Veda
Figuri 5).

ssp5x37.gif (600x600)


 
Pistone
 
Valvole di pistone già fatto di solito sono prontamente disponibili e poco costoso.
Comunque, se desiderò, una valvola di pistone può essere mano
fabbricato secondo le istruzioni su pp. 22-24 di
Capitolo 2, Pompa di Brocca.
 
I ricercatori tailandesi fondarono che una valvola di pistone duplice (Figura 8)

ssp8x39.gif (600x600)


fatto la pompa più efficiente e prevenne uso indebito sul
cuoi. Tipi altri di valvole sono mostrati in Figure 6 e 7.

ssp6x38.gif (600x600)


 
PIEDE RIUNIONE DI VALVOLA
 
Ci sono molti disegni buoni e vuole dire di fabbricare piede
valvole per la pompa di pistone. Una delle scelte migliori è acquistare
una qualità alta valvola già fatto e l'incorpora in
la riunione della pompa. Se possibile, scelga un piede valvola che
permette sostituzione facile delle parti che portano della valvola. Uno
dattilografi di recuperabile falda-dattilografi piede valvola che può essere localmente
fabbricato è mostrato in Figura 10.

ssp10x41.gif (600x600)


 
Scelte altre per il piede valvola è una valvola di palla in un posto
(sebbene questo può provocare uso eccessivo), un cuoio o gomma
valvola di falda, o una valvola di poppet (veda Figura 9). Se l'abbassato

ssp9x40.gif (600x600)


posto di valvola è un anello permanente di PVC o materiale altro, può
sia cementato nel telaio ad una giuntura come il telaio è
assemblato.
 
Un altro metodo è usato da Giro. Giorgio Cotter del
Missione di Buhangija in Shinyanga, il Tanzania. Questo è crespare o
sprema in luogo che i PVC accerchiano che si comporta come un posto per l'acciaio
palla che fa il piede munisce di valvole. Una volta la lunghezza del tubo di PVC ha
stato determinato, immerga la fine più bassa in petrolio caldo fino a che molle,
inserisca l'anello un pollice o due sul tubo, ed uso comune
morsetti di calze di radiatore automobilistici per spremere il tubo sopra di e sotto
la posizione di anello. I morsetti di calze possono essere usati di nuovo e di nuovo
come suonano il piffero i PVC non ritornerà una volta alla sua forma originale esso
è rinfrescato. Il modo più facile di occuparsi del petrolio caldo è semplicemente
abbia che una vernice possa (o contenitore di metallo altro) di petrolio di motore usato.
Questo può essere riscaldato di nuovo e di nuovo. Cotter suggerisce anche quello
la fine di una sezione del tubo di PVC può essere ammorbidita e può essere arsa a
vada bene su un tubo di metallo o un'altra sezione del tubo di PVC da questo
metodo stesso.
 
RECUPERABILE FALDA-DATTILOGRAFI PIEDE VALVOLA
 
Costruzione di questa valvola essenzialmente è la stessa come la costruzione
della riunione di pistone, con cambi minori.
 
   1. Il corpo di valvola e sigillo di cuoio devono andare bene molto ermeticamente in
      il bene il telaio. Taglia varierà secondo il tipo di
      il tubo di PVC usò e così non può essere specificato in anticipo. Il
La valvola di       è incuneata ermeticamente in luogo nel bene il telaio a
      gli impedisce dallo spostare durante uso. Comunque, può essere
      rimosse per manutenzione.
 
   2. Mentre la riunione di pistone è contenuta insieme con un galvanizzò
      ricopre d'acciaio freccia, il piede valvola è assemblata con un
      riveste d'ottone freccia con fili esposto. L'ottone infila la volontà
      non corrode significativamente e permetterà un threaded
Il collegamento di       per essere fattlo ogni qualvolta è necessario per riparare
      o sostituisce il piede valvola (Veda Figura 10).
 
   3. Alternativamente, assicuri il piede valvola con una freccia di occhio come
      mostrato in Figura 11. La valvola può essere rimossa poi da

ssp11x41.gif (600x600)


      vuole dire di un gancio lungo.
 
PVC INSENATURA SCHERMO COSTRUZIONE (PROFONDO BENE)
 
Lo schermo di insenatura siede sotto la pompa nel bene. Previene
sabbi dall'entrare la pompa. PVC è un materiale superiore per
costruzione dello schermo perché non corrode e fa
non tenda ad essere incrostato con depositi minerali.
 
Schermo di insenatura può essere acquistato o può essere fabbricato, e l'Internazionale
Laboratorio delle Risorse dell'Acqua rurale all'Università di
Maryland ha sviluppato un metodo di fabbricazione che è prontamente
adattabile ad installazioni manifatturieri e locali, su piccola scala (Veda
Risorse sezionano). Fare lo schermo da mano è tedioso, ma
essere la scelta unica. Se lo schermo è fatto da mano, il
specificazioni seguenti devono essere usate:
 
2 " muro pesante PVC, 3 a 9 piedi lungo (dipendendo da profondità e
percentuale di flusso di acqua).
 
Tagli eccellente introduce uno si muove separatamente come mostrato in Figura 12. Non faccia

ssp12x42.gif (600x600)


tagli più di un terzo del modo attraverso il tubo. Inizio
tagli 24 " dalla fine più basso del tubo. Questo provvede per
una trappola di sabbia del 24 ".
 
Fessure dovrebbero avvicendare e non dovrebbero essere direttamente uno opposto
un altro. Tagli almeno 75 fessure. Dopo lo schermo e bene
telaio è a posto, backfill circa loro con ghiaia eccellente
o sabbia comune che ha una taglia di particella lievemente più grande che
le fessure.
 
BANCARELLA DI POMPA E BECCO DI SBOCCO
 
In ambo i disegni presentò qui, la bancarella di pompa è una dilazione
del cilindro di pompa e bene il tubo. Un becco di PVC deve essere
legato bene a questo PVC tubo. Un pezzo di 1.5 " a 2 " tubo di PVC
sia tagliato alla lunghezza desiderata. Una fine è saldata " poi " il
3 " bene il tubo: la fine del becco col quale connette il bene
tubo-essere-taglio e sabbiò finché va bene la curvatura esatta del
bene il tubo. Una sezione di ricambio di bene il tubo o tubo di ferro col
stesso fuori di diametro può essere usato come una forma che sabbia per questo
scopo.
 
Tagli un buco la taglia stessa come il diametro interno del becco
nel bene il tubo. Ripari il becco in luogo come descritto sotto
Giunture " " cementate. Sostenga il becco fino a che i set di cemento
(approssimativamente 5 minuti).
 
Assicurare la vita più lunga, può essere desiderabile per fare un protettivo
allegato per la bancarella di pompa. Un di legno, costruisca, o scatola di pietra ","
o versò calcestruzzo è tutte le scelte che sono state provate con successo.
Scelta dipenderà da costo e la disponibilità di
materiali.
 
Disegno del Manico della pompa <veda figura 13>

ssp13x43.gif (600x600)


 
A. Smooth verga di metallo o sezione di G.I. tubo che funziona come nascendo.
   5/8 " in diametro.
 
B. Cotter unisce tenere nascendo in luogo.
 
C. Pin attraverso nascendo e sostiene nascendo così non ruoterà.
   La rotazione angolare avrà luogo nel manico di legno,
   che è facile sostituire quando porta.
 
D. La distanza lungo il manico tra i buchi che porta
   dovrebbe essere messo così la mezzo-punto dell'arco attraverso che il
   finisce dei viaggi di manico è sul centro del bene
Telaio di   . Questo è importante per minimizzare il disdegni cullando
   fa segno a del pistone (Veda Figura 14).

ssp14x44.gif (600x600)


 
E. I buchi che porta nel manico dovrebbero dare un liscio, strettamente
   va bene sui portante. I buchi dovrebbero essere messi a bagno con usato
   va in automobile petrolio di fronte ad installazione, e dopo che installazione deve
   sia lubrificato con alcune gocce di petrolio spesso.
 
RIUNIONE ED INSTALLAZIONE DI PROFONDO BENE LA POMPA
 
In delle situazioni può essere necessario assemblare ed installare
la pompa e bene suona il piffero il più rapidamente possibile in ordine a
riduca il rischio di crollo del bene il foro. In questi
situazioni, è consigliabile per usare bene threaded giunture di tubo come
questi possono essere messi in uso senza la dilazione coinvolta in servizio
per giunture cementate per guarire.
 
In tutte le situazioni è consigliabile pre-assemblare o " esaminare l'adattamento "
tutti i componenti di PVC e parti di pompa per assicurare che tutto
vada agevolmente durante l'installazione attuale. È anche
consigliabile pre-esaminare la pompa, specialmente se il pistone e
piede valvola è stata mano fabbricata. Se un recuperabile
falda-dattilografi piede valvola con un corpo di valvola di legno duro è usato,
installi la valvola nel cilindro di pompa e metta a bagno la riunione in
un secchio di acqua per molti giorni per esaminare per l'adattamento e
removability.
 
Assemblare ed installare la pompa e bene il tubo:
 
   1. Assembli lo schermo di insenatura.
 
   2. Posizioni il piede posto di valvola, se richiesto, tra il
Schermo di insenatura di       e la parte del bene tubo usò come il
      Pump il cilindro.
 
   3. Cementi l'accoppiamento di schermo di insenatura al cilindro di pompa
      seziona.
 
   4. Allacci una linea di sicurezza alla cima della sezione di cilindro di pompa
      ed abbassa lo schermo di insenatura combinato e cilindro di pompa
      seziona nel bene foro fino a che solamente una sezione corta
      rimane sopra di terra.
 
   5. Allacci una linea di sicurezza alla cima della sezione prossima di
      bene il tubo e lo congiunge alla cima del cilindro di pompa.
      Se una giuntura cementata è usata, aspetti prima 5 minuti
      procedendo.
 
   6. Sleghi la linea di sicurezza dal cilindro di pompa ed attentamente
      abbassa le sezioni combinato nel bene il foro.
 
   7. Aggiunga bene supplementare sezioni di tubo come in passi 4-6 fino a che
      lo schermo di insenatura sta rimanendo sul fondo del bene
      annoiò ed una sezione di bene tubo 3 piedi alto rimane sopra
      la superficie di cima del bene la piattaforma.
 
   8. Backfill il foro con ghiaia abbastanza eccellente, pulita o
      sabbia comune per coprire la sezione di schermo di insenatura ed il
      pompa sezione. Il resto del bene foro dovrebbe essere
Backfilled di       con creta asciutta, se conveniente e disponibile. Il
La creta di       formerà un intonacare-sigillo per prevenire acqua di superficie da
      che corre in giù il lato del bene suoni il piffero e contaminando
      il bene. Se creta è suolo troppo costoso, eccellente dovrebbe essere
      usò ed un cemento-intonachi usato riempire gli ultimi 10 piedi di
      il bene il foro.
 
   9. Versi il calcestruzzo per il bene la piattaforma (se non già
      fatto) e mise la bancarella di manico di pompa in luogo con calcestruzzo,
      massiccia, o morsetti di legno. Sia sicuro per permettere concreto
      per propriamente guarire.
 
  10. Versi il calcestruzzo per la coperta di bancarella di pompa se questa scelta
      è selezionato, o installa una scatola di legno e protettiva circa
      la bancarella di pompa.
 
  11. Installi il becco.
 
  12. Abbassi il piede recuperabile valvola se questa scelta è
      selezionò. Usando la freccia di threaded-ottone e metodo di noce di
Piede di       che ricupero di valvola è raccomandato per fonti più di 30 piedi
      profondo. Per fonti di shallower, un anello di gancio può essere usato invece,
      di un collegamento di threaded ed il piede che valvola ha spinto
      in luogo con un paio di sezioni di 2 " tubo di PVC.
 
  13. Abbassi la riunione di pistone.
 
  14. Copra la bancarella di pompa con un berretto rimovibile di PVC, luce
Metallo di foglio di      , o legno. Tagli solo una fessura nel berretto grande
      abbastanza per permettere il movimento della verga di pompa. Se desiderò,
      la pompa può essere sigillata più da vicino dalla somma di un
      imbottitura " flessibile ": tagli gomma di tubo interna o simile
Materiale di       ad un disco che è lievemente più grande dell'interno
Diametro di       della bancarella di pompa. Tagli un buco nel centro
      del disco che è solo grande abbastanza per permettere il passaggio
      della verga di pompa. Assemblare, scivoli il disco di gomma
      sull'ultima lunghezza di verga di pompa e lo va bene nella cima
      della bancarella di pompa. Metta il berretto in luogo con la pompa
Verga di       che colpisce fuori attraverso la fessura.
 
  15. Installi il manico di pompa e connetta la verga di pompa al
      maneggia.
 
  16. Pompi il bene finché l'acqua è chiara.
 
  17. Disinfetti il bene.
 
RIUNIONE ED INSTALLAZIONE DI IL POCO PROFONDO BENE LA POMPA
 
La procedura di installazione per il poco profondo bene pompa dipende su
il tipo di bene il foro che esiste. Se il bene foro non è molto
più grande che il bene il tubo (un si esercitò o emise a getti bene), installazione
è simile al profondo-bene procedura di installazione. Se
il bene foro è grande (un scavò bene) poi riunione ed installazione
è diverso.
 
Se gli scavarono siamo bene strutturalmente suono e se la profondità di acqua
nel bene è adeguato, la pompa e tubo di suzione sono assemblati
e sospeso nel bene dalla coperta di platform/well. Un
filtro di insenatura non è richiesto generalmente.
 
Una comunità grande può essere coperta bene e due o tre o più
pompe installarono, mentre dipendendo dalla richiesta sul bene.
 
OPERAZIONE E MANUTENZIONE
 
Questa pompa non richiede priming. Acqua dovrebbe fluire facilmente
quando il manico è pompato. Una volta o due volte per controllo di settimana essere
sicuro che l'azione di pompa è liscia. Sia sicuro il manico non è
sciolto. Metta alcune gocce di petrolio sulle spille di manico. C'è
solamente alcune cose che possono impedire alla pompa di lavorare bene:
 
    * cuoi di pistone usati
    * valvole di falda usate o rotte
    * rotto o male manico usato
 
Controlli questi regolarmente e sostituisca se necessario.
 
Se la pompa non sta funzionando propriamente, non aspetti fino a che lui
errori, ma scopre quello che è sbagliato e lo ripara prontamente. Questo
tenga tempo d'interruzione ad un minimo.
 
Il disegno della pompa è così semplice che abitanti di un villaggio in Thailandia
chi non hanno attrezzatura speciale o attrezzi non ha avuto difficoltà
facendo ripara e sostituendo parti usate. Dopo periodi diversi
di uso, un esame trovò pressocché tutte le pompe in operazione, con
tempo d'interruzione per ripara meno che 5%.
 
                                INERZIA POMPA
 
Con solamente tre parti commoventi, la pompa di inerzia <veda figura 1-5> è semplice a

ssp1x490.gif (600x600)


costruisca e mantenga. Il disegno della pompa è unico: l'intero
pompa si muove su ed in giù, piuttosto che lavorando parti in.
La pompa può essere fatta di metallo di foglio, come descritto qui, o di
PVC suona il piffero o bambù, anche se il bambù non possa durare lungo.
 
La pompa di inerzia è efficiente per alzare acqua distanze corte,
su ad un massimo di approssimativamente 4 metri. La capacità del
pompa dipende dalla sua taglia e come veloce si è mossa sulla pompa e
in giù. La versione di 8-cm alzerà 75 a 114 litri di acqua per
minuto una distanza di 4 metri. La versione di 15-cm alzerà 227
a 284 litri di acqua per minuto una distanza di 1 metro.

ssp6x56.gif (600x600)


 
Dale Fritz, una lungo-tempo VITA Volunteer ed un personale primo
membro, sviluppò la pompa in Afghanistan nel mezzo anni cinquanta. Il
pompa è usata da allora da persone tutti sul mondo.
 
MATERIALI ED ATTREZZI
 
    Table 1: Materiali (dimensioni sono date in centimetri)
 
                                     Pump il Diametro
 
                          8 cm          10 cm          15 cm
 
Metallo di foglio galvanizzato
 Shield, Divida 2            43 x 30        49 x 30       61 x 21
 Shield copre, Divida 3     15 x 20        17 x 20        21 x 22
 Top di tubo, Divida 5       8 x 8         10 x 10       15 x 15
 Pipe, Divida 8              17 x 450       35 x 279       49 x 149
 SPOUT                     27 X 30        35 X 30        49 X 30
 
Metallo di barile
 Handle mette fra parentesi, Divida 1   15 x 34        15 x 40       15 x 54
 Valve tocca il fondo, Divida 4a     6 x 6           8 x 8       12 x 12
 Valve supera, Divida 4c       11 x 11        13 x 13        18 x 18
 
Filo
 Hinge, Divida 4d                                        32 x 4mm
                                                      DIA.
 
Ricopra di gomma, da tubo interno
 Gasket, Divida 4b           11 x 11        13 x 13       18 x 18
 
                     Table 2:  Attrezzi
 
Martello
Incudine (sbarra di ferrovia o tubo di ferro)
Seghe, per metallo e legno
Tinsnips
Attrezzatura che brasa
Attrezzo che esercita e trapani per legno e metallo di foglio di luce (o
 punch)
 
        Table 3: Dimensioni per tre pompe di metallo di foglio
 
                                         Pump il Diametro
 
     Part la Dimensione di               8 cm         10   cm        15 cm
 
Bracket,      del manico A         34 cm          40 cm          54 cm
 PART 1               B          24            30            44
                     C          3.5            5              8.5
                     D          7             10             17
 
SHIELD,              E         43             49             61
 PART 2               F          14            16            20
                     G         14             16             20
                     H          3              3              2.5
                     I           8            10            15
                     J          4              4
                     K         30             30             32
 
Schermi cover,        L         15             17             21
 PART 3               M          20            20            22
 
Bottom,        della valvola N          6              8             12
 Part 4a
 
GASKET,              O         11             13             18
 Part 4b
 
Top,           della valvola P         11             13             18
 Part 4c
 
HINGE,               Q         16             18             22
 Part 4d
 
Cima di pipe,         R          8             10             15
 Part 5
Maneggi, Part  6       polo Di legno, approssimativamente 5 dia del cm. di 2 m lungo
 
Affigga, Divida 7         polo Di legno, approssimativamente 12 dia del cm. di 140 m lungo
 
 
     Table 4: Ascensore e capacità per tre pompe di metallo di foglio
 
Tubo il Tubo di Diameter    l'Altezza di Length    della Capacità di    in litri
                                  Lift           per minuto (*)
 
     8 cm           650 cm        2 a 4 m         75 a 114
    10 cm           400 cm        1 a 2 m        114 a 152
    15 cm           300 cm             1 m        227 a 284
 
(*) Alla 1830 elevazione di m. Sia più grande ad altitudini più basse.
 
COSTRUZIONE
 
Tavole 1 e 3 danno le dimensioni per fare questa pompa in
tre taglie. Proponga 4 show dei quali la lunghezza di tubo ha avuto bisogno per questi
tre taglie, l'acqua di altezza può essere alzata, e l'ammontare di
acqua che può essere pompato.
 
La pompa è fatta dal più spessa galvanizzò metallo di foglio che
può essere lavorato facilmente da un stagnaio. Modelli riuscito sono stati
fatto da 24 - a metallo di foglio di 28-indicatore di livello.
 
Il tubo è formato e fece ermetico brasando tutte le giunture
e linee di giunzione. La valvola è fatta dal metallo di scartò
barili ed un pezzo di autocarro gomma di tubo interna. Il parentesi quadrato per
legando il manico è fatto anche da barile massiccia. La pompa
può essere costruito facilmente da chiunque usato a lavorando con metallo di foglio.
 
Tagli le parti alle taglie corrette prese dalle tavole.
Assembli secondo i disegni. Le due pompe più grandi possono
abbia bisogno di essere fortificato per impedire al corpo di pompa di crollare
se il tubo colpisce il lato del bene. Faccia questo formando
" costole " su ogni cm del 30 sotto la valvola o legando
nastri fecero di metallo di barile. I nastri dovrebbero essere stretti con un morsetto circa
il corpo di pompa, usando frecce piccole.
 
Lisci il manico di pompa a quella finisce così può essere afferrato facilmente.
Faccia il posto che sostiene circa alto come la vita di una persona a
faccia operazione più facile. Leghi il manico alla pompa ed il
affigga con 10 mm lancia o unghie di su quella taglia.
 
Nel fare qualsiasi pompa, il buco coperto dalla valvola
debba avere l'area stessa come il corpo di pompa.
 
È molto importante che la spina elettrica nella cima del tubo è
fatto completamente ermetico.
 
Pompare più facilmente più acqua, costruisca due dei modelli di 8-cm.
Li monti separatamente su approssimativamente 1 metro su un perno su una piattaforma
il bene. Abbastanza connetta le due pompe da un raggio di legno largo
per una persona per stare in piedi su. Costruisca trogoli per prendere l'acqua come
versa fuori delle pompe. Usare la pompa, le bancarelle di operatore
sul raggio, spostando il suo peso da lato per parteggiare.
 
OPERAZIONE E MANUTENZIONE
 
La pompa deve essere primed, ed il fondo del tubo deve essere
sommerso lontano abbastanza per sviluppare la tirata costretta ad alzare il
acqua. Per un ascensore di verso 4 metri, per esempio il
tubo dovrebbe estendersi nell'acqua 1.5 metri. Registri lunghezze
Proponga 4.
 
La pompa funziona da suzione. Ovvero, costruisce su una quantità di
annaffi all'interno del cilindro. Un ritmo particolare è necessario a
pompi l'acqua su ed in giù. Colpi corti che usano alla percentuale di
approssimativamente 80 per minuto i lavori meglio.
 
C'è altrimenti, nessuna regola vera di pollice per guidare l'utente,
e della pratica e " prova ed errore " sperimentare è
richiesto.
 
Con parti commoventi e così poche, è poco portare fuori. Il
gomma di valvola porterà, comunque. Lo controlli frequentemente e sostituisca
esso se necessario. Periodicamente esamini linee di giunzione e giunture
per l'ermeticità. Sigilli con lega per saldatore se crepe sviluppano.
 
Perni di controllo nel manico. Questi porteranno col tempo e potranno
causa troppo dramma nell'azione che pompa. Se accade questo e
la pompa è in pericolo di danno dal colpire il lato del
bene, faccia un manico nuovo. Sia sicuro i buchi per le verghe di perno
è la taglia stessa come l'originale, e non il nuovo consunto
taglia.
 
Pompe di catena che possono essere motorizzate da persone o animali hanno
stato in uso per secoli. La pompa prende il suo nome dal
serie di collegamenti e dischi che formano una catena continua che tira
annaffi su attraverso un tubo come passa circa una ruota di dente di ruota.
 
La pompa presentò qui salvataggio di usi parti automobilistiche, metallo di scarto
e legname pesante. Fu adattato da Volontarii del Corpo della Pace in
Chad da una pompa di catena di base che appare nel Villaggio di VITA
Manuale di tecnologia. Alzerà acqua da profondità di su a 6
metri (20 piedi), esso la percentuale di 8,000-9,000 galloni per ora.
 
Questo è i più costosi e complesso delle pompe inclusero in
il manuale. Ha anche la produzione potenziale e più grande. Costi di
la pompa dipende dalla disponibilità di materiali di salvataggio e
può essere ridotto sostituendo costoso localmente disponibile
materiali dove adatto.
 
MATERIALI ED ATTREZZI
 
Come mostrato in Figura 1, la cornice di pompa finito è fatta parzialmente

ssp1x57.gif (600x600)


di legname di sawed. Se legname di sawed non è disponibile nell'area,
tronchi possono essere usati. Braccio di collana metallica possono essere fatte anche da poli di tondo
o ferro di angolo, dipendendo da materiali disponibile. Se la pompa è
essere mosssi bene da uno ad un altro i tronchi dovrebbero essere tenuti
tra 7.5cm e 12.5cm in diametro. La cornice e pompa possono essere
portato senza la molta difficoltà. O, la pompa
assemblaggio può essere tirato da un animale da un'ubicazione a
un altro.
 
Per favore noti sui materiali elenca che quantità non sono mostrate
per i chi arrotola, collegamenti di catena, dischi, legando spille o gomma
materiale di guarnizione. Queste quantità che concedono devono essere calcolate
alla profondità del particolare bene.
 
Noti anche che alcune parti possono essere fatte di legno invece di metallo,
se è più prontamente disponibile. Queste parti includono il
chi arrotola, dischi, e collegamenti di catena.
 
Questi piani mandano a chiamare 15cm-diametro il tubo di PVC. Debba un più piccolo
o tubo di diametro più grande sia usato, sarà necessario per alterare
la taglia della guarnizione di gomma ed il disco di metallo di conseguenza.
Il disco di metallo dovrebbe essere approssimativamente 6 mm più piccolo in diametro
che il diametro interiore dell'eletto di tubo. Il disco di gomma,
d'altra parte debba essere 3mm più grande in diametro che
il diametro interiore del tubo. Un apparato di imbuto-tipo è
legato al fondo del tubo di PVC per guidare la catena e
dischi nel tubo. Per un tubo del 15cm la fine scampanata del
imbuto dovrebbe essere 36cm a 46cm in diametro.
 
MATERIALI:
 
1.  veicolo di passeggiata A quattro ruote differenziale con tamburi di boschetto
    legò.
 
2.  8 acciaio si arma 5cm x 26.7cm x 10mm piatto di acciaio spesso
 
3.  30.5cm x 30.5 x 6mm piatto di acciaio spesso (il mozzo portabobine)
 
4.  5cm acciaio di diametro o chi arrotola di ferro di getto (*)
 
5.  26.7cm x 2.5cm x 6mm acciaio di piatto spesso (*) (collegamenti di catena)
 
6.  14.6cm acciaio di diametro dischi 1.2mm spesso (*) (18 indicatore di livello)
 
7.  15.6cm gomma di diametro guarnizioni 3mm spesso (*) (fece da vecchio
Interno-tubo di    )
 
8.  10mm acciaio di diametro verghe 6.7cm lungo (*) (connettendo spille)
 
9.  7 - 35.6cm x 5cm x 5mm piatti di acciaio spessi (rinforzamento di braccio di collana metallica,
    arma pezzo di fine e piatti che montano per ragazzo
Verghe di    )
 
10. 4 - 3cm x 3cm x 3mm acciaio di angolo (*) (il ragazzo le verghe)
 
11. Piatto di acciaio di scarto e gomma di interno-tubo (abbastanza per coprire
    e fondo di sigillo di edilizia differenziale)
 
12. 1 gallone di vada in automobile petrolio (la lubrificazione)
 
13. Cotter unisce (*) (2.5cm lunghezza)
 
14. 24 frecce, 10mm x 2.5cm con noci (dente di ruota di mozzo portabobine e ragazzo la verga
Riunione di    )
 
15. 12 frecce, 10mm x 8cm, con noci
 
16. 4 frecce, 10mm x 14cm con noci (braccio di collana metallica e parentesi quadrato)
 
17. 2 frecce, 13cm x 10cm con noci (braccio di collana metallica)
 
18. 6 - 13mm noci
 
19. 12 frecce, 10mm x 22cm, con noci
 
------------------------------------------------------------------
 
(*) Dipende bene da bene le dimensioni o profondità di.
 
20. 15cm diametro PVC suona il piffero (*)
 
21. Legno (*) (il trogolo)
 
22. 10cm x 10cm legname di legno (*) (la cornice)
 
23. 2 - 5cm x 10cm x 4.5meters legname di legno (collana metallica arma)
 
Miscellaneo - 10mm dia. unghie, incolli, morsetti di metallo
 
ATTREZZI:
 
Martello
 
Pinza di ago-naso (assicurando cotter unisce)
 
Bussola
 
Trapano di metallo e pezzi
 
Hacksaw del metallo e lame
 
Regolo
 
Installazioni che gettano (i chi arrotola)
 
Coltello (tagliare materiali di guarnizione)
 
Macchina di chiodo
 
Matita
 
Incudine (l'accessorio extra--legga istruzioni)
 
Strappo adattabile
 
Attrezzatura che salda con affetti penetranti (acciaio penetrante
 plates)
 
COSTRUZIONE
 
Questa pompa di catena consiste di quattro componenti di maggiore:   1) la catena e
riunione di disco, 2) mozzo portabobine di dente di ruota e riunione di braccio, 3) differenziale
e riunione di cornice, e 4) l'affetto di braccio di collana metallica.
 
-----------------------------------------------------------------
 
(*) Dipende bene da bene le dimensioni o profondità di.
 
I.  Prepare la catena e riunione di disco.
 
Determini la lunghezza della catena.   per fare questo, leghi un grande
culli ad una lunghezza di corda ed abbassi la pietra nel bene fino a che
giunge appena al fondo.   che La lunghezza della corda indica
la profondità del bene e provvede una guida al numero di
collegamenti di catena, dischi, e chi arrotola ebbero bisogno.   Perché la catena è
continuo, deve essere due volte la misurazione di profondità del
bene più-2.0m.
 
Figuri 2 show le dimensioni dei collegamenti di catena.   per trovare il

ssp2x61.gif (534x534)


numero di collegamenti ebbe bisogno per un determinato bene, misuri fra il
buchi di fine (23.7cm) e divide questo numero nella lunghezza totale
of  la catena needed.  Il risultato dovrebbe essere un numero pari; se
dispari, usi il prossimo abbassi numero pari.
 
Tagli 6mm piatto di acciaio spesso alle dimensioni mostrate in Figura 2.
Costituisca due pezzi ogni sezione di collegamento di catena.   Drill i buchi come
indicato.
 
Determini il numero di dischi richiesto dividendo il totale
numero di collegamenti entro due: ci sarà un disco per ogni due
collegamenti nel chain.  Figure 3 e 4 show i due componenti di disco.

ssp3x620.gif (600x600)


Figuri 3 è un disco di metallo e Figura 4 è la gomma

ssp3x62.gif (600x600)



ssp4x62.gif (600x600)


guarnizione.
 
Tagli attentamente la guarnizione di gomma.   è migliore cominciare col
buchi anche small.  Se i buchi sono troppo grandi, acqua scapperà
tra il collegamento di catena e la guarnizione.
 
Costruisca il numero richiesto di ogni componente ed accantoni.
 
Faccia rollers.  Il numero di chi arrotola necessitato è uguale al
numero di links.  che I chi arrotola sono di acciaio o getto iron.  Se
non disponibile localmente, sarà necessario per averli fatto.
Dimensioni per i chi arrotola sono provviste in Figure 5 e 6.

ssp5x630.gif (600x600)


 
Un'alternativa al chi arrotola di getto intero è una chi arrotola fatta di
tre legno o dischi di metallo lanciarono insieme, come mostrato in Figura 7.

ssp7x63.gif (486x600)


Dimensioni dovrebbero essere verso lo stesse come il getto
chi arrotola.
 
Faccia connettendo pins.  Il numero necessitato uguaglia il numero totale
di collegamenti e disks.  Figure 8 show le dimensioni delle spille.

ssp8x64.gif (393x486)


Si eserciti due 3.5mm buchi in ogni spilla.   dal quale Le spille dovrebbero essere fatte
raffreddore disegnato verghe di acciaio per durata presunta della vita di massimo.   Construct
il numero richiesto di spille ed accantonò.
 
Assembli la catena come mostrato in Figura 9.   Use i 6.7cm cotter

ssp9x64.gif (600x600)


spille per assicurare i dischi e chi arrotola al collegamento di catena.   Remember
che la gomma e dischi di metallo sono legati ad ogni altri
link.  non assicurano insieme l'ultimo chi arrotola e collegamento di catena:
questo si farà dopo che la catena è tirata attraverso i 15cm
PVC suona il piffero (veda Figura 1).
 
II.  Prepare la riunione di dente di ruota di mozzo portabobine.
 
Costruisca piatto di mozzo portabobine da un x del 30.5cm 30.5cm x 6mm piatto di acciaio,
seguendo le dimensioni date in Figura 10.   Follow le misurazioni

ssp10x65.gif (600x600)


exactly.  che Il metodo più facile di incidere con una punta metallica un cerchio è
con un metro bastone, un'unghia, ed una matita.   Un'unghia di diametro del 10mm
è inchiodato ad una fine del metro bastone; questo punto è il
centro della Misura di circle.  dall'unghia la distanza del
raggio (mezzo il diametro) e si esercita un buco per andare bene la matita
a questo point.  Drill un buco del 10mm nel centro dell'acciaio
plate.  Put l'unghia nel buco e col metro il bastone e
strattone di matita i due cerchi.   Drill otto spaziarono uniformemente 1cm
buchi in ogni cerchio come mostrato.
 
Prenda piatto di acciaio di scarto, 10mm spesso; il taglio 8 braccio alle dimensioni
dato in Figura 11.  I due buchi e raggio linea centrista

ssp11x66.gif (600x600)


misurazioni devono essere esatte per ogni braccio.
 
Leghi le braccio al mozzo portabobine con 10mm x 2.5cm frecce e nuts.  Sia
sicuro inserire la freccia dalla schiena del piatto di mozzo portabobine, attraverso
la sezione di braccio, prima di assicurare coi noci.   <veda figura 12>

ssp12x66.gif (600x600)


 
III.  Prepare la cornice.
 
La cornice è fatta da 3 legno radia 10cm x 10cm x 1.6 metri
lungo e 2 raggi di 10 cm x 10cm x [il diametro   del well(s) +
1.25 metri].
 
I raggi di legno dovrebbero essere posati fuori come mostrato in Figura 13.

ssp13x67.gif (600x600)


 
Si assicuri che i due raggi di appoggio di fondo estendono almeno
61cm oltre entrambi lato del bene.   Mark asse posizioni e
rimuova bene da.
 
Il raggio di legno che sostiene il meccanismo che pompa dovrebbe essere
lanciato all'appoggio più basso raggio 30cm dal punto centrista di
il bene.
 
Usando un trapano di legno, annoi 10mm buchi di diametro.   Fasten la cornice
insieme con 10mm x 22cm frecce e noci.
 
IV.  Prepare il differenziale e cornice assembly.  <veda figura 14 & 15>

ssp14680.gif (600x600)


Rimuova un tamburo di boschetto dal
veicolo differenziale.
 
Tagli una guarnizione di gomma e
piatto di acciaio per coprire l'esposto
fine del differenziale.
Lanci in luogo, tenere petrolio
dal perdere fuori.
 
Si blocchi la porzione differenziale
del rotismo saldando o
inserendo un pezzo di metallo
assicurato con frecce così che esso
non essere moved.  che può essere
necessario provvedere un mezzi
per mettere petrolio nel differenziale,
quale normalmente è
usato nella posizione orizzontale.
(Il flusso del potere è
invertito da che che era
inizialmente intese; invece di
l'asta di passeggiata che gira il
asse, l'asse gira la passeggiata
asta.)
 
Leghi il mozzo portabobine di dente di ruota al
flanged dividono dove il
normalmente guidi asta assicura
al differential.  Il mozzo portabobine
ha un buco di centro del 10mm; là
sia un buco centrista e simile
nell'asta di passeggiata.
 
Concentrare il mozzo portabobine di dente di ruota sull'asta di passeggiata, metta un puntuto
10mm spilla nel buco del mozzo portabobine di dente di ruota e la passeggiata tratta male
Mark di hole.  centrista il piatto di mozzo portabobine così buchi possono essere esercitatsi per
legare il two.  Esso può essere possibile rimuovere il braccio interiore
frecce della riunione di mozzo portabobine ed usa quelli buchi per legare il
mozzo portabobine alla porzione di flanged dell'asta di passeggiata.   Se questo non è
possibile, trapano buchi nuovi nel mozzo portabobine placcano e porzione di flanged:
in questo caso, usi un minimo di quattro 13mm frecce.   <veda figura 16>

ssp16x69.gif (600x600)


 
Fabbrichi verga che monta parentesi quadrati il ragazzo: due (2) parentesi quadrati devono essere
fatto e saldò alla parte inferiore del tamburo di boschetto.   <veda figura 17>

ssp17x70.gif (600x600)


 
Figuri 18 show la sistemazione del ragazzo verghe che sostengono

ssp18x71.gif (600x600)


e stabilizza il differenziale.   Fasten il fondo del ragazzo
verga ai membri di appoggio di legno rimuovendo da ogni angolo
della cornice un 10mm x 22cm freccia e noce.   Re-insert le frecce
attraverso il ragazzo le verghe e poi attraverso i membri di legno.
Assicuri securely.  Bolt le fini superiori del ragazzo verghe al
parentesi quadrati che montano sul tamburo di boschetto.
 
V.  Assemble il braccio di collana metallica.
 
Usi acciaio di scarto piatto 5mm spesso fare quattro piatti che rinforzano
come mostrato in Figura 19. 
ssp19x72.gif (600x600)


Leghi uno ad ogni lato di ambo la collana metallica
braccio (5cm x 10cm x 4.5m legname di legno) dove loro stanno a gambe divaricate il
boschetto drum.  col quale Ogni braccio di collana metallica è legato al tamburo di boschetto
1.3cm diametro lancia come mostrato in Figura 20.

ssp20x72.gif (600x600)


 
Si eserciti due 1.3cm buchi nella parte rotante del tamburo di boschetto
perpendicolare all'un l'altro.
 
Usi due 1.3cm noci tra la collana metallica armi e l'edilizia di boschetto;
questo servizio matto per compensare lo stress del braccio di collana metallica su
il boschetto housing.  (Veda figura 21)

ssp21x73.gif (600x600)


 
Costruisca il collana metallica braccio fine parentesi quadrato come mostrato in Figura 22.

ssp22x74.gif (600x600)


Questo parentesi quadrato serve a legare la collana metallica del due arma insieme e
provvede un mezzi di attaccare l'animale.   È sicuro a trapano
attraverso ambo (5cm x 10cm) membri di legno.   Insert 1cm x 12cm frecce
attraverso un lato del parentesi quadrato di metallo, attraverso i membri di legno
e poi attraverso il lato corrispondente del metallo
metta fra parentesi prima di assicurare.
 
VI.  Attach trogolo di acqua.
 
Leghi il trogolo di acqua e 15cm diametro il tubo di PVC.   Figure 23

ssp23x75.gif (600x600)


show la sistemazione del tubo e trogolo di acqua.   Il fondo
del tubo di PVC che è almeno 20cm sotto la linea di acqua
è arso per permettere entrata facile dei dischi come l'acqua è
tirato sul pipe.  che La sezione più basso del bagliore dovrebbe essere
2-1/2 a 3 volte il diametro del tubo di PVC.   Lo scampanato
sezioni possono essere fatte di 18 indicatore di livello (1.2mm) l'acciaio sheeting.  Il
in superficie dovrebbe essere come liscia come possibile dove congiunge
i 15cm pipe.  Otherwise fuori i quali i dischi di gomma porteranno
rapidamente.
 
La cima del tubo di PVC del 15cm entra attraverso il fondo del
trogolo di acqua di legno, dove è stretto con un morsetto ambo sotto il trogolo
e su cima per non permettere al tubo di essere tirato attraverso il
trogolo quando la pompa sta operando. Gomma di Interno-tubo di   o scarto
pezzi di 15cm tubo di PVC possono essere usati come rinforzando materiale
sotto il metallo stringe con un morsetto.
 
Unghia o lancia il trogolo di acqua agli appoggi di cornice di legno, il
differenziale, ed anche al legno membro di croce localizzò sul
perimetro esterno del bene (veda Figura 18).   Un'acqua di metallo

ssp18x71.gif (600x600)


trogolo può essere sostituito per il di legno se Lei prefer.  Il
spesa addizionale assicurerà una vita più lunga e meno l'opportunità di
problemi di perdita.
 
OPERAZIONE E MANUTENZIONE
 
Prima di installare la pompa nel bene è necessario a
connetta i disk/chain collegano riunione.   Pass i collegamenti di disk/chain
attraverso il tubo di PVC del 15cm col lato di gomma del disco su.
 
Le procedure seguenti dovrebbero essere eseguite per per tenere
manutenzione ad un minimo:
 
    1. Si assicuri c'è abbastanza petrolio nel differenziale a
       cominciare-su.
 
    2. Controlli livello di petrolio ogni mese.
 
    3. Controlli mozzo portabobine di shaft/sprocket di passeggiata ogni giorno per lubrificare
       ha bisogno.   Dust che l'accumulazione attende ad asciugare sul petrolio
       rapidamente.
 
    4. Quando la pompa siede per un tempo senza essere usato, il
I chi arrotola di        tendono a gelare su e necessitare di essere lubrificato e
       fornì sciolto.
 
    5. Controlli i dischi di gomma dopo approssimativamente 250 ore di uso e
       li sostituisce, se necessario.
 
Prepari la pista per l'animale per prevenire scivolando (la perdita di
trazione) .  Use un strato di ghiaia, paglia, ramoscelli, legno o abbaio
frammenti, o qualunque cosa è disponibile.   Slope la pista leggermente via
dal bene prevenire fognatura-via di prodotti di spreco nel
bene.
 
È migliore che la tirata animale le braccio di collana metallica invece di
spingendoli perché il peso dell'acqua costringe la pompa a
corra in rovescio quando le fermate animali che camminano e potrebbe causare
danno all'animal.  ci può aspettarsi che Un animale corra la pompa
una media di 4 a 6 ore al giorno senza la fatica indebita.
                               ARCHIMEDES VITE
 
Ci sono molte situazioni in che acqua per le necessità di irrigazione
essere alzato distanze solamente molto corte da un fiume o provvedere di canale* a
il fields.  per portare a termine questo, coltivatori in durate antiche
adattato un'apparecchiatura disse di essere stata inventata da Archimedes a
rimuova acqua dalla presa di una nave grande.   L'apparecchiatura è il
Archimedes avvita, un canale elicoidale sistemò circa un centrale
shaft.  instabile che La vite può essere fatta in una varietà di modi, da
tubatura continua avvolse circa l'asta ad una serie spirale
di ricoprire assi o piatti all'interno di un cilindro.   Depending su
il disegno, la vite può essere usata per scopi così diversi come
acqua che alza o caricando grano.
 
La vite di Archimedes presentò qui <veda immagine> un'apparecchiatura di sollevamento di acqua.

ssp1x77.gif (486x486)


Consiste di un cilindro di legno avvolto circa un spirale di
boards.  che ricopre che L'asta centrale è di tubo di metallo o verga.
La vite è girata da mano, o può essere legato ad un mulino a vento.
È capace di sollevamento verso 100 galloni di acqua per
minuto ad un'altezza di 18-20 pollici.   dal quale può essere mosssi facilmente
metta mettere come needed.  Screws di questo tipo ancora è usato
quotidiano da coltivatori egiziani lungo il Nilo.   Questo particolare
variazione fu costruita ed esaminò da Loren Sadler ed il VITA
gruppo di disegno all'Olanda Sperry-nuova Corp.
 
MATERIALI ED ATTREZZI
 
MATERIALI:
 
Per un Archimedes Screw tipico il sollevamento 100 galloni per minuto
una distanza verticale di 20 pollici:
 
   1 - 90 " 1 " tubo di diametro lungo o 3/4 " verga di diametro per
       l'asta instabile
 
 142 - 18 " assi lunghi, 1-1/2 " x 1/2 " larghi spesso per il
       si muove a spirale (carefully.  Tagliato che lunghezze Imprecise riducono
Efficienza di        della vite.)
 
  40 - 71 " assi lunghi, 1-1/2 " x 1/2 " larghi spesso per involucro
       circa spirale (Un involucro alternato può essere un pezzo
       di accenda metallo di foglio 62 " x 71 " o due pezzi, ciascuni 36 "
       X 62 ". )
 
   6 - Nastri di metallo di foglio, telegrafi, ecc. approssimativamente 62 " lungo a
       stringe involucro circa spirale
 
ATTREZZI:
 
Sega
Trapano
Martello o cacciavite
Aereo
Viti, unghie, colla a tenuta d'acqua per riparare assi in posizione
 
COSTRUZIONE
 
Si eserciti un buco per l'asta instabile al centro di ognuno del
142 boards.  L'accuratezza con la quale si sono esercitati questi buchi
influenze l'efficienza della Vite di Archimedes.   Attach il
prima abbordi all'asta instabile come mostrato in Figura 2.   Fix il

ssp2x79.gif (600x600)


secondo asse al primo asse da molte viti o altro
vuole dire, con angoli opposti dei due aligning.  Install abborda
gli assi rimanenti nella maniera stessa.   Attach l'ultimo
abbordi all'asta instabile nella maniera stessa come la Smussatura di first. 
l'orlo principale di ogni asse nello spirale così che la volontà di acqua
lo fluisca su più easily.  Seal lo spirale con impeci o impeci a
migliori watertightness.
 
Seguente installa l'involucro, mentre formandolo ermeticamente circa lo spirale
minimizzare acqua leaks.  Se gli assi sono usati, loro dovrebbero essere
smussato l'un con l'altro per un adattamento più stretto.   Seams in metallo di foglio
dovrebbe essere sigillato attentamente per prevenire crepe.   Cut via l'abbassato
(la presa) fine dell'involucro all'inizio di ogni lato del
duplice spirale così che acqua può essere raccolta su come lo spirale
turns.  Fasten nastri di metallo o telegrafa ermeticamente circa l'involucro.
Leghi manovella di passeggiata.
 
Giunture di sigillo in involucro con impeci o impeci.   Prepare gli appoggi per
la vite come illustrato, mentre usando alcuni materiali appropriati e disponibili.
Blocchi che porta e di legno dovrebbero essere messi a bagno in petrolio per prolungare
la loro vita utile.
 
Costruzione Variations
 
Archimedes Screws di questo disegno può essere costruito in una varietà di
taglie.
 
Per risultati migliori, Tenga l'altezza di ascensore a 1/3 o meno del
avviti length.  Per costruzione economica e spettacolo buon,
l'ampiezza degli assi usata per lo spirale dovrebbe essere tra 3
e 4 volte la loro grossezza.   per il quale Il numero di assi ha richiesto
un spirale sarà approssimativamente 3 volte che l'altezza di ascensore ha diviso
dalla grossezza di asse più 1-1/2 volte la lunghezza di asse, come in
la formula:
 
                          3H
                         --
                     (N =  T + 1-1/2 BL)
 
Valutazione della prestazione
 
Molti Archimedes Screws di questo disegno sono stati costruiti
e tested.  Archimedes Viti osservate in Egitto e l'India ha
le specificazioni seguenti e dati di spettacolo: (*)
 
Lunghezza di     il Diametro di              Lift        Capacity     H.P.
    (L'INS.)         (L'INS.)       (L'INS. )         (IL GPM)
 
     61              22           10            132       .128
     81              19           20            100       .042
    100              16           30             66       .042
     73              16           18             66       .025
 
(*) Apparecchiature del Sollevamento dell'acqua per Irrigazione, FAO Sviluppo Agricolo
Tappezzi #60.
 
OPERAZIONE E MANUTENZIONE
 
Metta la vite in luogo, con la fine più bassa nell'acqua che
è la fonte di Svolta di supply.  la manovella per alzare l'acqua a
il canale irrigatorio.
 
Controlli la vite per essere assi sicuri periodicamente rimanga assicurato
securely.  Se necessario, stringa il metallo unisce o Controllo di wires. 
l'appoggio affigge per uso e la sanità; sostituisca se necessario.
 
Sebbene nessuno figura accurata è disponibili, una vite di questo tipo
debba provvedere molti anni di servizio.
 
                         CONVERSIONE TAVOLE
 
Unità di Lunghezza
 
      il                     di 1 miglio = 1760 mettono in recinto              = 5280 piedi
      1 kilometer               = 1000 meters            = 0.6214 miglia
      il                    di 1 metro = il             di 3.2808 piedi = 39.37 pollici
      il                     di 1 miglio = 1.607 chilometri
      il                     di 1 piede = 0.3048 metri
      il                     di 1 pollice = 2.54 centimetri
      1 centimeter               = 0.3937 pollici
 
Unità di Area
 
      1 mile             della piazza = il               di 640 acro = 2.5899 ad angolo retto
Chilometri di                                                           
      1 kilometer        della piazza = 1,000,000 piazza        = 0.3861 ad angolo retto
                                  misura i miglia di                   
      il                     di 1 acro = 43,560 piedi di piazza
      1 foot             della piazza = 144 inches      della piazza = 0.0929 ad angolo retto
                                                           misura
      1 piazza   si muove             = 6.452 ad angolo retto
Centimetri di                                  
      1 meter            della piazza = 10.764 piedi di piazza
      1 centimeter       della piazza = 0.155 pollici di piazza
 
Unità di Volume
 
      1 foot              cubico = 1728 inches       cubici = i 7.48 Stati Uniti
Galloni di                                                            
      1 gallon                           imperiale britannico = i 1.2 Stati Uniti
Galloni di                                                            
      il              di 1 metro cubico = il        di 35.314 piedi cubici = i 264.2 Stati Uniti
Galloni di                                                            
      il                    di 1 litro = 1000               cubici = i 0.2642 Stati Uniti
Centimetri di                                   i galloni di               
 
Unità di Peso
 
      1 ton              metrico = il           di 1000 chilogrammi = 2204.6 libbre
      il                 di 1 chilogrammo = il               di 1000 grammi = 2.2046 libbre
      1 ton               corto = 2000 libbre
 
Unità di Pressione
 
1 libbra per pollice di piazza          = 144 libbre per piede quadrato
1 libbra per pollice di piazza          = 27.7 pollici di acqua (*)
1 libbra per pollice di piazza          = 2.31 piedi di acqua (*)
1 libbra per pollice di piazza          = 2.042 pollici di mercurio (*)
1 atmosfera                     = 33.95 piedi di acqua (*)
1 atmosfera                     = 14.7 libbre per pollice di piazza (PSI)
1 piede di acqua                  = 0.433 PSI           = 62.355
                                                       controlla il peso per
                                   il piede di                     square
1 chilogrammo per            quadrato = 14.233 libbre per pollice di piazza
Centimetro di  
 
1 libbra per pollice di piazza          = 0.0703 chilogrammi per ad angolo retto
Centimetro di                                  
 
(*) a 62[degrees] Fahrenheit (16.6[degrees] Celsius)
 
Unità del Potere
 
1 horsepower (l'inglese)         = 746 watts          = 0.74b
Chilowatt di                                                     
                                                     (KW)
1 horsepower (l'inglese)         = 550 piede controlla il peso per secondo
1 horsepower (l'inglese)         = 33,000 piede controlla il peso per minuto
1 chilowatt (KW)                = 1000 watts         = 1.34
HORSEPOWER DI                                                     
                                                     (ENGLISH)
                                                     (HP)
1 horsepower  English)        = 1.0139 horsepower metrici
                                (IL CHEVAL-VAPEUR)
1 horsepower metrico            = 75 misurano x kilogram/second
1 horsepower   metrico          = il     di 0.736 chilowatt = 736 watt
 
REFERENZE DI                            E RISORSE
 
Attrezzi Agricoli ed animale-disegnati, Macchine Mano-operate
ed Attrezzatura di Potere Semplice nel Minimo Sviluppò ed Altro
Paesi in sviluppo--Rapporto di un Sviluppo Manifatturiero
Clinica, Delhi Nuova, India: 21-30 ottobre 1974, Nazioni Unito
Organizzazione di Sviluppo industriale, Ginevra, Svizzera
Rapporto ID/148 (IC/WG. 193/3), 1975. 45 pp.
     Includes le raccomandazioni che i governi di sviluppare
paesi promuovono il prodotto locale di agricolo
apparato ed implements.  Includes gli elenchi e fotografa di
attrezzi agricoli ed i paesi in sviluppo in che
loro sono usati.
 
Cambio di Potere animale-controllato, Ginevra, Svizzera: Nazioni Unito,
Pubblicazione GE .75-14371, 1975. 30 pp.
      che Il cambio di potere animale-controllato descritto in questa pubblicazione
lavori sul principio stesso come una bicicletta.   che L'apparecchiatura è fondamentalmente
una sistemazione di leve e cambi che trasformano lento
movimento di gamba nella rotazione veloce di una ruota.   La produzione
ingranando provvede su a 135 rivoluzioni per minuto--abbastanza per
azionando una varietà di macchine di lavorazione individuali.   Nessuno tecnico
disegni ma include fotografie.
 
Corcoran, Tom.  " Chad Catena Pompa. "   Pace Corpo le Note di Tech
(Agosto 1969), pp. 8-9.  Washington, D.C.: Corpo di ACTION/Peace.
     Gives disegni e chiarimento su lavoro di Corpo di Pace iniziale
su cambiare il VITA incateni pompa per usare il potere animale.   che è
materiale di fondo e buono ma non include lavorando buono
disegni.
 
Uso effettivo del Potere Animale su Fattorie può Condurre a Meno Lavoro
e Più Harvest.  Oklahoma Città, Oklahoma: Mondo Confina con,
Vol. 11, #1E, 1979. 8 pp.
     Includes una sezione molto buona su addestrare animali per fattoria
uso.
 
Chulalongkorn Università Facoltà di Pianificare.   Lo Sviluppo
di un PVC Handpump.  Bangkok, la Thailandia: Rapporto sottopose
l'Organizzazione della Salute del Mondo, 1981. 52 pp.
     Un PVC suzione tipo handpump, basato su disegni di VITA, e
fabbricato dalla Divisione di Ingegneria Agricola del
Università di Chulalongkorn, fu esaminato e valutò sotto laboratorio
Progetto di conditions.  aveva tre fasi: Metta in fase io studiai
e cambiò il tipo di suzione esistente il handpump di PVC per uso in
fonti scavate con un livello di acqua non più profondo di 6 metri.   Phase II
sviluppato un tipo di ascensore il handpump di PVC appropriato per fonti scavate
più profondo di 6 meters.  Phase III cambiò la Fase il handpump di II
in un tubo di diametro piccolo bene per uso su a 30 meters.  Questo
pompa usa bene PVC telaio come il cilindro di pompa.   La pompa nuova,
quali usi il pistone di tipo coreano, è raccomandato per tutti i tipi
del handpump di PVC usi in Thailandia.
 
Collaudo della Pompa della mano e Valutazione per Sostenere Selezione e
Sviluppo di Pompe di Mano per Programmi dell'Approvvigionamento dell'Acqua Rurali.
Leidschendam, l'Olanda: Organizzazione della Salute del mondo
Centro di Referenza internazionale per Approvvigionamento dell'Acqua della Comunità,
1979. 54 pp.
     Un rapporto di una riunione internazionale, dà risultati di un
osservi di pompa di mano che esamina e progetti di valutazione. Orientamenti di  
per collaudo di pompa di mano e valutazione è dato anche.
 
" Come Fare una Mano Pompi per Irrigazione ". Colleghi, no. 26, pp:
20-29. Marshalltown, Africa Meridionale: Collegamento. Sept. 1981.
     istruzioni Semplici accompagnano illustrazioni che mostrano come
i lavori di pompa di mano per alzare acqua, i componenti della pompa
e come alcune delle parti di componente sono fatti e sono andati bene insieme.
Per piani completi, uno può scrivere Collegare.
 
Islam, S.; Mazed, A. di M.; e Roy, S. " di K. Spettacolo Comparato
di Tipi Diversi di Pompe di Manuale, Meccanizzazione " Agricola
in Asia (Passi l'estate 1981), pp. 65-68. Tokio: AMA.
     Looks ad una raccolta di pompe a mano operate che sono
usato per irrigazione, e compara capacità, mentre alzando testa,
ergonomia, costi rapporto di beneficio, e caratteristiche di manutenzione.
 
Kingham, John, et. al. Hand/Foot Operated che Acqua Pompa per Uso
in Paesi In sviluppo. Rapporto sottopose a CA Testing e
Ricerca, Harpenden, Regno Unito, ottobre 1980. 78 pp.
     Describes un progetto nel quale operarono 12 marche di hand/foot
profondo bene essere di pompe di forza usato in paesi in sviluppo
fu esaminato sotto le condizioni di laboratorio. Questo è un finale
sommario di caratteristiche importanti scoprì durante le prove ed un
discussione delle pompe, insieme con raccomandazioni.
 
Kukielka, Boleslaw Jan.  Rapporto Provvisorio su Bere Acqua Protegguta
Dugwell Programme in Quattro Pilota Distretti di Progetto in
La Thailandia. Bangkok, Thailandia: rapporto presentò all'Ambientale
Progetto di salute, Reparto di Salute, 1980. 21 pp.
     Results di un progetto per migliorare l'approvvigionamento di acqua che beve
di molto villages.  Protected tailandese dugwells furono costruiti e
ispezionato, ed abitanti di un villaggio furono incoraggiati per installare le fonti
e pompe semplici loro.   Includes 11 disegni tecnici di
riunioni di verga di pistone e riunioni di valvola di pistone.
 
Laboratorio Esamina su Mano Operata che Acqua Pompa per Uso nello Sviluppare
Washington di Countries. , D.C.: Banca internazionale per
Ricostruzione & Development/The Mondo Banca. Febbraio 1982. 123
pp.
     Describes prove di laboratorio di 12 mano pumps.  Il lungo
obiettivo di serie del programma è promuovere il prodotto di
migliorato o pompe di mano più affidabili in paesi in sviluppo,
pompe che può essere mantenuto da operatori di villaggio addestrati.
 
Pompe che " collegano per Spettacolo Migliore, " Basi, no. 7, p. 9.
Sommerset, Inghilterra: Basi, Comunicazione Rurale. Marzo 1979.
     Includes un disegno per una cornice semplice che collega due ascensore
pompe ed abilita un operatore singolo per lavorare i due allo stesso
tempo che usa il suo feet.  Questo è faticoso e, perché due pompe
sta lavorando, provvede un flusso più grande e continuo di acqua
su a 3,500 galloni per ora).   I diagrammi mostrano come le pompe
è collegato.
 
Elenco di Attrezzatura Agricola ed Attrezzi per Coltivatori Disegnato
per Londra di Construction.  Locale: Sviluppo di Tecnologia intermedio
Gruppo.
     Essentially un elenco di pubblicazioni di attrezzatura agricola
piani disponibile da ITDG.
 
McGrath, Patrick, et. al. Un Innesco della Pompa della Mano. Parco di università,
Maryland: L'università di Maryland, Università di Pianificare
1978. 20 pp.
     Una guida alla selezione di appropri pompe di mano per
aree determinate.
 
Pacey, Arnold.  Mano Pompa Manutenzione e gli Obiettivi di
Comunità Bene Oxford di Projects. , Regno Unito: OXFAM, 1976.
21 pp.
     Una considerazione degli aspetti più larghi di pompa di villaggio
manutenzione. Suggerisce quella consapevolezza di comunità e controllo di
le pompe sono essenziali se loro che lavorano saranno tenuti. Anche
include un elenco di fabbricanti di pompa di mano in India ed alcuni
Paesi africani ed Occidentali.
 
Attrezzi Giovenco-disegnati e semplici per Irrigazione Efficiente.
L'università di Udaipur, Università di Agricoltura Jobner (Ext.
Bollettino #1), 1964. 15 pp.
 
Sternberg, M. di P.; l'Argento, M.; ed Alice, S. V. " Flusso Metro
per Misurare lo Scarico di Pompe Piccole, la Tecnologia " Adatta.
Vol. 9, no. 1, pp: 14-15.  Boschetto di Foresta, Oregon: Adatto
La tecnologia, giugno 1982.
     Discusses metodi convenzionali di misurazione di flusso e
procedura di calibratura e conclude che la buco-in-il-secchio
metro è sufficientemente accurato.
 
Sternberg, Yaron, e Cavaliere, Robert. Sviluppo di   di PVC Well
Schermi per la Fabbricazione Locale in Paesi In sviluppo.
Washington, D.C.: Banca internazionale per Ricostruzione e
Development/The Mondo Banca, aprile 1978.   8 PP.
     Describes lo sviluppo di un bene lo schermo che può essere
fatto in più paesi in sviluppo.
 
VITA.  " Chain Pompa per Irrigazione (Mano Motorizzò), la Tecnologia di " Villaggio
Manuale, pp. 92-96 (disegni ed istruzioni).
Arlington, Virginia: VITA, 1963.
     Questa sezione del VTH descrive concetti di base da
quale la pompa di catena a motore ed animale fu disegnata.   Includes
un passo alla volta dettagli di costruzione.
 
La Costruzione di VITA.  e Manutenzione di Acqua Wells.  Arlington,
virginia: VITA, 1969. 170 pp.
Pubblicazione di      scritta per Volontarii del Corpo della Pace Americani che
ebbe un lavoro per sviluppare le risorse di acqua macinate nel
aree alle quali loro furono spediti.   del quale dà una revisione generale
acqua macinata, il suo avvenimento e proprietà; bene la costruzione
metodi scavando, guidando, esercitandosi, ed emettendo a getti; bene
navi di linea; attrezzatura noiosa; ecc.   ha bene una sezione utile su
pompe ed anche sugli aspetti di pianificazione di un scavare bene
programmi, l'esplorazione di acqua macinata, scelta di approvvigionamenti, bene
protezione senza attrezzatura costosa.   contiene lavorando
disegni di attrezzi, elenchi di parti ebbero bisogno, ed un passo alla volta
Tecniche di instructions.  per esercitarsi boreholes sono date più
attenzione che quelli che descrivono mano scavata fonti.
 
Watt, B. di S.; e Legno, W. E. Mano Scavò Fonti e la loro costruzione.
Londra: Pubblicazioni di Tecnologia intermedie Ltd.,
1977. 253 pp.
     Provides un passo alla volta guida sulla tecnica attuale di
mano scavò bene costruzione nella quale l'asta abbastanza è grande
permettere gli escavatrice per discendere come il lavoro progresses.  Il
metodo di borehole non è dato con.
 
APPENDICE DI                                  IO
 
PRESA DI DECISIONE DI                           WORKSHEET
 
Se Lei sta usando questo manuale come un orientamento per incluso un
semplice-pompa in un sforzo di sviluppo, raccolga come molte informazioni
come possibile e, se Lei ha bisogno di assistenza col progetto,
scriva Un rapporto VITA.  sulle Sue esperienze e gli usi di questo
manuale aiuterà VITA ambo migliorano il libro ed aiuto altri
sforzi simili.
 
           Volunteers in Assistenza Tecnica (VITA)
              1815 nord la Strada di Lynn, Seguito 200
              Arlington, Virginia i 22209-2079 Stati Uniti
 
USO CORRENTE E LA DISPONIBILITÀ
 
*  Describe pratiche agricole e nazionali correnti che
   conta sull'acqua a del punto.
 
*  Che fonti di acqua sono available?  Includono fiumi, ruscelli
Laghi di   , stagni.   È fonti nell'area là?   Che type?  quello che
   sono usati per?
 
*  per Cosa è usata tradizionalmente acqua?
 
NECESSITÀ E RISORSE
 
*  Based su pratiche agricole e nazionali correnti, quello che
   sembra essere le aree di need?  più grande Fa la comunità
   ha bisogno di una fonte di pulisca bevendo water?  un affidabile
Fonte di    di stiramento di acqua irrigatorio la stagione crescente, permettendo
La produzione di    di un raccolto supplementare per uso di casa o
Vendita di   ?
 
*  quello che è le caratteristiche del problems?  È il locale
Popolazione di    consapevole del problem/need?  Come sa?
 
*  Ha alcuna persona locale, particolarmente qualcuno in una posizione di
Autorità di   , espresse il bisogno per o interessa in questo
Tecnologia di   ?   in tal caso, inscatoli qualcuno sia trovato aiutare presenti
   la tecnologia?
 
*  È ufficiali locali che potrebbero essere coinvolti e potrebbero essere forniti là
   come risorse?
 
*  Come Lei aiuta la comunità a decidere quale tecnologia è
   appropria per lui?
 
*  Che fonti di acqua disponibili sembrano essere più useful?  È
   incaglia acqua dolce o saline?  Will che Lei confida su esistere
Le fonti di    o la volontà uni nuovi devono essere dug?  Come fa l'acqua
   propone fluttui? Chi possiede il bene, o la terra dove nuovo
Le fonti di    saranno localizzate? Come guadagna accesso?
 
*  È materiali di costruzione locally?  disponibili Sono locali
Sufficient?  di abilità di    Che manterranno l'equipment?  Sono
   parti di ricambio disponibile se loro devono essere acquistati?
 
*  Fa una stima di costo del lavoro, parti, e materiali
   ebbe bisogno. Will di   salute trae profitto di un sanitario bene vinca
   costa? Will di   migliorò prodotti agricoli pagano per pompa
Installazione di   ?   una tassa di utente È una scelta?
 
*  Fa la tecnologia richieda fuori di funding?  È locale
   che procura fonti disponibile?
 
*  quello che è il Suo schedule?  È Lei consapevole di feste e
   piantando o raccogliendo stagioni che possono colpire il tempismo?
 
*  Come voglia Lei diffuse informazioni su, e promuove uso di, il
Tecnologia di   ?
 
IDENTIFICHI LA TECNOLOGIA PIÙ ADATTA
 
*  È più di un acqua-sollevamento tecnologia applicable?  Peso
   le spese delle tecnologie varie relativo all'un l'altro--
   pienamente in termini di lavoro, l'abilità richiese, materiali, installazione
   ed operazione costs.  Remember per guardare a tutti il
   costa.
 
*  È persone di risorsa specializzate disponibili chi può guidare il
Introduzione di    della tecnologia?
 
*  Dove è sufficientemente di grande potenza il bisogno e risorse sono
   available, consideri preparare un'impresa manifatturiera.
 
FINALE DECISIONE
 
*  Come era la finale decisione arrivò andare avanti--o non va
   avanti--con questa tecnologia?
 
APPENDICE DI                                 II
 
                           RECORD LA CUSTODIA WORKSHEET
 
COSTRUZIONE
 
Fotografie della costruzione trattano, così come il
risultato finito, è più tardi utile per ripara e per altri
chi può volere copiare la Sua pompa.   Loro aggiungono interesse e dettaglio
è probabile che quello sia trascurato nel resoconto.
 
Un rapporto sul processo di costruzione dovrebbe includere molto molto
information.  specifico che Qualche genere di dettaglio spesso può essere esaminato
più facilmente in tabelle (come quello sotto).   <Veda Rapporto 1>

sspxrp10.gif (486x486)


 
SPESE SPECIALI
 
Questa categoria include danno causato da tempo, disastri naturali
vandalismo, etc.  Pattern le note dopo la routine
manutenzione records.  Describe per ogni incidente separato:
 
* Causa ed estensione di danno.
* Spese di lavoro di ripari (come conto di manutenzione).
* Materiale costa di ripari (come conto di manutenzione).
* Misure prese prevenire ricorrenza.
 
APPENDICE DI                          III
 
              LA FABBRICAZIONE DEL BLOCCO DEL PORTANTE DI LEGNO
 
INTRODUZIONE
 
Appoggio di blocchi che porta, guidi, ed assorba il carico e spinta
di trasportare parti in apparecchiature meccaniche.   al quale il Loro scopo è
mantenga posizione, e riduca calore, l'attrito, ed uso.
 
Portante propriamente funzionando sono necessari per meccanico
apparecchiature per realizzare la loro efficienza di massimo e lifespan.
Portante poveramente fatti riducono l'efficacia conduzione.   Poorly
portante mantenuti possono condurre a fallimento della macchina.
Lubrificazione che porta ed impropria è citata come un funzionamento spesso
problema in paesi in sviluppo.   che portante Di legno di solito sono
stesso-lubricating.  Quelli che sono non possono essere lubrificati con
grasso, petroli, o liquidi altri.
 
C'è una serie larga di sopportare tipi, come portante di manica
portante di palla, e portante di chi arrotola.   dell'appoggio di portante
carichi radiali mentre carichi di spinta di appoggio altri.   Ambo i tipi di
carichi esistono in tutte le macchine.
 
TIPI DI PORTANTE SOLIDI
 
Un portante solido può essere semplicemente un blocco di legno con un buco
si esercitato attraverso it.  Properly disegnò e mantenne solido
portante riducono l'attrito mantenendo un strato di lubrificazione
tra l'asse che ruota o asta e la superficie che porta.
 
Il più grande il carico che porta, il più grande il portante deve essere.
Girando lentamente, carichi pesanti costringono attenzione speciale a ridurre
l'ammontare, di friction.  Il più che il potere ha perso all'attrito, il
più grande il portante deve be.  portante Efficienti sprecano meno il potere
e permette la taglia della macchina e costò essere ridotto.
 
Portante solidi sono tagliati comunemente in metà prima che loro siano installati
permettere sostituzione più facile dell'asse ed il portante.
Portante solidi che sono stati tagliati in metà sono noto come
dividere-mezzi portante.
 
MATERIALI
 
Il legno selezionato per portante dovrebbe avere stesso-lubrificando buono
properties.  che Tali boschi sono levigati facilmente, difficile a
impregni con conservanti.   che Loro non possono essere incollati facilmente, e
non reagisca con acid.  degli esempi di stesso-lubrificare boschi
tek di are: , blackbutt, bosso, quercia, poon, tallowood, pera
lignum vitae, e camphorwood.   Il tipo di legno usò la volontà
dipenda da disponibilità locale.
 
Il legno più duro disponibile dovrebbe essere usato per fare portante.
A legno selezionato per portante dovrebbe essere permesso per asciugare per otto
a 12 settimane prima che sia usato.   Asciugando fa il legno più duro e
più resistente a wear.  portante Di legno eventualmente porteranno
fuori, however.  Loro sono sostituiti a buon mercato e facilmente quando loro
è portato completamente.
 
Un vantaggio di portante di legno e propriamente costruiti è quello
loro non hanno bisogno di lubrificazione continua.   Quelli boschi che non sono
stesso-lubrificando naturalmente può essere impregnato con petrolio.   Questo
coinvolge mettendo a bagno i portante in non petrolio finché i portante sono
impregnato completamente con petrolio (questo processo è ulteriore spiegato
nella sezione seguente).
 
Quando un manica nascendo comincia a portare, vuole vaso per essere completamente
replaced.  che Le facce intonato di dividere-mezzi portante possono
sia planato in giù ed il flipped dei portante su quando un lato
avvia portare.
 
MANUTENZIONE
 
Portante di legno non avranno bisogno di molto, se alcuno, lubrificazione supplementare
se stesso-lubrificando boschi è usato per costruirli.   Il
articolo di problema per guardare per, nella cura di portante di legno è
wear.  lubrificazione Periodica può essere desiderabile se i portante
sembri logorare troppo rapidamente.
 
Portante devono, ogni qualvolta possibile, sia installato in una posizione
dove immondizia cadente non li entrerà direttamente.
 
La vita di portante di legno può essere estesa, e la loro efficienza
migliorato, impregnandoli con petrolio.   dal quale Questo è fatto
mettendoli in un tino di motore o vegetale lubrifica e scaldando
il petrolio finché tutta l'umidità è guidata fuori del legno.
Questo processo può impiegare da 30 minuti a due ore, e è un
debba per portante di manica per prevenire più tardi contrazione.   Il processo
è completo quando ruscelli solamente singoli di aumento di bolle piccolo
dai portante alla superficie del petrolio.   che I portante dovrebbero essere
andato via al fondo del tino e permise di rinfrescare durante la notte.
Questo permette loro di assorbire l'ammontare di massimo di petrolio.
 
(LA NOTA: CURA ESTREMA SI DOVREBBE PRENDERSI QUANDO OCCUPANDOSI DI IL TINO DI
PETROLIO CALDO PER EVITARE SCOTTATURE SERIE.)
 
La porzione dell'asta direttamente in contatto col portante
debba essere come tondo e debba lisciare come possibile per evitare uso di eccesso
sui portante.
 
== == == == == == == == == == == == == == == == == == == ==
== == == == == == == == == == == == == == == == == == == ==

CD3WD Project Donate