Risorse di Acqua che usano

CD3WD Project

Back to Home Page of CD3WD Project or Back to list of CD3WD Publications


Home - English - French - German - Italian - Portuguese - Spanish
                            Using Risorse di Acqua
 
                           che Questo manuale è estratto
                    dal Manuale della Tecnologia del Villaggio.
            Published di VITA, Volontarii in Assistenza Tecnica
 
 
                           [sup.c] VITA, Inc. 1977
 
 
                            Second stampa, 1978
 
 
Introduzione di                               
 
  Using Risorse di Acqua è un estratto del Villaggio estesamente noto di VITA
Tecnologia HANDBOOK.  che è stato pubblicato come un volume separato per incontrare
il grande, richiesta mondiale per informazioni su sviluppando e mantenere
innaffi supplies.  che Questo manuale provvede materiale che è tecnicamente
competente e è presentato così che può essere usato facilmente da pubblico
livelli diversi che hanno dell'abilità.
 
Le informazioni di   VITA sono preparate per lo scopo di aiutare sviluppo
processi nel terzo Mondo.   However, VITA si rende conto di quello materiali
contenuto qui ed in pubblicazioni di VITA altre è dappertutto utile a persone.
Perciò, il Servizio di Pubblicazione di VITA è lieto per offrire il
comunità di tecnologia di appropriate/alternative mondiale le tecnologie
sviluppato, disegnò, ed adattò da Volontarii di VITA.
 
  che Il materiale contenuto in questo volume è usato widely.  Per esempio,
da:
 
  *   rappresentanti Spontanei di molte nazioni--gli Stati Uniti,
Svizzera di     , Giappone e così su--lavorando in attività di sviluppo
     in tutto il mondo.
 
  *   che la comunità Locale raggruppa negli Stati ed organizzazioni di villaggio
     in tutto l'in sviluppo e sviluppò mondo.
 
  * organizzazioni di Sviluppo di   che cercano informazioni su che basare
     o progetti di attrezzo.
 
  *   Fare-esso-yourselfers orientamenti mancanti per sviluppo di risorse di acqua.
 
Lo scopo di   VITA è provvedere queste pubblicazioni a prezzi che assicurano il
informazioni sono disponibili a come molto persone come possibile.
 
  Nel testo, dimensioni sono date in unità metriche, con unità inglese
in parentheses.  Nelle illustrazioni, unità solamente metriche sono date.
 
  Reference i materiali, insieme ad informazioni su dove loro possono essere ottenuti.
è elencato alla fine di entrate specifiche.
 
                       Il Manuale della Tecnologia del Villaggio
 
  che Il Manuale della Tecnologia del Villaggio era
cominciato nel 1962 da Volontarii di VITA che era
cercando un mezzi di tenere il
i villaggi di mondo in tocco l'un con l'altro.
Le persone di VITA sentirono che le tecnologie svilupparono
e trovato utile in un villaggio
dovrebbe essere fatto disponibile alle comunità altre.
Così, la prima Tecnologia di Villaggio
Manuale stato pubblicato nel 1963 a
porti insieme informazioni su un numero
di temi riferiti direttamente a villaggio
sviluppo.
 
  La prima edizione della Tecnologia di Villaggio
Manuale stato pubblicato nel due
volumes.  Nel 1970, il materiale era
redatto, rechecked per l'accuratezza di VITA
specialisti, e ripubblicato nell'uno
volume.  che materiale Bibliografico era
aggiunto guidare lettori a fonti altre
di informazioni, particolarmente su quelli
soggetti non coperti in dettaglio nel
Handbook.  Un ulteriore, ma limitato, revisione
del materiale fu stampato in
Gennaio 1975.
 
  che Il Manuale della Tecnologia del Villaggio contiene
informazioni da molte fonti; ancora
tutte le entrate descrivono tecniche
ed apparecchiature che possono essere fatte e possono essere usate
in villaggi.
 
  oltre al materiale sull'acqua
risorse per le quali sono state estratte
questo volume, il Manuale completo contiene
informazioni nelle aree seguenti:
 
Salute di *  ed Igiene
 
Agricoltura di * 
 
Cibo di *  che Tratta e Conservazione
 
Costruzione di * 
 
*  Casa Miglioramento
 
Arti di *  ed Industria di Villaggio
 
Indice di                              
 
Fonti di Acqua in sviluppo                             
Acqua macinata che ottiene da fonti e primavere
Tubewells
Secchio asciutto che si esercita bene
Fonti che guidano
Fonti scavate
 
Sollevamento di acqua e Trasporto                         
Trasporto di acqua
Sollevamento di acqua
Pompe
 
Innaffi Deposito ed il Potere di Acqua                      
Sviluppo primaverile
Cisterne
Selezionando un damsite
Trasmissione di potere di filo alternativa
 
Innaffi Purificazione                                 
Caldaia per bere acqua
La clorazione per acqua inquinata e superchlorination
  di fonti, encasements primaverile
  e cisterne
Innaffi pianta di purificazione
Filtro di sabbia
 
I SIMBOLI DI                            E LE ABBREVIAZIONI
                               USED IN QUESTO LIBRO
 
@. . . . a
." . . . pollice
'. . . . piede
C. . . . gradi Celsius (Centigrado)
cc . . . centimetro cubico
cm . . . centimetro
cm/sec . centimetri per secondo
d o dia. diametro
F. . . . gradi Fahrenheit
gm . . . grammo
gpm. . . galloni per minuto
HP . . . horsepower
kg . . . chilogrammo
km . . . chilometro
l. . . . litro
l pm. . . litri per minuto
l/sec. . litri per secondo
m. . . . metro
ml . . . millilitri
mm . . . millimetri
m/m. . . metri per minuto
m/sec. . metri per secondo
ppm. . . parti per milione
R. . . . raggio
 
                                  ABOUT VITA
 
VITA. . .
 
è un sviluppo privato, senza scopo di lucro
organizzazione basata nell'Unito
States.  da quando 1960 VITA ha approvvigionato
informazioni ed assistenza, primariamente
per posta, a persone che cercano aiuto con
problemi tecnici in più di 100
countries.  Providing in sviluppo suo
servizi in risposta a richieste da
individui e gruppi che lavorano migliorare
case, fattorie, comunità, società
e le vite, VITA aiuta selezioni
e perfeziona le tecnologie appropriano
alla situazione.
I servizi tecnici di   VITA sono provvisti
da un corpo mondiale di 4500
esperti Spontanei e specializzati ed un centrale
personale di venti.
  i consulenti di VITA possono aiutare disegno un
ponte che usa materiali locali; collabori
su un piano di mulino a vento per pompare
acqua o l'elettricità generatrice; concepisca
un attrezzo agricolo; sviluppi un
metodo per ricostituire polverizzato
munga per un programma di pranzo di scuola; la scoperta
fuori perché un essere di pompa esaminato non è
lavorando; valuti un leathercraft piccolo
affari,
  Durante il corso degli anni VITA ha guadagnato mondiale
riconoscimento per le tecnologie in sviluppo
di risposta a specifico culturale
e contesti tecnici.
Le Aree di   di interesse particolare a VITA
è:
--l'agricoltura e l'agricoltura di animale
--sistemi di energia alternativi (il vento,
   solare, bio-benzina, ecc.)
--acqua ed igiene
--lavorazione di cibo
--industrie su piccola scala
--disegno di attrezzatura
--la praticabilità di progetto e valutazione
--edilizia a buon mercato e costruzione
--produzione di arti ed introducendo sul mercato
  VITA pubblica attualmente approssimativamente 50
manuali di tecnologia adatti, molti
disponibile in francese e lo spagnolo come
bene come English.  Questa quantità di manuali
con temi così specifici come mulini a vento,
fornelli solari, ruote di acqua
alzata di coniglio.
  In somma, un numero di VITA
Bollettini tecnici sono disponibili.
Questi sono piani e studi di caso
quali idee presenti ed alternative
incoraggiare la sperimentazione ulteriore
ed esaminando e provvede accesso a
alcuno del meglio dai Volontarii di VITA
ed others.  elenchi Completi di pubblicazioni
e bollettini tecnici
è disponibile su richiesta.
  VITA Notizie sono un bollettino d'informazione trimestrale
quale provvede un comunicazioni importanti
colleghi fra lontano-flung le organizzazioni
coinvolto in trasferimento di tecnologia
ed adaptation.  che Le Notizie contengono
revisioni di libri nuovi, astratti tecnici
aggiornamenti su attività mondiali,
avvisi di organizzazioni nuove.
  VITA è un'organizzazione dinamica, flessibile
con un estremamente costare-effettivo
programmi per soddisfare sviluppo
needs.  Procurando viene
da una varietà di pubblico e privato
sources.  Come un senza scopo di lucro
organizzazione, VITA conta su individuo,
affari e fondazione
appoggio per assicurare la continuazione di
i suoi Contributi di activities.  in alcuno
ammonti dovunque da persone in the'
mondo sinceramente è aumentato di valore.
 
Per informazioni ulteriori, scriva a
VITA, 3706 Rhode Isola Viale
Monte più Piovoso, Maryland i 20822 Stati Uniti.
 
Innaffi Risorse

uwrx1.gif (437x393)


 
Fonti di Acqua in sviluppo
 
  There sono tre fonti principali di acqua
per piccolo acqua-provveda sistemi:   incaglia
annaffi, acqua di superficie e rainwater.   Il
entrate che seguono descrivono i metodi
di ottenere acqua da queste tre fonti:
 
1.  Acqua Macinata che Ottiene da Fonti e
    Springs.
 
2.  Edificio Dighe Piccole per Raccogliere Superficie
    Water.
 
3.  Rainwater che Raccolgono in Cisterne.
 
  che La scelta della fonte di acqua dipende
su circumstances.  locale Un studio
dell'area locale determinare dovrebbe essere fatto
quale fonte è migliore per provvedere
acqua che è (1) la cassaforte e salubre,
 
(2) facilmente disponibile e (3) sufficiente
in quantità.
 
Una volta l'acqua è fatta disponibile, esso
deve essere portato da dove è dove
è avuto bisogno e passi devono essere presi
sia sicuro che è pure.  Questi soggetti
è coperto in sezioni su:
 
Sollevamento di acqua
 
Trasporto di acqua
 
Innaffi Purificazione
 
  Una sezione aggiunta su Creazione di Mappa dà
orientamenti che saranno utili in irrigazione
e progetti di prosciugamento.
 
                                    * * * * *
 
ACQUA MACINATA CHE OTTIENE DA FONTI E PRIMAVERE
 
  Questa sezione spiega acqua macinata e
poi descrive una varietà di metodi di
acqua macinata che raccoglie:
 
1.  Tubewells
 
  UN.   Well Telaio e Piattaforme
 
  B.   Hand-Operated che si Esercita Attrezzatura
 
  C.   Driving le Fonti
 
2.  Fonti Scavate
 
3.  Sviluppo di Primavera
 
Acqua macinata
 
  Ground che acqua è subsurface annaffiano che
riempimenti aperture piccole (legge attentamente) di allenti
sedimenti (come sabbia e ghiaia) o
rocks.  Per esempio, se noi prendessimo un chiaro
ciotola di vetro, lo riempì con sabbia, e poi
versato in dell'acqua, noi noteremmo
l'acqua " scompare " nella sabbia (veda
Figuri 1) .  However, se noi guardassimo attraverso

uwr1x3.gif (486x486)


il lato della ciotola, noi vedremmo acqua
nella sabbia, ma sotto la cima del
sand.  che La sabbia che contiene l'acqua è
detto di essere saturated.  La cima del
sabbia resa saturo stata chiamata la tavola di acqua,
è il livello dell'acqua nella sabbia.
 
  L'acqua sotto della tavola di acqua è
acqua di terra vera disponibile (pompando)
per use.  There umano acqua è nel suolo
sopra della tavola di acqua, ma non fa
fluisca in un bene e non è disponibile per
uso pompando.
 
  Se noi inserissimo una paglia nei resero saturo
sabbi nella ciotola in Figura 1 e
succhiato sulla paglia, noi ne otterremmo
acqua (inizialmente, noi troveremmo un po' di sabbia
anche) .  Se noi succhiassimo brami abbastanza, l'acqua
tavola o livello di acqua lascerebbero cadere verso
il fondo del bowl.  che Questo è precisamente
quello che accade quando acqua è pompata da un
bene si esercitò sotto la tavola di acqua.
 
  I due fattori di base nell'avvenimento
di incagli are:  di acqua (1) la presenza
di acqua, e (2) un mezzo per albergare "
il water.  In natura, acqua è primariamente
purché da precipitazione (la pioggia e
neve), e secondariamente, da acqua di superficie
caratteristiche (fiumi e laghi).   Il mezzo
è pietra porosa o sedimenti sciolti.
 
 
  Il serbatoio di terra-acqua più abbondante
accade nelle sabbie sciolte e ghiaie
in fiume valleys.  Here la tavola di acqua
rudemente rende paralleli la superficie di terra che
è, la profondità alla tavola di acqua generalmente è
constant.  Disregarding alcuno drastico
cambi in clima, terra-acqua naturale
le condizioni sono equamente uniforme o equilibrato.
In Figura 2, l'acqua versò nel

uwr2x4.gif (486x486)


ciotola (analogo a precipitazione) è bilanciato
dall'acqua che licenzia fuori del
giochi a bocce all'elevazione più bassa (analogo a
licenzi in un ruscello) .  Questo movimento
di incagli acqua è lenta, generalmente i centimetri
o si muove al giorno.
  Quando la tavola di acqua si interseca il
superficie di terra, primavere o paludi sono
formato (veda Figura 3) .  Durante un particolarmente

uwr3x5.gif (540x540)


stagione bagnata, la volontà di tavola di acqua
molto venga più vicino alla superficie di terra che
normalmente fa e molte primavere nuove o
aree acquinitrose vogliono appear.  Sull'altro
dia, durante una stagione particolarmente asciutta,
la tavola di acqua sarà più basso che normale
e molte primavere asciugeranno su ".   Molti
fonti poco profonde possono andare anche " asciutte ".
 
Flusso di Acqua a Fonti
 
  Un di recente scavò bene riempimenti con acqua un
metro o così (alcuni piedi) profondo, ma dopo
del pompando duro diviene asciutto.   Ha
i bene fallirono? Era scavato nello sbagliato
luogo? Più probabile Lei sta testimoniando
il fenomeno di drawdown, un effetto
ogni pompò bene come sulla tavola di acqua,
(veda Figura 4).

uwr4x5.gif (486x486)


 
  Perché flussi di acqua attraverso sedimenti
pressocché alcuno può essere pompato bene lentamente, asciutto
temporaneamente se abbastanza è pompato duro.
Alcuno pompando abbasserà il livello di acqua
fino ad un certo punto, nella maniera mostrata in
Figuri 4.  che Un problema serio deriva solamente
quando il drawdown a causa di uso normale abbassa
la tavola di acqua sotto il livello del
bene.
  Dopo il bene è stato scavato circa un
metro (molti piedi) sotto l'acqua
proponga, dovrebbe essere pompato a circa il
lo tassi sarà usato per vedere se il flusso
nel bene è adequate.  Se non è
sufficiente, ci possono essere modi di migliorare
it.  Digging il bene profondo o la volontà più larga
non solo tagli attraverso più dell'acqua-portante
strato per permettere più flusso nel
bene, ma abiliterà anche il bene a
immagazzini una quantità più grande di acqua che
colare in overnight.  Se il bene è
ancora non adeguato e può essere scavato nessuno
più profondo, può essere allargato ulteriore, forse
allungato in una direzione, o
più fonti possono essere dug.  Se è possibile
un altro metodo è fare così in salvo,
scavare tunnel orizzontali fuori dal
fondo del well.  La meta di tutti
questi metodi sono tagliare più di
gli strati acqua-che porta, così che il
bene produca più acqua senza
abbassando la tavola di acqua al fondo
del bene.
 
Dove Scavare un Bene
 
  Quattro fattori importanti per considerare in
scegliendo un bene luogo è:
 
1.  Vicinanza per Affiorare Acqua
2.  Topografia
3.  Tipo di Sedimento
4.  Vicinanza a Sostanze inquinante
 
1.  Vicinanza per Affiorare Acqua
 
  Se c'è vicino alcuna acqua di superficie,
come un lago o un fiume, localizzi il
bene come vicino esso come possibile.   è probabile
comportarsi come una fonte di acqua e castello
la tavola di acqua dall'essere abbassato come
molto come senza it.  Questo non fa sempre
comunque, lavori bene come laghi e
corpi lento-commoventi di acqua generalmente
abbia limo e copra di limo sul fondo che
impedisca ad acqua di entrare la terra
rapidamente.
 
  There non può sembrare essere molto punto a
scavando un bene vicino un fiume, ma la filtrazione
azione del suolo risulterà in
acqua della quale è più pulita e più libera
bacteria.  può essere anche più fresco che
superficie water.  Se il livello di fiume fluttua
durante l'anno, un bene darà
acqua più pulita (che acqua di ruscello) durante
la stagione di inondazione, anche se acqua macinata
spesso diventa sporco durante e dopo un'inondazione;
un bene darà anche acqua più affidabile
durante la stagione asciutta, quando l'acqua
livello può lasciare cadere sotto il letto del fiume.
Questo metodo di approvvigionamento di acqua è usato da
del cities:  un grande bene è affondato seguente
ad un lago o fiume e tunnel orizzontali
è scavato per aumentare il flusso.
 
Fonti di   vicino l'oceano, e specialmente
quelli su isole, non solo può avere il
problema di drawdown ma che di sale
innaffi encroachment.  Il sottosuolo
confine tra fresco ed acqua di sale
generalmente si inclina inland:  Perché sale
acqua è più pesante di acqua fresca, esso
flussi in sotto it.  Se un bene vicino il
spiaggia è usata pesantemente, acqua di sale può
venga nel bene come mostrato in Figura 5.

uwr5x6.gif (437x437)


Questo non dovrebbe accadere in fonti da che
solamente un ammontare moderato di acqua è disegnato.
 
2.  Topografia
 
  Ground l'acqua, mentre essendo liquido, raggruppa in
areas.  Therefore basso, la terra più basso
è il luogo migliore da esercitarsi generalmente o
dig.  Se la Sua area è appartamento o fermamente
inclinandosi, e non c'è acqua di superficie,
un luogo è come buono come un altro per cominciare
esercitandosi o digging.  Se la terra è
collinoso, fondi di valle sono i luoghi migliori
cercare acqua.
 
  Lei può sapere di un'area collinosa con un
primavera sul lato di una collina.   tale
primavera potrebbe essere il risultato di acqua muoversi
attraverso un strato di pietra porosa o un
zona di frattura in altrimenti impervio
rock.  che fonti di acqua Buone possono risultare
da tale features.  Se Lei può vedere
strati di pietra che si conficca fuori del pendio,
Lei può essere capace a supposizione dove un
strato acqua-che porta può essere trovato scavando
in giù da più alto sulla collina.   Questo
è perché strati la maggior parte di continuano su
distanze corte.
 
3.  Tipo di Sedimento
 
  Ground che acqua accade in poroso o fratturato
pietre di Ghiaia di sediments. , sabbia
ed arenaria è più porosa della creta,
argillite di unfractured e granito o " sodo
pietra ".
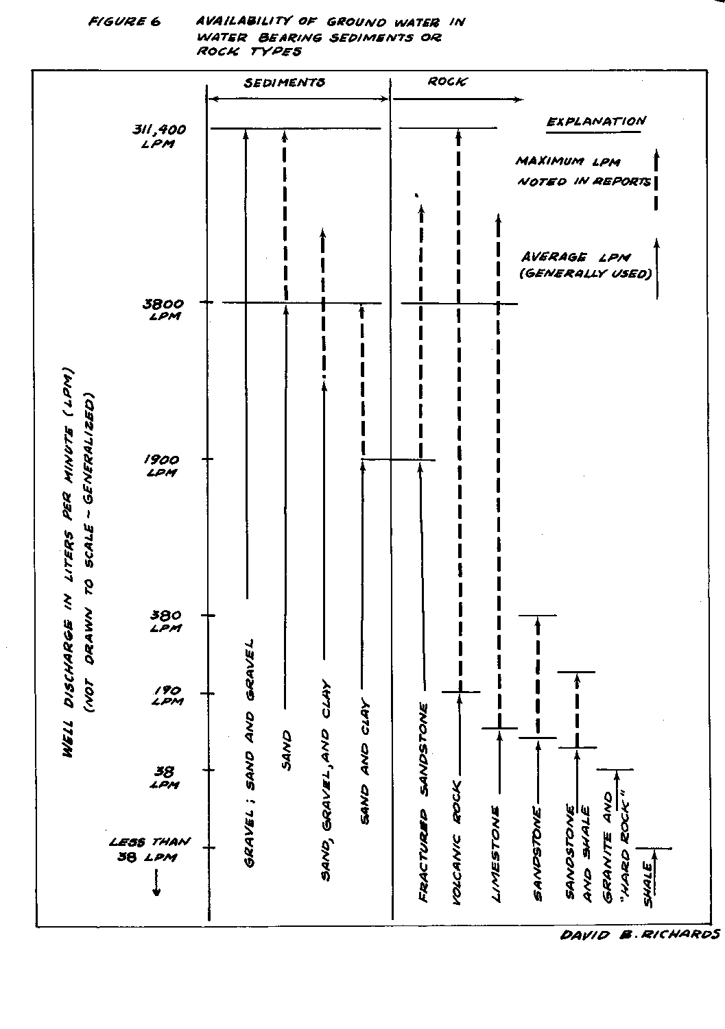
  Figure 6 show in un modo generale la relazione

uwr6x8.gif (600x600)


tra la disponibilità di
acqua macinata (espresse bene da tipico
scarichi) e materiale geologico (i sedimenti
e pietra varia dattilografa) .  Per
progettando il bene licenzi necessario
per irrigare raccolti, una regola buona di
si volti col pollice per climi semi-aridi--37.5cm
(15 ") di precipitazione un anno--è un
1500 a 1900 litri (i 400 a 500 Stati Uniti
galloni) per minuto quali irrigheranno bene
approssimativamente 65 ettari (160 acro) per
approssimativamente 6 months.  Da Figura 6, noi vediamo
quelle fonti nei sedimenti generalmente sono
più di adequate.  However, abbastanza
acqua macinata può essere ottenuta da pietra,
se necessario, esercitandosi un numero di
wells.  del quale acqua più Profonda generalmente è
quality.  Water migliore da fonti poco profonde
è generalmente più duro dell'acqua da pietra
aquifers; questo può essere importante per ospedali
e delle industrie.
 
  Sand e ghiaia sono normalmente porose e
creta non è, ma sabbia e ghiaia possono contenere
ammontari diversi di limo e creta
quali ridurranno la loro abilità di portare
water.  Il modo unico di trovare il prodotto
di un sedimento è scavare un bene e pompa
esso.
 
  Nello scavare un bene, sia guidato dai risultati
di fonti vicine, gli effetti di
le fluttuazioni stagionali su fonti vicine,
e tiene un occhio sui sedimenti in Suo
bene come è dug.  In molti casi Lei
trovi che i sedimenti sono in
strati, alcuno poroso ed alcuni non.   Lei
essere capace predire dove Lei vuole
colpisca acqua comparando la margotta in
Suo bene con quello di fonti vicine.
 
  Figures 7, 8 e 9 illustrano molto

uwrx10.gif (600x600)


situazioni di sedimento e dà orientamenti
su come profondo scavare fonti.
 
4.  Vicinanza a Sostanze inquinante
 
  Se inquinamento è nell'acqua macinata, esso
mosse con it.  Therefore, un bene debba
sempre sia in salita e 15 a 30 metri (50
a 100 piedi) via da una latrina, aia,
o fonte altra di inquinamento.   Se
l'area è piatta, ricordi che il flusso
di incagli acqua sarà discendente, come un
fiume, verso alcun corpo vicino di superficie
water.  Locate un bene nel controcorrente
direzione da fonti di inquinamento.
 
  Il più profondo la tavola di acqua, i meno
l'opportunità di inquinamento perché le sostanze inquinante
debba viaggiare prima della distanza discendente
water.  macinato che entra che L'acqua è purificata
come fluisce attraverso il suolo.
 
  che acqua Addizionale ha aggiunto alle sostanze inquinante
aumenti il loro flusso in ed attraverso
il suolo, anche se aiuterà anche diluisca
Inquinamento di them.  di incagli acqua è
più probabile durante il piovoso che il
stagione asciutta, specialmente se una fonte di
inquinamento come una buca di latrina è permesso
riempire anche con water.  See
" Introduzione a Latrine Sanitarie,"
p. 147.  Similmente, un bene quello è
molto usato aumenterà il flusso di
acqua macinata verso lui, invertendo anche forse
la direzione normale di incagli
innaffi movement.  L'ammontare di drawdown
è una guida a come pesantemente il bene è
essendo usato.
 
  Polluted che acqua di superficie deve essere tenuta
fuori del bene pit.  dal quale Questo è fatto
telaio e sigillando il bene.
 
Bene Telaio e Sigillo
 
  Lo scopo di telaio e sigillando fonti
prevenga acqua di superficie contaminata
dall'entrare il bene o terra vicina
Water.  Come acqua saranno indubbiamente
si versato da alcuna pompa, la cima del bene
deve essere sigillato con una lastra concreta per lasciare
il flusso di acqua via piuttosto che rientrare
il bene directly.  è anche utile a
sviluppi l'area di pompa con immondizia per formare
un disdegni collina che aiuterà esaurisca via
acqua versata ed acqua di pioggia.
 
Figuri 6. Disponibilità di incagli acqua

uwr6x8.gif (600x600)


da sedimenti vari e tipi di pietra.
 
Aquifers (sedimenti acqua-che porta) di Sabbia
  e Ghiaia. Generalmente produca 11,400 1pm
  (3000 gpm) (ma loro possono produrre meno dipendendo
  su pompa, bene la costruzione e
  bene lo sviluppo.
 
Aquifers di Sabbia, Ghiaia, e Clay (Mescolò
  o Interbedded) .  Generally producono
  tra 1900 1pm (500 gpm) e 3800 1pm
  (1000 gpm), ma può produrre più--tra
  3800 1 pm (1000 gpm) e 11,400 1pm (3000
  che gpm)--dipende dalla percentuale del
Costituenti di  .
 
Aquifers di Sabbia e Clay. Generalmente il prodotto
  approssimativamente 1900 1pm (500 gpm) ma può produrre come
  molti come 3800 1pm (1000 gpm).
 
Aquifers di Arenaria Fratturata. Generalmente
  produce approssimativamente 1900 1pm (500 gpm) ma può
  produce più di 3800 1pm (1000 gpm) dipendendo
  sulla grossezza dell'arenaria
  ed il grado ed estensione di fratturare
  (può produrre anche meno che 1900 1 pm (500
   gpm) se sottile e poveramente fratturato o interbedded
  con creta o argillite).
 
Aquifers di Calcare. Generalmente produca fra
  38 1pm (10 gpm) e 190 1pm (50 gpm)
  ma è stato saputo di produrre più di 3800
  1pm (1000 gpm) a causa di caverne o vicinanza
  a ruscello, ecc.
 
Aquifers di Granito o Rock " Duro. Generalmente
  produce 38 1pm (10 gpm) e può produrre
  meno (abbastanza per famiglia piccola).
 
Aquifers di Argillite. Produca meno che 38 1pm
  (10 gpm), non molto buono per qualsiasi cosa eccetto
  come un ultima istanza.
 
Il Telaio di   è il termine per il tubo, cemento
anello o materiale altro che sostengono il
bene wall.  è di solito impermeabile in
la parte superiore del bene tenere fuori
acqua inquinata (veda Figura 7) e può essere

uwr7x10.gif (300x600)


perforato o assente nella parte più bassa di
l'acqua bene lasciata entra.   See anche
" Bene Telaio e Piattaforme, " p. 12, e
Fonti Scavate che " ricostruiscono, " p. 59.
 
  Nel sedimento sciolto, la base del
bene debba consistere di un perforato
telaio circondato da sabbia comune e
ciottoli piccoli; altrimenti, pompando rapido
apportare l'abbastanza bene il materiale
formare una cavità e crollare il bene
itself.  Packing l'area circa il
bene buchi nello strato acqua-che porta con
ghiaia eccellente impedirà a sabbia di lavare
in ed aumenta la taglia effettiva
del well.  La gradazione ideale è da
sabbi a 6mm (1/4 ") inghiai seguente al
bene screen.  In un se l'esercitò bene modo
sia aggiunto circa lo schermo dopo la pompa
tubo è installato.
 
Bene lo Sviluppo
 
Bene sviluppo si riferisce ai passi
preso dopo un bene si è esercitato per assicurare
flusso di massimo e bene la vita preparando
i sedimenti circa il bene.   Lo strato
di sedimenti dai quali è l'acqua
spesso disegnato consiste di sabbia e limo.
Quando il bene prima è pompato, la multa
materiale sarà disegnato nel bene e
fabbrichi muddy.  al quale Lei vorrà l'acqua
pompi fuori questo materiale eccellente per tenerlo
dall'infangare più tardi l'acqua e fare
i sedimenti vicino il bene più poroso.
Comunque, se l'acqua anche è pompata
rapidamente per prima, le particelle eccellenti possono
raccolga contro il telaio perforato o
la sabbia granisce al fondo del
bene e rende impraticabile il flusso di acqua in lui.
 
 
  Un metodo per rimuovere il materiale eccellente
con successo è pompare lentamente fino a che il
acqua chiarisce, poi a successivamente più alto
percentuali fino a che il massimo della pompa o
bene è reached.  Then il livello di acqua
dovrebbe essere permesso di ritornare a normale
ed il processo ripetè costantemente fino a che
acqua chiara è ottenuta.
 
  Un altro metodo sta agitandosi che è
trasportando un tuffatore (un affetto su un
si eserciti verga) su ed in giù nel bene.  This
cause l'acqua per agitarsi in e fuori di
lo strato sedimentario e lavata sciolto il
particelle eccellenti, così come alcuno che si esercita
fango si conficcò sul muro del bene.   Coarse
sedimento lavò nel bene può essere rimosso
da un secchio che affida, o può essere
andato via nel fondo del bene servire
come un filtro.
 
Fonti:
 
Michael T. Field, VITA Volunteer, Schenectady
New York
 
John Chronic, VITA Volunteer, Ciottolo
Colorado
 
David B. Richards, VITA Volunteer, Forte
Collins, Colorado
 
Yaron M. Sternberg, VITA Volunteer
Bloomington, Indiana.
 
Un Innesco sull'Acqua di Terra, H. L. Baldwin
e C. L. McGuinness, U. S. Governo
Ufficio stampante, Washington, C. di D., 1964
26 pagine, Stati Uniti $0.25
 
Questo libretto poco costoso discute terra
annaffi in più dettaglio che articolo
e è una referenza utile per chiunque lavorando
con fonti.
 
Acqua macinata Hydrology, D. K. Todd, Wiley
& Figli, New York, 1959, 336 pagine, Stati Uniti
$0.95.
 
Uno di molti manuali disponibile, questo
libro descrive l'approccio matematico
incagliare anche acqua study.  contiene
molte informazioni su soggetti relativi così
come bene lo sviluppo e legge di acqua.
 
Approvvigionamento di acqua per Aree Rurali e Piccolo
Comunità, E. G. Wagner un N. di J.
Lanoix, Organizzazione della Salute del Mondo
Ginevra, 1959, 340 pagine, $6.75.
 
Questo libro eccellente ha una varietà di informazioni
sull'acqua di terra, fonti, e
innaffi sistemi, tutti puntarono al villaggio
livello.
 
Hydrogeology, S. N. Davis e R. J. M.
Più di rugiada, Wiley & Figli, New York, 1966
300 pagine, Stati Uniti $11.00
 
Un altro manuale, ma concentra su
l'importanza della geologia sull'avvenimento
di incagli acqua.
 
Innaffi Bene Manuale, K. E. Anderson
Acqua di Missouri Bene l'Associazione di Trapanatori,
P. 0. Inscatoli 250, Rolla, Missouri, 1965
281 pagine, Stati Uniti $3.00.
 
Manuale comprensivo usato bene da
trapanatori ed ingegneri di campo; include
tabelle, tavole, e distribuzione di dati altra
con l'esercitandosi attrezzatura, ferramenta associò,
con bene la costruzione ed installazione
di pumps.  Molti considerano
questo il bible pratico di fonti di acqua.
 
Acqua macinata e Fonti, Edward E. Johnson
Inc., Santo Paul, Minnesota 55104, 440
pagine, 1966, approssimativamente $5.00.
 
Un libro di referenza semi-tecnico ed eccellente
usato dall'acqua-bene copertura di industria
tali articoli come: avvenimento di acqua macinato,
bene disegni come riferito alla geologia, bene
esercitandosi, bene la manutenzione e bene l'operazione.
 
Fonti, Reparto dell'Esercito, Tecnico
Manuale (TM 5-297), 1957, Soprintendente
di Documenti, Stati Uniti Governo Stampa
Ufficio, Washington 25, D.C., 264 pagine
$1.00.
 
Un libro elementare, comprensivo su bene
esercitandosi e bene la costruzione.   Easy a
legga e capisca, ma non come su a
sia insieme sopra come le referenze altre.
 
Approvvigionamenti di Acqua piccoli, Bollettino N.ro 10,
Il Ross Institute, la Strada di Keppel (Gower
Strada), Londra, W.C. 1, Inghilterra, 1967
67 pagine.
 
TUBEWELLS
 
  Dove licenza di condizioni di suolo, il tubewells
descrisse qui la volontà, se loro hanno
il telaio necessario, provveda puro
water.  Loro molto sono più facili installare
e costò molto meno che diametro grande
fonti.
 
  Tubewells probabilmente lavorerà bene
dove alesatori di terra semplici o terra
trivelle funzionano (i.e., piani alluvionali con
poco cullano nel suolo), e dove là
è un strato 15 acqua-che porta e permeabile
a 25 metri (50 a 80 piedi) sotto
il surface.  Loro sono sigillati fonti,
e di conseguenza sanitario, quale offerta
nessun azzardo a bambini piccoli.   Il
piccole quantità di materiali ebbero bisogno di castello
il costo down.  che Queste fonti non possono
produca abbastanza acqua per un gruppo grande,
ma loro sarebbero grandi abbastanza per una famiglia
o un gruppo piccolo di famiglie.
 
  La capacità di deposito in diametro piccolo
fonti sono small.  che il Loro prodotto dipende
grandemente sulla percentuale a che l'acqua
flussi dal suolo circostante in
il well.  Da un strato di sabbia reso saturo,
il flusso è rapid.  Water che fluisce in
rapidamente sostituisce acqua disegnata dal
well.  Un bene quali rubinetti tale strato
raramente va dry.  Ma pari quando acqua-che porta
a sabbia non è giunta, un bene con
anche una capacità di deposito limitata può
produca abbastanza acqua per una famiglia.
 
Bene Telaio e Piattaforme
 
  In casa o fonti di villaggio, telaio e
piattaforme servono due scopi: (1) a
tenga bene lati da caving in, e
(2) sigillare il bene e tiene qualsiasi
acqua di superficie inquinata dall'entrare
il bene.
 
  che Due tecniche di telaio a buon mercato sono
descritto qui:
 
1.  Metodo Un, da un Amici americani
    Service il Comitato (AFSC) la squadra in
    Rasulia, Madhya Pradesh, India.
 
2.  Metodo B, da un Internazionale
    Servizi Volontari (IVS) la squadra in
Il Vietnam di    .
 
Metodo A. (Veda Figura 1)

uwr1x13.gif (600x600)


 
Attrezzi e Materiali
 
Cemento di asbesto, tegola, calcestruzzo o
  uguaglia la volontà di ferro galvanizzata.
 
Tubo di telaio (da pompa ad acqua-che porta
Strato di   a sotto minimo
  innaffia tavola).
 
Sabbia
 
Ghiaia
 
Cemento
 
Apparecchiatura per abbassando e mettere
Telaio di   (veda Figura 2).

uwr2x13.gif (486x486)


 
Attrezzatura che esercita - veda " la Perforazione " di Tubewell
 
Piede valvola, cilindro, tubo, handpump.
 
  Il bene buco è scavato come profondo come
possibile nelle falde acqua-che porta.
Gli scavi sono messi vicini il buco
fare un tumulo che più tardi la volontà
serva ad esaurire via acqua versata da
il bene. Questo è importante perché
risacca è una delle fonti poche di
la contaminazione per questo tipo di bene.
Il tubo di telaio intero sotto acqua
livello dovrebbe essere perforato con molti
buchi piccoli nessuno più grande che 5mm (3/16 ")
in diameter.  Holes più grande di questo
permetta che sabbia comune sia lavata
in e collega sul bene.   Fine
comunque, particelle di sabbia si sono aspettate
ad enter.  Questi dovrebbero essere piccoli
abbastanza per immediatamente essere pompato fuori
attraverso la pompa; Questo tiene il bene
clear.  La prima acqua dal nuovo
bene portare con lui quantità grandi
di multa sand.  Quando accade questo, il
prima colpi dovrebbero essere forti e
consolidi e continuò fino a che l'acqua
viene in modo chiaro.
 
  Perforated che telaio è abbassato, fine di campana
discendente, nel buco che usa l'apparecchiatura
mostrato in Figura 2.  Quando il telaio
propriamente è posizionato, il viaggio
corda è tirata e la sezione prossima preparò
e lowered.  da quando buchi sono
si esercitato facilmente in tubo di cemento di asbesto,
loro possono essere telegrafati insieme alla giuntura
e chino nel well.  Sia sicuro il
campane aguzzano discendenti, fin da questa volontà
prevenga acqua di superficie o risacca da
entrando il bene senza il purificatore
effetto di filtrazione del suolo; esso la volontà
anche non permetta a sabbia ed immondizia di riempire
il well.  Install il telaio verticalmente
e riempe lo spazio rimanente con
pebbles.  Questo terrà il telaio
plumb.  Il telaio dovrebbe sorgere 30 a
60cm (1 ' a 2 ') sopra di livello di terra e
sia circondato con un piedistallo concreto
tenere la pompa ed esaurire si versarono
annaffi via dal Telaio di hole. 
giunture all'interno di 3 metri (10 piedi) del
superficie dovrebbe essere sigillata con calcestruzzo
o materiale bituminoso.
 
Metodo B
 
  Plastic sembra essere un telaio ideale
materiale, ma perché non era
prontamente disponibile, i galvanizzarono
ferro e telai concreti descrissero
ecco sviluppò nel mi Proibisca Thuot
area di Vietnam.  I materiali per uno
20 metro (65 ') bene, non incluso un
pompi, costi quasi Stati Uniti $17 nel 1959.
 
Attrezzi e Materiali
 
V-blocco di legno, 230cm (7 1/2 ') lungo
  (veda Figura 3)

uwr3x14.gif (145x437)


Ferro di angolo, 2 sezioni 230cm (7 1/2 ')
  brama
 
Suoni il piffero, 10cm (4 ") in diametro, 230cm
  (7 1/2 ') lungo
 
Morsetti
 
Maglio di legno
 
Attrezzatura che brasa
 
Metallo di foglio galvanizzato: 0.4mm x 1 metro
  x 2 metro (0.016 " x 39 112 " x 79 ")
Fogli di  
 
Telaio di plastica
 
  Black tubo di plastica per provvede di fogne ana
fognature erano pressocché ideal.  il Suo attrito
giunture potrebbero essere scivolate rapidamente insieme
e sigillò con un solvente chimico.
Sembrò durevole ma era leggero
abbastanza per essere abbassato nel bene da
hand.  potrebbe essere facilmente sawed o
si esercitato fare una Cura di screen.  dovere
sia preso essere sicuro che alcuno di plastica
usato non è tossico.
 
Telaio del Metallo del Foglio galvanizzato
 
  Galvanized al quale metallo di foglio è stato usato
faccia telaio simile a downspouting.
Un indicatore di livello più spesso che il 0.4mm (0.016 ")
disponibile sarebbe stato preferibile.
Perché il metallo di foglio non può
duri indefinitamente se usò da solo,
il bene buco fu fatto enorme e
lo spazio anello-sagomato circa il telaio
fu riempito con un calcestruzzo sottile
mistura che formò un getto concreto
telaio e sigilla fuori del foglio
metallo quando indurì.
 
  L'il x di 1 metro 2 metro (39 1/2 " x
79 ") fogli furono tagliati per il lungo in
tre pezzi uguali che produssero tre
2-metro (79 ") lunghezze di 10cm (4 ")
tubo di diametro.
 
  Gli orli erano preparati per fare
linee di giunzione stringendoli con un morsetto fra il
due angolo stira, e controllando il peso poi
gli orli con un maglio di legno a
la forma mostrata in Figura 3.
 
  al quale La linea di giunzione è fatta lievemente più larga
una fine che all'altro per dare
il tubo un disdegni cero che permette
lunghezze successive per essere scivolato un
brevemente distanzi nell'un l'altro.
 
  che Le strisce sono rotolate facendoli un ponte su
su un 2-metro (79 ") di legno V-sagomato
blocco ed applicando sopra pressione da
con una lunghezza di 5cm (2 ") il tubo (veda
Figuri 4) .  che Le strisce di metallo di foglio sono

uwr4x15.gif (180x540)


spostato da lato per parteggiare sulla V-blocco
come loro sono curvati produrre
come uniforme una superficie come possibile.
Quando la striscia è volta abbastanza, i due
orli sono agganciati insieme ed i 5cm
(2 ") tubo è scivolato in.   Le fini
del tubo sia messo su su blocchi di legno
formare un'incudine, e la linea di giunzione è fermamente
crespato come mostrato in Figura 4.
 
  dopo che la linea di giunzione è finita, alcuno

uwr5x15.gif (162x486)


le irregolarità nel tubo sono rimosse
applicando pressione da mano o con
il maglio di legno ed incudine di tubo.   UN
stagnaio locale ed il suo aiutante erano capaci
fare sei ad otto lunghezze (12-16
metri) del tubo al giorno.   Tre
lunghezze di tubo furono scivolate insieme
e brasò come loro furono fatti, e
le giunture rimanenti dovettero essere brasate
come il telaio fu abbassato nel bene.
 
 
La fine più bassa del tubo fu perforata
con un trapano di mano per formare un schermo.
Dopo che il telaio fu abbassato il
fondo del bene, ghiaia eccellente era
impaccato circa la porzione perforata
del telaio a sopra dell'acqua
livello.
 
  Il cemento che intonaca mortaio che era
usato circa i telai variati da
cemento puro ad un 1/2 del 1:1 cemento: sabbia
rapporto mescolò con acqua ad un molto di plastica
consistency.  L'intonachi sia messo circa
il telaio da gravità ed una striscia di
bambù approssimativamente 10 metri (33 piedi) lungo
fu usato a " verga " l'intonachi in luogo.
Un paragone di volume circa il
telaio e volume di intonacare usato
indicato quello ci sono potuti essere alcuni
lacune probabilmente andarono via sotto la portata di
la verga di bambù.  These non è serio
comunque, finché un sigillo buono è
ottenuto per i primi 8 a 10 metri
(26 a 33 piedi) in giù dalla superficie.
In generale, la proporzione più grande di
cemento usò ed il più grande lo spazio
circa il telaio, il meglio sembrò,
essere i risultati obtained.  However,
l'esperienza insufficiente è stata ottenuta
arrivare alcuno finale conclusioni.
In somma, le considerazioni economiche
limiti ambo di questi fattori.
 
La Cura di   deve essere pressi nel versare il
grout.  In un caso, due sezioni di
telaio non fu assemblato perfettamente
diritto: il telaio, di conseguenza
non fu concentrato nel bene, il
pressione dell'intonacare non era uguale
tutto intorno, ed il telaio crollò.
Con cura ragionevole,
versando l'intonachi in molti palcoscenici
e permettendogli di mettere in-fra
debba eliminare this.  L'intonacare,
comunque, non può essere versato in troppo molti
palcoscenici perché un ammontare considerevole
bastoni ai lati del bene ognuno
tempo, riducendo lo spazio per successivo
versare per passare attraverso.
 
  Una modifica proposta del sopra di
metodo che non è stato provato ancora è
come segue: In aree come mi Proibisca
Thuot, dove la struttura del
materiale attraverso che il bene è
si esercitato è tale che c'è poco
o nessun pericolo di caverna-in, il telaio
servizi solamente uno lo scopo, come un sanitario
seal.  che è proposto perciò che
il bene sia cased solamente approssimativamente 8 metri
(26 piedi) in giù dalla superficie macinata.
Fare questo, il bene sarebbe
si esercitato alla profondità desiderata con un
diametro rudemente lo stesso come quello di
il casing.  Il bene sarebbe poi
spremuto fuori ad un diametro 5 a 6cm (2 "
a 2 1/4 ") più grande del telaio
in giù alla profondità il telaio andrà.
Una flangia andò bene al fondo del
telaio con un fuori il diametro circa
uguagli a quello della volontà di buco spremuta
concentri il telaio nel buco e
sostenga il telaio sulla spalla
dove l'alesatura stopped.  Intonacando
sarebbe versato poi come nell'originale
method.  Questa modifica può (1)
salvi materiale costoso e considerevole,
(2) permetta il bene essere fatto un
diametro più piccolo eccetto vicino la cima,
(3) rimpicciolisca intonacando le difficoltà, e
(4) ancora provveda protezione adeguata
contro inquinamento.
 
Telaio di Tegola concreto
 
  Se il bene è allargato ad un adeguato
diametro, precast tegola concreta
con giunture appropriate potrebbe essere usato come
casing.  Questo richiederebbe un'apparecchiatura
per abbassare la tegola nel bene
uno alla volta e rilasciandoli al
bottom.  Mortar devono essere usati
sigillare le giunture sopra del livello di acqua,
il mortaio che è sparso su ciascuno successivo
congiunga prima che sia abbassato.
Telaio di cemento di asbesto sarebbe anche
una possibilità dove era disponibile
con giunture appropriate.
 
Niente Telaio
 
  L'ultima possibilità sarebbe usare
nessun telaio ad all.  è sentito che quando
finanze o le abilità non permettono il
c'è bene certo per essere cased,
circostanze sotto che un uncased
bene sia superiore a nessuno bene a
all.  Questo è particolarmente vero in
località dove è bollire il costume
o estende prima tè di ogni acqua
bevendolo, dove è igiene
grandemente impedì da insufficiente
approvvigionamento di acqua, e dove a scala ridotta
irrigazione di mano da fonti può grandemente
migliori la dieta rendendo possibile giardini
nella stagione asciutta.
 
  Il pericolo di inquinamento in un uncased
bene può essere minimizzato da: (1)
scegliendo un luogo favorevole per il bene
e (2) facendo una piattaforma con una fognatura
quale conduce via dal bene,
eliminando tutti sparsi acqua.
 
  tale bene frequentemente dovrebbe essere esaminato
per pollution.  Se è trovato
pericoloso, un avviso a questo effetto deve
sia affisso evidentemente vicino il bene.
 
Bene la Piattaforma
 
  Nel lavoro nel mi Proibisca Thuot
area, un metro piatto del 1.75 (5.7 ') ad angolo retto
lastra di calcestruzzo fu usata circa ognuno
well.  However, sotto le condizioni di villaggio
questo non funzionò well.  quantità Grandi
di acqua si fu versato, in parte
a causa dell'entusiasmo degli abitanti di un villaggio
per avere un approvvigionamento di acqua abbondante,
e le aree circa fonti divennero
piuttosto fangoso.
 
  al quale La conclusione è stata giunta che il
piattaforma solamente veramente soddisfacente può
sia un tondo, uno lievemente convesso con un
tombino piccolo circa l'orlo esterno.
Il tombino dovrebbe condurre un concertato
fognatura che prenderebbe l'acqua un considerevole
distanzi dal bene.
 
  Se il bene piattaforma è troppo grande e
lisci, c'è una tentazione grande
da parte degli abitanti di un villaggio per fare
il loro bucato e lavatura altra circa
il well.  che Questo dovrebbe essere scoraggiato.
In villaggi dove animali corsi sciolto
è necessario per costruire un recinto piccolo
circa il bene tenere fuori animali,
specialmente pollame e maiali che
è molto ansioso per trovare acqua, ma bada
sporcare sul dintorno.
 
Fonti:
 
Note esplicative su Tubewells, da
Wendell Mott,
Amici americani Riparano
Comitato, Filadelfia, Pennsylvania
1956 (il mimeo).
 
Riporti da Richard G. Koegel, Internazionale
Servizi volontari, mi Proibisca
Thuot, Vietnam 1959 (il mimeo).
 
Mano-azionato Esercitandosi Attrezzatura
 
  Due metodi di esercitarsi un poco profondo
tubewell con attrezzatura mano-operata
è descritto qui: Metodo Un opera
girando una trivella terra-noiosa;
Metodo B usa un'azione che sbatte.
 
Metodo di   Un fu usato da un americano
Amici Riparano Comitato (AFSC) la squadra
in India; il Metodo B fu usato da un
Servizi Volontari ed internazionali (IVS)
attacchi in Vietnam.
 
Metodi Un
 
  che Questa attrezzatura che mano-esercita semplice era
usato da un Amici americani Ripari
Squadra di comitato in India per scavare fonti
15 a 20cm (6 " a 8 ") in diametro su
a 15 metri (50 ') profondo.
 
Attrezzi e Materiali
 
Trivella di terra con l'accoppiando legare
  a 2.5cm (1 ") linea di trapano (veda entrata
  su trivelle di terra di tubewell)
 
Peso standard galvanizzò tubo di acciaio:
 
  Per Linea di Trapano:
 
4 pezzi: 2.5cm (1 ") in diametro e
          3 metri (10 ') lungo (2
I pezzi di           hanno fili uno
          finisce solamente; altri hanno bisogno di nessuno
          infila.)
 
2 pezzi: 2.5cm (1 ") in diametro e
          107cm (3 1/2 ') lungo
 
Per Girare Manico:
 
2 pezzi: 2.5cm (1 ") in diametro
           e 61cm (2 ') lungo
 
2.5cm (1 ") l'accoppiamento di T
 
Per Giuntura Un:
 
4 pezzi: 32mm (1 1/4 ") in diametro
          e 30cm (1 ') lungo
 
Sezioni ed Accoppiamenti per B Unito:
 
23cm (9 ") sezione di 32mm (1 1/4 ")
Diametro di            (threaded a quella
           end solamente)
35.5cm (14 ") sezione di 38mm (1 1/2 ")
Diametro di             (threaded a quella
            finisce solamente)
 
Accoppiamento di riduttore: 32mm a 25mm
           (1 1/4 " a 1 ")
 
Accoppiamento di riduttore: 38mm a 25mm
           (1 1/2 " a 1 ")
 
8 10mm (3/8 ") il diametro testa esagonale
Macchina di           
 
   steel/bolts 45mm (1 3/4 ") lungo,
           con noci
 
2 10mm (3/8 ") testa di malocchio di diametro
           ricopre d'acciaio macchina lancia 5cm
           (2 ") lungo, con noci
 
9 10mm (3/8 ") noci di malocchio di acciaio
 
Fare Freccia di Leva articolata:
 
1 3mm (1/8 ") countersink del diametro
           capeggia ferro chiodo 12.5mm
           (1/2 ")
 
1 1.5mm (1/16 ") acciaio di foglio, 10mm
           (3/8 ") X 25MM (1 ")
 
Trapani: 3mm (1/8 "), 17.5mm (13/16 "),
  8.75MM (13/32 ")
 
Countersink
 
Taglio di filo muore, a meno che tubo è
  già il threaded
 
Attrezzi piccoli: strappi, martello, hacksaw
archivi
 
Per piattaforma: legno, unghie, corda
  smaglia
 
  Basically del quale il metodo consiste
ruotando una trivella di terra all'ordine del giorno.   Come
la trivella penetra la terra, esso
riempimenti con soil.  Quando pieno è
estratto del buco e vuotò.
Come il buco diventa più profondo, più le sezioni
di esercitarsi linea estendere è aggiunto
lo shaft.  Joint Un in Figure 1 e 2

uwr1x170.gif (600x486)


descriva un metodo semplice per legare
sezioni nuove.
 
  costruendo una piattaforma 3 elevata
a 3.7 metri (10 a 12 piedi) dal
incagli, un metro del 7.6 (25 piede) sezione lunga
di linea di trapano può essere bilanciato diritto.
Lunghezze più lunghe sono troppo difficili
a handle.  Therefore, quando il
buco diventa più profondo di 7.6 metri (25
piedi), la linea di trapano deve essere presa
separatamente la trivella è rimossa ogni durata
per emptying.  B Unito fa questo
operazione easier.  See Figura 1 e 3.

uwr3x170.gif (600x486)


 
  Joint C (veda dettagli di costruzione
per Tubewell Terra Trivella) è proposto
permettere vuotando rapido del
auger.  al quale dei suoli rispondono bene
esercitandosi con una trivella che ha due
lati open.  Questi sono molto facili a
vuoti, e non richieda C. Unito
Scopra che generi di trivelle è
usato con successo nella Sua area, e
faccia un po' di sperimentare trovare il
uno andò bene meglio al Suo suolo.   See
le entrate su trivelle.
 
  Joint Un è stato trovato essere più veloce
usare e più durevole del tubo
threaded connectors.  I fili di tubo
è danneggiato e sporco e è difficile
a start.  tubo Pesante, costoso
strappi sono lasciati cadere accidentalmente in
il bene e è duro uscire.   Da
usando un tubo di manica assicurato con due
10mm (3/8 ") le frecce, questi guai possono
sia avoided.  Neither una bicicletta piccola
strappo né la volontà di frecce poco costoso
ostruisca esercitandosi se lasciò cadere in.   È
sicuro i 32mm (1 1/4 ") tubo andrà bene
sui Suoi 25mm (1 ") linea di trapano di tubo
prima che purchase.  See Figura 2.

uwr2x18.gif (437x437)


 
  Quattro 3 metro (10 ') sezioni e due
107cm (3 1/2 ') sezioni di tubo sono
le lunghezze più convenienti per esercitarsi
un metro del 15 (50 ') well.  Drill un
8.75mm (13/32 ") buco di diametro attraverso
ogni fine di tutte le sezioni di linea di trapano
eccetto quelli legando Congiungere B e
il manico di giramento che deve essere
threaded joints.  che I buchi dovrebbero essere
5cm (2 ") dalla fine.
 
 
  Quando il bene è più profondo di 7.6 metri
(25 '), molte caratteristiche facilitano
il vuotare della trivella come mostrato in
Figure 3 e 4.  Prima la trivella piena

uwr3x190.gif (600x600)


è tirato su finché B Unito appare a
il surface.  See Figura 4A.  Poi un

uwr4x20.gif (600x600)


19mm (3/4 ") verga di diametro è messa attraverso
il hole.  Questo permette il trapano intero
fiancheggi rimanere su lui facendolo impossibile
per la parte ancora nel bene
cadere in.  Prossimo rimuovono la leva articolata
lanci, alzi fuori la sezione di cima di linea
e lo bilancia accanto al buco.   See
Figuri 4B.  Tirata sulla trivella, vuoto

uwr4x20.gif (486x486)


esso, e sostituisce la sezione nel
buco dove sarà contenuto entro i 19mm
(3/4 ") rod.  See Figura 4C.  che Prossimo sostituiscono
la sezione superiore di trapano
line.  I 10mm (3/8 ") atti di freccia come un
fermata che permette i buchi di essere
fiancheggiato facilmente su per reinsertion di
la leva articolata che bolt.  Finally prelevano
la verga ed abbassa la trivella per il
prossimo Mark di drilling.  l'ubicazione per
esercitandosi i 8.75mm (13/32 ") il diametro
buchi nei 32mm (1 1/4 ") il tubo attraverso
il buco di freccia di leva articolata nei 38mm
(1 1/2 ") pipe.  Se il buco è localizzato
coi 32mm (1 1/4 ") tubo che rimane su
la freccia di fermata, i buchi sono legati
fiancheggi su.
 
  Sometimes al quale di un attrezzo speciale è avuto bisogno
penetri un strato di sabbia acqua-che porta,
perché le caverne di sabbia bagnate in come presto
come la trivella è removed.  Se accade questo
un telaio perforato è abbassato in
il bene, ed esercitandosi è portato a termine
con una trivella nella quale va bene
il casing.  Un tipo di percussione con un
agiti, o un tipo rotante con solido
muri ed una falda sono possibilità buone.
 
Veda le entrate che descrivono queste apparecchiature.
Il telaio stabilirà più profondo
nella sabbia come sabbia è scavato da sotto
it.  sezioni Altre di telaio
deve essere aggiunto come esercitandosi proventi.
Tenti di penetrare il portante di acqua
sabbi il più lontano possibile strato, (a
il meno 3 piedi) .  Dieci piedi di perforò
telaio conficcato in tale strato sabbioso
provveda un flusso molto buono di acqua.
 
Tubewell Terra Trivella
 
  che Questa trivella di terra è fatta da un 15cm
(6 ") l'acciaio tube.  apparecchiature Simili
abbia lungo stato usato con potere esercitandosi
attrezzatura, ma questo disegno particolare
le necessità eseguono una battuta di rimando prova (veda Figura 5).

uwr5x21.gif (486x486)


 
  che Questa trivella può essere fatta senza saldare
attrezzatura, ma alcune delle curve
nel tubo e la sbarra può essere fatta molto
più facilmente quando il metallo ha caldo (veda
Figuri 6).

uwr6x22.gif (600x600)


 
  Una trivella di terra aperta che è più facile
vuotare che questo uno, è migliore
andato bene per del soils.  Questa trivella
tagli più veloce della Sabbia di Tubewell
Trivella.
 
Attrezzi e Materiali
 
Tubo galvanizzato: 32mm (1 1/4 ") in
Diametro di   e 21.5cm (8 1/2 ") lungo
 
Freccia di acciaio di testa esagonale: 10mm
  (3/8 ") in diametro e 5cm (2 ")
  brama, con noce
 
2 malocchio. frecce di acciaio di testa: 10mm
  (3/8 ") in diametro e 9.5cm
  (3 3/4 ") lungo
 
2 acciaio sbarra: 1.25cm x 32mm x 236.5mm
  (1/2 " X 1 1/4 " X 9 5/16 ")
 
4 tondo testa macchina viti: 10mm
  (3/8 ") in diametro e 32mm
  (1 1/4 ") lungo
 
2 appartamento testa ferro chiodi: 3mm (1/8 ")
  in diametro e 12.5mm (1/2 ") lungo
 
Striscia di acciaio: 10mm x 1.5mm x 2.5cm
   (3/8 " X 1/16 " X 1 ")
 
Tubo di acciaio: 15cm (6 ") fuori di diametro,
  62.5cm (24 5/8 ") lungo
 
Dia attrezzi
 
Fonte:
 
Fonti, Manuale 5-297 Tecnico, AFM 85-23
Esercito Americano ed aeronautica militare, 1957.
 
Tubewell Sand la Trivella
 
  al quale Questa trivella di sabbia può essere usata
si eserciti in suolo sciolto o sabbia bagnata,
dove non è così effettiva una trivella di terra.
La testa penetrante e semplice richiede
meno costringa a girare che il " Tubewell
Trivella di terra, " ma è più difficile
vuotare. <veda figura 7>

uwr7x23.gif (486x486)


 
  Una versione più piccola della trivella di sabbia
fabbricato può andare bene nel tubo di telaio
sia usato per rimuovere sabbia sciolta, bagnata.
 
  Questo disegno ha bisogno di prova di campo,
anche se apparecchiature simili abbiano lunghe stato
usato con potere che si esercita attrezzatura.
 
Attrezzi e Materiali <veda figura 8>

uwr8x24.gif (600x600)


 
Tubo di acciaio: 15cm (6 ") fuori di diametro
  e 46cm (18 ") lungo
 
Piatto di acciaio: 5mm x 16.5cm x 16.5cm
  (3/16 " X 6 1/2 " X 6 1/2 ")
 
Acetilene che salda ed attrezzatura penetrante
 
Trapano
 
Fonte:
 
Fonti, Manuale 5-297 Tecnico, AFM 85-23
  Esercito Americano ed aeronautica militare, 1957.
 
Tubewell Sand il Depositante <veda figura 9>

uwr9x25.gif (600x600)


 
  Il depositante di sabbia può essere usato per esercitarsi
da in un perforato bene il telaio
quando un foro va in sabbia bagnata e sciolta
ed i muri cominciano a caverna in.   che ha
stato usato nel fare molti tubewells in
L'India.
 
Attrezzi e Materiali
 
Tubo di acciaio: 12.5cm (5 ") in diametro
   and 91.5cm (3 ') lungo
 
Innertube dell'autocarro o cuoio: 12.5cm
  (5 ") ad angolo retto
 
Accoppiamento di tubo: 15cm a 2.5cm (5 " a
  1 ")
 
Attrezzi piccoli
 
  bloccandosi ripetutamente questo " secchio "
nel bene, sabbia sarà rimossa
da sotto il telaio permettere perforato
esso per stabilire più profondo nella sabbia
layer.  Il telaio previene i muri
da caving in.  che La campana è rimossa
dalla prima sezione di telaio; a
il meno uno resti di sezione altri su cima
di lui aiutare lo costringe in giù come scavando
proceeds.  tentano di penetrare l'acqua
strato di sabbia che porta il più lontano possibile:
3 metri (10) di telaio perforato
conficcato in tale volontà di strato sabbiosa
di solito provveda un flusso molto buono di
acqua.
 
  È sicuro per provare il Suo secchio " di sabbia " in
sabbia bagnata prima di tentare di usarlo
al fondo di Suo bene.
 
Fonte:
 
Note esplicative su Tubewells, da
Wendell Mott, Amici americani Riparano
Comitato, Filadelfia, Pennsylvania
1956 (il mimeo).
 
Metodo B
 
  che L'attrezzatura descritta qui è stata
usato con successo nel mi Proibisca Thuot
area di Vietnam.  Uno degli spettacoli più buon
fu girato in da un equipaggio di
tre membra d'una tribù di montagna inesperti
chi si esercitò 20 metri (65 ') in un giorno
ed un half.  che I più profondi si sono esercitati bene
era un poco più di 25 metri (80 ');
fu completato, incluso l'installazione
della pompa, in sei days.  Uno
bene si fu esercitato attraverso approssimativamente 11
metri (35 ') di pietra sedimentaria.
 
  Il costo dell'attrezzatura, escludendo
lavori, era Americano $35.19 nel 1957 in
Il Vietnam.
 
Attrezzi e Materiali
 
Per carrello di attrezzo:
 
Legno: 3cm x 3cm x 150cm (1 1/4 " x
  1 1/4 " X 59 ")
 
Legno: 3cm x 30cm x 45cm (1 1/4 " x
  12 " X 17 3/4 ")
 
Per verga di sicurezza:
 
Verga di acciaio: 1cm (3/8 ") in diametro,
  30cm (12 ") lungo
 
Trapano
 
Martello
 
Incudine
 
Cotter unisce
 
Per appoggio di trivella:
 
Legno: 4cm x 45cm x 30cm
      (1 1/2 " X 17 3/4 " X 12 ")
 
Acciaio: 10cm x 10cm x 4mm
       (4 " X 4 " X 5/32 ")
 
Ubicazione del Bene
 
  le Due considerazioni sono specialmente importanti
per l'ubicazione di villaggio
fonti: (1) la distanza ambulante e media
per la popolazione di villaggio debba
sia come corto come possibile; (2) deve
sia facile esaurire via acqua versata
dal luogo per evitare creare una fango-buco.
 
  Nel mi Proibisca l'area di Thuot, il finale
scelta di ubicazione stata in tutti i casi
andato via su all'Acqua di villagers.  era
fondi affatto in quantità diverse
i luoghi chosen.  (Veda " Ottenendo
Acqua macinata da Fonti e Primavere.
 
Avviando Esercitarsi
 
  che Un treppiede è messo su sull'approssimato
ubicazione per il bene (veda Figura 1).

uwr1x26.gif (486x486)


Le sue gambe sono messe in poco profondo
buchi con immondizia impaccata circa loro a
li tenga da moving.  per assicurarsi
il bene è cominciato esattamente verticalmente,
un contrappeso completo (una sequenza con una pietra
allacciato a lui è buono abbastanza) è poi
appeso dalla guida di trivella sul treppiede
traversa per localizzare l'esatto
point.  iniziale è utile ad immersione
un buco iniziale e piccolo prima di mettere
sulla trivella.
 
Esercitandosi
 
Esercitandosi è portato a termine sbattendo il
trivella in giù penetrare la terra e
ruotandolo poi dal suo manico di legno
a gratuitamente lui nel buco prima di alzare
esso per ripetere il process.  Questo è un
poco goffo finché la trivella non funziona
30cm a 60cm (1 ' a 2 ') e dovrebbe essere
fatto attentamente fino a che gli inizi di trivella
essere guidato dal buco stesso.
Di solito due o tre uomini lavorano insieme
con l'auger.  Un sistema che
lavorato piuttosto bene fuori era usare
tre uomini, due che lavorano mentre il terzo
rimasto, e poi alternato.
 
  Come la trivella va più profondo esso sarà
necessario a volte aggiustare
il manico al più conveniente
height.  Alcuni strappi o altro piccolo
attrezzi usati dovrebbero essere allacciati da vuole dire di
un pezzo lungo di corda al treppiede così
che se loro sono lasciati cadere accidentalmente
nel loro possono essere rimossi facilmente bene.
Fin dal suolo del mi Proibisca
L'area di Thuot si conficcherebbe alla trivella,
era necessario per tenere una piccola quantità
di acqua nel buco sempre per
lubrificazione.
 
Vuotando la Trivella:
 
   Each calcola la trivella è sbattuta in giù
e ruotò, dovrebbe essere notato come
molta penetrazione è stata ottenuta.
Cominciando con una trivella vuota la penetrazione
è più grande sul primo
remi e diviene successivamente meno
su ogni seguire uno come la terra
pacchi sempre più ermeticamente in
l'auger.  Quando progresso anche diviene
lento è ora per elevare la trivella a
la superficie ed it.  Dipendendo vuoto
sul materiale che è penetrato, il
trivella può essere completamente piena o può avere
30cm (1 ') o meno di materiale in lui
quando è emptied.  Un'esperienza piccola
dia un " tatto " uno per il più più
tempo efficiente per tirare sulla trivella
per emptying.  Fin dal materiale in
la trivella è impaccata più sodo al fondo,
è di solito più facile vuotare
la trivella inserendo la trivella
addetto alle pulizie attraverso la fessura nel lato
del partway della trivella in giù e spingendo
il materiale fuori attraverso la cima del
trivella in molto passes.  Quando il
trivella è portata fuori del buco per
vuotando, di solito si è inclinato su
contro il treppiede, da quando questo è
più veloce e più facile che tentare a posi
esso in giù.
 
Accoppiando e Sciogliendo Dilazioni
 
  dal quale Le dilazioni sono accoppiate soltanto
scivolando la fine piccola di uno nel
fine grande dell'altro ed unendo
loro insieme con un 10mm (3/8 ") la freccia.
È stato trovato sufficiente e tempo-salvando
stringere solo il noce dito-stretto
invece di usare un strappo.
 
 
  Ogni durata la trivella è portata su
per vuotare, le dilazioni devono essere,
apart.  preso Per questa ragione le dilazioni
è stato fatto finché
possibile minimizzare il numero di
joints.  Thus ad una profondità di 18.3 metri
(60 '), ci sono solamente due giunture da essere
sciolto nel tirare sulla trivella.
 
  nell'interesse della sicurezza e va a tutta velocita',
usi la procedura seguente nell'accoppiare
ed uncoupling.  Quando tirando sul
trivella, l'elevi finché una giuntura è solo
sopra della terra e scivola la trivella
sostenga (veda Figura 2 e 3) in

uwr2x270.gif (437x437)


metta, mentre stando a gambe divaricate la dilazione così che
il fondo dell'accoppiamento può rimanere su
il metallo piccolo plate.  Il passo prossimo
è mettere la verga di sicurezza (veda Figura 4)

uwr4x28.gif (540x540)


attraverso il lato più basso nell'accoppiamento
e l'assicura con o una spilla di cotter
o un pezzo di wire.  Lo scopo di
la verga di sicurezza è tenere la trivella
dal cadere nel bene se deve
sia bussato via l'appoggio di trivella o
lasciò cadere mentre fu elevato.
 
  Once che la verga di sicurezza è a posto, rimuova
la freccia di accoppiamento e scivola il
dilazione superiore fuori dell'abbassato.
Si inclini la fine superiore della dilazione
contro il treppiede tra i due
pioli di legno nelle gambe anteriori, e
rimanga la fine più bassa nel carrello di attrezzo
(veda Figura 5 e 6) . 
uwr5x300.gif (353x353)


La ragione
per mettere le dilazioni nell'attrezzo
carrello è non permettere ad immondizia di conficcarsi a
le fini più basse e facendolo difficile
mettere insieme le dilazioni e
li smonti.
 
  per accoppiare le dilazioni dopo avere vuotato
la trivella, la procedura è il
rovescio esatto di sciogliere.
 
Esercitandosi Rock
 
  Quando pietra o sostanze altre che
la trivella non può penetrare è incontrato, un
cattivo che si esercita bit deve essere usato.
 
Profondità di Bene
 
  La percentuale alla quale può essere presa acqua
da un bene è rudemente proporzionale a
la profondità del bene sotto l'acqua
tavola finché tiene andando in
ground.  However acqua-che porta, in
fonti di villaggio dove può essere solamente acqua
elevato lentamente da pompa di mano o porta in secchi,
questo non è di di solito si laurei l'importanza.
Il punto importante è quell'in aree
dove la tavola di acqua varia da uno
tempo di anno al prossimo il bene debba
sia profondo abbastanza per dare acqua sufficiente
sempre.
 
Informazioni di   sulla variazione di tavola di acqua
già può essere ottenuto da
fonti esistenti, o può essere necessario
esercitarsi un bene di fronte ad alcune informazioni
essere obtained.  Nel caso secondo
il bene deve essere profondo abbastanza per permettere
per una goccia nella tavola di acqua.
 
Fonte:
 
Riporti da Richard G. Koegel, Internazionale
Servizi volontari, mi Proibisca
Thuot, Vietnam 1959 (il mimeo).
 
Attrezzatura <veda figura 7>

uwr7x32.gif (353x353)


 
  che La sezione seguente dà a costruzione
dettagli per l'attrezzatura
usato con Metodo B per bene-esercitarsi:
 
1. Trivella, Dilazioni e Manico
 
2. Addetto alle pulizie di trivella
 
3. Alesatore di Demountable
 
4. Treppiede e Puleggia
 
5. Secchio che affida
 
6. Bit per Esercitarsi Rock
 
Trivella, Dilazioni e Manico
 
  La trivella è hacksawed fuori di
tubo di acciaio di standard-peso approssimativamente 10cm
(4 ") in diametro (veda Figura 8). Peso leggero di  

uwr8x33.gif (600x600)


tubatura abbastanza non è forte.
Le dilazioni (veda Figura 9) e manico

uwr9x34.gif (600x600)


(veda Figura 10) renda possibile lo

uwr10x35.gif (600x600)


ad annoi buchi profondi.
 
Attrezzi e Materiali
 
Tubo: 10cm (4 ") in diametro, 120cm
  (47 1/4 ") lungo, per trivella
 
Tubo: 34mm fuori di diametro (1 " in
Diametro di  ); 3 o 4 pezzi 30cm
  (12 ") lungo, per trivella e dilazione
   SOCKET
 
Tubo: 26mm fuori di diametro (3/4 " in
Diametro di  ); 3 o 4 pezzi 6.1 o
  6.4 metri (20 ' o 21 ') lungo, per
  si esercita dilazioni
 
Tubo: 18mm fuori di diametro (1/2 "
  in diametro); 3 o 4 pezzi
  6cm (2 3/8 ") lungo
 
Legno duro: 4cm x 8cm x 50cm (1 1/2 " x
  3 1/8 " x 19 3/4 "), per manico
 
Acciaio mite: 3mm x 8cm x 15cm
  (1/8 " X 3 1/8 " X 6 ")
 
4 frecce: 1cm (3/8 ") in diametro e
  10cm (4 ") lungo
 
4 noci
 
Dia attrezzi e saldando attrezzatura
 
  Nel fare la trivella, un scampanato-dente
orlo penetrante è tagliato in una fine del
10cm pipe.  che La fine altra è tagliata, tendenza
e saldò ad una sezione di 34mm fuori-diametro
(1 " interiore-diametro) il tubo,
quali forme una presa di corrente per il trapano
linea extensions.  Una fessura che corre
quasi la lunghezza della trivella è usata
per rimuovere suolo dalla trivella.
Curve sono fatte più forti e più facilmente
ed accuratamente quando l'acciaio ha caldo.
Per prima, una trivella con due taglio
labbra simile ad una trivella di posto-buco era
usato; ma fu collegato su ed era fatto
cleanly.  non taglio In dei suoli, questo
dattilografi di trivella può essere più effettivo.
 
Addetto alle pulizie di trivella
 
Il Suolo di   può essere rimosso rapidamente dal
trivella con questo addetto alle pulizie di trivella (veda Figura 11).

uwr11x36.gif (353x353)


Figuri 12 dà costruzione

uwr12x36.gif (486x486)


dettagli.
 
Attrezzi e Materiali
 
Acciaio mite: 10cm (4 ") piazza e 3mm
  (1/8 ") spesso
 
Verga di acciaio: 1cm (3/8 ") in diametro e
  52cm (20 1/2 ") lungo
 
Attrezzatura che salda
 
Hacksaw
 
Archivio
 
Alesatore di Demountable
 
  Se il diametro di un buco esercitato
aveva essere fatto più grande, il demountable
alesatore descritto qui può essere legato
alla trivella.
 
Attrezzi e Materiali
 
Acciaio mite: 20cm x 5cm x 6mm (8 " x 2 "
  x 1/4 "), spremere un bene il diametro di
  19CM (7 1/2 ")
 
2 frecce: 8mm (5/16 ") in diametro e
  10cm (4 ") lungo
 
Hacksaw
 
Trapano
 
Archivio
 
Martello
 
Vizio
 
  del quale L'alesatore è montato alla cima
la trivella con due frecce di gancio (veda Figura 13).

uwr13x37.gif (486x486)


È fatto da un pezzo di
ricopra d'acciaio 1cm (1/2 ") più grande che i desiderarono
bene il diametro (veda Figura 14).

uwr14x38.gif (600x600)


 
  dopo che l'alesatore è legato il
cima della trivella, il fondo del
trivella è collegata con un po' di fango o un
pezzo di legno per tenere i tagli in
la trivella.
 
  Nello spremere, la trivella è ruotata con
solamente disdegni pressione discendente. Esso
dovrebbe essere vuotato prima che anche è
pieno così che non troppo molti tagli vogliono
caduta al fondo del bene quando il
trivella è tirata su.
 
  Perché la profondità di un bene è più
importante che il diametro nel determinare
il flusso e perché raddoppiando
il diametro intende rimuovendo quattro volte
l'ammontare di terra, diametri più grandi
dovrebbe essere considerato solamente sotto speciale
circostanze. (Veda " Bene Telaio e
Piattaforme, " pagina 12.)
 
Treppiede e Puleggia
 
  Il treppiede (veda Figura 15 e 16),

uwr0040.gif (393x393)


quale è fatto di poli e è assemblato
con 16m (5/8 ") le frecce, serve tre
scopi: (1) consolidare la dilazione
della trivella quando estende lontano sopra
terra; (2) provvedere una salita per
la puleggia (veda Figura 17 e 19)

uwr170.gif (600x600)


usato con la punta da trapano ed affidando
secchio; e (3) provvedere un luogo
per inclinarsi pezzi lunghi di telaio,
suoni il piffero per pompe o dilazioni di trivella
mentre loro sono messi in o presi
fuori del bene.
 
   When una spilla o freccia è messa attraverso il
buchi nelle due fini del " L"-sagomato
parentesi quadrato di puleggia (veda Figura 15 e 18)

uwr150.gif (393x393)


quali estendono orizzontalmente oltre
la fronte della traversa di treppiede,
una guida sciolta per la parte superiore di
la dilazione di trivella è formata.
 
   To non permette alle dilazioni di cadere
quando loro si sono inclinati contro il treppiede,
due 30cm (12 ") pioli di legno e lunghi
è guidato in buchi esercitati vicino il
cima delle due gambe anteriori del treppiede
(veda Figura 19).

uwr17.gif (600x600)


 
Attrezzi e Materiali
 
3 Polacchi: 15cm (3 ") in diametro e
  4.25 metri (14 ') lungo
 
Legno per sbarra di croce: 1.1 metro
  (43 1/2 ") x 12cm (4 3/4 ") ad angolo retto
 
Per ruota di puleggia:
 
Legno di  : 25cm (10 ") in diametro e
    5cm (2 ") spesso
 
  Pipe: 1.25cm (1/2 ") in diametro,
    5cm (2 ") lungo
 
Freccia di Asse di  : andare bene vicino in
    1.25cm (1/2 ") il tubo
 
Ferro di angolo: 80cm (31 1/2 ") lungo, 50cm
  (19 3/4 ") il webs, 5mm (3/16 ") spesso
 
4 frecce: 12mm (1/2 ") in diametro,
  14cm (5 1/2 ") lungo; noci e lavatori
 
Freccia: 16mm (5/8 ") in diametro e
  40cm (15 3/4 ") lungo; matto e
Lavatori di  
 
2 frecce: 16mm (5/8 ") in diametro e
  25cm (9 7/8 ") lungo; noci e lavatori
 
Secchio che affida
 
  al quale Il secchio che affida può essere usato
rimuova suolo dal bene il buco quando
tagli sono troppo sciolti per essere rimosso
con la trivella.
 
Attrezzi e Materiali
 
Tubo: approssimativamente 8.5cm (3 3/8 ") in diametro
  1 a 2 cm (1/2 " a 3/4 ")
  più piccolo in diametro che la trivella,
  180cm (71 ") lungo
 
Verga di acciaio: 10mm (3/8 ") in diametro
  e 25cm (10 ") lungo; per cauzione
  (il manico)
Piatto di acciaio: 10cm (4 ") piazza, 4mm
  (5/32 ") spesso
 
Ricopra d'acciaio sbarra: 10cm x 1cm x 5mm (4 " x
  3/8 " X 3/16 ")
 
Vite di macchina: 3mm (1/8 ") in diametro;
  16mm (5/8 ") lungo; il noce e
Lavatore di  
 
Innertube dell'autocarro: 4mm (5/32 ") spesso,
  10mm (3/8 ") ad angolo retto
 
Attrezzatura che salda
 
Trapano, hacksaw, martello, vizio, archivio
 
Corda
 
  tubo di peso standard e sottile-murato
tubatura fu provata per l'affidare
secchio. Il primo, essendo più pesante
era più difficile usare, ma faceva un lavoro migliore
e si alzò meglio sotto uso. Ambo
il fondo di acciaio del secchio ed il
ricopra di gomma valvola dovrebbe essere pesante perché
loro ricevono uso duro. Il metallo
fondo è rinforzato con una traversa
saldato in luogo (veda Figura 20 e 21).

uwr20420.gif (353x353)


Usando il Secchio che Affida
 
  Quando ad acqua è arrivata ed i tagli
è più fisso abbastanza per essere portato
su nella trivella, il secchio che affida
deve essere usato per pulire il bene come
lavoro avanza.
 
 
  Per usare il secchio che affida il
puleggia è montata nel parentesi quadrato di puleggia
con un 16mm (5/8 ") freccia come asse. Un
corda legata al secchio che affida è
poi corra sulla puleggia ed il
secchio è abbassato nel bene. Il
parentesi quadrato di puleggia è disegnato così che il
corda che viene via la puleggia fiancheggia su
verticalmente col bene, così che là
non è nessun bisogno di spostare il treppiede.
 
  Il secchio è abbassato nel bene,
preferibilmente da due uomini, e permise a
lasci cadere l'ultimo metro o metro ed uno-mezzo
(3 a 5 piedi) così che esso la volontà
colpisca il fondo con della velocità. Il
impatto costringerà alcuno dello sciolto
sporchi al fondo del bene su
nel secchio. Il secchio è poi
elevato ripetutamente e lasciò cadere 1 a 2
metri (3 a 6 piedi) raccogliere più
suolo. L'esperienza mostrerà quanto tempo
questo dovrebbe essere continuato a raccogliere
come molto suolo come possibile prima di elevare
e vuotando il secchio. Due o
più uomini possono elevare il secchio che
dovrebbe essere scaricato lontano abbastanza dal
bene evitare sporcare sul lavorare
area.
 
  Se i tagli sono troppo sottili per essere
portato su con la trivella ma troppo spesso
entrare il secchio, versi un piccolo
annaffi in giù il bene diluirli.
 
Bit per Esercitarsi Rock
 
  che Il pezzo descritto qui è usato
esercitarsi attraverso strati di sedimentario
prenda a sassate su a 11 metri (36 ') spesso.
 
Attrezzi e Materiali
 
Sbarra di acciaio mite: approssimativamente 7cm (2 3/4 ") in
Diametro di   ed approssimativamente 1.5 metri (5 ')
  brama, mentre pesando approssimativamente 80kg (175
  controlla il peso)
 
Stellite (un tipo molto duro di attrezzo
  ricopre d'acciaio) inserisca per orlo penetrante
 
Incudine e martelli, per plasmare
 
Verga di acciaio: 2.5cm x 2cm x 50cm (1 " x
  3/4 " x 19 3/4 ") per cauzione
 
Attrezzatura che salda
 
  La punta da trapano per tagliare attraverso
pietra e le formazioni dure sono fatte da
i 80kg (la 175-libbra) sbarra di acciaio (veda
Figure 22 e 23). La 90-grado

uwr22440.gif (317x317)


stellite ed una cauzione (o manico) per
legando una corda è saldato il
cima. La cauzione abbastanza dovrebbe essere grande
fare " pesca " facile se la corda
interruzioni. Un 2.5cm (1 ") corda fu usata
per prima, ma questo era soggetto a
molto uso quando lavorando nel fango e
acqua. Un 1cm (3/8 ") cavo di acciaio era
sostituito per la corda, ma era
non usato abbastanza per essere capace a show
se il cavo o la corda è
meglio. Un vantaggio di corda è quello
dà un scatto alla fine dell'autunno
quale ruota i bit e castelli esso
dal conficcarsi. Una parte girevole può essere
montato tra i bit e la corda
o provvede di un cavo lasciare i bit ruotare.
 
  Se una sbarra questa taglia è difficile a
trovi o troppo costoso, è probabile che sia possibile
fare uno saldando un corto
acciaio fine penetrante sopra un pezzo di tubo
quale è fatto pesante abbastanza essendo
riempito con calcestruzzo. Questo non ha
stato tentato.
 
  Nell'usare i bit che esercita, la puleggia
sia messo in luogo come con l'affidare
porti in secchi, ed il pezzo è legato suo
corda o cavo e chino nel bene.
Siccome il pezzo è pesante, avvolga la corda
una volta o due volte circa la gamba posteriore di
il treppiede così che i pezzi non possono ottenere
via " dai lavoratori con l'opportunità
di qualcuno essere fatto male o l'attrezzatura
stato danneggiato. Il modo più facile
trovi elevare e lasciare cadere i bit era a
corra la corda attraverso la puleggia e
poi diritto indietro ad un albero o posto
dove fu legato a spalla
altezza o leggermente abbassa. Lavoratori
fiancheggi su lungo la corda ed elevi il
bit pigiando in giù sulla corda; loro
lo lasci cadere permettendo la corda di ritornare
rapidamente alla sua posizione originale (veda
Figuri 24). Questo richiede cinque a

uwr24x46.gif (353x353)


sette uomini; di quando in quando più aiutato.
Resti frequenti sono necessari; di solito
dopo ogni 50 a 100 colpi. Perché
il lavoro è più sodo vicino le fini del
corda che nel medio, le posizioni
dei lavoratori distribuire dovrebbe essere ruotato
il lavoro uniformemente.
 
  che Una piccola quantità di acqua dovrebbe essere
tenuto nel buco per lubrificazione e
mescolare con la pietra polverizzata a
formi una pasta con la quale può essere rimossa
un secchio che affida. Troppo la volontà di acqua
lento in giù l'esercitarsi.
 
  che La velocità di esercitarsi è, chiaramente
dipendente sul tipo di pietra incontrato.
Nella pietra acqua-che porta e molle
del mi Proibisca l'area di Thuot era possibile
esercitarsi molti metri (circa
10 piedi) al giorno. Comunque, quando sodo
prenda a sassate come basalto è incontrato,
progresso è misurato in centimetri
(i pollici). La decisione deve essere poi
fatto se continuare tentare di penetrare
la pietra o ricominciare in un
ubicazione nuova. Esperimenti nel passato
ha indicato colui non dovrebbe essere
troppo frettoloso nell'abbandonare un'ubicazione,
da allora su molte occasioni quello che era
strati evidentemente sottili di pietra dura
fu penetrato ed esercitandosi poi continuò
ad una percentuale buon.
 
  Su occasione il pezzo si è stato conficcato
nel bene e è stato necessario
usare un leva sistemazione consistendo
di un polo lungo legato alla corda a
gratuitamente esso (veda Figura 25). Su occasioni altre

uwr25x46.gif (353x353)


un verricelli greggi che consisterono furono usati
di un polo orizzontale che era
avvolga la corda circa un verticale
polo si imperniò sulla terra e
tenuto in luogo da molti uomini (veda Figura 26).

uwr26x47.gif (353x353)


Quando il su due andarono a vuoto,
era necessario per prendere in prestito una catena
sollevamento. Due volte quando la corda fu permessa
fu rotto per divenire troppo usato, quando
tentando di recuperare un pezzo bloccato. Era
poi necessario andare bene un gancio ad uno di
le dilazioni di trivella, leghi abbastanza
dilazioni insieme arrivare i desiderarono
profondità, e dopo avere agganciato i bit,
tirare col sollevamento di catena. Una corda
o cavo può essere usato anche per questo
scopo, ma è notevolmente più
difficile da agganciare sopra i bit.
 
Esercitandosi Meccanicamente
 
  Un metodo per elevando e lasciare cadere il
bit meccanicamente, non usato sul progetto
ma usò con successo altrove,
è:
 
1. Jack sulla ruota di retro di una macchina
   e sostituisce la ruota con un piccolo
   suona sul tamburo.
 
2. Prenda la corda che è legata
   ai bit e viene dal treppiede
   sulla puleggia e l'avvolge
   scioltamente circa il tamburo.
 
3. Tiri la fine slegato del
   lega con corde teso ed insorse il tamburo
   fa segno a. La corda si muoverà con
   il tamburo ed eleva i bit.
 
4. Faccia la fine della corda andare ad allentare
   rapidamente lasciare cadere i bit.
 
  probabilmente sarà necessario a lustro
o unge il tamburo.
 
SECCHIO ASCIUTTO CHE SI ESERCITA BENE
 
  Il metodo di secchio asciutto è un semplice e
metodo rapido di esercitarsi fonti in asciutto
suolo che è libero di pietre. Può
sia usato per 5cm a 7.5cm (2 " a 3 ")
fonti di diametro nelle quali è tubo di acciaio
essere installato. Per fonti che sono
più largo in diametro, è un metodo rapido
di rimuovere suolo asciutto prima di completare
il foro con un secchio bagnato, tubewell
sabbi depositante o tubewell sabbiano trivella.
 
  Un 19.5-metro (64 ') buco fu scavato in
meno che 3 ore con questo metodo in
nord Florida. Il metodo funziona meglio
in suolo sabbioso, secondo l'autore
di questa entrata che si è esercitata 30 fonti
con lui.
 
Attrezzi e Materiali
 
Secchio asciutto
 
Corda: 16mm (5/8 ") o 19mm (3/4 ") in
Diametro di   e 6 a 9 metri (20 ' a
  30 ') più lungo che il più profondo bene a
  si sia esercitato
 
3 Polacchi: 10cm (4 ") in diametro a grande
  finisce e 3.6 a 4.5 metri (12 ' a
  15 ') lungo
 
Incateni, pezzo corto
 
Puleggia
 
Freccia: 12.5mm (1/2 ") in diametro e
  30 a 35cm (12 " a 14 ") lungo (lungo
  abbastanza per arrivare attraverso il superiore
  finisce dei tre poli)
 
  Il secchio asciutto è contenuto approssimativamente 10cm
(molti pollici) sopra della terra,
concentrato sopra l'ubicazione di buco e
poi lasciò cadere (veda Figura 1). Questo

uwr1x48.gif (437x353)


passeggiate una piccola quantità di suolo su
nel secchio. Dopo questo è ripetuto
due o tre volte, il secchio è rimosso,
tenuto ad uno parteggi e fornì
con un martello o un pezzo di ferro a
sloggi il suolo. Il processo è
ripetuto finché a suolo di umidità è giunto
ed il secchio non rimuoverà più
suolo.
 
Secchio asciutto per Esercitarsi Bene
 
  Un secchio asciutto è semplicemente una lunghezza di
suoni il piffero con una cauzione o manico saldò
una fine ed un taglio di fenditura nell'altro.
 
  Bend la verga di ferro in una U-forma
piccolo abbastanza per scivolare nel tubo.
Lo saldi in luogo come in Figura 2.

uwr2x49.gif (486x486)


 
  File un cero gentile sull'interno
della fine opposta per fare un taglio
orlo (veda Figura 3).

uwr3x49.gif (393x393)


 
  Cut una fenditura in un lato degli aguzzarono
fine del tubo (veda Figura 2).
 
Attrezzi e Materiali
 
Hacksaw
 
Archivio
 
Stiri verga: 10mm (3/8 ") o 12.5mm
  (1/2 ") in diametro e 30cm (1 ')
lungo
 
Tubo di ferro: lievemente più grande in diametro
  che la parte più grande di telaio
  per essere messo nel bene (di solito
  l'accoppiamento) e 152cm (5 ') lungo
 
Fonte:
 
John Brelsford, VITA Volunteer, Nuovo
Olanda, Pennsylvania
 
FONTI CHE GUIDANO
 
  Un filtro puntuto chiamò un bene il punto,
propriamente usato, rapidamente ed a buon mercato
guidi un sanitario bene, di solito meno
che 7.6 metri (25 ') deep.  In suoli
dove è bene appropriato il controllato, esso
è il più conveniente e modo più veloce spesso
esercitarsi un well.  sanitario In cattivo
suoli, particolarmente creta, esercitandosi con
una trivella di terra è più veloce che guidando
con un bene il punto.
 
Attrezzi e Materiali
 
Bene il punto e guidando berretto: di solito
  ottenibile dagli Stati Uniti
  per approssimativamente $10, attraverso ordinazione per corrispondenza
  alberga (veda Figura 1)

uwr1x50.gif (486x486)


 
Tubo: 3cm (1 ") in diametro
 
Martello pesante e strappi
 
Tubo composto
 
Accoppiamenti di tubo speciali e guidando
Le sistemazioni di   sono desiderabili ma non
  necessario
 
  fonti Controllato hanno successo
nella sabbia comune dove non c'è anche
molti cullano e la tavola di acqua è fra
7 metri (23 ') della superficie.
Loro si usano come fonti poco profonde di solito
dove è a terra il cilindro di pompa
level.  Se le condizioni per guidare sono
molto buono, 10cm (4 ") punti di diametro
e telai che possono accettare il cilindro
di un profondo bene, può essere guidato a profondità
di 10 a 15 metri (33 ' a 49 ').
 
I tipi più comuni di bene punti
è:
 
1.  un tubo con buchi coperti da un
    protegge ed una giacca di ottone con
    buca.   Per uso generale, una fessura del #10
    o 60 maglia è Multa di recommended. 
La sabbia di     richiede un schermo più eccellente, forse
    una fessura del #6 o 90 maglia;
2.  un tubo di acciaio introdotto senza coprendo
    protegge che permette più acqua
    per entrare ma è accidentato.
 
  Prima di avviare guidare il punto,
faccia un buco al luogo con handtools.
Il buco dovrebbe essere completo e dovrebbe essere
lievemente più grande in diametro che il
bene il punto.
 
  al quale Le giunture devono essere fatte attentamente
prevenga rottura di filo ed assicuri ermetico
operation.  Clean e lubrifica il
fili attentamente e giuntura di uso composto
ed accoppiamenti di passeggiata speciali quando
available.  per assicurare che soggiorno di giunture
strettamente, dia al tubo una frazione di un
giri dopo ogni colpo, fino a che la cima
giuntura è permanentemente set.  non torcono
la sequenza intera e non torce e
controlli il peso al time.  stesso Il secondo
aiutare trovi pietre passate, ma presto
rompa i fili e faccia che perde
giunture.
 
  È sicuro il berretto di passeggiata è stretto e
fatto combaciare contro la fine del tubo (veda
Figuri 2) .  Check con un contrappeso completo a

uwr2x51.gif (600x600)


veda che il tubo è verticale.   Test
esso di quando in quando e lo tiene diritto
spingendo sul tubo mentre guidando.
Colpisca ad angolo retto il berretto di passeggiata ogni durata
o Lei può danneggiare l'attrezzatura.
 
  che Molte tecniche possono aiutare evitano
danno al pipe.  Il modo più buon è
guidare con una sbarra di acciaio che è
lasciato cadere nel tubo e scioperi
contro l'interno dell'acciaio bene
point.  che è recuperato con un cavo
di rope.  Once acqua entra il bene,
questo metodo non funziona.
 
  Un altro modo è usare un tubo di conducente
quale si assicura che il berretto di passeggiata
sia colpito ad angolo retto. Una verga di guida può essere
montato in cima al tubo ed un
peso lo lasciò cadere su, o il tubo
si può usare per guidare una caduta
peso che colpisce un guidare-morsetto speciale
(veda Figura 2).
 
  Figure 3 sono una tavola che aiuterà

uwr3x51.gif (600x600)


identifichi le formazioni che sono penetrate.
Dell'esperienza è avuta bisogno. . .but
questo può aiutarLa a capire quello che
sta accadendo.
 
  Quando Lei pensa che l'acqua-portante
a strato è stato giunto, fermata
guidando e lega un handpump per tentare
il well.  Usually, guida più facile
show che il livello acqua-che porta
è stato arrivato, specialmente in
sand.  comune Se l'ammontare di acqua
pompato abbastanza non è, provi guida un
metro o così (alcuni piedi) più.   Se
il flusso decresce, tiri di nuovo il punto
fino a che il punto di flusso più grande è
found.  dal quale Il punto può essere elevato
usando una sistemazione di leva come un recinto-posto
cricco, o, se una guidare-scimmia è
usato, controllando il peso di nuovo sul tubo.
 
  Sometimes sabbiano e spina elettrica di limo sul
punto ed il bene deve essere `Developed '
chiarire fuori questo e migliorare il flusso.
Prima tenti sodo, pompando continuo esso
una percentuale più veloce di normal.  Mud e
sabbia eccellente verrà su con l'acqua,
ma questo dovrebbe chiarire in circa un'ora.
Può aiutare a permettere l'acqua nel
suoni il piffero lasciare cadere di nuovo in giù, mentre invertendo il
flusso periodically.  Con più brocca
pompe dalle quali questo è portato a termine facilmente
alzando il manico molto alto; questo apre
la valvola di controllo, permettendo aria di entrare
e l'acqua riveste di vimini di nuovo in giù il
bene.
 
  Se questo non chiarisce sul flusso,
ci può essere limo nel punto.
Questo può essere rimosso mettendo un 19mm
(3/4 ") il tubo nel bene e pompando
su it.  Either usi la brocca
pompa o rapidamente e ripetutamente
aumento ed abbassa i 19mm (3/4 ") il tubo.
Tenendo sul Suo pollice la cima
del tubo sull'upstroke, un emetta a getti
di infanghi acqua risulterà su ognuno
downstroke.  Dopo avere trovato la maggior parte di
il materiale fuori, ritorni per dirigere
pumping.  Clean la sabbia dalla valvola
e cilindro della pompa dopo avere sviluppato
il well.  Se Lei anche ha scelto
multi un schermo, non può essere possibile
sviluppare il bene con successo.   UN
propriamente schermo eletto permette la multa
materiale per essere pompato fuori, andando via un
letto di ghiaia comune e sabbia che provvedono
un estremamente poroso e permeabile
area che acqua-raggruppa.
 
  Il finale passo è riempire nel
borehole iniziale con creta ricoprita di malta o,
se creta non è disponibile, con bene-pestò
earth.  Make un solido, a tenuta d'acqua
piattaforma di pompa (calcestruzzo è migliore)
e provvede un luogo per acqua versata
esaurire via.
 
Fonte:
 
Approvvigionamento di acqua per Aree Rurali e Piccolo
Le comunità, da E. G. Wagner e N. di J.
Lanoix, Organizzazione della Salute del Mondo, 1959.
 
FONTI SCAVATE
 
  Un villaggio deve agire bene spesso come un
serbatoio, perché ad ore certe di
il giorno la richiesta per acqua è pesante,
mentre durante la notte ed il calore
del giorno non è chiamata sul
supply.  quell'al quale è suggerito ecco
faccia il bene grande abbastanza per permettere il
innaffi colando lentamente in per accumulare
quando il bene non è in uso in
ordini avere un approvvigionamento adeguato quando
la richiesta su lui è heavy.  Per questo
fonti di ragione sono fatte 183 a di solito
213cm (6 ' a 7 ') in diametro.
 
Le Fonti di   non può immagazzinare stagione piovosa
annaffi per la stagione asciutta, e c'è
raramente alcuna ragione per fare un bene
più grande in diametro che 213cm (7 ').
 
  La profondità di un bene è molto più importante
che il diametro nel determinare
l'ammontare di acqua che può essere
disegnato quando il livello di acqua è basso.   UN
profondo, restringa bene spesso provvedrà
più acqua che un largo si abbassi uno.
 
  Remember che tubewells sono molti
più facile costruire che un scavò bene,
e dovrebbe essere usato se la Sua regione
permette la loro costruzione ed un adeguato
ammontare di acqua può essere disegnato
da un tubewell durante l'occupato
ore (veda sezione su Tubewells).
 
  fonti scavate e Profonde hanno molti svantaggi.

uwr1x54.gif (600x600)


Il muratura fiancheggiare
avuto bisogno è expensive.  molto Un aperto
bene è molto contaminò facilmente da
questione organica dalla quale cade in
la superficie e dai secchi usati
alzare il water.  There è un aggiunse
problema di sbarazzarsi del grande
quantità di suolo rimosse da un profondo
bene.
 
  Questo ha bene un calcestruzzo sotterraneo
serbatoio al quale è connesso il
affiori con un tubo di telaio, piuttosto
che un grande-diametro che fiancheggia come descritto
nell'entry.  precedente Il
vantaggi sono che è relativamente
facile costruire, facile sigillare, prende su
solamente un'area di superficie piccola e è basso
in costo.
 
  che Più di 45 di queste fonti sono stati installati
in India di un Amici americani
Ripari Squadra di Comitato là; tutti compierono
perfettamente per molti anni,
a parte uno che non fu scavato profondo
enough.  Il costo totale di un'installazione,
lavoro che esclude, era Rs. 230 o
sugli Stati Uniti $50.
 
Attrezzi e Materiali
 
4 anelli concreti rinforzato con ferro
  aggancia per abbassare, 91.5cm (3 ') in
Diametro di  
 
1 coperta concreta rinforzato con un
  che fa sedere buco per tubo di telaio
 
Ghiaia lavata per circondare serbatoio: 1.98
  metri cubici (70 piedi cubici)
 
Sabbi bene per cima di: 0.68 cubico
  misura (24 piedi cubici)
 
Tubo concreto: 15cm (6 ") in diametro,
  per correre dalla cima della coperta di serbatoio
  ad almeno 30.5cm (1 ') sopra di terra
 
Colletti concreti: per giunture nel
  tubo concreto
 
Cemento: 4.5kg (10 libbre) per mortaio
  per giunture di tubo
 
Profondo-bene pompa e tubo
 
Base concreta per pompa
 
Treppiede, pulegge, corda per anelli che abbassa
 
Attrezzo speciale per posizionare telaio
  quando riempendo di nuovo, veda " Posizionamento
  Telaio Tubo, " sotto
 
Attrezzi che scavano, scale, corda
 
  Un abitante di un villaggio in Barpali, India, lavorando
con un Amici americani Ripari Comitato
unità suggerì questo radicale là
idea nuova: faccia un serbatoio di muratura a
il fondo del bene, lo copra con un tetto finito,
e deduce l'acqua da lui con una pompa.
I risultanti sigillarono bene ha molti
vantaggi:
 
1.  che provvede acqua pura, cassaforte per
    bevendo.
 
2.  non presenta nessun azzardo di bambini
    che cade in.
 
3.  acqua di Disegno è facile, anche per
    bambini piccoli.
 
4.  Il bene occupa spazio piccolo, un
    cortile piccolo può accomodarlo.
 
5.  che Il costo di installazione è grandemente
    ridusse.
 
6.  che Il lavoro coinvolto molto è ridotto.
 
7.  non c'è nessun problema di liberarsi
    di suolo scavato, fin dalla maggior parte di
    che è sostituito.
 
8.  Il telaio abilita la pompa e
    suona il piffero essere rimosso facilmente per riparare.
 
9.  La ghiaia e sabbia che circonda il
Il serbatoio di     provvede un filtro efficiente
    per prevenire deposizione di limo, permette un
    area di superficie grande per colare
    annaffia riempire il serbatoio, ed aumenti
    gli effettivi immagazzinarono volume
    nel serbatoio.
 
  ci sono d'altra parte tre
svantaggi minori: solamente uno la persona
pompare ad una durata, la pompa poteva
vada fuori di ordine, ed un ammontare certo
dell'abilità tecnica è richiesto a
faccia le parti usate nel bene e
propriamente installarli.
 
  Un bene è scavato 122cm (4 ') in diametro
ed approssimativamente 9 metri (30 ') profondo.   Il
scavando dovrebbe essere fatto nell'asciutto
condisca, dopo che la tavola di acqua ha
lasciato cadere al suo livello più basso.   There
debba essere un metro pieno del 3 (10 ') il reaccumulation
di acqua fra 24 ore
dopo il bene è stato affidato o
dry.  pompato che profondità più Grande è, di
corso, desiderabile.
 
  Sul fondo del bene, espansione
15cm (6 ") di pulisca, ghiaia lavata o
rock.  Lower piccolo i quattro concreto
anelli e copre nel bene e posizione
loro là formare il serbatoio.   UN
treppiede di poli forti con blocco e
attrezzatura è avuta bisogno di abbassare gli anelli,
perché loro pesano approssimativamente 180kg (400
libbre) each.  Il serbatoio formato dal
anelli e coperta è 183cm (6 ') alto e
91.5cm (3 ') in diameter.  La coperta
ha un'apertura rotonda che forma un
faccia sedere per il telaio suoni il piffero e permette
il tubo di suzione per penetrare a circa
15cm (6 ") dal fondo di ghiaia.
 
 
Posizionando il Tubo di Telaio
 
  La prima sezione di tubo concreto
è posizionato nel posto ed intonacò
(il mortared) in place.  è fermato verticalmente
da una spina elettrica di legno con quattro
braccio incardinate per fermare contro i lati
della Ghiaia di wall.  è impaccato circa
gli anelli concreti e sulla cima di
la coperta fino allo strato di ghiaia sopra
il serbatoio è almeno 15cm (6 ") profondo.
Questo è coperto poi con 61cm (2 ') di
sand.  Soil rimosse dal bene è
poi spalò di nuovo fino a che ripieno fra
15cm (6 ") della cima del primo
sezione di casing.  La sezione prossima
di telaio è intonacato poi in luogo,
usando un colletto concreto fabbricato per questo
purpose.  Il bene è riempito e più
sezioni di telaio aggiunsero fino a che il
telaio estende almeno 30cm (1 ')
sopra del livello di suolo circostante.
 
  L'ammontare di suolo che non vuole
impacchi di nuovo nel bene può essere usato
fare una collina poco profonda circa il
telaio per incoraggiare acqua versata a
esaurisca via dal pump.  Un calcestruzzo
coperta è messa sul telaio ed un
pompa installò.
 
  Se tubo di telaio concreto o altro
non può essere ottenuto, un camino fece
di bruciò mattoni e mortaio di sabbia-cemento
voglia suffice.  che Il tubo è piuttosto
più costoso, ma molto più facile
installare.
 
Fonte:
 
" Una Cassaforte Economico Bene, " americano
Amici Riparano Comitato, Filadelfia
Pennsylvania, 1956 (il mimeo).
 
Profondo Scavò Bene
 
  lavoratori Non addestrati possono scavare in salvo un
profondo, sanitario bene con semplice, luce
attrezzatura, se loro sono supervisionati bene.
Il metodo di base è delineato
qui.
 
Attrezzi e Materiali
 
Pale, mattocks
 
Secchi
 
Corda--fonti profonde richiedono corda di filo
 
Forme--l'acciaio, saldò e lanciò insieme
 
Torreggi con argano e puleggia
 
Cemento
 
Verga che rinforza
 
Sabbia
 
Globale
 
Petrolio
 
  che La mano ha scavato bene è il più molto esteso
di alcun genere di well.  Unfortunately,
la maggior parte di queste fonti furono scavate
da persone non informate ed ora è infettato
da parassita e batterico
disease.  usando metodi moderni e
materiali, fonti scavate possono essere fatte in salvo
60 metri (196.8 ') profondo e darà
una fonte permanente di acqua pura.
 
L'Esperienza di   ha mostrato che per un uomo,
l'ampiezza media di un tondo bene per
meglio la velocità di scavo è 1 metro (3 1/4 ').
Comunque 1.3 metri (4 1/4 ') è migliore
per due uomini che scavano insieme e loro
scavi più che due volte veloce come un uomo.
Così, due uomini nel buco più grande sono
di solito meglio.
 
  Dug fonti hanno bisogno sempre un permanente
fiancheggiando (eccetto in pietra solida, dove il
metodo migliore deve esercitarsi un tubewell di solito).
 
  La rigatura previene crollo del
buchi, sostiene la piattaforma di pompa, fermate
ingresso di acqua di superficie contaminata,
e sostiene il bene presa che è
la parte del bene attraverso che
innaffi enters.  è di solito migliore a
costruisca la rigatura mentre scava, da allora
questo evita provvisorio sostiene e riduce
pericolo di caverna-ins.
 
  Dug che fonti sono fiancheggiate in due modi:
(1) dove il buco è scavato e la rigatura
è costruito nel suo luogo permanente e
(2) dove seziona di fiancheggiare è aggiunto
alla cima e le mosse di rigatura intere
in giù come terra è rimosso da sotto
it.  che Il secondo metodo è chiamato
caissoning.  Often una combinazione di
ambo è migliore, come mostrato in Figura 2.

uwr2x57.gif (600x600)


 
  Se possibile, uso concreto per il
fiancheggiando perché è forte, permanente,
fatto soprattutto di materiali locali, e può
sia maneggiato da lavoratori non specializzati con
velocità buon e results.  (Veda sezione
su Costruzione Concreta).
 
La Muratura di   e muratura in mattoni sono estesamente
usato in molti paesi e può essere
molto soddisfacente se le condizioni sono
comunque, right.  In terra cattiva disuguale
pressioni possono farli incurvarsi o crollo.
Costruendo con questi materiali
è lento ed un muro più spesso è richiesto
che con concrete.  There è anche
sempre il pericolo di movimento durante
costruzione in sciolto sabbia o gonfiando
argillite di fronte al cemento ha messo fermamente
tra i mattoni o pietre.   Questo
pericolo è prevenuto con calcestruzzo da
lasciando la forma in luogo per sostenere
la rigatura, finché il calcestruzzo è duro.
Può c'essere neanche, alcuno specializzato
muratori nell'area; pietra appropriata
o bene-sparò mattone non può essere prontamente
disponibile.
 
Il Legno di   ed acciaio non sono buoni per fiancheggiare
Legno di wells.  richiede controventamento,
tende a decomporsi e tenere insetti; qualche volta
farà l'acqua assaggiare male.
Peggiore di tutti, non farà, il
bene a tenuta d'acqua contro la contaminazione.
Acciaio raramente si usa perché è
costoso, arrugginisce rapidamente e di solito
è soggetto ad incurvandosi e curvando.
 
  I passi generali nel finire il
prima 4.6 metri (15 ') è:
 
*  preparò su un argano di treppiede autorizzato,
   livella terra e punti di referenza
   per piombando e misurare il
Profondità di    del bene.
 
*  due uomini scavano il bene mentre un altro
   eleva e scarica l'immondizia fino a che
   il bene è precisamente 4.6 metri
   (15 ') profondo.
 
*  al quale il buco è aggiustato accuratamente
   mette in ordine di grandezza usando una giga speciale montata
   sui punti di referenza.
 
*  le forme sono messe attentamente e
   riempì uno alla volta con calcestruzzo pestato.
 
  Dopo questo è fatto, scavi a 9.1
metri (30 '), aggiusti e fiancheggi questa parte
anche con concrete.  Un 12.5cm (5 ") l'apertura
tra il primo e secondo di questi
sezioni sono riempite con pre-taglio concreto
quale è intonacato (il mortared) in luogo.
Ogni rigatura sta stesso-sostenendo come esso
ha un curb.  La cima del primo
sezione di fiancheggiare è più spesso che il
seconda sezione ed estende sopra del
incagli fare una fondazione buona per
l'edilizia di pompa e fare una cassaforte
sigilli contro acqua macinata.
 
  che Questo metodo è usato fino a che l'acqua-portante
a strato è giunto dove un
barbazzale addizionale-profondo è costruito.   Da
questo punto su, caissoning è usato.
 
I Cassoni pneumatici di   è cilindri concreti
andato bene con frecce per legarli
together.  Loro sono gettati e sono guariti
sulla superficie in speciale forgia,
prima di use.  Molti cassoni pneumatici sono
abbassato nel bene ed assemblò
together.  Then un lavoratore scava ed il
cassoni pneumatici lasciano cadere abbassi come terra è rimosso
da sotto di them.  Il calcestruzzo
guide che fiancheggiano i cassoni pneumatici.
 
  Se la tavola di acqua è alta quando il
bene è scavato, cassoni pneumatici addizionali sono lanciati
in luogo così che il bene può essere finito
da una piccola quantità di scavare e
senza lavoro concreto, durante l'asciutto
stagione.
 
Valutazione
 
  Details su piani ed attrezzatura per
questo processo è trovato in Approvvigionamento di Acqua
per Aree Rurali e le Comunità Piccole,
da E. G. Wagner e J. N. Lanoix,
Organizzazione della Salute del mondo, 1959.
 
Fonte:
 
Approvvigionamento di acqua per Aree Rurali e Piccolo
Comunità, Wagner e Lanoix.
 
Fonti Scavate che ricostruiscono
 
  Open fonti scavate non sono molto sanitarie,
ma loro possono essere ricostruiti rifoderando spesso
la cima 3 metri (10 ') con un
rigatura a tenuta d'acqua, scavo e pulizie
il bene e coprendolo; questo metodo
è installare una lastra concreta e seppellita;
veda Figura 3 per dettagli di costruzione.

uwr3x59.gif (600x600)


 
Attrezzi e Materiali
 
Attrezzi e materiali per rinforzato
Calcestruzzo di  
 
Un metodo per entrare il bene
 
Pompa e tubo di goccia
 
Prima di cominciare, controlli il seguente:
 
*  È il bene pericolosamente vicino a
   una fonte privata o altra della contaminazione?
   È esso vicino ad un'acqua
Fonte di   ? È esso desiderabile scavare un
   nuovo bene altrove invece di
   che pulisce questo uno? Poteva un privato
   si sia mosso, invece?
 
*  Ha il bene mai andato asciutto? Debba
   Lei l'approfondisce così come lo pulisca?
 
*  Surface che prosciugamento generalmente deve
   si inclina via dal bene e là
   dovrebbe essere disposizione effettiva di
   sparse acqua.
 
*  Che volontà di metodo Lei uso per rimuovere
   l'acqua e quello che costerà?
 
*  Prima di entrare il bene ispezionare
   la rigatura vecchia, controlli per una mancanza
   di ossigeno abbassando una lanterna o
Candela di   .   Se i resti di fiamma accendessero,
   è ragionevolmente sicuro per entrare il
   bene.   Se la fiamma va fuori, il
   è bene pericoloso ad enter.  Quando
   il bene è entrato, abbia una corda
   allacciò alla persona e due forte
Uomini di    per tirarlo fuori in caso di
Incidente di   .
 
Rifoderando il Muro
 
  Il primo lavoro è preparare il superiore
3 metri (10 ') della rigatura per calcestruzzo
rimuovendo sciolto culli e tagliando
via mortaio vecchio con un cesello, come
profondo come possibile (veda Figura 4).   Il

uwr4x63.gif (600x600)


il prossimo compito è pulire ed approfondire
il bene, se quello è necessario.   Tutti
la questione organica e limo dovrebbero essere affidati
out.  Il bene può essere scavato più profondo,
particolarmente durante la stagione asciutta,
coi metodi delineati nell'articolo
su " Fonti " Scavate e Profonde. Un modo a
aumenti il prodotto di acqua è guidare
un bene il punto più profondo nell'acqua-portante
soil.  Questo non vuole normalmente
elevi il livello di acqua nel bene,
ma può fare l'acqua fluire nel
bene faster.  Il bene punto può essere
suonato il piffero direttamente alla pompa, ma questo
non si avvalga del serbatoio
capacità degli scavarono bene.
 
  Il materiale rimosse dal bene
può essere usato per aiutare formi un tumulo
circa il bene così acqua esaurirà
via dal bene site.  Usually,
di suolo supplementare sarà avuto bisogno per questo
mound.  che Una fognatura fiancheggiata con pietra deve
sia provvisto per prendere acqua versata
via dal grembiule concreto che
coperte il bene.
 
  Reline il bene con calcestruzzo
applicato l'intonaco con la cazzuola su in luogo rinforzamento di maglia di filo.
Il più grande globale
dovrebbe essere pisello-messo in ordine di grandezza ghiaia ed il
miscela dovrebbe essere abbastanza ricca con calcestruzzo,
usando non più di 5 1/2 a 6 galloni
di acqua ad una 94-libbra sacco di cemento.
Estenda la rigatura 70cm (27 1/2 pollici)
sopra della superficie macinata ed originale.
 
Installando la Coperta e Pompa
 
  Cast il bene copra così che fa
un sigillo a tenuta d'acqua con la rigatura a
tenga le impurezze di superficie fuori.   Il
copra sosterrà anche la pompa.   Extend
la lastra fuori sul tumulo circa
un metro (alcuni piedi) aiutare prosciugamento
via dal site.  Make una botola stradale e
spazi per il tubo di goccia della pompa.
Monti così la pompa via centro c'è
alloggi per il manhole.  che La pompa è
montato su frecce gettate nella coperta.
La botola stradale deve essere 10cm (4 ") più alto
che la superficie della lastra.   Il
coperta di botola stradale deve ricoprire entro 5cm (2 ")
e dovrebbe essere andato bene con una serratura a
prevenga incidenti e la contaminazione.
Sia sicuro che la pompa è sigillata il
lastra.
 
Disinfettando il Bene
 
 
  Disinfect il bene usando un rigido
spazzoli lavare i muri con un molto
soluzione forte di cloro.   Then aggiungono
abbastanza cloro nel bene fare
esso su metà la forza del
soluzione usò sulla Spruzzatina di walls. 
questa ultima soluzione tutta sulla superficie
del bene distribuirlo
evenly.  Cover il bene e pompa su
l'acqua finché l'acqua odora fortemente
di Impedimento di chlorine.  il cloro rimane
nella pompa e bene per uno
giorno e poi lo pompa fino a che il cloro
è andato.
 
Esaminando l'Acqua
 
  Ha il bene acqua esaminò molto
giorni dopo disinfezione essere sicuro che
è pure.  Se non è, ripeta il
disinfezione e testing.  Se è
ancora non puro, trovi consiglio competente.
 
Fonti:
 
Approvvigionamento di acqua per Aree Rurali e Piccolo
Comunità, da. E. G. Wagner e N. di J.
Lanoix, Organizzazione della Salute del Mondo
1959.
 
Manuale di Approvvigionamento di Acqua Individuale
Sistemi, Reparto Americano di Salute
Istruzione e Welfare, Salute Pubblica
Ripari Pubblicazione N.ro 24.
Sollevamento di acqua e Trasporto
 
  Once che una fonte di acqua è stata trovata
e sviluppò, quattro domande di base devono
sia risposto:
 
 
1.  quello che è la percentuale di flusso di acqua
Di     avuto bisogno nella Sua situazione?
 
2.  Tra che punti devono l'acqua
    sia trasportato?
 
3.  Che genere e taglia di suonare il piffero sono
    ebbe bisogno di trasportare il richiesto
    fluisce?
 
4.  Che genere di pompa, se alcuno, è necessario
    per produrre il flusso richiesto?
 
  Le informazioni in questa volontà di sezione
L'aiuti a rispondere il terzo e quarto
domande, una volta Lei ha determinato il
risposte al primo due.
 
Trasporto di acqua
 
  Le prime tre entrate sono equazioni
ed allineamento idea (anche chiamò nomographs)
quali danno metodi semplici di
valutando il flusso di acqua sotto il
forza della gravità, ovvero, senza pompare.
Il quarto dice come misurare
fluisca osservando il becco da un orizzontale
tubo.
 
Taglia di tubo
 
  Lei noterà quell'in questi ed altro
allineamento idea, il termine " diametro nominale,
pollici, Orario 40 " Americano è usato
insieme al termine alternato, " in
diametro in centimetri, " nell'assegnare
suonare il piffero taglia.
 
  Pipes ed apparecchiature di solito sono fabbricati
ad un orario standard di taglie.
Gli Stati Uniti Orario 40, il più comune nel
Gli Stati Uniti, è usato anche estesamente in
paesi altri. Quando uno specifica " 2
pollice Orario 40 ", uno automaticamente
specifica la pressione che tassa del tubo
e suo in e fuori di diametri
(nessuno di che, incidentalmente, davvero è
2 "). Se l'orario non è conosciuto,
misuri il diametro interiore ed uso questo
per i calcoli di flusso.
 
Sollevamento di acqua
 
  che Le quattro entrate prossime fanno seguire i passi
costretto a disegnare un sistema che acqua-pompa
col suonando il piffero.
 
  La prima entrata in questo gruppo, " Pompa
Selezione " presenta tutti i fattori che devono
sia considerato nel selezionare una pompa. Uno
debba riempire la forma inclusa nel
entrata e fa una tubatura disegnare se lui
piani per spedirlo ad un consulente per aiuto
o fa il disegno e selezione lui.
 
  Le tre entrate prossime abilitano il lettore
disegnare suonando il piffero suo proprio sistema e
specifichi pompa suo propria.
 
Selezionando una Pompa
 
   The prima informazioni ebbero bisogno per selezionare
tipo di pompa e taglia è: (1) il
percentuale di flusso di acqua ebbe bisogno e (2) il
testa " o pressione per essere superato da
la pompa. Questa " testa " è composta di
due parti, (un) l'altezza il liquido
deve essere elevato e (b) la resistenza
fluire creò dai muri di tubo (l'attrito-perdita).
 
  La testa " di attrito-perdita " è il più più
fattore difficile per misurare. L'entrata,
Taglia di Pompa che " determina e Horsepower
Requisito, " pagina 82 descrive come a
selezioni il size(s del tubo economico) per il
flusso desiderò. Col pipe(s) selezionò
uno deve calcolare poi l'attrito-perdita
testa. L'entrata " che Valuta Resistenza di Flusso
di Apparecchiature " di Tubo rende possibile lo
valutare attrito addizionale causato da compressioni
di apparecchiature di tubo. Con questo
informazioni e la lunghezza di tubo, esso
è possibile valutare il potere di pompa
requisito che usa l'entrata, " Determinando
Taglia di pompa ed il Requisito " di Horsepower.
 
  Queste quattro entrate hanno un altro molto
uso importante. Lei già può avere un
pompa e è sorpreso " Will esso faccia questo lavoro "?
o " Che motore di taglia per fare dovrei comprare
questo lavoro con la pompa io ho "?. Il
Selezione " della Pompa dell'entrata " può essere usata
raccolga tutte le informazioni sulla pompa
e sul lavoro Lei lo vuole per fare. Con
queste informazioni, Lei può chiedere ad un consulente
o VITA se la pompa può essere usata o
non.
 
Pompe
 
  There sono molte varietà di pompe per
acqua che alza da dove è dove
sarà consegnato. Ma, per alcuno particolare
lavoro, c'è probabilmente uno o
due generi di pompe che serviranno meglio
che altri. Noi discuteremo qui
solamente due classi larghe di pompe: ascensore
pompe e pompe di forza.
 
Pompe di ascensore
 
  Un ascensore o pompa di suzione è localizzata a
la cima di un bene ed acqua di aumenti da
suzione. Anche la suzione più efficiente
pompa può creare una pressione negativa
di solamente 1 atmosfera: teoreticamente,
potrebbe elevare una colonna di acqua
10.3m (34 ') a livello marittimo. Ma perché
di perdite di attrito e gli effetti di
temperatura, una pompa di suzione a mare
livello davvero può alzare annaffi solamente
6.7m a 7.6m (22 ' a 25 '). L'entrata
su " Capacità " della Pompa dell'Ascensore spiega come
scoprire l'altezza una volontà di pompa di ascensore
acqua di aumento ad altitudini diverse con
temperature di acqua diverse.
 
Pompe di forza
 
  Quando una pompa di ascensore non è adeguata, un
pompa di forza deve essere usata. Con una forza
pompi, il meccanismo che pompa è messo
ad o vicino il livello di acqua e spinte
l'acqua su. Perché non dipende
su pressione atmosferica, è,
non limitato ad un 7.6m (25 ') la testa.
 
Costruzione Details
 
Dettagli di Costruzione di   sono dati due
pompe irrigatorie alle quali possono essere fatte il
livello di villaggio. Un facile-a-mantenga pompa
meccanismo di manico è descritto. Suggerimenti
è dato anche su usare bambù per
suonando il piffero.
 
Dettagli ulteriori su pompe sono dati in:
 
Apparecchiature del Sollevamento dell'acqua per Irrigazione, da
Aldert Molenaar, Cibo e l'Agricoltura
Organizzazione delle Nazioni Unito, Roma
1956.
 
Approvvigionamenti di Acqua piccoli, Il Ross Institute
La Scuola Londinese di Igiene e Tropicale
Medicina, Londra, 1967.
 
Approvvigionamento di acqua per Aree Rurali e Piccolo
Comunità, da Edmund G. Wagner e
J. N. Lanoix, Organizzazione della Salute del Mondo
Ginevra, 1959.
 
Fonti, TM 5-297/Armed Forze Manuale 85-23, Governo
Ufficio stampante, Washington
D.C., 1957.
 
FLUSSO DELL'ACQUA DEL RUSCELLO PICCOLO CHE VALUTA
 
  Un metodo grezzo ma molto rapido di valutare
flusso di acqua in ruscelli piccoli è
dato qui. Nel cercare acqua
fonti per bere, irrigazione o
motorizzi generazione, uno dovrebbe osservare tutti
i ruscelli disponibile.
 
  Se di fonti sono avute bisogno su per uso un
periodo lungo, è necessario per raccogliere
informazioni in tutto l'anno per determinare
cambi di flusso--specialmente alto
e flussi bassi. Il numero di ruscelli
quello deve essere usato e le variazioni di flusso
è fattori importanti nel determinare il
installazioni necessari per utilizzare il
acqua.
 
Attrezzi e Materiali
 
Apparecchiatura che calcola, preferibilmente guardi con secondo
   HAND
 
Nastro che misura
 
Galleggiante (veda sotto)

uwr1x65.gif (218x437)


 
Si conficchi per misurare profondità
 
  L'equazione seguente L'aiuterà
misurare fluisce rapidamente: Q = K X UN V DI X,
dove:
 
Q (la Quantità) = flusso in litri per minuto
Un (l'Area) = sezione trasversale di ruscello, perpendicolare
  per fluire, in metri di piazza
V (Velocità) = la velocità di ruscello, metri
  per minuto
 
K (Continuo) = una conversione corretta
Fattore di  . Questo è usato perché superficie
Il flusso di   è normalmente più veloce della media
  fluisce. Per uso di palcoscenici normale K = 850;
  per uso di palcoscenici di inondazione K = 900 a 950.
 
Trovare Un (l'Area) di una Sezione trasversale
 
  Il ruscello probabilmente avrà diverso
profondità lungo la sua lunghezza così scelto
un luogo dove la profondità del ruscello
è medio.
 
1.  Prendono un bastone che misura e lo mettono
    diritto nell'acqua approssimativamente 50cm
    dalla banca.
 
2.  Nota la profondità di acqua.
 
3.  Mossa il bastone 1 metro dalla banca
    in una linea direttamente attraverso il ruscello.
 
4.  Nota la profondità.
 
5.  Mossa il bastone 1.5 metri dal
    deposita denaro, nota la profondità, e continua
    che lo trasporta a 50cm intervalli fino a che
    Lei attraversa il ruscello.
 
Noti la profondità ogni durata Lei mette il
bastone diritto nel ruscello. Disegni un
griglia, come quell'in Figura 2 e marchio

uwr2x66.gif (393x393)


le profondità diverse su lui così che una sezione trasversale
del ruscello è mostrato. Una scala
di 1cm a 10cm è usato per spesso così
griglie. Contando la griglia quadra e
frazioni di piazze, l'area del
acqua può essere valutata. Per esempio,
la griglia mostrata qui ha un poco meno
che 4 metri di piazza di acqua.
 
Trovare V (Velocità)
 
  Put un galleggiante nel ruscello e misura
la distanza di viaggio in un minuto
(o frazione di un minuto, se necessario.)
L'ampiezza del ruscello dovrebbe essere come
continuo come possibile e libero di rapida,
dove la velocità è misurata.
 
  Un galleggiante di superficie leggero, come un frammento
cambi corso a causa di spesso
vento o currents della superficie. Un appesantito
galleggiante che siede diritto nell'acqua
non cambi così facilmente corso. Un
tubo leggero o lattina possono, in parte
riempito con acqua o ghiaia così che esso
galleggianti diritto con solamente una parte piccola
mostrando sopra di acqua, non cambierà
corso così facilmente e fa un migliore
stia a galla per misurare.
 
Ruscelli Larghi che misurano
 
  Per un ruscello largo, irregolare, è
meglio dividere il ruscello in 2 o
il sezioni di 3 metro e misura l'area
e la velocità di ognuno. Q è calcolato poi
per ogni sezione ed il Qs
sommato dare un flusso totale.
 
Esempio (veda Figura 2):
 
  Cross sezione è 4 metri di piazza
 
La Velocità di   di galleggiante = 6 metri viaggiarono
    in 1/2 minuto
 
Flusso di Ruscello di   è normale
 
  Q = 850 x 4 x 6 metri / .5 minuti
 
  Q = 40,800 litri per minuto
                 o
      680 litri per secondo
 
Unità inglese che usano
 
  Se unità inglese di misurazione sono
usato, l'equazione per misurare ruscello
flusso è: Q = K x Un V di x, dove:
 
 
Q = flusso in galloni Americani per minuto
 
Un = sezione trasversale di ruscello, perpendicolare
   per fluire, in piedi quadrati
 
V = la velocità di ruscello in piedi per minuto
 
K = un fattore di conversione corretto: 6.4
   per palcoscenici normali; 6.7 a 7.1 per
   allaga palcoscenici
 
  La griglia per essere usato sarebbe simile
a quell'in Figura 3; un usò comunemente

uwr3x67.gif (353x353)


scala è 1 " a 12 ".
 
Esempio:
 
La Sezione trasversale di   è 15 piedi di piazza
 
La Velocità di   di galleggiante = 20 piedi viaggiarono
    in 1/2 minuto
 
Flusso di Ruscello di   è normale
 
Q = 6.4 x 15 x 20 piedi
               _______
                .5 minuto
 
Q = 3800 galloni per minuto
 
Fonte:
 
Disegno di Fishways ed Installazioni di Pesce Altri
di C. H. Clay, P. E. Reparto di
Pesche del Canada, Ottawa, 1961.
 
MISURANDO IL FLUSSO DI ACQUA IN TUBI PARZIALMENTE RIEMPITI
 
  Il flusso di acqua in parzialmente-ripieno
tubi orizzontali o canali circolari
può essere determinato--se Lei conosce l'interno
diametro del tubo e la profondità
dell'acqua che fluisce--usando il
tabella di allineamento (il nomograph) in Figura 2.

uwr2x69.gif (486x486)


 
  che Questo metodo può essere controllato per minimo
percentuali di flusso e tubi piccoli misurando
il tempo costrinse a riempire un secchio
o suona sul tamburo con una quantità pesata di acqua.
Un litro di acqua pesi 1kg (i 1 Stati Uniti
gallone di pesi di acqua 8.33 libbre).
 
Attrezzi e Materiali
 
Regolo per misurare profondità di acqua (se regolo
Le unità di   sono pollici moltiplicano entro 2.54 a
  converte a centimetri)
 
Orlo diritto, usare con allineamento
  idea
 
  che La tabella di allineamento applica a tubi
con 2.5cm a 15cm in diametri, 20
a 60% pieno di acqua, ed avendo un ragionevolmente
superficie liscia (il ferro, ricopra d'acciaio, o
tubo di cucitore concreto). Il tubo o canale
debba essere ragionevolmente orizzontale se
il risultato deve essere accurato. L'occhio,
aiutato da un contrappeso completo linea per dare un
referenza verticale, è un sufficientemente
giudice buono. Se il tubo non è orizzontale
un altro metodo deve essere
usato. Usare la tabella di allineamento,
semplicemente connetta il punto corretto sul
K " scala col punto corretto del
d " scalano con l'orlo diritto. Il
percentuale di flusso può essere letta poi dal
q " scalano.
 
q = percentuale di flusso di acqua, litri per
    cronometra 8.33 libbre = 1 gallone.
 
d = diametro interno di tubo in centimetri.
 
K = frazione decimale di diametro verticale
    sotto acqua. Calcoli K da
    che misura la profondità di acqua (h)
    nel tubo e dividendolo dal
    suona il piffero diametro (d), o K = il h/d (veda
    Figure 1).

uwr1x68.gif (285x285)


 
Esempio:
 
  quello nel quale è la percentuale di flusso di acqua
un tubo con un diametro interno di 5cm,
correndo 0.3 pieno? Un linea connettendo diritto
5 sulla d-scala con 0.3 su
la K-scala taglia la q-scala ad un
flusso di 18 litri per minuto. <veda figura 2>
 
Fonte:
 
Bollettino di Greve, l'Università di Purdue (12,
N.ro 5, 1928 Bollettino 32).
 
FLUSSO DI ACQUA PROBABILE CHE DETERMINA CON NOTO
  SERBATOIO ALTEZZA E TAGLIA E LUNGHEZZA DI TUBO
 
  La tabella di allineamento in Figura 1 dà

uwr1x71.gif (540x540)


un ragionevolmente la determinazione accurata di
flusso di acqua quando taglia di tubo, lunghezza di tubo
ed altezza del serbatoio di approvvigionamento è
conosciuto.
 
  L'esempio dato ecco per il
l'analisi di un sistema esistente. A
disegni un sistema nuovo, presuma un diametro di tubo
e risolve per la flusso-percentuale, mentre ripetendo
la procedura con diametri finti e nuovi
fino ad uno di loro provvede un appropriato
percentuale di flusso.
 
Materiali
 
Orlo diritto, per uso con allineamento
  idea
 
Strumenti che osservano, se disponibile
 
  La tabella di allineamento era preparata per
pulisca, tubo di acciaio nuovo. Tubi con
superfici più grezze o acciaio o ferro di getto
tubo per il quale è stato in servizio un
tempo lungo può dare flussi basso come 50
percento di quelli predetto da questo
tabella.
 
  La testa disponibile (h) è in metri
e è preso come la differenza in
l'elevazione tra il serbatoio di approvvigionamento
ed il punto di richiesta. Questo può essere
valutato crudamente da occhio, ma per
risultati accurati del genere di osservare
strumenti sono necessari.
 
  Per risultati migliori, la lunghezza di tubo
(L) usato dovrebbe includere l'equivalente
lunghezze di apparecchiature come descritto in
manuale entrata " Flusso Resistenza di
Suoni il piffero Apparecchiature, " p. 80. Questa lunghezza
(L) divise dal tubo diametro interno
(D) dà il L/D " necessario "
rapporto. In L/D calcolatore, noti che
le unità di misurare L " e
D " deve essere lo stesso, e.g.: piedi
diviso da piedi; metri divisi da
metri; centimetri da centimetri.
 
Esempio:
 
  Given Testa Disponibile (h) di 10 metri,
tubo diametro interno (D) di 3cm, e
lunghezza di tubo equivalente (L) di 30 metri
3000cm.
 
  Calculate L/D = 3000cm = 1000
                  ______
                    3CM
 
  che La soluzione di tabella di allineamento è nel due
passi:
 
1.  Connettono Diametro 3cm Interno a
    Testa Disponibile (10 metri), e fa
    un marchio sulla Scala di Indice. (In questo
    avanza, trascuri " Q " scala)
 
2.  Connettono marchio su Scala di Indice con L/D
    (1000), e lesse percentuale di flusso (Q) di
    verso 140 litri per minuto.
 
Fonte:
 
Sollevi con una gru Società Carta #407 Tecnica, pagine
54-55.
 
FLUSSO DI ACQUA CHE VALUTA DA TUBI ORIZZONTALI
 
  Se un tubo orizzontale sta licenziando un
ruscello pieno di acqua, Lei può valutare
la percentuale di flusso dalla tabella di allineamento
in Figura 2. Questa è un'ingegneria standard

uwr2x73.gif (600x600)


tecnica per valutare flussi;
i suoi risultati sono di solito accurati a fra
10 percento della percentuale di flusso attuale.
 
Materiali
 
Straightedge e matita, usare allineamento
  idea
 
Misura di nastro
 
Livello
 
Contrappeso completo
 
  che L'acqua che fluisce dal tubo deve
completamente riempa l'apertura di tubo (veda
Figuri 1). I risultati dalla tabella

uwr1x72.gif (437x437)


sia molto accurato quando c'è nessuno
comprimendo o allargando l'adattamento al
fine del tubo.
 
Esempio:
 
L'Acqua di   sta fluendo fuori di un tubo con un
in diametro (d) di 3cm (veda Figura 1).
Il ruscello lascia cadere 30cm ad un punto
60cm dalla fine del tubo.
 
  Connect i 3cm in punto di diametro
sulla " scala di d " in Figura 2 col
60cm punto sulla " scala di D ". Questa linea
si interseca i " q " scalano ad approssimativamente 100
litri per minuto, la percentuale a che
acqua sta fluendo fuori del tubo.
 
Fonte:
 
" Flusso di Acqua da Aprire-fine Orizzontale
Tubi, " da Clifford L. Duckworth Chimico
Trattando, giugno 1959, p. 73.
 
POMPI SPECIFICAZIONE: Scegliendo una Pompa per
un Lavoro Specifico o Valutando un Disponibile
Pompa
 
  La forma data in Figura 1, la " Pompa
Foglio di Fatto applicativo, " è un elenco di controllo

uwrx75.gif (600x600)


per raccogliere le informazioni necessitate a
trovi aiuto nello scegliere una pompa per un particolare
situazione. Se Lei ha una pompa su
dia, Lei può usare anche la forma per valutare
quello che sono le sue capacità. Il
forma è un adattamento di una pompa standard
foglio di specificazione usato da ingegneri.
 
  Se Lei è dubbioso su quante informazioni
è migliore dare per dare,
troppo informazioni piuttosto che rischio
non dando abbastanza. Quando cercando consiglio
su come risolvere un problema che pompa o
quando chiedendo a fabbricanti di pompa di specificare
la pompa migliore per il Suo servizio,
dia informazioni complete su quello che suo
uso sarà e come sarà installato,
Se gli esperti non sono dati tutti il
dettagli, l'eletto di pompa può darLa
guaio.
 
  per dare un'idea migliore di come usare
la " Pompa Foglio di Fatto Applicativo, " esso
è mostrato ripieno in per una situazione tipica.
Per uso Suo proprio, faccia una copia
della forma. I commenti seguenti su
ognuno numerò articolo sul foglio di fatto
L'aiuti a completare adeguatamente la forma.
 
1.  Danno la composizione esatta del
    liquido essere pompato: fresco o sale
Acqua di    , petrolio, benzina, acido, alcali
    ecc.
 
2.  percento di Peso di solids possono essere trovati
    trovando un esemplare rappresentativo
    in un secchio. Lasci la cassapanca di solids
    al fondo e decanta via il
    liquido (o filtra il liquido attraverso
    una stoffa così che l'arrivo liquido
    attraverso è chiaro). Pesi il solids
    ed il liquido, e dà il peso
Percento di     di solids.
    Se questo non è possibile, misura
    il volume dell'esemplare (in litri,
    galloni Americani, ecc.) e
    il volume di solids (in cubico
Centimetri di    , cucchiaini da tè. ecc.) e
    spedisce queste figure. Descriva il
    materiale solido completamente e spinta dell'onda
    un esemplare piccolo se possibile. Questo
    è importante fin da, se il corretto
La pompa di     non è selezionata, il solids
    eroderà e romperà parti commoventi.
 
    Weight percento di solids =
 
    che 100 x si appesantiscono di solids in esemplare liquido
    _______________________________________
           si appesantisce di esemplare liquido
 
 3.   Se Lei non ha un termometro a
     misura temperatura, indovini a lui,
     che si assicura Lei indovinano sull'alti
     parteggia. Guai che pompano spesso sono
     causò quando temperature liquide a
     la presa è troppo alta.
 
4.  bolle di Benzina o causa bollitura speciale
Problemi di    , e deve essere menzionato sempre.
 
5.  Danno la capacità (la percentuale a che
    Lei vuole trasportare il liquido) in alcuno
    unità convenienti (litri per minuto,
    galloni Americani per minuto) dando
    il totale della capacità di massimo
    ebbe bisogno per ogni sbocco.
 
6.  Danno dettagli completi sul potere
Fonte di    .
 
    A.   Se Lei sta comprando un elettrico
    va in automobile per la pompa, sia sicuro per dare
    la Sua tensione. Se il potere è A.C.
    (corrente alternata) dia il
Frequenza di     (in cicli per secondo)
    ed il numero di fasi. Di solito
    questa sarà di più fase singola per
    motori piccoli. Lei vuole una pressione
    cambia o altro speciale vuole dire
    per avviare automaticamente il motore?
 
B. di     Se Lei vuole comprare un motore
    pompa controllato, descriva il tipo e
    costò di combustibile, l'altitudine, massimo
    aera temperatura, e dice se il
L'aria di     è insolitamente bagnata o polverosa.
 
C. di     Se Lei già ha un elettrico
    va in automobile o motore, dia come molte informazioni
    circa lui come Lei può. Dia
    la velocità, disegna la macchina, mentre essendo
    specialmente accurato mostrare il potere
    tratta male diametro e dove è con
    rispetta alla salita. Descriva
    la taglia e dattilografa di puleggia se Lei
    intende di usare una passeggiata di cintura. Finalmente,
    Lei deve valutare il potere. Il
    cosa migliore è copiare la targhetta
Dati di     completamente. Se il seguente
Il dati di     è disponibile per il Suo motore,
    dà il numero di cilindri, loro
    mette in ordine di grandezza, ed il colpo se possibile.
 
 
7.  La " testa " o pressione per essere superato
    dalla pompa e la capacità (o richiesto
    fluisce di acqua) determini il
    pompa taglia ed il potere. L'entrata
    " Pump Taglia ed il Requisito " di Horsepower,
    pagina 82, spiega il calcolo
    di situazioni di testa semplici.
    L'approccio migliore è spiegare il
    " capeggia " disegnando una tubatura accurata
    sketch (veda Articolo 10 nella " Pompa
    Foglio " di Fatto Applicativo). Sia sicuro
    per dare la suzione alzano e suonando il piffero
    separatamente dall'ascensore di scarico
    e suonando il piffero. Una descrizione accurata
    della tubatura è essenziale per calcolare
    la testa di attrito. Veda
    Figure 2.

uwr2x77.gif (600x600)


 
8.  Il materiale di tubatura, in diametro
    e la grossezza sono necessarie
    per fare i calcoli di testa
    e controllare se tubi sono
    forte abbastanza per resistere il
Pressione di    . Veda " Sollevamento di Acqua e
    Transport " per commenti su specificare
    suona il piffero diametro.
 
I 9.  Collegamenti a pompe commerciali sono
    normalmente flanged o tubo di standard
    infilò.
 
10.  Nello schizzo sono sicuri per mostrare il
Seguente di     :
 
     (un) taglie di Tubo; lo show dove mette in ordine di grandezza
         è cambiato riducendo che indica
Apparecchiature di         . (Legga " Introduzione "
         per commenti su
         suona il piffero diametro.)
 
     (b) Tutti gli apparecchiature di tubo--i gomiti,
         colloca sul, valvole (valvola di show
         dattilografa), ecc.
 
     (c) Lunghezza di ogni corsa di tubo in un
        la direzione di  given. Lunghezza di
         ogni tubo di taglia e verticale
         alza è i più importanti
Dimensioni di         .
11.  Danno informazioni su come la volontà di tubo
     sia usato. Faccia commenti su tali informazioni
     come:
 
     installazione Al coperto o all'aperta?
 
     servizio Continuo o intermittente?
 
     Space o limitazioni di peso?
 
NOTA: Per consiglio su selezione di pompa o
domanda, spedisca una Pompa completata "
Foglio " di Fatto applicativo ad un'università locale,
un fabbricante di pompa o a VITA,
L'università, Schenectady, New York
12308, U.S.A
 
Fonte:
 
Beniamino P. Coe, P.E. il Direttore di /Executive,
VITA, Schenectady, New York
 
LA TUBO TAGLIA OR VELOCITÀ CHE DETERMINA DI ACQUA IN TUBI
 
  La scelta di taglia di tubo è una di
i primi passi nel disegnare un semplice
innaffi sistema.
 
  La tabella di allineamento in Figura 1 può

uwr1x79.gif (600x600)


sia usato per calcolare la taglia di tubo necessitata
per un sistema di acqua quando l'acqua
la velocità è known.  che La tabella può anche
sia usato per scoprire che velocità di acqua
è avuto bisogno con una taglia di tubo determinata a
produca la percentuale richiesta di flusso.
 
Attrezzi e Materiali
 
Straightedge e matita
 
  sistemi di acqua Pratici usano acqua
le velocità da 1.2 a 1.8 metri per
second.  che la velocità Molto veloce richiede
pressione alta pompa che a turno richieda
pressione alta pompa che in
giri richieda motori grandi ed uso
Velocità di power.  eccessive che
è troppo basso è costoso perché
diametri di tubo più grandi devono essere usati.
 
  può essere consigliabile per calcolare il
costi di due o più sistemi basati su
tubo diverso size.  Remember, è
di solito saggio scegliere un poco più grande
tubo se flussi più alti si sono aspettati in
i 5 o 10 years.  prossimi In somma,
tubi di acqua sviluppano ruggine spesso e
scala che riduce il diametro e con ciò
aumentando la velocità e pompa
pressione costrinse a mantenere flusso a
il rate.  originale Se capacità addizionale
è disegnato nel sistema di tubatura,
più acqua può essere consegnata aggiungendo
alla capacità di pompa senza cambiare
tutta la tubatura.
 
  per usare la tabella, localizzi il flusso
(litri per minuto) Lei ha bisogno sul
Q-scale.  Draw una linea da quel punto,
sebbene la 1.8m/sec velocità sulla V-scala
al d-scale.  Choose il più vicino
tubo di taglia standard.
 
Esempio:
 
  Suppose che Lei ha bisogno di un flusso di 50 litri
per minuto alla durata di richiesta di picco.
Deduca una linea da 50 litri per minuto
sulla Q-scala attraverso 1.8m/sec su
il V-scale.  Avviso che questo si interseca
la d-scala ad approssimativamente 2.25.  Il
taglia di tubo corretta per scegliere sarebbe
la taglia di tubo di standard più grande e prossima:
e.g. 1 " diametro nominale, Orario Americano
40.  Se pompando spese (elettricità o
combustibile) è alto, sarebbe bene limitare
limiti la velocità a 1.2m/sec ed installi
una taglia di tubo lievemente più grande.
 
Fonte:
 
Sollevi con una gru Società Carta #409 Tecnica,
pagine 46-47.
 
RESISTENZA DI FLUSSO CHE VALUTA DI TUBO
APPARECCHIATURE
 
  Uno delle forze che deve una pompa
superi consegnare acqua è il
friction/resistance di apparecchiature di tubo e
valvole al flusso di acqua.   Alcune curve,
valvole, le compressioni o ingrandimenti
(come passando attraverso un serbatoio) aggiunga a
attrito.
 
  La tabella di allineamento in Figura 1 dà

uwr1x81.gif (600x600)


un modo semplice ma affidabile di valutare
questa resistenza: dà l'equivalente
lunghezza di tubo diritto che avrebbe
il resistance.  stesso La somma di questi
lunghezze equivalenti sono aggiunte poi il
lunghezza attuale di tubo: questo dà il
lunghezza di tubo equivalente e totale che è
usato nell'entrata seguente, mentre " Determinando
Pompi Capacità ed il Requisito di Horsepower,"
determinare l'attrito totale
perdita.
 
  piuttosto che calcolare la pressione
lasci cadere per ogni valvola o andando bene separatamente,
questa tabella darà l'equivalente
lunghezza di tubo diritto.
 
Valves:  Note la differenza in equivalente
lunghezza che dipende su come lontano il
valvola è aperta.
 
1.  Valvola di Cancello - valvola di apertura piena;
    vede attraverso lui quando apre; usato per
    completa chiuso via da flusso.
 
2.  Valvola di Globo - non può vedere attraverso lui
    quando apre; usato per flusso che regola.
 
3.  Valvola di Angolo - come il globo, usò
    per flusso che regola.
 
4.  Valvola del Controllo dell'Oscillazione - una falda apre
    per permettere flusso in una direzione ma
    chiude quando acqua tenta di fluire in
    la direzione opposta.
 
Apparecchiature
 
  Study la varietà di ti e gomiti:
noti attentamente la direzione di flusso
attraverso il tee.  per determinare l'equivalente
lunghezza di un adattamento, (un) la scelta
punto corretto su " linea appropriata ", (b) connetta
con diametro interiore di tubo,
usando un orlo diritto; legga equivalente
lunghezza di tubo diritto in metri, (c)
aggiunga la lunghezza equivalente ed appropriata a
la lunghezza attuale di tubo che è usato.
 
Fonte:
 
Sollevi con una gru Società Carta #409 Tecnica,
pagine 20-21.
 
Esempio 1:
 
    Pipe con 5cm in diameter         Lunghezza Equivalente in Metri
 
a.  Gate la Valvola (pienamente open)                                        .4
b.  Flow in linea - entrance                            1.0 all'ordine del giorno
c.  ingrandimento Improvviso in 10cm tubo
    (IL D/D = 1/2)                                                    1.0
d.  Pipe la lunghezza                                                   10.0
 
Lunghezza di Tubo Equivalente e totale                                      12.4
                                                    
Esempio 2:
 
    Pipe con 10cm in diameter     la Lunghezza di    Equivalent in Metri
 
a.  Elbow (lo standard)                                               4.0
b.  Pipe la lunghezza                                                   10.0
 
Lunghezza di Tubo Equivalente e totale                                      14.0
 
TAGLIA DELLO SBOCCO DELLA POMPA CHE DETERMINA ED IL REQUISITO DI HORSEPOWER
 
  Con l'allineamento ideano in Figura 2,

uwr2x84.gif (600x600)


Lei può determinare il necessario
taglia di pompa (diametro di sbocco di scarico)
e l'ammontare di horsepower
avuto bisogno di motorizzare il pump.  Il potere
può essere approvvigionato da uomini o da motori.
 
  Un uomo può generare approssimativamente 0.1 horsepower
(HP) per un ragionevolmente periodo lungo
e 0.4 HP per scoppi corti.
Motori sono disegnati per ammontari diversi
di horsepower.
 
Attrezzi
 
Orlo diritto e matita per allineamento
  idea
 
  per trovare la taglia di pompa approssimata
avuto bisogno per alzare liquido ad un noto
altezza attraverso tubatura semplice, segua
questi passi:
 
1.  Determinano la quantità di flusso desiderata
    in litri per minuto.
 
2.  Misura che l'altezza dell'ascensore ha richiesto
    (dal punto dove il
L'acqua di     entra la suzione di pompa
    che suona il piffero a dove licenzia).
 
3.  che Usano l'entrata " che Determina Tubo
    Size o la Velocità di Acqua in
    Pipes, " pagina 78 scelgono un tubo
    mette in ordine di grandezza che darà una velocità di acqua
    di approssimativamente 1.8 metri per
    appoggia (6 ' per secondo).   Questo
La velocità di     è scelta perché esso
    generalmente darà il più più
    combinazione economica di pompa
    e suonando il piffero; Passo 5 spiega come
    per convertire per più alto o più basso
    innaffia le velocità.
 
4.  Stima l'attrito-perdita di tubo
    " capeggia " (un 3-metro " che testa " rappresenta
    la pressione al fondo
    di una colonna 2-metro-alta di
    annaffia) per il totale equivalente
    suona il piffero lunghezza, incluso suzione
    e tubatura di scarico ed equivalente
    suona il piffero lunghezze per valvole
    ed apparecchiature, usando il seguente
Equazione di    :
 
Testa di Attrito-perdita di     =
 
    F x distruggono completamente length/100 del tubo equivalente
 
    dove F uguaglia l'attrito approssimato
    capeggia (in metri) per 100
    misura di pipe.  per trovare il valore
    di F, veda la tavola in Figura 1.

uwr1x81.gif (600x600)


    Per un chiarimento di sommi equivalente
    suona il piffero lunghezza, veda il precedente
Entrata di    .
 
5.  per trovare F (attrito approssimato
    capeggia in metri per 100m di tubo)
    quando la velocità di acqua è più alta o
    abbassa che 1.8 metri per secondo,
    usa l'equazione seguente: <veda equazione>

uwrx82.gif (353x353)


   
6.  Ottengono " Testa " Totale come segue:
    Total la Testa = Altezza di Ascensore +
    Attrito-perdita Testa
 
Suoni il piffero in diametro: CM     2.5   5.1    7.6   10.2   15.2    20.4   30.6   61.2
 
                  si muove (* )  1 "     2"    3"     4 "      6"     8 "     12 "     24 "
 
F (friction     approssimato 16     7      5      3      2       1.5    1      0.5
perdita in metri per 100
metri di tubo)
 
Figuri 1.  perdita di attrito di Media in metri per acqua fresca che fluisce attraverso acciaio
tubo quando la velocità è 1.8 metri (6 piedi) per secondo.
 
(*) Per il grado dell'accuratezza di questo metodo, entrambi attuale in diametro in
pollici o taglia di tubo nominale, Orario 40 Americano può essere usata.
 
7.  che Usano un orlo diritto, connetta il
    punto corretto sulla T-scala con
    il punto corretto sulla Q-scala;
    lesse horsepower a motore e pompa
    mette in ordine di grandezza sulle due scale altre.
 
Esempio di    :
 
    Desired il flusso: 400 litri per minuto
 
Altezza di     di ascensore: 16 metri, No
Apparecchiature di      
 
    Pipe la taglia: 5cm
 
Testa di Attrito-perdita di    : approssimativamente 1 metro
 
    Total la testa: 17 metri
 
Soluzione di    :
 
      Pump la taglia: 5cm
 
      Motor il horsepower: 3HP
 
 
Nota di   che horsepower di acqua è meno
che horsepower a motore (veda HP-scala,
Figuri 2) .  che Questo è a causa dell'attrito

uwr2x84.gif (600x600)


perdite nella pompa e motore.   Il
tabella di allineamento dovrebbe essere usata per
stima grezza only.  Per una determinazione esatta,
dia tutte le informazioni su
flusso e suonando il piffero ad un fabbricante di pompa
o un expert.  indipendente Lui ha il
dati esatti su pompe per domande varie.
Specificazioni di pompa possono essere
ingannevole specialmente se tubatura di suzione
è lungo e l'ascensore di suzione è grande.
 
Conversione a Horsepower Metrico
 
  Given i limiti dell'accuratezza di questo
metodo, horsepower metrici possono essere considerati
rudemente uguagli al horsepower
indicato dalla tabella di allineamento.
Horsepower metrici ed attuali possono essere ottenuti
moltiplicando horsepower da
1.014.
 
Fonte:
 
Nomographic Charts, da C. A. Kulman
Libro di McGraw-collina Co., New York, 1951
pagine 108-109.
 
CAPACITÀ DELLA POMPA DELL'ASCENSORE CHE DETERMINA
 
  L'altezza che una pompa di ascensore può elevare
acqua dipende da altitudine e, ad un minore
estensione, su temperatura di acqua.   Il
tracci in Figura 1 L'aiuterà a trovare

uwr1x85.gif (600x600)


fuori quello che una pompa di ascensore può fare a vario
altitudini e temperature di acqua.
 
Attrezzi
 
Nastro che misura
 
Termometro
 
  Se Lei conosce la Sua altitudine e la temperatura
della Sua acqua, Figuri la 1 volontà
gli dica il massimo distanza ammissibile
tra il cilindro di pompa ed il più basso
livello di acqua expected.  Se il grafico
show che alza pompe sono marginali o
non lavori, poi una pompa di forza deve
sia used.  Questo coinvolge mettendo il
cilindro in giù nel bene, vicino abbastanza
al livello di acqua aspettato e più basso a
sia certo di funzionare corretto.
 
  Il grafico mostra Massimo di lifts.  normale
ascensori possibili sotto le condizioni favorevoli
sia approssimativamente 1.2 metri
più alto, ma questo richiederebbe più lento
pompando e probabilmente darebbe molto
la difficoltà in " il perdere la primavera ".
 
  Check predizioni dal grafico da
ascensori che misurano in fonti vicine o da
sperimentazione.
 
Fonte:
 
Il Manuale di Ingegnere meccanico, da
Teodoro Baumeister, 6 edizione
Libro di McGraw-collina Co., New York, diritto d'autore
1958.  Usati da permesso.
(Adattò.)
 
TUBATURA DI BAMBÙ
 
  Dove è prontamente disponibile bambù,
sembra essere un sostituto buon per
metallo tubo di Bambù di pipe.  è facile a
faccia con lavoro non specializzato e locale
materials.  Le caratteristiche importanti di
il disegno e costruzione di un bambù
sistema che suona il piffero è dato qui.
 
Tubo di Bambù di   è usato estensivamente in
Indonesia per trasportare acqua a villaggi.
In molte aree rurali del Taiwan,
bambù è usato comunemente in luogo di
ferro galvanizzato per fonti profonde su a
una profondità di massimo di 150 metri (492 ').
Bambù di 50mm (2 ") diametro è
drizzato da vuole dire di calore, ed il
in nodi out.  battè Lo schermo
è fatto dando un pugno buchi nel bambù
ed avvolgendo quella sezione con un
fibroso stuoia-come materiale da un palmo
albero, Chamaerops humilis.  infatti,
schermi così fibrosi sono usati anche in
molti galvanizzarono fonti di tubo di ferro.
 
Attrezzi e Materiali
 
Ceselli (veda testo e Figuri 2)

uwr2x87.gif (300x600)


 
Inchiodi, spilla di cotter o linchpin
 
Materiali che stuccano
 
Impeci
 
Corda
 
  Bambù suonando il piffero possono contenere pressione su
a due atmosfere (approssimativamente 2.1kg per
ad angolo retto centimetro o 30 libbre per
pollice quadrato) .  che non può, perciò sia
usato come pressione piping.  è più più
appropriato in aree dove la fonte di
approvvigionamento è più alto che l'area per essere
servito ed il flusso è sotto la gravità.
 
Aspetti di salute
 
  Se bambù suonare il piffero è portare acqua
per bere scopi, il conservante unico
trattamento raccomandato è
acido borico: borace in un rapporto del 1:1 da
weight.  che Il trattamento raccomandato è
immergere completamente bambù verde in
una soluzione di 95 acqua di percento e 5
percento acido borico: borace.
 
  dopo che un tubo di bambù è messo in operazione
dà un odore indesiderabile a
comunque, il water.  che Questo sparisce
dopo approssimativamente tre weeks.  Se la clorazione
fa licenzi prima al
suoni il piffero, un serbatoio che dà sufficiente
tempo di contatto per disinfezione effettiva
è richiesto da quando tubo di bambù rimuove
cloro combina e niente residuo
cloro sarà mantenuto nel
pipe.  per evitare la contaminazione possibile
da acqua di terra, un mai pericolo presente,
è desiderabile per mantenere il
pressione interna all'interno del tubo a
un livello più alto che alcuna acqua esterna
pressione fuori del pipe.  Alcuna perdita
sia poi dal tubo, e
acqua contaminata non entrerà
il tubo.
 
Disegno e Costruzione
 
Tubo di Bambù di   è fatto di lunghezze di
bambù del diametro desiderato annoiando
fuori la membrana che divide al
joints.  Un cesello circolare per questo
scopo è mostrato in Figura 2.   Una fine
di una lunghezza corta di tubo di acciaio è
fornito di campana fuori per aumentare il diametro
e l'orlo sharpened.  Una lunghezza di
tubo di bambù di diametro sufficientemente piccolo
scivolare nel tubo è usato come
una sbarra noiosa e garantito al tubo
esercitandosi un buco piccolo attraverso il
riunione e guidando un'unghia attraverso il
hole.  Questa unghia è anche noto come un
cotter uniscono o linchpin.  Tre o più
ceselli che variano da più piccolo al
massimo desiderato diametro è richiesto.
A ciascuno unito la membrana è rimossa
annoiando un buco col più piccolo prima
cesello di diametro, poi progressivamente
allargando il buco col più grande
ceselli di diametro.
 
  Bambù tubo lunghezze sono congiunte in un
numero di modi, come mostrato in Figura 3.

uwr3x88.gif (600x600)


Giunture sono fatte a tenuta d'acqua stuccando
con lana di cotone mescolata con impeci, poi
legando ermeticamente con corda mise a bagno in
caldo impeci.
 
Tubo di Bambù di   è preservato posando
il tubo sotto terra livella ed assicurando
un flusso continuo nel tubo.
Dove il tubo è posato sopra di macinato
livelli, è protegguto avvolgendolo
con strati di fibra di palmo con suolo
tra il layers.  Questo trattamento
dia una durata presunta della vita di circa
3 a 4 anni al tubo; un po' di bambù
duri su al 5-6 Deterioramento di years. 
e fallimento accade a di solito il
giunture naturali che sono i più deboli
parti.
 
  Dove la profondità del tubo sotto
la fonte di acqua è tale che il massimo
pressione sarà ecceduta, pressione
camere assistenziali devono essere installate.
Una camera tipica è mostrata in Figura 4.

uwr4x89.gif (600x600)


Queste camere sono installate anche
come serbatoi per linee di approvvigionamento di ramo
a rotta di en di villaggi.
 
  Un schizzo di diagrammatic di un bambù
tubo acqua approvvigionamento sistema per un numero
di villaggi è mostrato in Figura 1.   Size

uwr1x86.gif (600x600)


requisiti per tubo di bambù possono essere
determinato usare la tubo-capacità
tabella di allineamento in Figura 5.   Un disegno

uwr5x90.gif (600x600)


per una fontana pubblica fatta da bambù
è mostrato in Figura 6.

uwr6x91.gif (600x600)


 
Fonte:
 
Approvvigionamento di " acqua che Usa Tubo di Bambù, " Aiuto-UNC/IPSED
Articolo di serie N.ro 3, Internazionale
Programmi in Ingegneria Sanitaria
Disegni, l'Università di nord
Carolina, 1966.
 
POMPA DI CATENA PER IRRIGAZIONE
 
  La pompa di catena che può essere motorizzata
da uomo o animale, è primariamente un poco profondo-bene
pompi alzare acqua per irrigazione
(veda Figura 1) .  che funziona meglio

uwr1x92.gif (437x437)


quando l'ascensore è meno che 6 metri
(20 ') .  La fonte di acqua deve avere un
profondità di approssimativamente 5 collegamenti di catena.
 
  la capacità di pompa ed il potere
requisito per alcun ascensore è proporzionale
alla piazza del diametro
della Figura di tube.  2 show quello che può

uwr2x93.gif (180x540)


si sia aspettato da un 10cm (4 ") il diametro
tubo operato da quattro uomini che lavorano in
due turni.
 
  La pompa è intesa per uso come un
pompa irrigatoria perché è difficile
sigillare per uso come una pompa sanitaria.
 
Attrezzi e Materiali
 
Saldando od ottonando attrezzatura
 
Attrezzatura metallo-penetrante
 
Attrezzi di Woodworking
 
Tubo: 10cm (4 ") fuori di diametro,
Lunghezza di       come necessitato
 
      5cm (2 ") fuori di diametro,
Lunghezza di       come necessitato
 
Incateni con collegamenti approssimativamente 8mm (5/16 ") in
Diametro di  , lunghezza come necessitato
 
Acciaio di foglio, 3mm (1/8 ") spesso
 
Acciaio di foglio, 6mm (1/4 ") spesso
 
Verga di acciaio, 8mm (5/16 ") in diametro
 
Verga di acciaio, 12.7mm (1/2 ") in diametro
 
Cuoio o ricopre di gomma per lavatori
 
  nel quale La pompa di catena intera è mostrata
Figuri 3.  Dettagli di questa pompa possono essere

uwr3x94.gif (600x600)


cambiato andare bene materiali disponibile e
struttura del bene.
 
  Il pistone collega (veda Figura 4, 5 6 e 7)

uwr4x950.gif (353x353)


è fatto da tre parti:
 
1. un cuoio o ricopre di gomma lavatore (veda Figura 4)

uwr4x95.gif (353x353)


   con un fuori il diametro
   approssimativamente due thicknesses di un
Lavatore di    più grande del diametro interiore
   del tubo.
 
2. un disco di pistone (veda Figura 5).

uwr5x95.gif (486x486)


 
3. un piatto che trattiene (veda Figura 6).

uwr6x96.gif (317x317)


 
  Il collegamento di pistone è fatto come mostrato in
Figuri 7.  Centro tutte le tre parti,

uwr7x96.gif (353x353)


li stringa con un morsetto insieme temporaneamente, trapano
un buco approssimativamente 6mm (1/4 ") in diametro
attraverso tutti i tre divide ed assicura
loro insieme con una freccia o chiodo.
 
  L'argano è costruito come mostrato in Figura 3.

uwr3x94.gif (600x600)


Due acciaio dischi 6mm (1/4 ").
spesso è saldato all'asta di tubo.
 
Dodici verghe di acciaio, 12.7m (1/2 ")
spesso, è spaziato a distanze uguali,
ad o vicino il fuori il diametro e
è saldato in place.  che Le verghe possono essere
posato sul fuori dei dischi, se
desiderato.
 
  Una manovella e manico di legno o metallo
è saldato poi o lanciò all'argano
asta.
 
  Gli appoggi per l'asta di argano (veda Figura 3)
può Essere V-dentellato per tenere il
tratti male che gradualmente porterà suo
groove.  proprio Una connessione o blocco può essere
aggiunto attraverso la cima, se necessario, a
tenga l'asta in luogo.
 
  che Il tubo può essere sostenuto infilando
o saldando una flangia a suo superiore
fine (veda Figura 8) .  che La flangia deve

uwr8x96.gif (437x437)


sia 8mm a 10mm (5/16 " a 3/8 ") spesso.
Il tubo passa attraverso un buco nel
fondo del trogolo ed appende da
il trogolo nel bene.
 
Fonti:
 
Robert G. Young, VITA Volunteer, Nuovo
Olanda, Pennsylvania, Capitolo
 
Apparecchiature del Sollevamento dell'acqua per Irrigazione,
di Aldert Molenaar, Roma: Cibo e
Organizzazione di agricoltura dell'Unito
Nazioni, 1956.
 
POMPA DELLA MANO DELL'INERZIA

uwr1x97.gif (393x393)


 
  che  The inerzia mano pompa ha descritto qui
è una pompa molto efficiente per alzare
innaffi distances.  corto alza acqua
4 metri (13 ') alla percentuale di 75 a
114 litri (20 a 30 galloni Americani) per
minute.  alza acqua 1 metro (3.3 ')
alla percentuale di 227 a 284 litri (60
a 75 galloni) per Consegna di minute. 
dipende dal numero di persone pompare
e la loro forza.
 
 
  che La pompa è costruita facilmente da un stagnaio.
Le sue tre parti commoventi richiedono
pressocché nessun maintenance.  che La pompa ha
stato costruito in tre taglie diverse
per livelli di acqua diversi.
 
  dal quale La pompa è fatta galvanizzò
metallo di foglio del peso più pesante
ottenibile quale può essere funzionato facilmente
da un stagnaio (24 a fogli di 28-pegno
è usato con successo).   Il
tubo è formato e fece aria stretto da
brasando tutte le giunture e linee di giunzione.   Il
valvola è fatta dal metallo di scartò
barili ed un pezzo di autocarro
tubo interno rubber.  Il parentesi quadrato per
legando il manico è fatto anche da
metallo di barile.
 
Attrezzi
 
Attrezzatura che brasa
 
Trapano e pezzi o punch
 
Martello
 
Seghe
 
Tinsnips
 
Incudine (sbarra di ferrovia o tubo di ferro)
 
Materiali per 1-metro (3.3 ') la pompa:
 
Ferro galvanizzato (24 a 28 pegno):
 
  Shield: 61cm x 32cm, 1 pezzo
    (2 ' X 12 5/8 ")
 
  Shield la coperta: 21cm x 22cm, 1 pezzo
    (8 1/4 " X 8 5/8 ")
 
  Pipe: 140cm x 49cm, 1 pezzo
    (55 1/8 " X 19 1/4 ")
 
  Top di tubo: 15cm x 15cm, 1 pezzo
    (6 " X 6 ")
 
  " tubo di y ": 49cm x 30cm, 1 pezzo
    (19 1/4 " X 12 ")
 
Metallo di barile:
 
  Bracket: 15cm x 45cm, 1 pezzo
    (6 " X 21 1/4 ")
 
Valvola-fondo di  : 12cm (4 3/4 ") in
Diametro di    , 1 pezzo
 
Valvola-cima di  : 18cm (7 1/8 ") in diametro,
    1 pezzo
 
Filo:
 
  Hinge: 4mm (5/32 ") in diametro,
    32cm (12 5/8 ") lungo
 
  che Questa pompa può essere fatta anche da di plastica
tubo o bambù.
 
  There sono due punti per essere ricordati
riguardo a questo pump.  è che il
distanzi dalla cima del tubo a
la cima del buco dove il corto
sezione di tubo è connessa deve essere
20cm (8 ") .  See Figura 2.  L'aria

uwr2x980.gif (486x486)


quale sta nel tubo sopra di questo
congiungimento serve come un cuscino di aria (a
prevenga " martellamento " e regola il
numero di colpi pompò per minuto.
Il secondo punto è ricordare a
azioni la pompa con colpi corti,
15 a 20cm (6 " a 8 ") ed ad una percentuale di
approssimativamente 80 colpi per minuto.   There è
una velocità definito a che la pompa
lavori meglio e l'operatore vuole presto
trovi il " tatto " della sua pompa particolare.
 
  Nel costruire le due pompe di taglia più grandi
è necessario per fortificare qualche volta
il tubo per non permettergli di crollare se
colpisce il lato del bene.   che può
sia fortificato formando " costole " circa
ogni 30cm (12 ") sotto la valvola o
unendo con nastri fece da barile
metallo ed attaccato con 6m (1/4 ")
frecce.
 
  che Il manico è legato alla pompa

uwr4x99.gif (600x600)


ed affigge con una freccia 10mm (3/8 ") in
diametro, o un'unghia grande o verga di
taglia simile.
 
  Figure 5 danno le dimensioni di

uwr5x100.gif (600x600)


parti per pompe di tre diverso
taglie. Figuri 6 show il pompare

uwr6x100.gif (200x600)


capacità per ogni taglia.
 
Fonte:
 
Dale Fritz, VITA Volunteer
Washington, D.C.
 
MECCANISMO DI MANICO PER POMPE DI MANO
 
  Le parti che portano di questo durevole
meccanismo di manico di mano-pompa è di legno
(veda Figura 1) .  che Loro possono essere facilmente

uwr1x101.gif (486x486)


sostituito da un falegname di villaggio.
Questo manico è stato progettato per sostituire
meccanismi di manico di pompa che sono
difficile a maintain.  Alcuni sono stati
in uso per molti anni in India con
solamente semplice, infrequente ripara.
 
Attrezzi e Materiali
 
Sega
 
Trapano
 
Pezzi
 
Rubinetto: 12.5mm (1/2 ")
 
Rubinetto: 10mm (3/8 ")
 
Cesello
 
Drawknife, spokeshave o falegnameria
 
Legno duro: 86.4cm x 6.4cm x 6.4cm
  (34 " X 2 1/2 " X 2 1/2 ")
 
Verga di acciaio mite: 19mm (3/4 ") in diametro
   and 46.5mm (16 ") lungo
 
Ferro di connessione, 2 pezzi: 26.7cm x 38mm
  X 6MM (10.1/2 " X 1 1/2 " X 1/4 ")
 
  che Il meccanismo mostrato in Figura 1 è
lanciato alla flangia di cima della Sua pompa.
La salita buca Un e C nel blocco
dovrebbe essere spaziato per andare bene la Sua pompa (veda Figura 6).

uwr6x103.gif (540x540)


Figuri 2 show una pompa con

uwr2x102.gif (486x486)


questo meccanismo di manico che sta essendo
fabbricato da F. Humain e Bros.,
28 Strada di lido, Calcutta, India.
 
                                 BOLT LA FERRAMENTA
 
                                        Number del Numero di   di
Of     del numero la Lunghezza di Dia.  of   di Numero di    serratura-      Scopo di         semplice -
frecce mm di mm     di reqd.        raccoglie noci reqd. Lavatori di washers    di   che        assicura:
 
     1         10       38        0           0            0        76mm freccia a
                                                                  ROD
 
     1         10       76        0           0            2        Rod per Maneggiare
 
     2         12.5     89        2           4            4        Collegamento per Maneggiare
                                                                Link Block
 
     2         12.5      ?        2           2            2        Blocco a Suo
                                                                pompa
 
     1         12.5      ?        1           1            0        Rod a pistone
 
  Handle.   Make il manico di difficile
legno duro, sagomato su una falegnameria o da mano
shaving.  che La fessura dovrebbe essere tagliata larga
abbastanza per accomodare la verga con due
lavatori semplici su entrambi lato.   See Figura 3.

uwr3x102.gif (il 256x486)


 
Rod di  .   che La verga è fatta di acciaio mite
come s possiedono in Figura 4.  A 10MM (3/8 ")

uwr4x103.gif (437x437)


macchina di diametro freccia 38mm (1 1/2 ")
viti lunghe nella fine della verga
chiudere la spilla di cardine di verga in luogo a chiave.
La spilla di cardine di verga è una 10mm (3/8 ")
freccia di macchina di diametro che connette
la verga al manico (veda Figura 1).
La fine della verga può essere lanciata direttamente
al pistone di pompa con un
12.5mm bolt.  Se il cilindro di pompa
è troppo lontano in giù per questo, un threaded
12.5m (1/2 ") verga dovrebbe essere usata invece.
 
  Links.   I collegamenti sono due pezzi di
connessione di piatto-acciaio iron.  Clamp loro insieme
per esercitarsi fare il buco
equal.  See che spazia Figura 5.

uwr5x103.gif (437x437)


 
  Block.   Il blocco forma la base di
il meccanismo di leva, serve come un lubrificò
buco di guida per la verga, e provvede
un mezzi per assicurare il meccanismo
alla pompa barrel.  Se il blocco
lo è fatto accuratamente condire difficile
legno duro senza nodi, il meccanismo
funzioni bene per molti anni.
Attentamente la piazza il blocco a 22.9cm x
6.4cm x 6.4cm (9 " x 2 1/2 " x 2 1/2 ").
Buchi prossimi Un, B, C, e D si sono esercitati
perpendicolare al blocco come mostrato in
Figuri 6.  La spaziatura della salita

uwr6x103.gif (534x534)


buchi Un e C da buco B è determinato
dalla spaziatura dei buchi di freccia
nella flangia di barile della Sua pompa.
Sega prossima il blocco in metà in un aereo
3.5cm (1 3/8 ") in giù dal lato di cima.
Allargi buco B alla cima dell'abbassato
sezioni con un cesello per formare un petrolio
bene circa il rod.  Questo bene è
riempito con cotton.  Un 6mm (1/4 ") il buco,
F, si è esercitato ad un angolo dal petrolio
bene alla superficie del blocco.   UN
secondo buco di condotto di petrolio nel quale E si è esercitato
la superiore-sezione del blocco per incontrare
buco D.  Use lockwashers sotto la testa
e noce del collegamento lancia chiudere il
frecce e collega chiaramente together.  Use
lavatori tra i collegamenti ed i di legno
parti.
Fonte:
 
Una Pompa Disegnò per Uso di Villaggio, da
Il Dott. Edwin Abbott, Amici americani
Ripari Comitato, Filadelfia
Pennsylvania, 1955.
 
USANDO UN ARIETE IDRAULICO
 
  Un ariete idraulico è un stesso-a motore
pompa che usa l'energia di cadere
annaffi alzare alcuna di questa acqua ad un
livelli sopra della fonte originale.   Questo
entrata spiega l'uso di pubblicità
arieti idraulici che sono disponibili
in dei paesi.
 
Attrezzi e Materiali
 
Ariete idraulico e commerciale
 
Tubo di acciaio ed apparecchiature
 
Strappi di tubo
 
Materiali per fare una diga piccola o serbatoio
 
Uso dell'Ariete Idraulico
 
  che Un ariete idraulico può essere usato dovunque
una primavera o ruscello di flussi di acqua con
almeno un 91.5cm (3 ') caduta in altitudine.
La fonte deve essere almeno un flusso di
11.4 litri (3 galloni) un minuto.
Acqua può essere alzata approssimativamente 7.6 metri
(25 ') per ciascuni 30.5cm (12 ") di caduta in
altitude.  può essere alzato come alto come
152 metri (500 '), ma un più comune
ascensore è 45 metri (150 ').
 
  Il ciclo che pompa (veda Figura 1) è:

uwr1x104.gif (600x600)


 
1. Flussi di acqua attraverso il tubo di passeggiata
   (D) e fuori il fuori la valvola (F).
 
2. La diligenza dell'acqua commovente
   chiude la valvola (F).
 
3. Il momento di acqua nella passeggiata
   suona il piffero (D) guida dell'acqua in
   le arie alloggiano (Un) e fuori il
Tubo di consegna di    (io).
 
4. Il flusso si ferma.
 
5. La valvola di controllo (B) chiude.
 
6. Il fuori la valvola (F) apre a
   avvia il ciclo prossimo.
 
  Questo ciclo è ripetuto 25 a 100
  calcola al minuto; la frequenza è
  regolò trasportando la rettifica
  si appesantisce (C).
 
  che La lunghezza del tubo di passeggiata deve essere
tra cinque e dieci volte la lunghezza
dell'autunno (veda Figura 2) .  Se il

uwr2x105.gif (600x600)


distanzi dalla fonte all'ariete è
più grande di dieci volte la lunghezza di
l'autunno, la lunghezza della passeggiata
tubo può essere aggiustato installando un
tubo di bancarella tra la fonte ed il
ariete (veda B in Figura 2).

uwrbx105.gif (540x540)


 
  Once che l'ariete è installato c'è
poco abbia bisogno per manutenzione e no
abbia bisogno per labor.  specializzato Il costo di
un ariete piccolo che eleverà acqua
approssimativamente 45 metri (150 ') è quasi gli Stati Uniti
$150, non incluso il costo del
tubo ed installation.  Anche se il
costo può sembrare alto, deve essere ricordato
che non c'è potere ulteriore
costi ed un ariete duri per 30 anni
o more.  che Un ariete usato in climi gelato
deve essere isolato.
 
  Un ariete di duplice-recitazione userà un impuro
approvvigionamento di acqua per pompare due-terzo
dell'acqua pura da una primavera o
source.  simile Un terzo del puro
miscele di acqua con l'acqua impura.   UN
fornitore dovrebbe essere consultato per questo
domanda speciale.
 
  per calcolare l'approssimato pompando
tassi, usi l'equazione seguente:
 
Capacità (galloni per ora) = Vx F x 40
                              _________
                                  E
 
V = galloni per minuto da fonte
F = caduta in piedi
E = l'altezza l'acqua sarà elevata
    in piedi
 
Dati Ebbero bisogno per Ordinare un Idraulico
Ariete
 
1. Quantità di acqua disponibile al
La fonte di    di approvvigionamento in litri (o
Galloni di   ) per ______________ minuto
 
 
2. Caduta verticale in metri (o piedi)
   da approvvigionamento a ram  ______________
 
3. Altezza alla quale deve essere l'acqua
   elevò sopra dell'ariete _____________
 
4. Quantità di acqua richiese al giorno
                       ______________
 
5. Distanzi dalla fonte di approvvigionamento
   all'ariete           ______________
 
6. Distanzi dall'ariete al deposito
Serbatoio di                    ______________
 
Fonti:
 
Loren G. Sadler, Olanda Nuova, Pennsylvania
Capitolo di VITA
 
Motore Fabbricando Idraulico e comune
Società, Inscatoli 367, Millburn, New Jersey
L'U.S.A
 
L'Ariete Idraulico, da W. H. Sheldon
Dilazione Bollettino 171, luglio 1943
Stato di Michigan l'Università di Agricoltura
e scienza applicata.
 
Officina di " paese, Paese " australiano
Settembre 1961, pagine 32-33.
 
Acqua delle Forze dell'Ariete " idraulica per Pompare
Esso, Scienza " Popolare, ottobre 1948
pagine 231-233.
 
Ariete " idraulico, " L'Artigiano di Casa
Marzo-aprile 1963, pagine 20-22.
 
Innaffi Deposito ed il Potere di Acqua
 
SVILUPPO PRIMAVERILE
 
  Springs, particolarmente in suolo sabbioso
spesso faccia una fonte di acqua eccellente,
ma loro dovrebbero essere scavati più profondi, sigillò,
protegguto da un recinto e suonò il piffero al
home.  Se fesse pietra o calcare
è presente, trovi consiglio competente.
 
Attrezzi e Materiali
 
Dia attrezzi per scavare
 
Rinforzato concreto
 
Schermi
 
Tubi
 
  sviluppo Corretto di una volontà primaverile
aumenti il flusso di incagli acqua e
abbassi le opportunità della contaminazione
da acqua di superficie.
 
Le Primavere di   di solito è o:
 
1.  Gocciolamento di Gravità, dove l'acqua-portante
    sporca portate la superficie
    su un strato impermeabile, o
 
2.  Pressione o artesian, dove il
    annaffia, sotto pressione ed intrappolò
    da un strato duro di suolo, trova un
    che apre e sorge alla superficie.
    (In delle parti del mondo, tutti
Le primavere di     state chiamate artesian.)
 
  Dig un buco piccolo vicino la primavera a
impari la profondità allo strato duro di
suolo e scoprire se la primavera
è gravità-gocciolamento o pressione.   Check
in salita e vicino per fonti della contaminazione.
Esamini l'acqua per vedere se
deve essere purificato prima di essere usato
per drinking.  Un finale punto: Scoperta
fuori se la primavera corre durante lungo asciutto
incantesimi.
 
  Usually che il suolo è scavato al duro,
parte fondamentale ed un serbatoio è fatto
con muri concreti ed a tenuta d'acqua su tutti
ma il lato in salita (veda Figura 1 e 2).

uwr11100.gif (600x600)


dovrebbe essere fiancheggiato con calcestruzzo poroso
o prende a sassate senza mortaio, così che esso
ammetta l'acqua di gocciolamento di gravità.
Può essere backfilled con ghiaia e
sabbi che aiuta a tenere materiali eccellenti
nel suolo acqua-che porta da
entrando lo spring.  Se il suolo duro
non può essere arrivato facilmente, un calcestruzzo
cisterna si costruisce quale può essere alimentato da
un tubo perforato nel quale è messo
lo strato acqua-che porta di terra.
Con una primavera di pressione, tutti i lati di
il serbatoio è fatto di a tenuta d'acqua rinforzato
concreto, ma il fondo è
open.  sinistro attraverso il quale L'acqua entra
il fondo.
 
  Read la sezione in questo manuale
su cisterne prima di sviluppare Suo
primavera.
 
  Nessuna questione come l'acqua entra Suo
serbatoio, Lei deve assicurarsi l'acqua è
puro da:
 
    che costruisce una coperta completa per fermarsi
    affiora inquinamento e tiene fuori
Luce del sole di     alla quale provoca alghe
    cresce.
 
    che installa una botola stradale chiusa con
    almeno un 5cm (2 ") ricopra a
    previene ingresso di terra inquinata
    annaffia.
 
    che installa un'inondazione protegguta
    che licenzia almeno 15cm
    (6 ") sopra del ground.  L'acqua
    deve sbarcare su un blocco di cemento o pietra
    affiora fermare l'acqua da
    che fa un buco nella terra ed a
    assicura via prosciugamento corretto da
    la primavera.
 
    che sistema la primavera così che la superficie
L'acqua di     deve filtrare attraverso a
    3 metri minimi (10 ') di suolo prima
    che arriva all'acqua macinata.
    Fa questo facendo una diversione
    scava per acqua di superficie circa
    15 metri (50 ') o più dal
    salta.   Also, se necessario, coperta
    la superficie della terra vicino
    la primavera con un strato pesante di
    sporca o creta per aumentare le distanze
    che rainwater devono viaggiare,
    che assicura così che deve filtrare
    attraverso 3 metri (10 ') di suolo.
 
*   che fa un recinto per tenere persone e
Animali di     via dalla primavera
    surroundings.  immediato I suggerirono
Il raggio di     è 7.6 metri (25 ').
 
*   che installa una conduttura dal
    inonda al luogo dove il
    annaffia sarà usato.
 
  Prima di usare la primavera, disinfetti
esso completamente aggiungendo cloro o
cloro compounds.  Shut via l'inondazione
tenere la soluzione di cloro in
il bene per 24 hours.  Se la primavera
inondazioni anche se l'acqua è
chiuda via, si preoccupi di aggiungere cloro così
che rimane almeno forte per
30 minuti, anche se 12 ore possono
sia molto safer.  dopo che il cloro è
allineato il testo dal sistema abbia l'acqua
tested.  (Veda sezione su " Clorazione
e Superchlorination ".)
 
Fonte:
 
Manuale di Approvvigionamento di Acqua Individuale
Sistemi, Reparto Americano di Salute
Istruzione e Welfare, Salute Pubblica
Ripari Pubblicazione N.ro 24.
 
Approvvigionamento di acqua per Aree Rurali e Piccolo
Comunità, E. G. Wagner e N. di J.
Lanoix, Organizzazione della Salute dell'Acqua
Ginevra, 1959.
 
Riconoscimenti
 
John M. Jenkins, III, VITA Volunteer
Marrero, Louisiana
 
Ramesh Patel, VITA Volunteer, Albany
New York
 
William P. White, VITA Volunteer
Brooklyn, Connecticut
 
CISTERNE
 
Le Cisterne di   per uso di famiglia sono molto pratiche
in aree di pioggia adeguata
e dove è difficile ad acqua macinata
ottenga o dove contiene troppo molti
minerals.  Un sigillò bene di solito richiede
nessuna filtrazione, nessuna disinfezione chimica
e mantenimento piccolo, mentre un
cisterna ha bisogno di tutte di Cisterne di these. 
costi più per costruire che le fonti. Cisterna di  
comunque, acqua ha minerals poco e è
ideale per lavare vestiti.
 
  Un approvvigionamento di acqua di cisterna ha quattro
parti di base: serbatoio, area di catchment
filtro ed un pump.  (Pompe è discussa
nella sezione su " Sollevamento " di Acqua.)
 
Serbatoio di cisterna
 
  che Il serbatoio descritto qui può essere usato
per deposito sanitario di rainwater per
uso di famiglia.
 
Attrezzi e Materiali
 
Attrezzi e materiali per rinforzato concreto
 
Asfalto che sigilla composto
 
Proteggendo
 
Tubo
 
  Il serbatoio di cisterna deve essere a tenuta d'acqua
prevenire la contaminazione di superficie da
inquinando il supply.  Reinforced concreto
è il materiale migliore perché esso
è forte, li ha una vita lunga e
può essere fatto a tenuta d'acqua.
 
  Una botola stradale e fognatura deve essere provvista
quindi il serbatoio può essere cleaned.  (Veda Figura 1.)

uwr1x110.gif (600x600)


Un foro ed un luogo attraverso
quale cloro può essere aggiunto facilmente per
disinfezione è anche necessaria.
 
  dal quale La taglia della cisterna dipende
le necessità quotidiane della famiglia ed il
lunghezza di tempo tra periodi piovosi.
Se una famiglia ha bisogno di 94.6 litri (i 25 Stati Uniti
galloni) di acqua un giorno e c'è
125 giorni tra periodi piovosi, poi
la cisterna deve contenere:
 
  il x di 94.6 litri 125 giorni = 11,835
Litri di  
 
              o
 
  il x di 25 galloni Americani 125 giorni = 3,125
  galloni Americani
 
  Una cisterna con una taglia interiore di 2
metri x 2 misura x 2 metri (7 1/2 '
x 7 1/2 ' x 7 1/2 ') tiene 11,355
litri (3,000 galloni Americani).
 
  per essere sicuro che la cisterna è a tenuta d'acqua,
usi approssimativamente 28 litri di acqua per
50kg sacco di cemento (5 1/2 galloni Americani
per 94 libbra o il sacco di un piede cubico
quando mescolando il concrete.  (Veda sezione
su " Costruzione " Concreta.)   Tamp il
concreto completamente e tiene la superficie
inumidisca per almeno 10 days.  Se
possibile, versi i muri ed abbatta a
il time.  stesso L'ingresso di botola stradale
debba essere 10cm (4 ") sopra della cisterna
superficie e la coperta dovrebbero ricoprire
entro 5cm (2 ") .  Slope il fondo del
cisterna, facendo una parte abbassare che
il resto, così che acqua può essere più
deviato facilmente o mise in libertà quando il
cisterna sta essendo cleaned.  che Lei può
questo raschiando il fondo al
contour.  corretti non usano immondizia di riempimento
sotto la cisterna perché questo può
causi la cisterna per stabilire disugualmente
e crack.  Un tubo di fognatura protegguto e
valvola farà pulizie più facile.
 
  del quale Un tubo di inondazione non è avuto bisogno se un
tetto-pulire valvola di farfalla propriamente è
usato. Se l'inondazione è installata,
sia sicuro per coprire lo sbocco
attentamente con schermo di finestra di rame.
Un foro protegguto è necessario se là
non è inondazione, permettere spostò
aeri lasciare i cistern.  La mano
pompa deve essere montata sicuramente a frecce
getti nella coperta di cisterna concreta.
I flanged basano della pompa dovrebbe essere
solido, senza buchi per la contaminazione
entrare, e sigillò alla coperta di pompa,
o il tubo di goccia deve essere sigillato in
con calcestruzzo ed asfalto che sigillano composto.
 
  Un tubo piccolo con un avvitato-su berretto
è avuto bisogno attraverso che misurare il
annaffi nella cisterna ed aggiungere cloro
soluzione dopo ogni pioggia.   Il
ammontare di acqua nella cisterna è misurato
con un bastone marcato in migliaia
di litri (o migliaia di galloni).
Disinfettare dopo ogni pioggia, aggiunga
un 5 parti per milione dosatura di cloro
(veda sezione su " Clorazione ").
 
  Una cisterna di recente costruita o riparò
dovrebbe essere disinfettato con sempre un
50 parti per milione soluzione di cloro.
I muri di cisterna ed il filtro
dovrebbe essere lavato completamente con
questa soluzione forte e poi sciacquò.
Un sistema di piccolo-pressione può essere disinfettato
prontamente pompando questo forte
soluzione in tutto il sistema e
permettendogli di stare in piedi durante la notte.
 
 
Area di Catchment
 
  Un'area di catchment della taglia corretta
è una parte necessaria di un'acqua di cisterna
supply.  Rainwater per una cisterna può
sia raccolto dal tetto di una casa.
Il metodo dato qui per valutare
taglia di catchment dovrebbe essere controllata
contro la taglia attuale di catchment vicino
installazioni.
 
Attrezzi e Materiali
 
Tetto di ferro galvanizzato o equivalente
 
Raccoglitori di trogolo
 
Downspout
 
  Il catchment o raccogliendo area
debba essere un materiale liscio, a tenuta d'acqua,
come un foglio-metallo galvanizzato
Legno di roof.  o tetti di paglia possono macchia
l'acqua e trattiene polvere, immondizia e
foglie; acqua da questi tetti contiene
questione più organica e batteri
che acqua da superfici lisce.
Pietra, calcestruzzo e film di plastica
catchments sono costruiti su qualche volta il
ground.  Per uso di famiglia, tetti sono
di solito meglio perché creature umane e
animali non possono contaminarli.
 
  per valutare il Suo catchment richiesto
area, valuti la pioggia annuale e minima
e l'ammontare di acqua richiese
dalla famiglia durante un anno.   Sometimes,
il governo meteorologico
sezione può dargli la pioggia minima
expected.  Se loro non possono, la stima
la pioggia minima a due-terzo
dell'average.  Take annuale la media
ammontare di acqua necessitato dalla famiglia
per un giorno e lo moltiplica da
365 per imparare di quanto è avuto bisogno per
un year.  Then l'uso la tabella per trovare
di quanto roofspace è avuto bisogno (Figura 2).

uwr2x112.gif (600x600)


Aggiunga 10 percento all'area data
dalla tabella permettere acqua perse
da evaporazione e scartando
annaffi all'inizio di ogni precipitazione.
Esempio:
 
  Suppose che Lei ha una pioggia media
di 75cm per anno ed una famiglia ha bisogno di 135
litri per giorno, poi:
 
  2/3 x 75 = pioggia annuale e minima
di 50cm
 
  365 x 135 liters/day = 49,275 litri
un anno.
 
  Round questa figura via a 50,000 litri
un year.  L'esempio funzionò fuori sul
show di tabella che un'area di catchment di
di approssimativamente 115 metri di piazza sono avuti bisogno.   Add
10 percento a questa area per permettere per
innaffi perdita, mentre dando un totale richiesto
area di catchment di approssimativamente 126.5 ad angolo retto
metri.
 
  Un trogolo che raccoglie e downspout sono
needed.  È sicuro c'è un buono
impeci al trogolo così che l'acqua
flussi liberamente e non tiene piccolo
pozze che può incrociare giallo-febbre
zanzare ed insetti altri. Trogoli di  
e downspouts hanno bisogno di ispezione periodica
e cleaning.  Se Lei estende il trogolo,
aumenta l'area di catchment.
 
Filtro di cisterna
 
  che Il filtro di sabbia ha descritto qui la volontà
rimuova più questione organica da acqua
ma non produrrà cassaforte bevendo
annaffi rimuovendo tutti i batteri dannosi.
Acqua raccolta nel serbatoio di cisterna
dovrebbe essere clorato dopo ogni pioggia.
 
 
Attrezzi e Materiali
 
Attrezzi e materiali per fare rinforzato
concreto
 
Schermo
 
Multi, sabbia pulita
 
Ghiaia classificata
 
Asfalto che sigilla composto
 
  che Un'area di catchment raccoglie sempre
foglie, gocciolamenti di uccello polvere di strada e
insects.  come il quale Un filtro di cisterna rimuove
molto di questo materiale come possibile prima
l'acqua entra la cisterna.
 
  al quale Il filtro di sabbia di solito è costruito
livello macinato e l'acqua filtrata
corse nella cisterna che è soprattutto
underground.  I pezzi più grandi, così
come foglie, è preso nello schizzi
plate.  Lo schizzi anche piatto distribuisce
l'acqua sulla superficie di
il filtro, così che l'acqua non fa
faccia buchi nel sand.  Un pezzo di
forme di schermo di finestra lo schizzi piatto.
 
  Se un filtro è fatto troppo piccolo a
si occupi del giunco normale di acqua da
temporali, l'acqua inonderà
il filtro o scava un canale nel
sabbi, mentre rovinando il filter.  Il filtro
area non dovrebbe essere meno che un decimo
del catchment area.  Un tipico
filtro sarebbe 122cm x 122cm (4 ' x
4 ') per un'unità famiglia-messa in ordine di grandezza dove
l'intensità di pioggia è media.
 
  Circa ogni 6 mesi, rimuova il
coperta di botola stradale e pulisce il filtro.
Rimuova ogni questione dallo schizzi
piatto e raschia via e rimuove il
superi 1.25cm (1/2 ") di sabbia.   Quando il
sabbia non funziona a 30cm (12 ") in profondità,
lo ricostruisca con sabbia pulita al
profondità originale di 46cm (18 ").
 
  Il primo runoff dal tetto,
quale contiene una quantità grande di solito
di foglie ed immondizia, dovrebbe essere scartato.
Il modo più semplice di fare questo
è avere una valvola di farfalla (come un
guastafeste in un tubo da stufa) nel downspout
(veda Figura 3) .  Dopo la pioggia

uwr3x113.gif (486x486)


ha lavato il tetto, la valvola è
girato lasciare il runoff annaffiare entri
il filter.  Un filtro semi-automatico
è mostrato in Figura 4.

uwr4x113.gif (600x600)


 
  Nel costruire il filtro, è importante
usare sabbia propriamente-messa in ordine di grandezza
e ghiaia ed assicurarsi il filtro
può essere pulito easily.  Il filtro
debba avere un'inondazione protegguta.
 
Fonti:
 
Cisterne, Stato di Illinois, Reparto
di Salute Pubblica, Circolare N.ro 833.
 
Manuale di Approvvigionamento di Acqua Individuale
Sistemi, Reparto Americano di Salute
Istruzione e Welfare, Salute Pubblica
Ripari Pubblicazione N.ro 24.
 
Approvvigionamento di acqua per Aree Rurali e Piccolo
Comunità, da Edmund G. Wagner e
J. N. Lanoix, Organizzazione della Salute del Mondo
Ginevra, 1959.
 
SELEZIONANDO UN LUOGO DI DIGA
 
  dal quale Un serbatoio di acqua può essere formato
costruendo una diga attraverso una ravina.   Il
valutazione preliminare descrisse qui
aiuti a determinare se o non
un luogo particolare sarà buono per
costruendo un dam.  Se le informazioni
raccolto in questa investigazione mostra
che il luogo ha possibilità buone,
consulti un esperto prima di cominciare a
forma.
 
Materiali
 
Mappe
 
Dati di pioggia
 
  Building una diga impiega tempo, lavori,
materiali e money.  Furthermore, se
una diga che contiene più di alcune acro-piede
di interruzioni di acqua, molto
danno potrebbe essere caused.  Therefore esso
è importante per scegliere attentamente un luogo di diga,
proteggere contro crollo di diga,
ed evitare deposizione di limo eccessiva, poroso
sporchi, acqua inquinata e mancanza di acqua
a causa di un'area di catchment piccola.
 
  Un'acro-piede di acqua uguaglia 1 piede
di acqua che copre un acro di terra (30cm
di acqua che copre 0.4 ettari).   Uno
acro-piede uguaglia 1233.49 metri cubici.
 
  Sei fattori sono importanti in luogo
selezione:
 
1.  Abbastanza acqua per riempire il serbatoio.
 
2.  deposito di acqua di Massimo col
    diga più piccola.
 
3.  Un suono, fondazione di leakproof per
    il serbatoio.
 
La 4.  libertà Ragionevole da inquinamento.
 
5.  Un luogo di deposito vicino ad utenti.
 
6.  materiali Disponibili per costruzione.
 
  La pioggia annuale e tipo di
catchment (o prosciugamento naturale) l'area
determini l'ammontare di acqua
quale il serbatoio raccoglierà.
 
Area di Catchment
 
  Un'area di catchment con bagni pendii
e superfici rocciose sono molto buone.   Se
l'area di catchment ha suolo poroso su
una base di pietra di crepa-prova, volontà di primavere
sviluppi e porti acqua al
serbatoio, ma più lentamente di roccioso
Alberi di slopes.  con foglie piccole, così
come conifera, si comporterà come giacche a vento
e riduce perdita di acqua da evaporazione.
 
  Swamps, vegetazione pesante, permeabile
terra e disdegna pendii decresceranno
il prodotto di acqua da un catchment
area.
 
Pioggia
 
  La volontà di area di catchment media, in
un anno, esaurisca 5 acro-piede (6167.45 cubico
metri) in un serbatoio per ogni
pollice (2.5cm) di pioggia cadere annuale
su un miglio quadrato (2.59 chilometri di piazza);
ovvero, approssimativamente 10 percento di
la pioggia.
 
Ubicazione
 
  L'ubicazione migliore per costruire una diga
è dove una valle larga restringe con
bagni lati ed una base fissa su che
costruire la diga (veda Figura 1).

uwr1x116.gif (600x600)


Terra che contiene ciottoli grandi,
alterato o fesse roccia fresca, alluvionale
sabbie o pietra porosa non è buona.
Le basi migliori per costruire una diga sono
granito o strati di basalto ad o vicino
la superficie o una profondità considerevole
di creta limacciosa o sabbiosa.
 
Ubicazione di   di una diga controcorrente da suo
punto di uso può abbassare inquinamento e
permettere alimentazione di gravità del
annaffi al suo punto di uso.
 
  è migliore se pietra è vicina quando
costruendo una muratura dam.  Quando costruendo
una diga di terra, pietra ancora sarà richiesta
per lo spillway.  Il meglio
suoli per usare per dighe di terra contengono
creta con del limo o sabbia.   There
debba essere abbastanza di questa chiusura di suolo
al luogo di diga per costruire il
diga intera di ragionevolmente materiale di uniforme.
 
  selezione Accurata del luogo di diga
salvi lavoro e spese di materiale
ed aiuta assicuri una diga forte.
 
Fonte:
 
Approvvigionamento di acqua per Aree Rurali e Piccolo
Le comunità, da E. G. Wagner e N. di J.
Lanoix, Organizzazione della Salute del Mondo
Ginevra, 1959.
 
 
TRASMISSIONE DEL POTERE DEL FILO ALTERNATIVA
                               PER RUOTE DI ACQUA PICCOLE
 
  che Un filo alternativo può emettere
motorizzi da una ruota di acqua ad un punto
su a 0.8km (1/2 miglio) via dove esso
di solito è usato per pompare bene acqua.
Queste apparecchiature sono usate per molti
anni dalle persone di Amish di Pennsylvania.
Se loro propriamente sono installati,
loro danno lunghi, senza problemi
servizio. <veda immagine>

uwr1x117.gif (486x486)


 
  Le persone di Amish usano questo metodo a
emetta il potere meccanico da piccolo
ruote di acqua all'aia, dove il
moto alternativo è usato per pompare
bene annaffi per casa ed uso di fattoria.
La ruota di acqua è tipicamente un piccolo
undershot fanno girare (con l'acqua fluire
sotto la ruota) uno o due piedi
in diameter.  L'asta di ruota è
andato bene con una manovella che è legata
ad una cornice triangolare sulla quale si impernia
un polo (veda Figura 2) .  che Un filo è

uwr2x118.gif (600x600)


connetta questa cornice ad un altro
unità identica localizzò sul bene.
Contrappesi tengono strettamente il filo.
 
Attrezzi e Materiali
 
Filo - galvanizzò filo di recinto liscio
 
Ruota di acqua con manovella eccentrica a
  dà leggermente ad un moto meno che
  colpo più grande di pompa di aia
 
Tubo galvanizzato per cornici di triangolo:
  2cm (3/4 ") da 10 metri lungo (32.8 ')
 
Saldando od ottonando attrezzatura per fare
  incornicia
 
Concreto per contrappeso
 
2 Poles:  12 a 25cm (6 " a 10 ") in
Diametro di  
 
Come le svolte di ruota di acqua, la manovella
punte la cornice triangolare indietro e
forth.  Questa azione tira di nuovo il filo
e forth.  Uno tipico completo indietro
ed avanti va in bicicletta, prende 3 a 5 secondi.
Qualche volta motorizzi per molta trasmissione
fili vengono da una ruota di acqua più grande. <veda immagine>
 
  al quale Il filo è montato su su poli
lo tenga in alto e fuori del modo.
Se la distanza da ruscello a cortile
è lontano, poli addizionali saranno
avuto bisogno di aiutare sostenga il filo.
I popoli di Amish usano un cappio di filo coperto
con un pezzo piccolo di faccia del giardinaggio calze
legato alla cima del polo.   Il
filo alternativo scivola di nuovo e
avanti attraverso questo loop.  Se questo è
non possibile, provi creazione il polo 1-2
metri più alto del filo di potere.
Guidi un'unghia pesante vicino la cima di polo
e lega una catena o telegrafa da lui a
il filo di potere come mostrato in Figura 3.

uwr3x119.gif (437x437)


 
Le Svolte di   può essere fatta per per seguire
hedgerows montando un piccolo triangolare
incornici orizzontalmente alla cima di
un polo come mostrato in Figura 4.

uwr4x119.gif (486x486)


 
Ruota di acqua
 
  Figures 5, 6 e 7 show come costruire

uwr51200.gif (600x600)


da legno e bambù.
 
Fonte:
 
Olanda Nuova, Pennsylvania VITA Capitolo.
 
Innaffi Purificazione
 
  che La purificazione di acqua pericolosa richiede
alcuni addestrarono soprintendenza se esso
sarà fatto effectively.  Tale soprintendenza
è disponibile nei villaggi raramente
e la procedura tende ad essere
trascurato più presto o later.  Sotto
queste circostanze che ogni sforzo deve
sia fatto per ottenere una fonte che provvede
un'acqua naturalmente salubre e
poi raccogliere quell'acqua e proteggere
esso contro inquinamento dai metodi
già described.  Thus, la necessità
per trattamento dell'acqua
sia evitato, e l'importanza pratica
di maneggiare questo non può essere proprio
finito-enfatizzato.
 
  Water trattamento sotto le condizioni rurali
dovrebbe essere restretto dal responsabile
controlli agenzia a casi dove
tale trattamento è necessario e dove
operazione di pianta corretta e manutenzione
è assicurato.
 
  Se l'acqua ha bisogno di trattamento, questo
debba, se a del tutto possibile, sia fatto
per la comunità intera e certamente
prima, o su entrata all'abitazione
così che l'acqua da tutti i rubinetti
nella casa safe.  è La pratica,
comune nei Tropichi, di sterilizzare
(da filtrazione e bollendo) solamente il
annaffi essere usato per bere, mentre dente-pulendo,
ecc., sebbene efficiente in
esso (quando fatto attentamente) è
frequentemente annullò da spensieratezza.
Inoltre, bambini sono probabili a
acqua di uso da alcuno Contrario di tap. 
ad un'opinione del tutto troppo comune, all'ordine del giorno
gelando di acqua, sebbene può
ritardi la moltiplicazione di batteri,
non li uccida, e ghiacci da un
frigorifero di famiglia è nessuno più sicuro
che l'acqua dalla quale fu fatto.
 
  I metodi principali di purificare
annaffi su un a scala ridotta è, mentre bollendo,
disinfezione chimica e la filtrazione.
Questi metodi possono essere usati singolarmente o
in combinazione, ma se più che
la filtrazione è avuta bisogno dell'ebollizione o
disinfezione chimica dovrebbe essere fatta
ultimo.
 
  Le entrate che seguono questo generale
introduzione è:
 
Caldaia di   per Bere Acqua, la Clorazione
di Acqua Inquinata, Purificazione di Acqua
Pianta e Filtro di Sabbia.
 
  Bollire è il modo più soddisfacente
di distruggere organismi malattia-produttori
in water.  è ugualmente effettivo
se l'acqua è chiara o nuvolosa,
se è relativamente puro o pesantemente
contaminato con questione organica.
Bollendo distrugge tutte le forme di malattia-produrre
organismi di solito incontravano
in acqua, se loro sono batteri,
virus, spore, cisti o uova.   per essere
cassaforte l'acqua deve essere portata un
punto d'ebollizione rotolante " e buono " (bollendo lentamente solo non)
e tenne per dei minuti là.
Passeggiate bollitura fuori le benzine dissolte
nell'acqua e lo dà un
gusto piatto, ma se l'acqua è lasciata
per alcune ore in un in parte riempì
contenitore, anche se la bocca di
il contenitore è coperto, assorbirà
aria e perde il suo appartamento, bollì
taste.  è saggio per immagazzinare l'acqua
nel vaso nel quale fu bollito.
Eviti versare l'acqua da uno
ricettacolo ad un altro con l'oggetto
di aerando o raffreddarlo come quello presenta
un rischio della re-contaminazione.
 
Il Cloro di   è un disinfettante buono per
acqua che beve come è effettivo
contro i batteri associati con
disease.  acqua-sopportato In suo solito
comunque, dosi è inefficace
contro le cisti di dissenteria amebica,
uova di vermi, cercariae che causa
schistosomiasis ed organismi conficcarono
in particelle solide.
 
Il Cloro di   è più facile applicare nel
forma di una soluzione ed una soluzione utile
è uno che contiene 1 percento
cloro disponibile, per esempio
La soluzione di Milton Antiseptic.  Dakin
contiene 0.5 percento cloro disponibile,
ed imbiancando polvere contiene 25 percento a
30 percento cloro disponibile.   Circa
37cc (2 1/2 cucchiai da tavola) di candeggio
polvere dissolto in 0.95 litro (1
quartana) di acqua darà un 1 percento
cloro solution.  per clorare il
annaffi, aggiunga 3 gocce di 1 soluzione di percento
ad ogni litro del 0.95 (1 quartana) di
annaffi essere trattato (2 cucchiaiate
a 32 galloni Imperiali), mescoli completamente
e gli permette di stare in piedi per 20 minuti o
più lungo prima di usare l'acqua.
 
Il Cloro di   può essere ottenuto in tavoletta
forma come " Sterotabs " (precedentemente saputo
come " Halazone "), Chlor-dechlor " e
" Hydrochlorazone " che è ottenibile
sulle Direzioni di market.  per
uso è sui pacchi.
 
L'Iodio di   è un agente che disinfetta buono.
Due gocce della tintura all'ordine del giorno di
iodio è sufficiente per trattare 0.95
litro (1 quartana) di Acqua di water.  che
è nuvoloso o infanga, o acqua che ha
un colore ben visibile anche quando chiaro,
non è appropriato per disinfezione da
iodine.  Filtrando possono rendere l'acqua
l'adattamento per trattamento con iodio.   Se il
acqua è inquinata pesantemente, la dose
debba essere doubled.  Sebbene il più alto
dosatura è innocua esso darà il
innaffi un taste.  medicinale per rimuovere
alcun gusto medicinale aggiunge 7 percento
soluzione di thiosulphate di sodio in un
quantità uguale all'ammontare di iodio
aggiunto.
 
L'Iodio di   combina per la disinfezione
di acqua è stato messo in forma di tavoletta,
per esempio, Tavolette di Aqua " Potabili,"
Globaline " e " Purificazione dell'Acqua dell'Individuo
Tavolette "; direzioni piene per
uso è dato sui pacchi.   Questi
tavolette sono fra la disinfezione più utile
apparecchiature svilupparono essere insieme
e loro sono effettivi contro ameba
cisti, cercariae il leptospira ed alcuni
dei virus.
 
Fonte:
 
Approvvigionamenti di Acqua piccoli, Bollettino N.ro 10,
Il Ross Institute, Londra, 1967.
 
Referenze Utili ed altre:
 
Manuale di Approvvigionamento di Acqua Individuale
Sistemi, Pubblicazione del Servizio della Salute Pubblica
N.ro 24, Reparto Americano di
Salute, Istruzione e Welfare
Washington, D.C. Revised 1962.
 
Approvvigionamento di acqua per Aree Rurali e
Le Comunità piccole, da G. di Edmund
Wagner e J. Lanoix, Mondo
Organizzazioni di salute, Ginevra, 1959.
 
CALDAIA PER BERE ACQUA
 
  che La caldaia ha descritto qui provvedranno
preparazione sicura e deposito di
acqua che beve in aree dove puro
acqua non è disponibile e bollitura è
practical.  Quando l'unità è stata
usato in campi di lavoro in Messico, un 208-litro
(Il 55-gallone) tamburo ha approvvigionato
20 persone con acqua per una settimana.
 
Attrezzi e Materiali
 
208-litro (il 55-gallone) il tamburo
 
19mm (3/4 ") capezzolo di tubo, 5cm (2 ") lungo
 
Mattoni per due 30cm (1 ') gli strati a
  sostiene tamburo
 
Sabbia e 1 sacco di cemento per mortaio
  e base di focolare
 
Imbuto grande e mezzo di filtro per
  che riempe tamburo
 
Piatto di metallo per controllare cambiale davanti
  di focolare
 
19mm (3/4 ") valvola, preferibilmente ogni metallo
  come una valvola di cancello che può resistere
  scalda
 
  Il focolare per questa unità (veda Figura 2)

uwr2x126.gif (600x600)


è simple.  dovrebbe essere diretto
così che il vento prevalente o
cambiale va tra i mattoni dal
fronte alla schiena del tamburo.   UN
camino può essere provvisto, ma non è
necessario.
 
  Quando riempendo il tamburo, non riempa
esso completamente, ma lascia un spazio di aria
alla cima come mostrato in Figura 1.   Replace

uwr1x125.gif (600x600)


l'imbuto con una spina elettrica di riempitivo,
ma lascia la spina elettrica completamente sciolto.
 
L'Acqua di   deve bollire almeno 15 minuti
con vapore che scappa circa lo sciolto
riempitivo plug.  Make sicuro che il
annaffi nel capezzolo di tubo e valvola
portata temperatura bollitura lasciando
approssimativamente 2 litri (2 quartane) di acqua fuori
attraverso la valvola mentre il tamburo è
a punto d'ebollizione pieno.
 
Fonte:
 
Chris Ahrens, VITA Volunteer, Albergando
Specialista, Edilizia di Kentucky Orientale
Società per azioni di sviluppo, Inc.
 
 
LA CLORAZIONE PER ACQUA INQUINATA E LA SUPER-CLORAZIONE
                DI FONTI, ENCASEMENTS PRIMAVERILI E CISTERNE
 
Clorazione di  , quando propriamente applicò,
è un modo semplice per assicurare e proteggere
la purezza di Orientamenti di water.  data
qui includa tavole per dare un grezzo
indicazione degli ammontari di cloro-nascere
Istruzioni di needed.  chimiche
è dato anche per la super-clorazione
per disinfettare di recente costruì o riparò
fonti, encasements primaverile o
cisterns.  Chlorine-bearing combina
è usato perché cloro puro è
difficile e pericoloso ad uso.
 
  che Gli ammontari di cloro hanno suggerito
normalmente faccia qui ragionevolmente acqua
safe.  Un sistema di acqua-trattamento
dovrebbe essere controllato da un esperto.   In
fatto, l'acqua dovrebbe essere esaminata periodicamente
assicurarsi che rimane
safe.  Otherwise, il sistema stesso
divenire una fonte di malattia.
 
Attrezzi e Materiali
 
Contenitore per mescolare cloro
 
Cloro in della forma
 
Scali pesare aggiuntivo
 
  Il modo più sicuro di trattare acqua per
bere è bollirlo (veda " Caldaia
per Bere Acqua ") .  However, sotto
le condizioni controllato, clorazione
è un metodo sicuro; è più spesso
conveniente e pratico che bollendo.
Trattamento corretto di acqua con cloro
richiede un po' di conoscenza del processo
ed i suoi effetti.
 
  Quando cloro è aggiunto annaffiare, esso
attacchi e combina con alcuno sospeso
questione organica così come del minerals
come iron.  There è sempre un certo
ammontare della questione organica e morta in acqua,
così come batteri vivi, virus e
forse tipi altri della vita.   Enough
cloro deve essere aggiunto per ossidare tutti
della questione organica, morto o vivo,
e lasciare degli uncombined dell'eccesso /
o " cloro gratis ".   Questo residuo gratuitamente
cloro previene recontamination.
Cloro rimanente in acqua non è dannoso,
perché acqua che contiene un
ammontare dannoso di cloro è estremamente
disgustoso.
 
  degli organismi sono più resistenti a
cloro che others.  Due particolarmente
varietà resistenti sono cisti amebiche
(quale causa dissenteria amebica) ed il
cercariae di schistosomes (quale causa
bilharziasis o schistosomiasis).   Questi,
fra altri, richieda molti livelli più alti
di cloro gratis e rimanente e più lungo
contatti periodi che solito essere sicuro.
Tecniche spesso speciali sono usate
combatta questi e malattie specifiche ed altre.
 
  Ci prende tempo per cloro a sempre
work.  È sicuro che acqua è completamente
mescolato con una dose adeguata del
dissolto chimico, e che sta in piedi
per almeno 30 minuti prima del consumo.
 
  Polluted acqua che contiene grande
quantità della questione organica, o nuvoloso
annaffi, non è appropriato per la clorazione,
È migliore, e più sicuro, scegliere il
acqua più chiara available.  Una sistemazione
serbatoio, e la filtrazione semplice può aiutare
riduca l'ammontare della questione sospesa,
specialmente le particelle grande abbastanza a
Filtrazione di see.  che può essere dipesa
su rimuovere tutte le cisti amebiche,
schistosomes, e pathogens altro
normalmente costringe professionale a mettere
su ed opera.
 
  Never dipendono da filtri fatti in casa
da solo provvedere bevendo acqua.   However,
un filtro di sabbia lento e fatto in casa è
un modo eccellente di preparare acqua per
clorazione.
 
  Depending sull'acqua per essere trattato,
di ammontari diversi di cloro sono avuti bisogno
per protection.  adeguato Il modo più buon
controllare il processo è misurare
l'ammontare di liberi cloro nel
annaffi dopo l'il periodo di partecipazione azionaria di 30 minuto.
Una prova chimica e semplice che usa
un indicatore organico e speciale chiamò
orthotolidine possono essere used.  Orthotolidine
equipaggiamenti che esaminano disponibile sul
mercato venuto con istruzioni loro
uso.
 
  Quando questi equipaggiamenti non sono disponibili,
la tabella in Figura 3 può essere usata come

uwr3x128.gif (600x600)


una guida grezza a come forte un cloro
soluzione è necessary.  La forza
della soluzione è misurato in parti
da peso di cloro attivo per milione
parti da peso di acqua, o " parti per
milione " (il ppm).
 
  La tabella in Figura 4 dà il

uwr4x128.gif (600x600)


ammontare di cloro-combini aggiungere
a 1000 litri o a 1000 galloni di
annaffi raccomandare le soluzioni
in Figura 3.
 
  Usually è conveniente per inventare un
soluzione di 500 forza di ppm che
essere poi ulteriore diluito per dare
la concentrazione di cloro ebbe bisogno.
La soluzione di ppm del 500 deve essere immagazzinata
in un contenitore sigillato in un buio fresco
metta, e dovrebbe essere usato come rapidamente
come possibile siccome perde forza.
Piante di clorazione moderne usarono imbottigliato
benzina di cloro, ma questo può essere usato solamente
con apparato costoso da addestrò
esperti.
 
Super-clorazione
 
La super-clorazione intende applicando un
dose di cloro che molto è più forte
che la dosatura ebbe bisogno di disinfettare
water.  si usa per disinfettare nuovo
o riparò fonti, encasements primaverile
e cisterns.  La tabella in Figura 5

uwr5x129.gif (600x600)


dà dosi raccomandate.
 
Esempio 1:
 
  Un serbatoio di acqua-partecipazione azionaria contiene 8000
Gallons.  Americano dal quale L'acqua viene
un rapidamente ruscello di montagna commovente e
è passato prima attraverso un filtro di sabbia
storage.  che quanta candeggina dovrebbe essere
aggiunto fare questa acqua bevibile?
Quanto tempo deve l'acqua sia mescolato
dopo avere aggiunto?
 
Soluzione:
 
  In questo caso 5 ppm probabilmente sono sufficienti
salvaguardare l'acqua (da
Figuri 3. )  per fare questo con candeggina
richiede 13 once per 1000 galloni.
Perciò il peso di candeggina per essere
aggiunto è 13 x 8 o 104 once.
 
  Always mescolano completamente, per almeno
un mezzo hour.  che Una regola buona di pollice è
mescolare finché Lei è certo che il
chimico è completamente dissolto e
distribuito e poi dieci minuti più lungo.
In questo caso, con un 8000-gallone
serbatoio, tenti di aggiungere la candeggina a molto
ubicazioni diverse nel serbatoio
fare l'easier.  che mescola Dopo
mescolando, esamini l'acqua assaggiando
ubicazioni diverse, se possibile.
Controlli gli angoli di serbatoio specialmente.
 
Esempio 2:
 
  al quale Una cisterna nuova è stata costruita
tenga acqua tra temporali.   Su suo
ripieno di iniziale sarà super-clorato.
Quanto clorò
cementi dovrebbe essere aggiunto? La cisterna è
2 metri in diametro e 3 metri alto.
 
Soluzione:
 
  First calcolano il volume di acqua.
Per un cilindro, Volume è, [pi][D.sup.2] H (D
                          -------------
                                4
 
è diametro, H è altezza e [la pi] è 3.14.)
Qui D = 2 misurano H = 3 metri.
 
V di   = 3.14 x (2 metri) x (2 metri)
     ------
        4
 
  x (3 metri)
 
V di   = 9.42 metri cubici = 9,420 litri.
(Ogni metro cubico contiene 1000 litri.)
Da Figura 5 noi impariamo che una cisterna
dovrebbe essere super-clorato con 100
ppm di chlorine.  Da Figura 4, noi
impari che prende 40 grammi di
clorato cementi portare 1000 litri
di acqua a 10 ppm Cl.  per portarlo a
100 ppm, poi richiederanno dieci volte
questo ammontare, o 400 grammi.
 
  il       x di 400 grammi 9.42 milli litri =
---------------
milli litri
 
3768 grammi.
 
Fonte:
 
Igiene ambientale, da S. di J.
Salvato, John Wiley & Figli, Inc.
New York, 1958.
Approvvigionamento dell'Acqua del campo, TM 5-700.
 
INNAFFI PIANTA DI PURIFICAZIONE
 
  che La pianta di purificazione di acqua ha descritto
qui candeggina di bucato di usi come una fonte di
chlorine.  Anche se questo a mano-operò
pianta non è come affidabile come un
sistema di acqua moderno, provvedrà
cassaforte che beve acqua se è operato
secondo istruzioni.
 
  Molti fattori in questo sistema richiedono
experience.  conduzione Quando cominciando
usare il sistema, è più sicuro per avere
l'assistenza di un ingegnere esperimentò
in approvvigionamenti di acqua.
 
Attrezzi e Materiali
 
3 barili, serbatoi concreti o 208 litro
  (55-gallone suona sul tamburo)
 
20cm (8 ") l'imbuto, o metallo di foglio a
  fa un imbuto
 
2 serbatoi, approssimativamente 20 litri (5 galloni)
  in taglia
 
4 chiuso-via valvole
 
Strozzi o cucia valvola (morsetti possono essere
  usò invece di valvole se calze è
  usò)
 
Tubo o spegne con getti d'acqua con apparecchiature
 
Hypochlorite di cementi o hypochlorite di sodio
  (candeggina di bucato)
 
  che La pianta di purificazione di acqua è fatta
come in Figura 6.  I due alla cima di

uwr6x132.gif (600x600)


la struttura è per diluire il
bleach.  (Il sistema può essere semplificato
eliminando il concentri serbatoio;
la candeggina è aggiunta poi direttamente
il serbatoio che mescola.
 
  I due serbatoi più piccoli sulla mensola
sotto è per tenere ammontari uguali
di soluzione di candeggina diluita ed acqua
ad una pressione continua; questo fa il
soluzione e l'acqua fluiscono al
la velocità stessa nei calze che conducono
al point.  che mescola La miscela che
può essere visto attraverso l'imbuto aperto, è
ulteriore controllato dalle valvole.   Se un
ago o strozza valvola non è disponibile
un strozzi azione può essere ottenuta
installando un altro chiuso-via valvola in
serie con Valvola #4.
 
  Placing i due barili ad un'altezza
di meno che 1.8 metri (6 ') sopra del
cause di valvola di galleggiante una pressione di meno
che 0.35kg per centimetro quadrato (5
libbre per pollice di piazza) .  Thus, il
piombare non deve essere di alto
qualità a parte Valvola #1 ed il
valvola di galleggiante dell'acqua tenere-su serbatoio,
se l'approvvigionamento di acqua è più alto sotto
pressione.
 
Operazione
 
  Una prova e processo di errore è necessario
imparare quanti concentrano dovrebbe essere
metta nel concentri serbatoio, quanto
concentri dovrebbe fluire nel mescolare
serbatoio e quanta soluzione dovrebbero essere
permesso oltre il funnel.  Un suggerì
mistura iniziale è 1/4 litro (1/2 pinta)
di candeggina concentrata per un serbatoio di miscela
capacità di 190 litri (50 galloni) a
tratti 1900 litri (500 galloni) di
acqua.
 
  L'acqua nel serbatoio di distribuzione
debba avere un gusto di cloro ben visibile.
L'ammontare di soluzione di candeggina richiese
dipende su come sporco è l'acqua.
 
1.  Miscela concentrata imbianca con acqua
    nel concentri serbatoio con tutti
    munisce di valvole closed.  Il serbatoio che mescola
    dovrebbe essere vuoto.
 
2.  Riempimento il tubo dal serbatoio che mescola
    al serbatoio di soluzione con acqua
    dopo avere sostenuto la valvola di galleggiante
    in una posizione chiusa.
 
3.  Lasciati una prova ammontare di concentrano
    fluisce nel serbatoio che mescola aprendo
    Valve #2.
 
4.  Uso un bastone che misura per vedere come
    molto concentra fu usato.
 
5.  Chiusura Valvola #2 e Valvola #1 aperta così
    che acqua non curato entra il mescolare
Serbatoio di    .
 
6.  Chiusura Valvola #1 e soluzione di miscela in
    il serbatoio che mescola con un bastone.
 
7.  Rimuovono il sostenga dalla valvola di galleggiante
    del serbatoio di soluzione così che esso la volontà
    propriamente opera.
 
 
8.  Spalancano la valvola di ago e Valvola
    #4 per pulire il system.  Let 4
Litri di     (1 gallone) la fognatura attraverso il
Sistema di    .   (Passi 2, 7 e 8 possono essere
    omise dopo la prima accusa di
    il sistema, se il tubo menzionasse
    nel secondo passo non è permesso
    per vuotare prima di ricaricare il mescolare
Serbatoio di    .)
 
9.  Chiusura in giù la valvola di ago fino a che
    solamente un ruscello di gocce entra il
    versa con l'imbuto.
 
10. Valvola #3 aperta.
 
  Il flusso nell'imbuto ed il gusto
dell'acqua nel serbatoio di distribuzione
dovrebbe essere controllato regolarmente per assicurare
trattamento corretto.
 
Fonte:
 
Chris Ahrens, VITA Volunteer, Orientale
Kentucky Housing Società per azioni di Sviluppo.
Inc.
 
FILTRO DI SABBIA
 
  Surface acqua da ruscelli, stagni o
è molto probabili che fonti aperte siano contaminate
con foglie ed altro organico
matter.  che Un filtro di sabbia di gravità può rimuovere
la maggior parte di questo sospeso organico
materiale, ma farà virus sempre
e dei batteri passano attraverso.   Per
questa ragione, è necessario a punto d'ebollizione o
cloruri acqua dopo che è stato
filtrato.
 
  Anche se la filtrazione di sabbia non fa
cassaforte di acqua inquinata per bere, un
filtro di sabbia che propriamente è costruito e
mantenuto preparerà acqua per bollire
o chlorination.  Sand che filtri devono
sia pulito periodicamente.
 
  che Il filtro di sabbia di famiglia ha descritto
qui dovrebbe consegnare 1 litro (1 quartana)
per minuto di chiarisca acqua, pronto per
bollendo o clorando.
 
Attrezzi e Materiali
 
Tamburo di acciaio: almeno 60cm largo entro 75cm
  (2 ' X 29 1/2 ")
 
Metallo di foglio, per coperta: 75cm (29 1/2 ")
  quadra
 
Legno: 5cm x 10cm (2 " x 4 "), 3 metri
  (9.8 ') lungo
 
Sabbia: 0.2 metro cubico (7 piedi cubici)
 
Ghiaia
 
Blocchi ed unghie
 
Suoni il piffero, legare innaffiare approvvigionamento
 
Accessorio extra: valvola ed asfalto coprendo con un tetto
  combina trattare tamburo
 
  Il filtro di sabbia di gravità è il più facile
dattilografi di filtro di sabbia per capire
ed up.  fisso Gli usi di filtro di gravità
sabbi violare la questione sospesa da
l'acqua, anche se questo non fa sempre
fermi particelle piccole o batteri.
 
  Su un periodo di tempo, un biologico
la crescita forma nella cima 7.5cm (3 ")
di sand.  Questo film aumenta il
action.  che filtra Esso lo slows il flusso
di acqua attraverso la sabbia, ma esso
trappole più particelle e su a 95
percento del bacteria.  L'acqua
livello deve essere tenuto sopra di sempre il
sabbi proteggere questo film.
 
  Sand che filtri possono trovare parzialmente
ostacolato con questione organica; sotto
delle condizioni che questo può causare batterico
la crescita nel filter.  Se il
filtro di sabbia non è operato e è mantenuto
davvero può aggiungere correttamente,
batteri all'acqua.
 
  rimuovendo la maggior parte dell'organico
si importi, il filtro:
 
1.  Rimuovono uova di verme più grandi, cisti
    e cercariae che sono difficili
    per uccidere con cloro.
 
2.  Permettono l'uso di più piccolo e
    riparò dosi di cloro per disinfezione,
    che risulta in bevibile
    annaffia con meno assaggi di cloro.
 
3.  Fanno l'acqua sembrare più pulito.
 
4.  Riducono l'ammontare di organico
    si importa, incluso organismi viventi
    ed il loro cibo, e la possibilità
    di recontamination dell'acqua.
 
  Il tamburo per il filtro di sabbia mostrato
in Figura 7 dovrebbe essere di acciaio pesante.

uwr7x135.gif (600x600)


Può essere rivestito con materiale di asfalto
farlo l'ultimo longer.  I 2mm
(3/32 ") buco al fondo regola
il flusso: non deve essere fatto più grande.
 
  La sabbia usata abbastanza dovrebbe stare bene
passare attraverso un schermo di finestra.   Esso
debba essere anche pulito; è migliore a
lo lavi.
 
  I punti seguenti sono molto importanti
nell'assicurarsi che un filtro di sabbia
propriamente opera:
 
1.  Castello un flusso continuo di acqua
    che passa attraverso il filtro. Faccia
    non lasciò la sabbia asciugare fuori, perché
    questo distruggerà i microrganismi
    che forma un film sulla superficie
Strato di     di sabbia.   Il modo più buon di assicurare
    un flusso che continua è mettere
    la presa così che c'è sempre
    un'inondazione piccola.
 
2.  Schermo la presa e provvede un
    che stabilisce bacino per rimuovere come molti
Particelle di     come possibile di fronte al
L'acqua di     va nel filter.  Questo
    non permetterà ai tubi di divenire
    collegò e fermando il flusso di
    annaffia.   aiuterà anche il
    filtra operare per periodi più lunghi
    tra pulizie.
 
3.  non lasciarono Mai il filtro corso più veloce che
    3.6 litri per metro di piazza per minuto
    (4 galloni per piede quadrato per
Ora di    ) perché una volontà di flusso più veloce
    fa il filtro efficiente da
    che tiene il film biologico da
    che costruisce su alla cima della sabbia.
 
4.  Castello il filtro coprì così che esso
    è perfettamente scuro per prevenire il
La crescita di     di alghe verdi sulla superficie
    della sabbia.   Ma aria di impedimento
    circola sopra della sabbia per aiutare
    la crescita del film biologico.
 
5.  Quando il flusso diviene troppo lento a
    riempe le necessità quotidiane, pulisca il filtro:
    Scrape via e scarta la cima
    1/2cm (1/4 ") di sabbia e rastrello o
    graffia leggermente la superficie.
 
  Dopo molti pulizie, la sabbia
dovrebbe essere elevato alla sua altezza originale
aggiungendo sand.  pulito Prima di fare
questo, raschi la sabbia nel filtro
in giù ad un level.  pulito Il filtro
non dovrebbe essere pulito più spesso che
una volta ogni molte settimane o mesi pari,
perché la crescita biologica al
cima della sabbia fa più il filtro
efficiente.
 
Fonte:
 
Approvvigionamento di acqua per Aree Rurali e Piccolo
Comunità, da Edmund G. Wagner e
J. N. Lanoix, Organizzazione della Salute del Mondo
Ginevra, 1959.
 
  che La tavola piana descritta qui può
sia usato per progettare villaggi, strade
trincee e fields.  Questo tipo di
tavola piana è usata estesamente da
geometri professionali.
 
Attrezzi e Materiali
 
Degli assi di legno molle, circa
  1858 centimetri di piazza (2 piedi di piazza)
  verso 2.5cm (1 ") spesso
 
Degli assi di un legno abbastanza forte,
  19mm (3/4 ") a 2.5cm (1 ") spesso, e
  almeno 1m (3 ') lungo
 
7 frecce, 6mm (1/4 ") in diametro e
  5cm (2 ") lungo
 
Noci per ognuno delle frecce, preferibilmente
  vola noci, e lavatori
 
Sega
 
Trapano e 6mm (1/4 ") i bit
 
Superficie che disegna
 
  Dal legno molle, faccia un disegno piatto
surface.  quello mostrato in Figura 1

uwr1x137.gif (486x486)


è 40.5cm x 53.5cm (16 " x 21 ") ma alcuno
dimensione di questa taglia-serie generale
è satisfactory.  che La superficie deve
sia sabbiato lisci e dovrebbe essere molle
abbastanza per permettere uso facile di pollice
chiodini e spille.
 
Perno
 
  per permettere che la tavola essere ruotata
sul treppiede, un perno è richiesto.
Nell'illustrazione, due 15cm (6 ")
cerchi di 2.5cm (1 ") legno fu tagliato.
Un 6mm (1/4 ") buco si fu esercitato nel
centro di ogni blocco circolare ed uno
dei 6mm (1/4 ") frecce usarono come un
axis.  La testa della freccia era contraria
affondato così che una superficie di getto d'acqua era disponibile
per inchiodando o avvitare il superiore
blocchi al sotto lato del disegno
board.  che Questo blocco dovrebbe essere concentrato.
 
Gambe di treppiede
 
  Le gambe di treppiede sono estensibili, Come
Figure 2 e 3 show, ogni gamba ha due

uwr21380.gif (437x437)


(3/8 " x 3/4 " x 32 "), ed un introdusse
pezzo centrista, 2.5cm x 16mm x 71.1cm
(1 " x 5/8 " x 28 ") che è stato aguzzato
ad una fine.
 
  come il quale Le gambe ora sono assemblate segue:
Una fine di due sbarre di lato è arrotondata
nei 19mm (3/4 ") direzione ed un 6mm
(1/4 ") buco si è esercitato 13m (1/2 ") in
da quel end.  Un 6mm (1/4 ") buco è
anche si esercitò 15cm (6 ") dall'altro
fine.
 
  Due piatti di legno, 10mm x 4.5cm x
12.7cm (3/8 " x 1 3/4 " x 5 ") è inchiodato
uno su ogni lato del paio di lato
sbarre all'unrounded end.  See Figura 3.

uwr3x138.gif (393x393)


Questo piatto dovrebbe spaziare il
sbarre di lato, tale che il pezzo centrista
muoversi ragionevolmente liberamente ma non essere
loose.  I 6mm (1/4 ") fessura larga in
i 16mm (5/8 ") la dimensione (quale estende
la maggior parte della lunghezza del centro
pezzo) permetterà un 6mm (1/4 ") la freccia
passare through.  La fine schietta di
il pezzo centrista è stato inserito
su attraverso l'apertura formata dal
due piatti e le due sbarre di lato:
un 6mm (1/4 ") freccia può essere passata attraverso
il buco in una sbarra di lato, attraverso il
introduca nel pezzo centrista e poi
attraverso i 6mm (1/4 ") il buco nel
sbarra di lato altra; il noce di ala è poi
metta on.  See Figura 4.

uwr4x138.gif (587x587)


 
  Per affiggere il lato del due
sbarre al blocco più basso, il secondo
deve essere tagliato via in una maniera per spaziare
il lato sbarre 2.5cm (1 ") separatamente.   Esso
deve essere tagliato di nuovo piuttosto più che
l'ampiezza, 22mm (7/8 "), del lato
rail.  che Questo blocco più basso è tagliato via
in questa maniera nel tre ugualmente lo spaced'
ubicazioni, così che le gambe saranno
ugualmente spaced.  Un 6mm (1/4 ") il buco
si è esercitato poi in linea col prima
buchi esercitati nel rotondo
fini del lato rails.  Un 6mm (1/4 ")
freccia può essere inserita poi attraverso il
tre buchi ed un noce misero sul
end.  See altro Figura 5.

uwr5x139.gif (353x353)


 
  Un metodo alternato di fare il
blocco più basso che farà il blocco
più forte e dovrebbe essere usato quando è
fatto da legno molle, è mostrato in Figura 6.

uwr6x139.gif (540x540)


Tre blocchi di legno, 2.5mm x
3.8cm x 7.6cm (1 " x 1 1/2 " x 3 "), è
avvitato ai 15cm (6 ") il diametro
block.  più basso Un 6mm (1/4 ") il diametro
buco si è esercitato 13mm (1/2 ") dal
fine di ogni blocco, nella direzione
dei 2.5cm (1 ") la grossezza, permettere
per legare la gamba.
 
  Il vantaggio di questo metodo è il
forza ottenuta avendo il grano
del legno sempre ad angoli destri a
la freccia che tiene la gamba in luogo.
Nel primo metodo il grano sarà
renda paralleli ad uno delle frecce e lui
rompa se è affrontato rudemente,
come probabilmente sarà.
 
  ora è possibile a (1) il cambio il
lunghezza delle gambe così che la tavola
può essere accomodato ad inclinandosi terra;
(2) cambiare l'espansione delle gambe
accomodare meglio setting sul
proponga su motivi grezzi e; (3) ruoti
l'asse di disegno in relazione
al treppiede.
 
  Il senza fiato-su disegno in Figura 7

uwr7x140.gif (600x600)


sia utile nell'assemblare il
table.  piano Una tavola le cui gambe non possono
sia esteso ancora sarebbe utile.
In questo caso, uso pezzi singoli, 22mm
x 45mm x 142cm (7/8 " x 1 3/4 " x 56 "),
quali sono aguzzati su una fine e taglio
via alla fine altra permettere per il
genere stesso del collegamento all'abbassato
fine.
 
Fonte:
 
 
Il Dott. Robert G. Luce, VITA Volunteer
Schenectady, New York
 
Dale B. Fritz, Tecnologia di Villaggio
Direttore, VITA.
 
Ray Gomez, VITA Volunteer, Arcadia
La California
 
MAPPA-FACENDO USANDO UNA TAVOLA PIANA
 
Le Istruzioni di   è data qui per fare
mappe utili che usano una tavola piana.
Tali mappe sono preziose per irrigazione,
prosciugamento e piani di configurazione di villaggio.
 
  Di fronte a fotografia aerea, più topografico
mappe furono fatte dall'uso di
tavole di aereo.
 
Attrezzi e Materiali
 
Tavola piana (veda entrata precedente)
Carta
Matita
Regolo
Spille
Misura di nastro (l'accessorio extra)
Livello di spirito (l'accessorio extra)
 
Ritmo che misura
 
  Se nessuna misura di nastro lunga è disponibile,
il primo passo per un creatore di mappa
è misurare il suo ritmo: Un 30-metro
(La 100-piede) distanza dovrebbe essere misurata
fuori su livello ground.  Se solamente un 30cm
(12 ") regolo è disponibile, questo può
sia usato per marcare fuori un metro (3 ' o 4 ')
su un bastone; questo bastone a turno
sia usato per misurare i 30m (100 ').
Essendo accurato per normalmente camminare, il
progetti poi creatore conta il numero di
ritmi che lui prende nel camminare i 30m
(100 ') interval.  divisione Semplice
dia poi la lunghezza media di
un ritmo.
 
Scala di mappa
 
  Il passo prossimo è decidere su un
scali per il map.  che Questo è determinato
giudicando la distanza più lunga
essere progettato e la taglia della mappa
desired.  La mappa non deve essere
fatto su un foglio singolo di carta; esso
può essere rappezzato insieme da molto
fogli quando è completato.   Per
esempio: se Lei vuole una mappa 80cm
(2 1/2 ') lungo di un'area cui più lungo
dimensione è 800 metri (1/2 miglio
o 2540 piedi), poi una scala di 1 metro
a 1cm (100 piedi al pollice)
sia conveniente.
 
Creazione di mappa
 
1.  Luogo tappezza sulla tavola piana e
oriente la tavola piana su o vicino alcuni
caratteristica principale dell'area; per
esempio, un percorso, strada, torrente o albero.
 
2.  Luogo una spilla verticalmente nella macchia
sulla mappa per localizzare questa caratteristica.
 
3.  Fanno la tavola piana livellare; per
esempio, usando un livello di spirito.   Se
un livello di spirito non è disponibile, Lei
livellare la tavola usando niente
quale rotola facilmente.
 
4.  Ruotano la tavola ad un corretto
orientamento, così che la mappa sarà
fatto nella direzione desiderata.
 
5.  Vista lungo la prima spilla ad un altro
caratteristica principale dalla quale è visibile
l'ubicazione di tavola (una curva in una strada,
una collina o alcuna caratteristica che allacceranno
la mappa insieme, trasportando la seconda spilla
nella linea di vista (veda Figura 1).

uwr1x141.gif (393x393)


Un regolo può essere usato per questo scopo
se ha un orlo di avvistamento; un avvistamento
orlo può essere fatto conficcandosi una coppia
di spille nel regolo.
 
6.  Strattone una linea nella direzione definita
dalle due spille.
 
7.  Misura la distanza alla caratteristica
od osservato camminando o con un
misura di nastro.
 
8.  Scala questa distanza lungo la linea
disegnato sulla mappa, mentre cominciando al primo
spilla.
 
9.  Ripetizione questo processo per altro
caratteristiche principali che possono essere viste
da questa ubicazione (veda Figura 2).

uwr2x142.gif (437x437)


 
10.  Quando questo è stato fatto, la mossa
la tavola ad uno dei punti solo
disegnò, mentre selezionando uno che la volontà
L'abiliti per trasportare sull'area
conveniently.  Per esempio, segua
una corsia o torrente o della caratteristica
quale allaccia insieme cose.
 
11.  Set la tavola piana su questo
punto e re-oriente la tavola da
spille che mettono nella mappa al presente
e locations.  precedente Questa procedura
localizza la linea che congiunge le due ubicazioni
sulla mappa nella direzione stessa
come la linea esiste in natura, mentre facendolo
possibile andare su al passo prossimo con
la mappa diretto propriamente.
 
12.  Da questa ubicazione nuova, progetti nel
caratteristiche principali che possono essere convenientemente
avvistato.
 
  In così la regione intera per essere
progettato può essere coperto in un sistematico
way.  Se aperture appaiono o se più dettaglio
è avuto bisogno, ritorni e metta su finito
alcuni progettarono caratteristica, riorienti la mappa
avvistando su una seconda caratteristica, e
proceda progettare nel dettaglio.
 
  per progettare caratteristiche che non stanno andando
essere usato come ubicazioni di tavola di aereo in
il processo di rilevamento, disegni una linea in
la direzione di ogni caratteristica da due
piano-tavola locations.  L'intersecazione
di questo linee corrispondere del due
ad una caratteristica singola localizza il
rappresenti sul map.  Questo evita il
abbia bisogno per misurare distanze.   Note,
comunque, che le distanze tra
ubicazioni di piano-tavola devono essere misurate.
 
Elevazioni relative
 
  Se un livello di spirito è disponibile, esso
è possibile livellare la tavola piana
accuratamente e, usando un regolo o
apparecchiatura di avvistamento altra, trama relativo
le elevazioni sulla mappa.
 
  Un bastone approssimativamente 2 o 3 metri (6 ' o
8 ') lungo dovrebbe essere marcato via in
centimetri (i pollici) .  Una partecipazione azionaria di persona
il bastone può verticalmente, trasportando il suo
tocchi su o in giù, identifichi al
persona che avvista la distanza su da
la terra attraverso che la linea di
passaggi di vista.
 
Fonte:
 
Il Dott. Robert G. Luce, VITA Volunteer
Schenectady, New York
 
== == == == == == == == == == == == == == == == == == == ==
== == == == == == == == == == == == == == == == == == == ==
 

CD3WD Project Donate