Table des matières - Précédente


Back to Home Page of CD3WD Project or Back to list of CD3WD Publications

Annexe


Annexe 1
Annexe 2
Annexe 3
Annexe 4


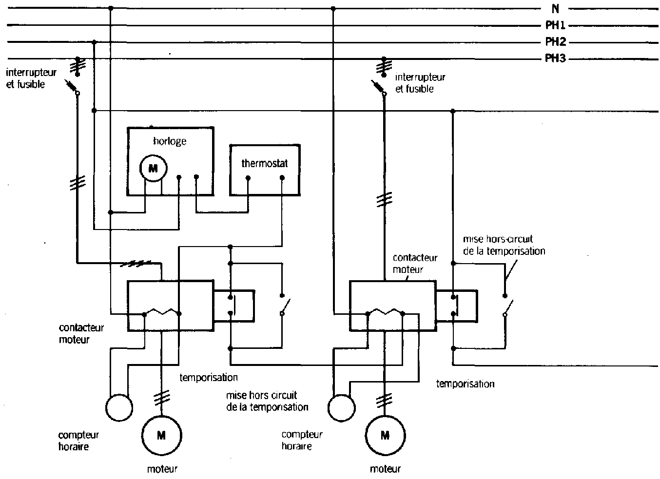
Annexe 1

Schéma électrique d'une installation de ventilation automatisée partiellement.

Annexe 2

PERTE DE POIDS DUE A L'EVAPORATION DE L'EAU.

Pour 100 kg de grain à % d'eau Pour 100 kg de grain on aura après évaporation jusque % d'eau
18 17 16 15 14 13 12
22 95,1 94,0 92,9 91,8 90,7 89,7 88,6
21 96,0 95,2 94,0 92,9 91,9 90,8 89,8
20 97,6 96,6 95,2 94,1 93,0 92,0 90,9
19 98,8 97,6 96,4 95,3 94,2 93,1 92,0
18 100 98,8 97,6 96,5 95,3 94,3 93,2
17   100 98,8 97,6 96,5 95,4 94,3
16     100 98,8 97,7 96,6 95,5
15       100 98,8 97,6 96,6
14         100 98,8 97,7

Exemple: 1 lot de blé qui pesait 100 kg à 17%, ramené à 15% ne pèse plus que 97,6 kg.

 

Annexe 3

Détermination de la pression d'air nécessaire a la ventilation du maïs

Détermination de la pression d'air nécessaire a la ventilation du blé

Détermination de la pression d'air nécessaire a la ventilation du maïs de l'orge

Détermination de la pression d'air nécessaire a la ventilation du blé du colza

 

Annexe 4

Calcul de la section des gaines (pour une vitesse de 8 m/s)

Calcul de la section de gaines (pour une vitesse de 4 m/s dans chaque gaine)

ITCF
Juillet 1983
INSTITUT TECHNIQUE DES CÉRÉALES ET DES FOURAGES
8, avenue du Président-Wilson
75116 PARIS

Dépôt légal: 4e trimestre 1983

Imprimerie du Paroi, Recloses 77116 Ury


Table des matières - Précédente

CD3WD Project Donate